Студопедия

КАТЕГОРИИ:


Архитектура-(3434)Астрономия-(809)Биология-(7483)Биотехнологии-(1457)Военное дело-(14632)Высокие технологии-(1363)География-(913)Геология-(1438)Государство-(451)Демография-(1065)Дом-(47672)Журналистика и СМИ-(912)Изобретательство-(14524)Иностранные языки-(4268)Информатика-(17799)Искусство-(1338)История-(13644)Компьютеры-(11121)Косметика-(55)Кулинария-(373)Культура-(8427)Лингвистика-(374)Литература-(1642)Маркетинг-(23702)Математика-(16968)Машиностроение-(1700)Медицина-(12668)Менеджмент-(24684)Механика-(15423)Науковедение-(506)Образование-(11852)Охрана труда-(3308)Педагогика-(5571)Полиграфия-(1312)Политика-(7869)Право-(5454)Приборостроение-(1369)Программирование-(2801)Производство-(97182)Промышленность-(8706)Психология-(18388)Религия-(3217)Связь-(10668)Сельское хозяйство-(299)Социология-(6455)Спорт-(42831)Строительство-(4793)Торговля-(5050)Транспорт-(2929)Туризм-(1568)Физика-(3942)Философия-(17015)Финансы-(26596)Химия-(22929)Экология-(12095)Экономика-(9961)Электроника-(8441)Электротехника-(4623)Энергетика-(12629)Юриспруденция-(1492)Ядерная техника-(1748)

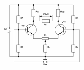
Аналитический метод определения параметров усилительного каскада




Определение параметров каскада усиления графическим путем.

Динамические (реальные) параметры усилительного каскада в режиме малого сигнала можно рассчитать графическим путем. Для этого необходимо построить нагрузочную прямую в семействе выходных статических характеристик транзистора, а также воспользоваться статической входной характеристикой, снятой при . Такие построения для усилительного каскада по схеме ОЭ были приведены на рис. 15.

По результатам графических построений можно определить основные параметры усилительного каскада.

· коэффициент усиления по напряжению:

,

где ;

.

· коэффициент усиления по току:

.

· коэффициент усиления по мощности:

.

· входное сопротивление:

.

 

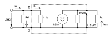
Для аналитического расчета обходимо представить транзистор схемой его замещения и к ней присоединить элементы схемы усилителя.

Удобнее пользоваться h -параметрами транзистора. Для прикидочных расчетов можно предположить, что, коэффициент обратной связи и напряжение обратной связи незначительны, и ими можно пренебречь.

Рис.18. Эквивалентная схема замещения усилителя

 

С учетом сделанного допущения эквивалентная схема усилителя значительно упростится. Она представлена на рис 18, где транзистор представлен П - образной схемой замещения.

В этой схеме:

-входное сопротивление транзистора;

-коэффициент усиления транзистора по току;

-выходное сопротивление транзистора;

-источник тока коллектора.

Нетрудно заметить, что для упрощенной схемы входное и выходное сопротивления равны:

;

.

Входное и выходное напряжения:

;

.

Входной и выходной токи:

;

.

Отсюда легко определить параметры усиления:

;

;

.

 

6. усилители постоянного тока

 

Усилителями постоянного тока (УПТ) называют усилители, коэффициент усиления которых не снижается при снижении частоты вплоть до нуля. Такие усилители производят усиление не только переменной, но и постоянной составляющей сигнала.

По принципу действия УПТ подразделяют на 2 основных типа: прямого усиления и с преобразованием сигнала.

Электрические сигналы, воздействующие на вход усилителя постоянного тока, во многих случаях малы по величине. Так, с помощью УПТ приходится усиливать напряжение порядка долей милливольта, а токи порядка А. Для усиления таких слабых сигналов одного каскада оказывается недостаточно, поэтому приходится применять многокаскадный усилитель.

Очевидно, что при построении многокаскадных усилителей емкостная или трансформаторная связь не может быть использована, т.к. ни конденсаторы, ни трансформаторы не пропускают постоянный ток. Поэтому для соединения отдельных каскадов применяют гальваническую (непосредственную) связь. При этом базу транзистора каждого последующего каскада непосредственно соединяют с коллектором предыдущего.

Это требование приводит к возникновению определенных трудностей, связанных с согласованиями режимов соседних каскадов по постоянному току. Такие трудности не возникают в усилителе переменного тока, где разделительные конденсаторы изолируют каскады по постоянному току.

Согласование режимов соседних каскадов по постоянному току может быть осуществлено двумя способами.

а б

Рис. 19. Согласование режимов соседних каскадов по постоянному току

 

При первом способе дополнительный источник напряжения включают в цепь межкаскадной связи (рис. 19а) в этом случае, напряжение смещения определяется как разность постоянного напряжения на выходе предыдущего каскада и напряжения дополнительного источника:

.

Изменяя напряжение Е, всегда можно получить оптимальное для транзистора второго каскада напряжение смещения.

При втором способе дополнительный источник постоянного напряжения включают в цепь эмиттера (или в цепь истока).

При полярности напряжения , указанной на рис. 19б напряжение смещения снова будет разностью постоянных напряжений и и так же может иметь нужную величину.

С конструктивной точки зрения, первый способ менее удачен, особенно в случае применения многокаскадных УПТ, так как будут необходимы дополнительный источники питания, и УПТ будет очень громоздким.

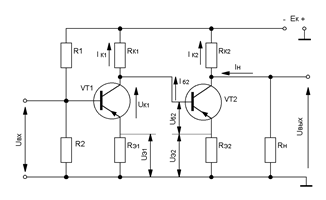
Второй способ значительно лучше, так как роль дополнительного источника постоянного напряжения может играть, например, резистор R в цепи эмиттера, через который проходит постоянный ток. Величину постоянного тока подбирают такой, чтобы выполнялось условие . Вариант схемы двухкаскадного УПТ приведен на рис. 20.

Рис. 20. Двухкаскадный усилитель постоянного тока

 

Делитель R 1, R 2 обеспечивает смещение на базу транзистора VT 1. При данной полярности источника питания на коллекторе транзистора устанавливается соответствующий начальному режиму относительно высокий отрицательный потенциал, который прикладывается к базе транзистора VT 2. Уровень этого потенциала обычно значительно превышает требуемое напряжение смещения на базу транзистор VT 2. Поэтому, если его не скомпенсировать, то токи и возрастут настолько, что транзистор может оказаться в режиме насыщения. Компенсация коллекторного напряжения в приведенной схеме осуществляется напряжением на резисторе , направленным встречно и задаваемым такой величины, чтобы:

,

где - напряжение смещения на базу транзистора VT 2, обеспечивающее необходимый базовый ток. В свою очередь ток обеспечивает начальный режим работы второго каскада.

Принципиальная трудность, возникающая при конструировании УПТ, заключается в том, что такие усилители обладают большой нестабильностью. Даже очень медленные изменения напряжения источников питания, а также параметров транзисторов и деталей схемы вследствие их старения, колебаний окружающей температуры вызывают медленные изменения токов, которые через цепи гальванической связи передаются на выход усилителя и приводят к изменениям выходного напряжения.

Особенно вредными оказываются изменения токов в первых каскадах, так как они усиливаются последующими. В результате этого в отсутствие входного сигнала выходное напряжение УПТ колеблется около некоторого среднего значения. Это явление, называемое дрейфом нуля УПТ, является вредным, так как возникающее выходное напряжение невозможно отличить от полезных сигналов. Дрейф нуля оценивают в единицах напряжения на время (микровольт в час). Отношение выходного напряжения при отсутствии сигнала на входе к коэффициенту усиления называют приведенным напряжением дрейфа:

.

Величина приведенного ко входу напряжения дрейфа ограничивает минимально различимый входной сигнал. Напряжение дрейфа определяет чувствительность усилителя. Если же напряжение дрейфа на входе усилителя окажется того же порядка, что и напряжение сигнала, или даже больше, то уровень искажений усилителя достигнет недопустимой величины.

Для уменьшения дрейфа нуля стабилизируют источники питания УПТ, вводят отрицательную обратную связь, а также применяют мостовые балансные схемы УПТ (рис. 21).

Рис. 21. Мостовая балансная схема УПТ

 

Данная схема выполнена в виде моста, двумя плечами которого являются внутренние сопротивления транзисторов VT 1 и VT 2 (вместе с соответствующей частью резистора и резистором ). К одной диагонали моста подключен источник питания , а к другой — внешняя нагрузка , с которой снимается выходное напряжение. Входной сигнал постоянного или медленно изменяющегося тока прикладывается к базам обоих транзисторов. Если плечи моста симметричны (транзисторы идентичны, = ) и , то начальные токи покоя транзисторов одинаковы. При этом напряжения на коллекторах и относительно заземленной точки схемы также равны, поэтому разность потенциалов между коллекторами, а следовательно и на нагрузке равна нулю. Изменение напряжения питания, температуры или воздействие какого-либо другого дестабилизирующего фактора вызывают равные приращения начальных токов транзисторов, что обусловливает равные приращения напряжений на коллекторах . Однако баланс моста при этом сохраняется и напряжение на нагрузке (напряжение дрейфа) равно нулю. При наличии входного сигнала приращения коллекторных токов, а следовательно, и напряжении на коллекторах будут равны по величине, но противоположны по направлению, что приводит к разбалансировке моста и появлению на нагрузке разности потенциалов, за счет которой в резисторе протекает ток усиленного сигнала. Полной симметрии плеч в реальной схеме достичь невозможно, что обусловливает наличие небольшого напряжения дрейфа. Для повышения стабильности балансного УПТ вводят переменный резистор , с помощью которого поддерживается большее постоянство потенциала эмиттеров при изменении токов транзисторов. Значение этого резистора невелико, обычно . Вместо отдельных резисторов в цепях эмиттеров транзисторов на практике применяют один общий резистор . Он обусловливает отрицательную связь лишь по токам покоя обоих транзисторов, что выгодно с точки зрения стабилизации параметров УПТ и снижения дрейфа нуля.

При воздействии входного сигнала приращения эмиттерных токов, протекающих через резистор равны по величине, но противоположны по направлению (т.е. ). Следовательно, отрицательная обратная связь по току, полезного сигнала, поддерживается лишь небольшим сопротивлением . Значительное снижение дрейфа нуля достигается в балансных УПТ, выполненных в виде интегральных микросхем. Поскольку транзисторы в интегральной схеме изготовляют в течение одного технологического цикла и в одних и тех же условиях, их параметры почти идеально идентичны. Кроме того, поскольку транзисторы расположены очень близко круг к другу в одной кремниевой пластинке, рабочая температура этих приборов одинакова.

7. Электронные генераторы

 

Генераторами называются автоколебательные системы, в которых энергия источника постоянного тока преобразуется энергию незатухающих электрических сигналов переменного тока, частоты и мощности.

В зависимости от формы колебаний различают автогенераторы синусоидальных и импульсных (релаксационных) колебаний.

Автогенераторы (генераторы с самовозбуждением) используются в качестве возбудителей колебаний требуемых частот, т. е. задающих генераторов. Получаемые от них колебания поступают затем в последующие каскады с целью усиления или умножения частоты. Они находят широкое применение в радиопередающих и радиоприемных устройствах, в ЭВМ, в измерительной технике, в автоматике и телемеханике и т. д. Любой усилитель может быть превращен в автогенератор, если его охватить положительной обратной связью и обеспечить выполнение условия , где b- коэффициент передачи цепи обратной связи.

Высокочастотные автогенераторы, работающие в диапазоне частот от 100 кГц до 100 МГц, выполненные на основе схемы резонансного усилителя, часто называются генераторами LC - типа. Низкочастотные автогенераторы, работающие в диапазоне от 0,01Гц до 100 кГц, построенные на основе схемы усилителя на резисторах, называются генераторами RC - типа.




Поделиться с друзьями:


Дата добавления: 2014-11-29; Просмотров: 2599; Нарушение авторских прав?; Мы поможем в написании вашей работы!


Нам важно ваше мнение! Был ли полезен опубликованный материал? Да | Нет



studopedia.su - Студопедия (2013 - 2025) год. Все материалы представленные на сайте исключительно с целью ознакомления читателями и не преследуют коммерческих целей или нарушение авторских прав! Последнее добавление




Генерация страницы за: 0.012 сек.