Студопедия

КАТЕГОРИИ:


Архитектура-(3434)Астрономия-(809)Биология-(7483)Биотехнологии-(1457)Военное дело-(14632)Высокие технологии-(1363)География-(913)Геология-(1438)Государство-(451)Демография-(1065)Дом-(47672)Журналистика и СМИ-(912)Изобретательство-(14524)Иностранные языки-(4268)Информатика-(17799)Искусство-(1338)История-(13644)Компьютеры-(11121)Косметика-(55)Кулинария-(373)Культура-(8427)Лингвистика-(374)Литература-(1642)Маркетинг-(23702)Математика-(16968)Машиностроение-(1700)Медицина-(12668)Менеджмент-(24684)Механика-(15423)Науковедение-(506)Образование-(11852)Охрана труда-(3308)Педагогика-(5571)Полиграфия-(1312)Политика-(7869)Право-(5454)Приборостроение-(1369)Программирование-(2801)Производство-(97182)Промышленность-(8706)Психология-(18388)Религия-(3217)Связь-(10668)Сельское хозяйство-(299)Социология-(6455)Спорт-(42831)Строительство-(4793)Торговля-(5050)Транспорт-(2929)Туризм-(1568)Физика-(3942)Философия-(17015)Финансы-(26596)Химия-(22929)Экология-(12095)Экономика-(9961)Электроника-(8441)Электротехника-(4623)Энергетика-(12629)Юриспруденция-(1492)Ядерная техника-(1748)

Теплофикационный цикл




В условиях развитого хозяйства экономически особенно целесообразно вырабатывать электрическую энергию и тепло комбинированным способом в одной теплосиловой установке, называющейся теплоэлектроцентралью. В так называемых конденсационных установках, рассмотренных ранее и вырабатывающих только механическую (или электрическую) энергию, весь отработавший пар конденсируется охлаждающей циркуляционной водой. Последняя нагревается обычно до 15—30° С и уносит с собой огромное количество тепла, которое не может быть использовано вследствие низкой температуры воды. Эти потери с охлаждающей водой составляют в конденсационных установках до 60% тепла, выделяющегося при сгорании топлива

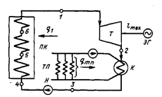
Рис. 6.12. Схема установки для совместной выработки тепловой и электрической энергии: ПК — паровой котел; Т — паровая турбина; К — конденсатор-подогреватель; Н — насос; ТП — теп­ловой потребитель. Цифры соответствуют точкам цикла в Т, s-диаграмме

Стремление к использованию тепла, уносимого циркуляционной (охлаждающей) водой, привело к мысли значительно повысить ее температуру за счет повышения давления отработавшего пара и использовать ее для отопления зданий, технологических процессов самых разнообразных производств, сушки, варки и т. п.

Таким образом осуществляется комбинированная выработка электрической и тепловой энергии. Такие установки называют теплофикационными или теплоэлектроцентралями (ТЭЦ).

Комбинированная выработка электрической и тепловой энергии является основой теплофикации, получившей особое развитие как наиболее передовой и совершенный метод производства тепловой и электрической энергии.

Рис. 6.13. Теплофикационный цикл

На фиг. 6.12 приведена схема теплофикационной установки, где показано, что охлаждающая вода, нагретая в конденсаторе К, не сбрасывается, а поступает в отопительные приборы потребителя. Температура воды для отопления должна быть не ниже 70—100 °С. Температура пара в конденсаторе (подогревателе) должна быть хотя бы на 10—15 0С выше. В большинстве случаев она получается больше 100 0С, а давление насыщенного пара p2 при этой температуре выше атмосферного. Поэтому турбины, работающие по такой схеме, называются турбинами с противодавлением.

Итак, давление за турбиной с противодавлением получается обычно не менее 0,1—0,15 МПа вместо около 0,004 за конденсационной турбиной, что, конечно, приводит к уменьшению работы пара в турбине и соответствующему увеличению количества отбросной теплоты. Это видно на рис. 6.13, где полезно использованная теплота qц в конденсационном цикле изображается площадью 1-2'-3'-4'-5-6-1, а при противодавлении — площадью 1-2-3-4-5-6-1. Площадь 2-2'-3'-4 дает уменьшение полезной работы из-за повышения давления за турбиной с р'2 до р2.

Повышение противодавления (конечного давления пара) приводит к уменьшению выработки механической или электрической энергии, но общее использование тепла при этом значительно повышается. Для идеального случая, в котором не учитываются неизбежные потери, коэфициент использования тепла в комбинированном процессе равен единице. В действительных условиях часть тепла теряется, и экономичность теплофикационных установок достигает 70—75%.

Недостатком приведенной схемы является то, что отбор пара жёстко связан с его расходом через турбину. На практике потребности в электроэнергии и теплоте во времени не совпадают.

Чтобы избавиться от такой жесткой связи, на станциях широко применяют турбины с регулируемым промежуточным отбором пара (рис. 6.14). Такая турбина состоит из двух частей: части высокого давления (ЧВД), в которой пар расширяется до давления pотб, необходи­мого для теплового потребителя, и части низкого давления (ЧНД), где пар рас­ширяется до давления р2 в конденсаторе. Через ЧВД проходит весь пар, выраба­тываемый котлоагрегатом. Часть его (при давление ротб) отбирается и посту-

Рис. 6.14. Установка турбины с регулируемым отбором пара  

 

пает к тепловому потребителю ТП. Остальной пар проходит через ЧНД в конденсатор К. Регулируя соотношения пара, проходящего через ЧНД и ТП, можно независимо менять как тепловую, так и электрическую нагрузки турбины с промежуточным отбором, чем и объяс­няется их широкое распространение на ТЭЦ. При необходимости предусматри­ваются два и более регулируемых отбора с разными параметрами пара.

Наряду с регулируемыми каждая турбина имеет еще несколько нерегулируемых отборов пара, исполь­зуемых для регенеративного подогрева питательной воды, существенно повыша­ющего термический КПД цикла.

Своеобразная «теплофикация» мо­жет осуществляться даже на чисто конденсационных станциях, где охлаждаю­щая вода из конденсаторов использует­ся, например, для обогрева бассейнов или водоемов, где искусственно выращи­вается рыба. Отбросная теплота может использоваться для обогрева парников, теплиц и т. д. Конечно, потребное в рай­оне ТЭЦ количество теплоты для этих целей значительно меньше общего коли­чества отбросной теплоты, но тем не ме­нее такое ее использование является эле­ментом безотходной технологии — техно­логии будущего.

Несмотря на большие потери при передаче теплоты от продуктов сгорания в паровом котле к пару, КПД паросиловых установок в среднем выше, чем у ГТУ, и близок к КПД ДВС

Большой располагае­мый теплоперепад в турбине и связанный с этим относительно низкий удельный расход пара на выработку 1 кВт позво­ляют создать паровые турбины на ко­лоссальные мощности — до 1200 МВт в одном агрегате. Поэтому паросиловые установки безраздельно господствуют как на тепловых, так и на атомных элек­тростанциях. Паровые турбины приме­няют также для привода турбовоздухо­дувок (в частности, в доменном произ­водстве). Недостаток паротурбинных установок — большие затраты металла, связанные прежде всего с большой мас­сой котлоагрегата. Поэтому они практи­чески не применяются на транспорте и их не делают маломощными.

 




Поделиться с друзьями:


Дата добавления: 2014-11-29; Просмотров: 6941; Нарушение авторских прав?; Мы поможем в написании вашей работы!


Нам важно ваше мнение! Был ли полезен опубликованный материал? Да | Нет



studopedia.su - Студопедия (2013 - 2025) год. Все материалы представленные на сайте исключительно с целью ознакомления читателями и не преследуют коммерческих целей или нарушение авторских прав! Последнее добавление




Генерация страницы за: 0.008 сек.