Студопедия

КАТЕГОРИИ:


Архитектура-(3434)Астрономия-(809)Биология-(7483)Биотехнологии-(1457)Военное дело-(14632)Высокие технологии-(1363)География-(913)Геология-(1438)Государство-(451)Демография-(1065)Дом-(47672)Журналистика и СМИ-(912)Изобретательство-(14524)Иностранные языки-(4268)Информатика-(17799)Искусство-(1338)История-(13644)Компьютеры-(11121)Косметика-(55)Кулинария-(373)Культура-(8427)Лингвистика-(374)Литература-(1642)Маркетинг-(23702)Математика-(16968)Машиностроение-(1700)Медицина-(12668)Менеджмент-(24684)Механика-(15423)Науковедение-(506)Образование-(11852)Охрана труда-(3308)Педагогика-(5571)Полиграфия-(1312)Политика-(7869)Право-(5454)Приборостроение-(1369)Программирование-(2801)Производство-(97182)Промышленность-(8706)Психология-(18388)Религия-(3217)Связь-(10668)Сельское хозяйство-(299)Социология-(6455)Спорт-(42831)Строительство-(4793)Торговля-(5050)Транспорт-(2929)Туризм-(1568)Физика-(3942)Философия-(17015)Финансы-(26596)Химия-(22929)Экология-(12095)Экономика-(9961)Электроника-(8441)Электротехника-(4623)Энергетика-(12629)Юриспруденция-(1492)Ядерная техника-(1748)

Тиристорний блок керування СГ-76М




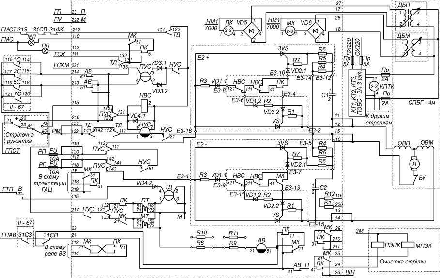
Недоліком всіх релейних схем керування стрілками є швидке зношування контактів пускових реле в робочому колі керування електродвигуном. Використання для комутації струму електродвигуна тиристорів дозволяє позбутися цього недоліку. На рис. 8.3 наведена схема тиристорного блока СГ-76М, призначеного для керування стрілочними електроприводами типу СПГБ-4М.

До складу тиристорного блока керування СГ-76М входять:

- нейтральне керуюче реле НУС типу НПМ3-0,2/220;

- поляризоване керуюче реле ПУС типу ПМПУ-150/150;

- нейтральне допоміжне реле НВС типу КДР1;

- тиристорні комутатори Е2(+) і Е2(-), які здійснюють безконтактну комутацію для вмикання та вимикання електродвигуна під час переведення стрілки;

- реле автоматичного повернення стрілки АВ типу АНМ2-380;

- контрольні реле положення стрілки ПК і МК типу НМ1-7000;

- реле технічної діагностики ТД типу ПМПУ-150/150.

Кожен тиристорний комутатор має два тиристори: VS – пусковий і З VS – замикаючий, керування якими здійснюється контактами реле НВС і ПК(МК). Для керування стрілочним електроприводом типу СПГБ-4М використовується дев’ять проводів: три робочих кола 11-12, 13-14 й 15-16, по яких виконується вмикання обмоток збудження електродвигуна ОВП й ОВМ; чотири контрольних кола 27-17 й 28-18 для вмикання контрольних реле ПК і МК; два кола для живлення датчиків безконтактного автоперемикача. Якщо на стрілці використовується пневматичне очищення від снігу, то необхідно ще три кола для керування електромагнітами ПЭПК і МЭПК. Провідники в робочому колі вмикання двигуна дублюються, що підвищує надійність переведення стрілки у випадку обриву одного з них.

На рис. 8.3 наведена схема керування для плюсового положення стрілки. Розглянемо принцип роботи блока СГ-76М на прикладі переведення стрілки в мінусове положення.


Рис. 8.3. Схема керування стрілочним електроприводом типу СПГБ-4М


Стрілку можна перевести в мінусове положення вручну поворотом стрілочної рукоятки або автоматично у разі вмикання сортувальних реле (1С або 3С). У результаті цього одержують живлення реле НВС і НУС (по верхній обмотці 4-2). У колі вмикання даних реле перевіряються такі умови: вільність стрілочної ділянки (реле 31СП), відсутність замикання стрілки в маршруті (реле 31З), відсутність на ділянці вагона з довгою базою (фотоелектричний пристрій 31ФК), справність тиристорних комутаторів Е2(+) і Е2(-) (реле ТД).

Через фронтовий контакт НУС вмикається реле ПУС (по верхній обмотці 1-3), що призводить до перемикання поляризованих контактів реле в положення, показане на схемі пунктирною лінією. Це приводить до розриву кола живлення реле НВС і НУС, але за рахунок уповільнення на відпускання вони будуть утримувати якір у притягнутому стані. Першим відпускає якір реле НВС, і поки реле НУС залишається ввімкненим на керуючий електрод тиристора VS комутатора Е2(-) надходить позитивний потенціал по колу: РП (119-120)–ПУС–НУС–ПУС– R 3– VD 1.1–НВС–НВС–МК– VD 2.2. Діод VD 1.2 виключає подачу цього потенціалу на катод тиристора VS. Тиристор VS відкривається, що приводить до вмикання електродвигуна по колу: РП (119-120) –ПУС–НУС–ПУС–тиристор VS –обмотка збудження ОВМ–НУС–обмотка реле НУС (1-3)–ТД–РМ (121-122). Із цього моменту до закінчення переведення стрілки реле НУС утримує якір у притягнутому стані струмом, що протікає по струмовій обмотці 1-3. Одночасно із цим відбувається заряд конденсатора С2 через резистори R 4 й R 5.

По закінченні переведення й одержанні за контролю положення стрілки вмикається реле МК, що своїм контактом знімає з керуючого електрода тиристора VS позитивний потенціал і подає його на керуючий електрод замикаючого тиристора 3 VS. Він відкривається й розряджає конденсатор С2 назустріч струму відкритого тиристора VS, що приводить до закриття останнього, вимиканню двигуна й реле НУС. Тиристор 3 VS також закривається, оскільки через нього проходить струм, заданий резистором R 6 і недостатній для втримання його у відкритому стані. Діоди VD 1.1, VD 2.1 й VD 2.2 виключають подачу негативного потенціалу з конденсатора С 1 на керуючі електроди в момент відкриття тиристора 3 VS і закриття VS, що може призвести до пошкодження останнього.

Якщо переведення стрілки затягується на час, більший ніж 1,8 с, то вимикається реле АВ і відбувається автоматичне повернення стрілки із середнього в початкове положення. Через контакти реле АВ спрацьовує реле НВС, а реле НУС уже перебуває під струмом по робочому колу вмикання двигуна. До початку перемикання якоря ПУС реле НВС встигне подати позитивний потенціал з конденсатора С 2 на керуючий електрод тиристора 3 VS схеми Е2(-) по такому колу: + С 2– R 2– VD 1.2–фронтовий контакт НВС– VD 2.1–керуючий вивід тиристора 3 VS –катод тиристора 3 VSR 6– C 2. Це приводить до відкриття тиристора 3 VS і до закриття тиристора VS. Робоче коло електродвигуна розривається, і перемикання контактів ПУС відбувається вже, коли електродвигун вимкнений.

Реле ПУС вмикається по колу нижньої обмотки 4-2, що приводить до перемикання його поляризованих контактів у положення, показане на схемі суцільною лінією. У результаті цього реле НВС відпускає якір і подає позитивний потенціал на керуючий електрод тиристора VS схеми Е2(+) по такому колу: РП (117-118)–ПУС–НУС–ПУС– R 3– VD 1.1–НВС–ПК– VD 2.2. Тиристор VS відкриється, і це приводить до вмикання двигуна й поверненню стрілки у початкове положення. Після вмикання реле ПК відбудеться відкриття тиристора 3 VS, закриття тиристора VS, вимикання двигуна й закриття тиристора 3 VS.

Коли виникає несправність в схемі тиристорних комутаторів, блок керування переходить у безпечний режим, за якого виключається можливість переведення стрілки. У випадку пробою тиристорів VS й 3 VS, обриву тиристора 3 VS або резисторів R 4… R 6, а також короткого замикання або обриві конденсатора С 1 реле НУС не зможе вимкнутися й розірвати коло живлення електродвигуна, тому що воно буде втримувати якір у притягнутому стані по струмовій обмотці. При цьому через термоелементи МТ або ПТ буде протікати струм по колу: ГПСТ–НУС–ПУС–ПК (МК)–ПТ (МТ) – М. Через 20…25 секунд у результаті нагрівання замикаються фронтові контакти термоелементів ПТ (МТ) і вмикається поляризоване реле ТД по нижній обмотці 1-3. У результаті цього поляризовані контакти реле ТД перемикаються в положення, що показано на схемі пунктирною лінією. Це призводить до відключення робочого кола електродвигуна від негативного полюса живлення РМ за допомогою контактів реле ТД 141-142 й 112-11 і вимикання реле НУС й електродвигуна. Крім цього, контакти 121-122 реле ТД розірвуть коло вмикання реле НУС, НВС і ПУС, що не дозволить переведення стрілки до усунення несправності.

Поляризований контакт 131-133 реле ТД підключає лампу МЛ або ПЛ до кола живлення ГСХМ, у результаті чого та загорається миготливим світлом, повідомляючи диспетчеру про несправності схеми керування стрілкою. Для повернення якоря ТД у початкове положення треба нажати кнопку «В», яку встановлюють для групи стрілок. У результаті цього реле ТД вмикається по верхній обмотці 4-2 і повертає свої поляризовані контакти у початковий стан, показаний на схемі суцільною лінією.

8.2. Порядок виконання роботи

1. Вивчити роботу схеми керування стрілочним електроприводом типу СПГ-3 з блоком СГ-66.

2. Скласти алгоритм роботи схеми керування стрілочним електроприводом типу СПГ-3 з блоком СГ-66, коли стрілка переводиться в мінусове й плюсове положення.

3. Простежити роботу схеми керування стрілочним електроприводом типу СПГ-3 з блоком СГ-66 у разі втрати контролю положення стрілки на час більше двох секунд.

4. Вивчити пристрій і принцип роботи безконтактного автоперемикача стрілочного електропривода типу СПГБ-4М.

5. Вивчити роботу схеми тиристорного блока керування СГ-76М стрілочним електроприводом типу СПГБ-4М.

6. Скласти алгоритм роботи схеми тиристорного блока керування СГ-76М під час переведення стрілки в мінусове й плюсове положення.

7. Простежити роботу схеми керування з блоком СГ-76М у випадку пробою одного з тиристорів.

8. Простежити роботу схеми керування з блоком СГ-76М у випадку обриву конденсатора С1 у тиристорному комутаторі.

9. Відповісти на контрольні запитання та завдання.

8.3. Зміст звіту

1. Назва й мета роботи.

2. Схема керування стрілочним електроприводом типу СПГ-3 з блоком СГ-66.

3. Алгоритм роботи схеми керування стрілочним електроприводом типу СПГ-3 з блоком СГ-66 під час переведення стрілки в мінусове положення.

4. Схема тиристорного блоку керування СГ-76М гірковим стрілочним приводом типу СПГБ-4М.

5. Алгоритм роботи схеми керування з блоком СГ-76М гірковим стрілочним приводом під час переведення стрілки в плюсове положення.

6. Відповідь на контрольне запитання.

8.4. Контрольні запитання та завдання

1. Основні особливості гіркових стрілочних електроприводів типу СПГ-3 і СПГБ-4М.

2. Особливості релейної схеми керування стрілочним електроприводом СПГ-3 з блоком СГ-66.

3. Робота схеми керування стрілочним приводом СПГ-3 з блоком СГ-66 під час переведення стрілки в плюсове положення.

4. Робота схеми керування стрілочним приводом СПГ-3 з блоком СГ-66 під час переведення стрілки в мінусове положення.

5. Призначення реле АВ.

6. Робота схеми керування стрілочним електроприводом СПГ-3 з блоком СГ-66 у випадку втрати контролю стрілки на час більше двох секунд.

7. Чому автоматичне повернення стрілки не працює у випадку заняття відчепом стрілочної ділянки?

8. Як гарантується виконання тільки однієї команди на повернення стрілки?

9. Як забезпечується надійне енергопостачання сортувальних гірок?

10. Як забезпечується надійна робота схеми керування у разі випадкового порушення кола живлення реле АВ?

11. Основні особливості схеми керування гірковим стрілочним електроприводом типу СПГБ-4М.

12. Робота датчиків безконтактного автоперемикача, під час переведення стрілки в плюсове й мінусове положення.

13. Робота датчиків безконтактного автоперемикача у разі взрізу стрілки.

14. Робота схеми керування стрілочним приводом СПГБ-4М під час переведення стрілки в плюсове положення.

15. Робота схеми керування стрілочним приводом СПГБ-4М під час переведення стрілки в мінусове положення.

16. Призначення реле ТД.

17. Що відбудеться у разі пробою тиристора VS або 3 VS у схемі тиристорного комутатора?

18. Вольт-амперна характеристика тиристора, а також умови його відкриття й закриття.

19. Причини закриття тиристора 3 VS після розряду конденсатора С 1?




Поделиться с друзьями:


Дата добавления: 2014-12-07; Просмотров: 738; Нарушение авторских прав?; Мы поможем в написании вашей работы!


Нам важно ваше мнение! Был ли полезен опубликованный материал? Да | Нет



studopedia.su - Студопедия (2013 - 2026) год. Все материалы представленные на сайте исключительно с целью ознакомления читателями и не преследуют коммерческих целей или нарушение авторских прав! Последнее добавление




Генерация страницы за: 0.011 сек.