Студопедия

КАТЕГОРИИ:


Архитектура-(3434)Астрономия-(809)Биология-(7483)Биотехнологии-(1457)Военное дело-(14632)Высокие технологии-(1363)География-(913)Геология-(1438)Государство-(451)Демография-(1065)Дом-(47672)Журналистика и СМИ-(912)Изобретательство-(14524)Иностранные языки-(4268)Информатика-(17799)Искусство-(1338)История-(13644)Компьютеры-(11121)Косметика-(55)Кулинария-(373)Культура-(8427)Лингвистика-(374)Литература-(1642)Маркетинг-(23702)Математика-(16968)Машиностроение-(1700)Медицина-(12668)Менеджмент-(24684)Механика-(15423)Науковедение-(506)Образование-(11852)Охрана труда-(3308)Педагогика-(5571)Полиграфия-(1312)Политика-(7869)Право-(5454)Приборостроение-(1369)Программирование-(2801)Производство-(97182)Промышленность-(8706)Психология-(18388)Религия-(3217)Связь-(10668)Сельское хозяйство-(299)Социология-(6455)Спорт-(42831)Строительство-(4793)Торговля-(5050)Транспорт-(2929)Туризм-(1568)Физика-(3942)Философия-(17015)Финансы-(26596)Химия-(22929)Экология-(12095)Экономика-(9961)Электроника-(8441)Электротехника-(4623)Энергетика-(12629)Юриспруденция-(1492)Ядерная техника-(1748)

Многокаскадные усилители




 

Усилитель с нейтрализацией. Усилитель на полевых транзи­сторах (рис. 4.65) работает в широком диапазоне температур от — 196 до +85 °С. Режим по постоянному току устанавливается ре­зисторами автосмещения R3, R6 и R8 таким образом, чтобы рабочая точка полевых транзисторов соответствовала минимальному температурному дрейфу тока стока Полоса пропускания усилителя равна 10 Гц — 1 МГц. Широкополосность обеспечивается малой входной емкостью. Уменьшение влияния емкости полевого транзистора до­стигается нейтрализацией, осуществляемой за счет ООС в исток и сток входного транзистора. Входная емкость лежит в пределах 1 — 2 пФ. Шумы усилителя эквивалентны сопротивлению 10 кОм для температуры 77 К и 50 кОм для температуры 293 К. Входное сопро­тивление усилителя около 8 МОм, а выходное — около 100 Ом.

Транзисторный широкополосный усилитель. Коэффициент усиле­ния усилителя (рис. 4.66) в полосе частот от 5 Гц до 15 МГц состав­ляет около 15 дБ. Усилитель охвачен глубокой ООС, что обеспечи­вает стабильность его основных характеристик. Защита от самовоз­буждения обеспечивается выбором необходимых соотношений посто­янных времени каскадов. Для уменьшения нижней граничной частоты полосы пропускания применяется полевой транзистор, обеспечиваю­щий входное сопротивление около 2 МОм. Большое входное сопро­тивление каскада позволяет уменьшить емкость конденсатора С1. Нагрузкой цепи стока полевого транзистора VT2 является генера­тор тока на транзисторе VT1. Эта динамическая нагрузка дает возможность увеличить усиление первого каскада и тем самым глу­бину ООС. Кроме того, эта же нагрузка позволяет уменьшить нелинейные искажения входного каскада и довести их до 0,2 % в полосе частот до 3 МГц. Для уменьшения выходного сопротивле­ния входного каскада применяется эмиттерный повторитель на тран­зисторе VJ3. Транзистор VT4 увеличивает общий коэффициент уси­ления и обеспечивает необходимый базовый ток транзистора VT5, который работает на низкоомную нагрузку. Усилитель работает в диапазоне температур от — 10 до +50 °С.

Усилитель с непосредственной связью. В усилителе (рис. 4.67) используется непосредственная связь между каскадами. Коллектор­ные токи транзисторов относительно невелики. В этой связи шумы усилителя сведены к минимуму и составляют приблизительно 10 мкВ в полосе частот от 2 Гц до 100 кГц. Наличие полевого транзистора в первом каскаде позволяет получить входное сопротивление около 5 МОм. В случае необходимости увеличения входного сопротивления следует изменить сопротивление резистора R1. Шумы усилителя в этом случае возрастут. Ко­эффициент усиления можно ме­нять от 100 до 4000 подстроеч-ным резистором R7. Исключе­ние из схемы конденсатора С1 позволяет использовать усили­тель для передачи сигналов по­стоянного тока. При этом дрейф составит 1,5 мВ за 8ч работы.

Рис. 4.66 Рис. 4.67

 

Рис. 4.68

Чувствительный усилитель. Схема (рис. 4.68) предназна­чена для усиления сигналов в диапазоне частот от 100 Гц до 1,2 МГц; коэффициент уси­ления порядка 104. Входной шум при сопротивлении гене­ратора 5 кОм равен 40 мкВ, максимальный выходной сигнал 1,5 В, входное сопротивление 2,5 МОм. Схема содержит пять каска­дов усиления. Входной каскад на полевом транзисторе VT1 выпол­нен по схеме с ОИ. Два последующих каскада собраны по идентич­ной схеме. В этой схеме для стабилизации параметров усилителя применены две цепи ООС через резисторы R3 и R6, R12 и R15.

Рис. 4.69

 

Последний каскад с ОС через R20 обеспечивает усиление около 20 и малое выходное сопротивление. Вместо дискретных компонентов возможно применение интегральной микросхемы К122УС1.

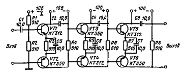
Широкополосный усилитель. Усилитель состоит из трех каскадов (рис. 4.69). Каждый каскад имеет коэффициент усиления около 30. Полоса пропускания усилителя от 1 кГц до 1 МГц. При использова­нии транзисторов с более высокой граничной частотой, например КТ360 и КТ324, полоса пропускания может быть расширена до 100 МГц. Несмотря на то, что общий коэффициент усиления более 2-104, усилитель устойчив. Это происходит, в частности, за счет того, что каждый каскад питается от отдельного источника питания. Принцип построения усилителя можно использовать при создании ре­зонансного усилителя с большим коэффициентом усиления.

 




Поделиться с друзьями:


Дата добавления: 2014-11-29; Просмотров: 1303; Нарушение авторских прав?; Мы поможем в написании вашей работы!


Нам важно ваше мнение! Был ли полезен опубликованный материал? Да | Нет



studopedia.su - Студопедия (2013 - 2026) год. Все материалы представленные на сайте исключительно с целью ознакомления читателями и не преследуют коммерческих целей или нарушение авторских прав! Последнее добавление




Генерация страницы за: 0.011 сек.