Студопедия

КАТЕГОРИИ:


Архитектура-(3434)Астрономия-(809)Биология-(7483)Биотехнологии-(1457)Военное дело-(14632)Высокие технологии-(1363)География-(913)Геология-(1438)Государство-(451)Демография-(1065)Дом-(47672)Журналистика и СМИ-(912)Изобретательство-(14524)Иностранные языки-(4268)Информатика-(17799)Искусство-(1338)История-(13644)Компьютеры-(11121)Косметика-(55)Кулинария-(373)Культура-(8427)Лингвистика-(374)Литература-(1642)Маркетинг-(23702)Математика-(16968)Машиностроение-(1700)Медицина-(12668)Менеджмент-(24684)Механика-(15423)Науковедение-(506)Образование-(11852)Охрана труда-(3308)Педагогика-(5571)Полиграфия-(1312)Политика-(7869)Право-(5454)Приборостроение-(1369)Программирование-(2801)Производство-(97182)Промышленность-(8706)Психология-(18388)Религия-(3217)Связь-(10668)Сельское хозяйство-(299)Социология-(6455)Спорт-(42831)Строительство-(4793)Торговля-(5050)Транспорт-(2929)Туризм-(1568)Физика-(3942)Философия-(17015)Финансы-(26596)Химия-(22929)Экология-(12095)Экономика-(9961)Электроника-(8441)Электротехника-(4623)Энергетика-(12629)Юриспруденция-(1492)Ядерная техника-(1748)

Фильтры на транзисторах




ФИЛЬТРЫ НА МИКРОСХЕМАХ

 

Перестраиваемый ФВЧ. Схема активного ФВЧ (рис. 5 16) поз­воляет плавно регулировать частоту среза от 300 Гц до 3 кГц. Перестройка фильтра осуще­ствляется с помощью полевых транзисторов VT1 и VT2, ко­торые работают как перемен­ные резисторы. Частота среза АЧХ определяется из выраже­ния

где R10 и R — эквивалентные со­противления, образованные па­раллельным соединением ре­зисторов R1 и R2 и сопротив­лений каналов сток — исток полевых транзисторов. Диапа­зон управляющих напряжений от 2 до 3,6 В. Коэффициент передачи фильтра в полосе пропускания равен 0,96, а коэффициент нелинейных искажений не более 0,7% при входном cm-нале 140 мВ. Крутизна спада АЧХ не менее 40 дБ на декаду.

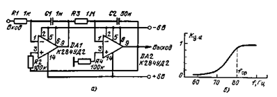
Рис. 5.16 Рис. 5.17

 

Двухкаскадный фильтр. Фильтр высоких частот на интеграль­ной микросхеме К284УД2 (рис. 5.17, а) имеет частоту среза 80 Гц. Уходы частоты среза в диапазоне температур от +25 до +80° С составляют 0,2%. Форма АЧХ проиллюстрирована на рис. 5.17,6.

 

 

Активный ФВЧ с инфранизкой частотой среза. Для получения большого входного сопротивления активного элемента применяется составной каскад, в котором на входе использован полевой тран­зистор, а биполярный осуществляет следящую ООС (рис. 5.18, а). Входное сопротивление усилителя около 1,8 МОм, что позволило реализовать малогабаритный фильтр с постоянной времени 4 с. Вы­ходное сопротивление равно 100 Ом. Частота среза характеристики 0,25 Гц. На частоте 0,1 Гц затухание сигнала составляет 33 дБ. Амплитуда входного сигнала не менее 3 В. На графике (рис. 5.18,6) приведена АЧХ фильтра.

Фильтр высоких частот на транзисторах. Активный ФВЧ (рнс. 5.19, а) имеет частоту среза 270 Гц. Вне полосы пропускания фильтра падение коэффициента передачи составляет 15 дБ/октава. Подавление сигналов с частотой ниже 50 Гц достигает 40 дБ. Для R4=R5 = 5,6 кОм и R6=120 Ом при неизменных емкостях кон­денсаторов частота среза будет составлять 150 Гц. На рис. 5.19,6 приведена АЧХ фильтра.

Рис. 5.18

Рис. 5.19

Рис. 5.20

 

Корректирующий фильтр. Фильтр высоких частот (рис. 5.20, а) имеет частоту среза 1 кГц. Подавление сигналов с частотами ниже 1 кГц происходит за счет ООС, которая осуществляется через транзистор VT1. Глубина этой связи тем больше, чем больше амп­литуда сигнала на конденсаторе С2. Частотную характеристику фильтра можно менять, подключая в эмиттер транзистора VT2 кон­денсатор СЗ. С этим конденсатором возникает подъем характери­стики на частотах выше 5 кГц. При подключении этого конденса­тора в коллектор транзистора VT2 возникает завал на частотах выше 5 кГц. На рис. 5.20, б приведена АЧХ фильтра для двух зна­чений емкости СЗ.




Поделиться с друзьями:


Дата добавления: 2014-11-29; Просмотров: 1438; Нарушение авторских прав?; Мы поможем в написании вашей работы!


Нам важно ваше мнение! Был ли полезен опубликованный материал? Да | Нет



studopedia.su - Студопедия (2013 - 2026) год. Все материалы представленные на сайте исключительно с целью ознакомления читателями и не преследуют коммерческих целей или нарушение авторских прав! Последнее добавление




Генерация страницы за: 0.011 сек.