Студопедия

КАТЕГОРИИ:


Архитектура-(3434)Астрономия-(809)Биология-(7483)Биотехнологии-(1457)Военное дело-(14632)Высокие технологии-(1363)География-(913)Геология-(1438)Государство-(451)Демография-(1065)Дом-(47672)Журналистика и СМИ-(912)Изобретательство-(14524)Иностранные языки-(4268)Информатика-(17799)Искусство-(1338)История-(13644)Компьютеры-(11121)Косметика-(55)Кулинария-(373)Культура-(8427)Лингвистика-(374)Литература-(1642)Маркетинг-(23702)Математика-(16968)Машиностроение-(1700)Медицина-(12668)Менеджмент-(24684)Механика-(15423)Науковедение-(506)Образование-(11852)Охрана труда-(3308)Педагогика-(5571)Полиграфия-(1312)Политика-(7869)Право-(5454)Приборостроение-(1369)Программирование-(2801)Производство-(97182)Промышленность-(8706)Психология-(18388)Религия-(3217)Связь-(10668)Сельское хозяйство-(299)Социология-(6455)Спорт-(42831)Строительство-(4793)Торговля-(5050)Транспорт-(2929)Туризм-(1568)Физика-(3942)Философия-(17015)Финансы-(26596)Химия-(22929)Экология-(12095)Экономика-(9961)Электроника-(8441)Электротехника-(4623)Энергетика-(12629)Юриспруденция-(1492)Ядерная техника-(1748)

Последовательность выполнения работы. 1. Изучите разделы «Общие сведения» и «Основы проектирования технологических процессов» данной работы




1. Изучите разделы «Общие сведения» и «Основы проектирования технологических процессов» данной работы.

2. Проверьте свои знания о токарных, фрезерных, сверлильных и других технологических методах обработки заготовок, применяемом инструменте и оборудовании по материалам работ 1.1; 1.2; 1.3; 1.9; 1.10; 2.1.

3. Получите индивидуальное задание от преподавателя на разработку технологического процесса изготовления детали по таблице 2.9.

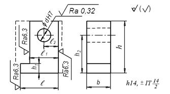
4. Изучите эскиз детали, установите партию её изготовления и тип заготовки.

5. Перерисуйте эскиз детали на отдельный лист и пронумеруйте обрабатываемые поверхности по примеру рисунка 1.13, б.

6. Разработайте структуру технологического процесса, выделив технологические операции, установы, технологические и вспомогательные переходы, и определите число необходимых рабочих ходов при обработке конкретных поверхностей. Работу выполните, консультируясь с преподавателем, в последовательности, представленной в разделе «Основы проектирования технологических процессов».

Примечание. Поиск оптимального варианта структуры технологического процесса, а также выделение позиций в структуре технологических операций в рамках данной лабораторной работы не могут быть осуществлены, так как это требует рассмотрения теоретических основ, дополнительных к указанным в разделе «Общие сведения» [11, 12].

7. Разработайте технологические эскизы на выделенные операции и установы.

8. Оформите технологическую карту на разработанный технологический процесс изготовления детали (по форме таблицы 2.8).

9. Составьте отчёт по работе.


Таблица 2.9

Индивидуальные задания

 

№ п/п Эскиз детали с припусками на обработку Размеры детали
l, мм l 1, мм l 2, мм d, мм d1, мм d2, мм h, мм h 1, мм h 2, мм b, мм
                       
                 
                 
                 
           
           
           

Окончание табл. 2.9

№ п/п Эскиз детали с припусками на обработку Размеры детали
l, мм l1, мм d, мм d1, мм d2, мм h, мм b, мм m z
            22,8      
            39,3   2,5  
            48,3      

 

№ п/п Эскиз детали с припусками на обработку Размеры детали, мм
l l1 l2 l3 l4 d d1 d2 d3 d4 h b
              39,5       35,5  
              44,5       40,0  
              49,0       45,0  


Содержание отчёта

1. Наименование работы.

2. Номер, формулировка и исходные данные индивидуального задания.

Индивидуальное задание: «Разработать технологический процесс изготовления детали «…..» для единичного типа производства, составить технологическую карту процесса и разработать операционные эскизы (по заданию преподавателя)».

3. Эскиз детали согласно индивидуальному заданию с нумерацией изготавливаемых поверхностей по форме рисунка 1.13, б.

4. Тип заготовки и метод её изготовления.

5. Технологические маршруты изготовления отдельных поверхностей детали (по форме таблицы 2.10).

Таблица 2.10

Технологические маршруты изготовления поверхностей детали «…»

Номер поверхности Вид выполняемой работы Требования к поверхности Названия технологических переходов Режущий инструмент
квалитет Ra, мкм
        1.1. …  
        1.2. ….  
        2.1. ….  
         

6. Технологический маршрут изготовления детали в виде перечисления последовательности технологических переходов.

7. Перечень технологических операций и применяемого оборудования (по форме таблицы 2.11).

Таблица 2.11

Технологические операции изготовления детали «__________» и применяемое оборудование

Номер технологической операции Номер (номера) обрабатываемой поверхности Технологическое оборудование Название операции Номер установа Технологические переходы (номера, содержание)
           
           
         

8. Операционные эскизы (по указанию преподавателя).

9. Технологическая карта изготовления детали «…» (по форме таблицы 2.8).




Поделиться с друзьями:


Дата добавления: 2014-12-27; Просмотров: 429; Нарушение авторских прав?; Мы поможем в написании вашей работы!


Нам важно ваше мнение! Был ли полезен опубликованный материал? Да | Нет



studopedia.su - Студопедия (2013 - 2026) год. Все материалы представленные на сайте исключительно с целью ознакомления читателями и не преследуют коммерческих целей или нарушение авторских прав! Последнее добавление




Генерация страницы за: 0.014 сек.