Студопедия

КАТЕГОРИИ:


Архитектура-(3434)Астрономия-(809)Биология-(7483)Биотехнологии-(1457)Военное дело-(14632)Высокие технологии-(1363)География-(913)Геология-(1438)Государство-(451)Демография-(1065)Дом-(47672)Журналистика и СМИ-(912)Изобретательство-(14524)Иностранные языки-(4268)Информатика-(17799)Искусство-(1338)История-(13644)Компьютеры-(11121)Косметика-(55)Кулинария-(373)Культура-(8427)Лингвистика-(374)Литература-(1642)Маркетинг-(23702)Математика-(16968)Машиностроение-(1700)Медицина-(12668)Менеджмент-(24684)Механика-(15423)Науковедение-(506)Образование-(11852)Охрана труда-(3308)Педагогика-(5571)Полиграфия-(1312)Политика-(7869)Право-(5454)Приборостроение-(1369)Программирование-(2801)Производство-(97182)Промышленность-(8706)Психология-(18388)Религия-(3217)Связь-(10668)Сельское хозяйство-(299)Социология-(6455)Спорт-(42831)Строительство-(4793)Торговля-(5050)Транспорт-(2929)Туризм-(1568)Физика-(3942)Философия-(17015)Финансы-(26596)Химия-(22929)Экология-(12095)Экономика-(9961)Электроника-(8441)Электротехника-(4623)Энергетика-(12629)Юриспруденция-(1492)Ядерная техника-(1748)

Підкранової частини колони




 

Для колон з невисокими значеннями гнучкості іноді виникає потреба в перевірці місцевої стійкості стінки вітки. При умовній гнучкості вітки гранична умовна гнучкість складає . Для прийнятого двотавра 50Б2: tw=0.92см; hw=49.6-2(1.4+2.1)=42.6см

, тобто місцева стійкість стінки забезпечується.

Виходячи з умови рівностійкості вітки в площині та поза площиною рами визначимо потрібну відстань між вузлами решітки:

см.

Приймаємо відстань між вузлами не більшою, ніж l=220см:

φ=0,843

кН/см2< Ry·γc=24кН/см2.

 

4.3.2 Розрахунок решітки колони.

Розрахункова поперечна сила в перерізі колони Qmax=68,47 кН; умовна поперечна сила (орієнтовно φ=0,8) за формулою 23[1]:

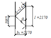
Підбір перерізів решітки виконується на значення Qmax=68,47 кН, м зусилля в розкосі при (α=39о):

кН.

 

Рис. 4.4. Схема решітки підкранової частини колони

 

Розкос решітки конструюємо із поодиноких кутиків, необхідна площа перерізу яких при орієнтовному значенні λ0=100 (φ=0,542) складає:

см2.

Тут для поодиноких кутиків, що кріпляться однією полицею, γс=0,75.

Приймаємо ∟75х5, у якого А=7,39см2, іmin=iy0=1.49см.

; φ=0,577; (табл. 72[1]).

кН/см2< Ry·γc=24·0,75=18кН/см2.

 

4.3.3 Перевірка стійкості колони в площині дії моменту як єдиного стержня потребує визначення таких величин:

- геометричні характеристики переріза в цілому
см2;
см4;
см.

- гнучкість .

- зведена гнучкість для наскрізного стержня з решіткою(табл. 7[1]), що має параметр ;

.

- відносний ексцентриситет за розрахунковою комбінацією зусиль, що довантажує зовнішню вітку

(а=45см – відстань від осі Х до осі стисненої вітки).

- коефіцієнт φе за табл. 75[1] в залежності від та m=3.32 обчислюємо інтерполюванням φе=0,206; перевірка стійкості:
кН/см2< Ry·γc=24кН/см2.

- відносний ексцентриситет за розрахунковою комбінацією зусиль, що довантажує підкранову вітку
.

- коефіцієнт φе=0,339 та перевірка стійкості:
кН/см2< Ry·γc=24кН/см2, тобто загальна стійкість підкранової частини колони в площині дії моменту забезпечена.

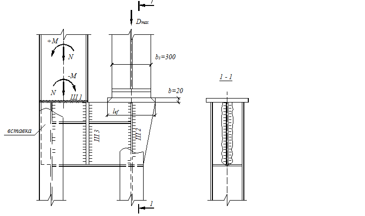
4.4. Розрахунок і конструювання вузла сполучення верхньої та нижньої частин колони.

Розрахункові сполучення зусиль в перерізі 1-1 (над уступом)
комбінація 1+2+3+6+8: М=+304,45 кН·м, N=-403.60 кН (притискує внутрішню полицю);
комбінація 1+2+7: М=-267,06 кН·м, N=-403.60 кН (притискує зовнішню полицю);

Максимальне розрахункове вертикальне кранове навантаження на колону Dmax=1171.8 кН.

4.4.1 Перевірка стикового шва Ш1 виконується за нормальними напруженнями за умови повного провару елементів, що з’єднуються, виводу кінців шва за межі стику, застосуванні відповідних зварювальних матеріалів за табл. 55 [1] та фізичного контролю якості розтягненого шва (Rwy=Ry):

- по зовнішній полиці:

кН/см2<

< Rwy·γc=24кН/см2.

- по внутрішній полиці:

кН/см2<

< Rwy·γc=24кН/см2.

 

Рис. 4.5. Вузол з’єднання підкранової




Поделиться с друзьями:


Дата добавления: 2015-01-03; Просмотров: 346; Нарушение авторских прав?; Мы поможем в написании вашей работы!


Нам важно ваше мнение! Был ли полезен опубликованный материал? Да | Нет



studopedia.su - Студопедия (2013 - 2026) год. Все материалы представленные на сайте исключительно с целью ознакомления читателями и не преследуют коммерческих целей или нарушение авторских прав! Последнее добавление




Генерация страницы за: 0.013 сек.