Студопедия

КАТЕГОРИИ:


Архитектура-(3434)Астрономия-(809)Биология-(7483)Биотехнологии-(1457)Военное дело-(14632)Высокие технологии-(1363)География-(913)Геология-(1438)Государство-(451)Демография-(1065)Дом-(47672)Журналистика и СМИ-(912)Изобретательство-(14524)Иностранные языки-(4268)Информатика-(17799)Искусство-(1338)История-(13644)Компьютеры-(11121)Косметика-(55)Кулинария-(373)Культура-(8427)Лингвистика-(374)Литература-(1642)Маркетинг-(23702)Математика-(16968)Машиностроение-(1700)Медицина-(12668)Менеджмент-(24684)Механика-(15423)Науковедение-(506)Образование-(11852)Охрана труда-(3308)Педагогика-(5571)Полиграфия-(1312)Политика-(7869)Право-(5454)Приборостроение-(1369)Программирование-(2801)Производство-(97182)Промышленность-(8706)Психология-(18388)Религия-(3217)Связь-(10668)Сельское хозяйство-(299)Социология-(6455)Спорт-(42831)Строительство-(4793)Торговля-(5050)Транспорт-(2929)Туризм-(1568)Физика-(3942)Философия-(17015)Финансы-(26596)Химия-(22929)Экология-(12095)Экономика-(9961)Электроника-(8441)Электротехника-(4623)Энергетика-(12629)Юриспруденция-(1492)Ядерная техника-(1748)

Дополнительное оборудование 2 страница





Блок E 1510: Водяные шланги

popImage('http://www.auto-nsk.ru/hondasan/pictures/11S0601/1/S061E1510A.gif','Блок E 1510: Водяные шланги'); # Каталожный номер Наименование* Цена Кол-во
  19506-P75-000 Шланг электронного воздушного клапана впускной 107.10  
  19507-P75-000 Шланг электронного воздушного клапана выпускной 158.10  
  19508-P75-000 Шланг перепускной выпускной 265.20  
  19509-PR3-003 Хомут электронной воздушной заслонки 53.55  
  19513-PE0-003 Хомут водяного шланга(21.7MM) 76.50  
  19527-PR4-A50 Шланг A сапуна обогревателя 183.60  
  19528-P75-010 Шланг B сапуна 158.10  
  95002-41250-04 Хомут трубы(D12.5) 25.50  

 

 

 

Блок E 16: Коленвал/Поршни

popImage('http://www.auto-nsk.ru/hondasan/pictures/11S0601/1/S061E1600.gif','Блок E 16: Коленвал/Поршни'); # Каталожный номер Наименование* Цена Кол-во
  13010-P3F-000 Комплект поршня(STD.) 1438.20  
  13020-P3F-000 Комплект поршня(OS 0.25) 1438.20 (4)
  13011-P3F-003 Поршневые кольца(STD.)(TEIKOKU) 1036.35  
  13021-P3F-003 Поршневые кольца(OS 0.25)(TEIKOKU) 1036.35 (4)
  13014-PR3-S10 Шайба упорная 408.00  
  13014-PR3-S20 Шайба упорная 408.00  
  13112-P3F-000 Палец поршня 331.50  
  13204-PE1-003 Болт соединительной тяги 122.40  
  13205-634-010 Гайка соединительной тяги 96.90  
  13210-PR4-A00 Тяга соединительная 2622.60  
  13310-PR4-A00 Коленвал(компл.) 22086.60  
  13621-PR3-003 Шкив ремня ГРМ приводной(HITACHI) 655.65  
  13622-PR3-000 Пластина направляющей ремня ГРМ 102.00  
  13810-P3F-003 Шкив коленвала 3807.00  
  90017-PR3-003 Болт с шайбой 14X31 326.40  
  90704-634-000 Ключ 4.5X11.0 81.60  
  13321-PR3-003 Вкладыш коренной A верхний(голубой)(DAYDO) 362.10  
  13321-PR3-004 Вкладыш коренной A верхний(голубой)(TAYHO) 362.10  
  13322-PR3-003 Вкладыш коренной B верхний(черн.)(DAYDO) 362.10  
  13322-PR3-004 Вкладыш коренной B верхний(черн.)(TAYHO) 362.10  
  13323-PR3-003 Вкладыш коренной C верхний(коричн)(DAYDO) 362.10  
  13323-PR3-004 Вкладыш коренной C верхний(коричн)(TAYHO) 362.10  
  13324-PR3-003 Вкладыш коренной D верхний(зелен)(DAYDO) 362.10  
  13324-PR3-004 Вкладыш коренной D верхний(зелен)(TAYHO) 362.10  
  13325-PR3-003 Вкладыш коренной E верхний(желт)(DAYDO) 362.10  
  13325-PR3-004 Вкладыш коренной E верхний(желт)(TAYHO) 362.10  
  13326-PR3-003 Вкладыш коренной F верхний(розов.)(DAYDO) 362.10  
  13326-PR3-004 Вкладыш коренной F верхний(розов.)(TAYHO) 362.10  
  13327-PR3-003 Вкладыш коренной Gверхний(красн)(DAYDO) 362.10  
  13327-PR3-004 Вкладыш коренной Gверхний(красн)(TAYHO) 362.10  
  13341-PR3-003 Вкладыш коренной A нижний(голубой)(DAYDO) 362.10  
  13341-PR3-004 Вкладыш коренной A нижний(голубой)(TAYHO) 362.10  
  13342-PR3-003 Вкладыш коренной B нижний(черн.)(DAYDO) 362.10  
  13342-PR3-004 Вкладыш коренной B нижний(черн.)(TAYHO) 362.10  
  13343-PR3-003 Вкладыш коренной C нижний(коричн)(DAYDO) 362.10  
  13343-PR3-004 Вкладыш коренной C нижний(коричн)(TAYHO) 362.10  
  13344-PR3-003 Вкладыш коренной D нижний(зелен)(DAYDO) 362.10  
  13344-PR3-004 Вкладыш коренной D нижний(зелен)(TAYHO) 362.10  
  13345-PR3-003 Вкладыш коренной E нижний(желт)(DAYDO) 362.10  
  13345-PR3-004 Вкладыш коренной E нижний(желт)(TAYHO) 362.10  
  13346-PR3-003 Вкладыш коренной F нижний(розов.)(DAYDO) 362.10  
  13346-PR3-004 Вкладыш коренной F нижний(розов.)(TAYHO) 362.10  
  13347-PR3-003 Вкладыш коренной G нижний(красн)(DAYDO) 362.10  
  13347-PR3-004 Вкладыш коренной G нижний(красн)(TAYHO) 362.10  
  13211-PR4-A01 Вкладыш шатунный A(голубой)(DAYDO) 331.50  
  13211-PR4-A02 Вкладыш шатунный A(голубой)(TAYHO) 331.50  
  13212-PR4-A01 Вкладыш шатунный B (черный)(DAYDO) 331.50  
  13212-PR4-A02 Вкладыш шатунный B (черный)(TAYHO) 331.50  
  13213-PR4-A01 Вкладыш шатунный C(коричн)(DAYDO) 331.50  
  13213-PR4-A02 Вкладыш шатунный C(коричн)(TAYHO) 331.50  
  13214-PR4-A01 Вкладыш шатунный D(зелен)(DAYDO) 331.50  
  13214-PR4-A02 Вкладыш шатунный D(зелен)(TAYHO) 331.50  
  13215-PR4-A01 Вкладыш шатунный E(желт)(DAYDO) 331.50  
  13215-PR4-A02 Вкладыш шатунный E(желт)(TAYHO) 331.50  
  13216-PR4-A01 Вкладыш шатунный F(розов.)(DAYDO) 331.50  
  13216-PR4-A02 Вкладыш шатунный F(розов.)(TAYHO) 331.50  
  13217-PR4-A01 Вкладыш шатунный G(красн)(DAYDO) 331.50  
  13217-PR4-A02 Вкладыш шатунный G(красн)(TAYHO) 331.50 Конец



Блок E 18: Сцепление/Гидротрансформатор

popImage('http://www.auto-nsk.ru/hondasan/pictures/11S0601/1/S061E1800.gif','Блок E 18: Сцепление/Гидротрансформатор'); # Каталожный номер Наименование* Цена Кол-во
  21351-P56-000 Крышка корпуса гидротрансформатора 418.20  
  26000-P6T-305 Гидротрансформатор в сборе 18773.40  
  26251-P00-J10 Пластина привода 2009.25  
  90014-P24-N00 Болт фланца 6X14 33.15  
  90023-PA9-000 Болт специальный 79.05  
  90429-PC6-900 Шайба 40X86X2 362.10  
  91302-639-000 Кольцо 32X1.9 71.40  
  95701-06012-08 Болт фланца 6X12 17.85  
  95701-12020-08 Болт фланца 12X20 30.60  


Блок E 19: Насос усилителя руля

popImage('http://www.auto-nsk.ru/hondasan/pictures/11S0601/1/S061E1900D.gif','Блок E 19: Насос усилителя руля'); # Каталожный номер Наименование* Цена Кол-во
  56110-P2A-013 Насос внутр. в сборе усилителя руля(O) 15678.00  
  56110-P2A-023 Насос внутр. в сборе усилителя руля(O) 15678.00  
  56110-P2A-962 Насос внутр. в сборе усилителя руля(P) 15678.00  
  56110-P2A-963 Насос внутр. в сборе усилителя руля(P) 15678.00  
  56167-P2A-003 Зазорная шайба уплотнения насоса 51.00  
  56483-P2A-003 Шкив(компл.) насоса ГУР 761.40  
  56483-P2A-A51 Шкив(компл.) насоса ГУР 761.40  
  56992-P3F-003 Ремень насоса ГУР(хомут) 888.30  
  56992-P3F-004 Ремень насоса ГУР 888.30  
  56997-P3F-000 Скоба насоса ГУР верхняя 1269.00  
  90004-P30-000 Болт специальный 8MM 68.85  
  90305-PAA-A01 Гайка шкива усилителя руля 63.75  
  90693-P2A-003 Стопорное кольцо внутреннее 40MM 76.50  
  91048-P2A-003 Подшипник шариковый 17X40X12 331.50  
  91249-P2A-003 Уплотнение насоса ГУР 112.20  
  91345-PAA-A01 Кольцо 13.0X1.9 35.70  
  91345-PY3-000 Кольцо 13.0X1.9 33.15  
  91347-P2A-003 Кольцо 15.2X2.4 40.80  
  91348-P2A-003 Кольцо 51.0X2.4 76.50  
  91349-P2A-003 Уплотнение насоса ГУР 102.00  
  91350-P8C-A01 Болт фланца 6X20 35.70  
  95701-06020-08 Болт фланца 6X20 17.85  
  90105-S50-003 Болт фланца 8X28 76.50  
  95701-08028-08 Болт фланца 8X28 25.50  
  95701-10045-08 Болт фланца 10X45 30.60  
  95801-10040-08 Болт фланца 10X40 28.05  
  95801-10070-08 Болт фланца 10X70 40.80  
  56123-P2A-003 Переходник впуска 613.35  
  91347-P2A-003 Кольцо 15.2X2.4 40.80  
  91347-PAA-A01 Кольцо 16.7X1.8 35.70  
  06562-P2A-505 Насос в сборе усилителя руля(SAISEIBUHIN J/O) 11979.60 (1)
  06562-P2A-506 Насос в сборе усилителя руля(SAISEIBUHIN K/P) 11979.60 (1)  


Блок E 5: Высоковольт.провода/Свечи

popImage('http://www.auto-nsk.ru/hondasan/pictures/11S0601/1/S101E0500.gif','Блок E 5: Высоковольт.провода/Свечи'); # Каталожный номер Наименование* Цена Кол-во
  32701-P75-A00 Провод(компл.) резистивный(NO.1) 634.50  
  32702-P75-A00 Провод(компл.) резистивный(NO.2) 592.20  
  32703-P75-A00 Провод(компл.) резистивный(NO.3) 592.20  
  32704-P75-A00 Провод(компл.) резистивный(NO.4) 549.90  
  32722-P75-A01 Провод(компл.) высоковольтный 2115.00  
  32763-PM3-000 Хомут C высоковольтных кабелей 71.40  
  32765-PM7-000 Хомут A высоковольтных кабелей 73.95  
  32766-PR3-000 Хомут D высоковольтных кабелей 76.50  
  32767-PT0-000 Втулка высоковольтных кабелей 71.40  
  90003-P01-000 Болт с шайбой 8X28 48.45  
  98079-5514G Свеча зажигания (ZFR5F-11)(NGK) 316.20  
  98079-5515G Свеча зажигания (KJ16CR-L11)(DENSO) 316.20  
  98079-5614G Свеча зажигания (ZFR6F-11)(NGK) 316.20 (4)
  98079-5615G Свеча зажигания (KJ20CR-L11)(DENSO) 316.20 (4)  

 

 

 

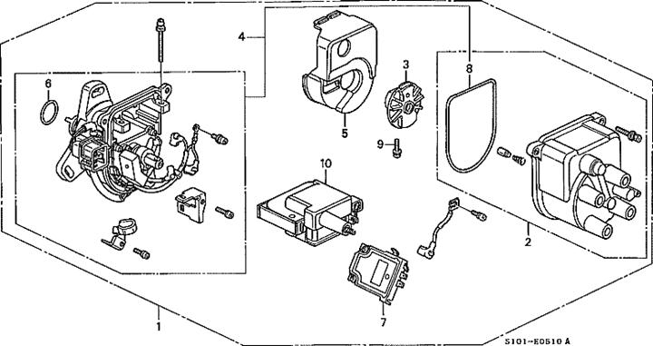
Блок E 510: Распределитель(TEC)

popImage('http://www.auto-nsk.ru/hondasan/pictures/11S0601/1/S101E0510A.gif','Блок E 510: Распределитель(TEC)'); # Каталожный номер Наименование* Цена Кол-во
  30100-P75-A03 Распределитель в сборе(TD-85U)(TEC) 14753.40  
  30102-P54-006 Колпачок в сборе 634.50  
  30103-P08-003 Бегунок 655.65  
  30105-P75-A01 Кожух(компл.) распределителя(TEC) 8683.20  
  30107-P08-006 Крышка 153.00  
  30110-PA1-732 Кольцо 26.4X3.1(TEC) 61.20  
  30130-P75-006 Блок поджигателя(TEC) 4314.60  
  30132-PT2-006 Прокладка колпачка 135.15  
  30135-P08-006 Винт с шайбой 5X12 43.35  
  30510-PT2-006 Катушка в сборе зажигания 1924.65  

 

 

 

 


Блок E 610: Генератор (DENSO)

popImage('http://www.auto-nsk.ru/hondasan/pictures/11S0601/1/S101E0610A.gif','Блок E 610: Генератор (DENSO)'); # Каталожный номер Наименование* Цена Кол-во
  31100-P7J-003 Генератор в сборе(CJU55)(DENSO) 26252.40  
  31101-PV1-A01 Ротор в сборе 9286.20  
  31105-PR7-A01 Щеткодержатель в сборе 486.45  
  31111-PT0-003 Подшипник заднего генератор 418.20  
  31114-PT0-013 Подшипник передний генератора 448.80  
  31118-PT0-003 Втулка изоляционная 102.00  
  31119-PT0-003 Втулка изоляционная 102.00  
  31127-PT2-013 Выпрямитель в сборе 4187.70  
  31135-P2C-003 Крышка задняя наконечника 331.50  
  31138-PD1-004 Крышка подшипника 96.90  
  31141-PV0-003 Шкив 740.25  
  31142-PD1-004 Гайка шкива 76.50  
  31145-PD1-004 Болт штифта 6X68 79.05  
  31146-PT0-003 Винт 43.35  
  31147-PT0-003 Винт с шайбой 33.15  
  31147-P13-003 Винт 28.05  
  31148-PT0-003 Винт 33.15  
  31148-P13-003 Винт 28.05  
  31150-P2T-003 Регулятор в сборе 4779.90  
  90231-PD1-014 Гайка с шайбой 5MM 40.80  
  90232-PT0-003 Гайка 6гран. 6MM 38.25  

 

 



Блок E 10: Уплотнения ГБЦ

popImage('http://www.auto-nsk.ru/hondasan/pictures/11S0601/1/S101E1000.gif','Блок E 10: Уплотнения ГБЦ'); # Каталожный номер Наименование* Цена Кол-во
  12100-P75-000 Головка цилиндров в сборе 35409.30  
  12204-PM7-305 Направляющая впускного клапана 249.90  
  12205-PM7-305 Направляющая выпускного клапана 249.90  
  12210-PT2-003 Маслосъемный колпачок A(ARAY) 124.95  
  12210-PT2-004 Маслосъемный колпачок A(NOK) 124.95  
  12211-PT2-003 Маслосъемный колпачок B(ARAY) 124.95  
  12211-PT2-004 Маслосъемный колпачок B(NOK) 124.95  
  12251-P8R-004 Прокладка(компл.) ГБЦ(NIPPONRIKURESU) 1649.70  
  12513-P72-003 Пробка ГБЦ 153.00  
  90002-PG6-000 Болт фланца 6X40 51.00  
  90002-PH3-000 Болт фланца 6X40 48.45  
  90003-PG6-000 Болт фланца 6X60 56.10  
  90003-PH3-000 Болт фланца 6X60 58.65  
  90005-PR4-A01 Болт с шайбой 11X158 214.20  
  90006-PR4-A01 Болт с шайбой 11X188 311.10  
  90026-PE0-000 Болт штифта 8X37 61.20  
  92900-08025-1B Болт штифта 8X25 25.50  
  94301-08140 Палец шейки 8X14 30.60  
  94301-14200 Палец шейки 14X20 35.70  

 

 

Блок E 11: Распредвал/Ремень ГРМ

popImage('http://www.auto-nsk.ru/hondasan/pictures/11S0601/1/S101E1100.gif','Блок E 11: Распредвал/Ремень ГРМ'); # Каталожный номер Наименование* Цена Кол-во
  06141-P7J-305 Ремень ГРМ 1649.70  
  06142-P01-305 Лэйбл ремня ГРМ 43.35  
  11810-P3F-000 Крышка ремня ГРМ нижняя 676.80  
  11812-PJ7-310 Втулка крышки ремня ГРМ 66.30  
  11820-PR4-A01 Крышка ремня ГРМ средняя 428.40  
  11831-PR3-000 Резинка нижняя 448.80  
  11832-PR4-A00 Резинка R. заднего уплотнения 465.30  
  11840-PR4-A00 Крышка ремня ГРМ задняя 484.50  
  11925-P30-000 Резинка A 107.10  
  11926-PR3-000 Резинка B 96.90  
  14111-P75-Q00 Распредвал впуска 7017.60  
  14121-P75-Q00 Распредвал выпуска 7017.60  
  14211-PR3-003 Шкив ремня ГРМ ведомый 803.70  
  14510-P30-003 Натяжитель(компл.) ремня ГРМ(KOYOSEIKO) 1205.55  
  14513-PK1-000 Болт основания регулятора ремня ГРМ 84.15  
  14516-PR4-A00 Пружина(компл.) регулятора ремня ГРМ 76.50  
  90007-679-000 Болт A крышки ремня ГРМ 68.85  
  90010-PR3-000 Болт крышки ремня ГРМ 76.50  
  90012-PH3-004 Болт пружины регулятора ремня ГРМ 73.95  
  90026-PR3-003 Болт натяжителя 112.20  
  90031-PT0-003 Болт с шайбой 8X22 91.80  
  90741-657-000 Ключ 25.4X13 102.00  
  91203-PR4-004 Сальник 27X43X9(ARAY) 163.20  


Блок E 12: Клапана/Рокеры

popImage('http://www.auto-nsk.ru/hondasan/pictures/11S0601/1/S101E1200.gif','Блок E 12: Клапана/Рокеры'); # Каталожный номер Наименование* Цена Кол-во
  14621-PH3-000 Рокер 507.60  
  14711-P75-000 Впускной клапан 486.45  
  14721-P75-000 Выпускной клапан 803.70  
  14744-PG6-003 Винт регулировочный 112.20  
  14745-PR4-A01 Болт наконечника(TRW) 104.55  
  14761-PR4-003 Пружина впускного клапана(красн)(NIPPON) 198.90  
  14761-PR4-004 Пружина впускного клапана(красн) 198.90  
  14762-PR4-003 Пружина выпускного клапана(желтзелен)(NIPPON) 198.90  
  14762-PR4-004 Пружина выпускного клапана(желтзелен) 198.90  
  14765-PR4-000 Держатель пружины клапана 73.95  
  14775-PR4-A00 Седло пружины клапана 73.95  
  14781-PL2-004 Шпонка клапана(SANKO) 61.20  
  90206-PG6-000 Гайка регулировочная 61.20  

 

 




Поделиться с друзьями:


Дата добавления: 2014-12-23; Просмотров: 1074; Нарушение авторских прав?; Мы поможем в написании вашей работы!


Нам важно ваше мнение! Был ли полезен опубликованный материал? Да | Нет



studopedia.su - Студопедия (2013 - 2025) год. Все материалы представленные на сайте исключительно с целью ознакомления читателями и не преследуют коммерческих целей или нарушение авторских прав! Последнее добавление




Генерация страницы за: 0.014 сек.