Студопедия

КАТЕГОРИИ:


Архитектура-(3434)Астрономия-(809)Биология-(7483)Биотехнологии-(1457)Военное дело-(14632)Высокие технологии-(1363)География-(913)Геология-(1438)Государство-(451)Демография-(1065)Дом-(47672)Журналистика и СМИ-(912)Изобретательство-(14524)Иностранные языки-(4268)Информатика-(17799)Искусство-(1338)История-(13644)Компьютеры-(11121)Косметика-(55)Кулинария-(373)Культура-(8427)Лингвистика-(374)Литература-(1642)Маркетинг-(23702)Математика-(16968)Машиностроение-(1700)Медицина-(12668)Менеджмент-(24684)Механика-(15423)Науковедение-(506)Образование-(11852)Охрана труда-(3308)Педагогика-(5571)Полиграфия-(1312)Политика-(7869)Право-(5454)Приборостроение-(1369)Программирование-(2801)Производство-(97182)Промышленность-(8706)Психология-(18388)Религия-(3217)Связь-(10668)Сельское хозяйство-(299)Социология-(6455)Спорт-(42831)Строительство-(4793)Торговля-(5050)Транспорт-(2929)Туризм-(1568)Физика-(3942)Философия-(17015)Финансы-(26596)Химия-(22929)Экология-(12095)Экономика-(9961)Электроника-(8441)Электротехника-(4623)Энергетика-(12629)Юриспруденция-(1492)Ядерная техника-(1748)

Рекомендации по программированию 2 страница




Рис.3 Форма выходного напряжения инвертора ИБП резервного типа

Достоинства ИБП резервного типа:

  • простота и дешевизна;
  • высокий КПД в сетевом режиме.

Недостатки:

  • конечное время переключения нагрузки с сети на инвертор и наоборот;
  • несинусоидальное выходное напряжение в автономном режиме;
  • ИБП не защищает нагрузку от недопустимых отклонений частоты и формы напряжения сети;
  • возможно возникновение нежелательных переходных процессов выходного напряжения при переключениях с сети на инвертор и наоборот;
  • нелинейная нагрузка с высоким крест-фактором вызывает искажения входного тока от синусоидальной формы и снижает входной коэффициент мощности.

Наиболее распространенный диапазон мощностей ИБП резервного типа: 250 - 1500 ВА.

В таблице 1 приведены основные технические характеристики некоторых наиболее известных ИБП резервного типа.

Таблица 1. Технические характеристики резервных ИБП

Модель ЛИК Back-UPS AVR SmartLine / Smart-Vision Back Pro / BNT
Производитель Тэнси-Техно APC NeuHaus / N-Power Powerman / Powercom
Мощность, кВА 0,5; 1,0; 1,5 0,5 0,3; 0,45; 0,7; 1,0; 1,5 0,4; 0,5; 0,6; 0,8; 1,0; 1,4
Диапазон входного напряжения, В 220 -27%,+23% 220 ±27% 220 -23%, +30% 220 ±25%
Точность выходного напряжения, В 220 ±7% 220 -10%,+6% 220 -14,5%, +10% 220 ±10%

На рисунке 4 приведена структура линейно-интерактивного ИБП. Здесь, в отличие от резервных ИБП, присутствует двунаправленный преобразователь напряжения (ДПН), выполняющий как функцию инвертора, так и функцию зарядного устройства. При наличии сети ДПН работает как выпрямитель и осуществляет заряд АБ. Благодаря двунаправленному действию и синусоидальной форме напряжения, формируемого в режиме инвертора, ДПН взаимодействует с сетевым источником, т.е. имеет интерактивное включение.

Рис.4 Структура линейно-интерактивного ИБП

Как и для резервных ИБП, в данном случае в качестве стабилизирующего узла для расширения диапазона входного напряжения без перехода на автономный режим обычно используется дискретный корректор напряжения. В сетевом режиме ИБП возможна дополнительная стабилизация выходного напряжения путем добавки или вычитания выходного напряжения ДПН. Такой принцип стабилизации получил название "Дельта-преобразование" и используется многими производителями ИБП [4].

Достоинства ИБП линейно-интерактивного типа (в отличие от резервных ИБП):

  • синусоидальная форма выходного напряжения в автономном режиме;
  • совмещение функций ЗУ и ИНВ в одном узле.

Остальные недостатки, присущие резервным ИБП, распространяются и на ИБП линейно-интерактивного типа. На наш взгляд, блок коммутации является наиболее ответственным местом данных ИБП, поскольку именно от его работы зависит обеспечение надежности всего ИБП. Это связано с тем, что при переходе ИБП в автономный режим этот блок должен обеспечивать четкое рассоединение инвертора и сетевого источника, обладающего малым внутренним сопротивлением. В противном случае инвертор оказывается замкнутым накоротко и выходит из строя.

Наиболее распространенный диапазон мощностей ИБП линейно-интерактивного типа: 500 - 3000 ВА. В таблице 2 приведены основные технические характеристики некоторых моделей ИБП линейно-интерактивного типа.

Таблица 2. Технические характеристики линейно-интерактивных ИБП

Модель Smart-UPS PSI PW5125 Real Smart / PC KIN
Производитель APC Liebert Invensys Powerman / Powercom
Мощность, кВА 0,42; 0,62; 0,7; 1,0; 1,4; 2,2 0,7; 1,0; 1,4; 2,2 1,0; 1,5; 2,2 0,7; 1,0; 1,5; 2,2
Диапазон входного напряжения, В 220 -28%,+23% 220 -25%,+24% 220 -30%,+20% 220 -30%,+25%
Точность выходного напряжения, В 220 ±10% 220 -15%,+12% 220 -10%,+6% 220 ±10%

Топология ИБП с двойным преобразованием энергии в общем виде приведена на рисунке 5. По этой топологии инвертор включен последовательно в цепи сетевой источник - нагрузка. При наличие сетевого напряжения в допустимых пределах (величина, частота, искажение синусоидальной формы) питание нагрузки происходит по цепи выпрямитель - инвертор, где происходит преобразование напряжения переменного тока в постоянный и наоборот, т.е. двойное преобразование энергии. В режиме перегрузки или выхода из строя какого-либо узла двойного преобразования нагрузка переключается напрямую к сети через блок коммутации цепи автоматического шунтирования (BYPASS). При пропадании сети или ее недопустимых отклонениях ИБП мгновенно переходит в автономный режим питания нагрузки энергией аккумуляторной батареи. В сетевом режиме выпрямитель выполняет также функцию зарядного устройства батареи. Выпрямитель может выполняться управляемым (на тиристорах или IGBT транзисторах) или неуправляемым (на диодах). Инверторы ИБП с двойным преобразованием энергии выполняются на IGBT транзисторах, коммутируемых с частотой 10 - 50 кГц, и формирующих с помощью выходного фильтра синусоидальное напряжение 50 Гц.

Рис.5 Топология ИБП с двойным преобразованием энергии

По рассмотренной топологии выполняются ИБП средней и большой мощности (более 30 кВА), имеющие номинальные значения напряжения батареи в пределах 360 - 384 В. ИБП меньшей мощности используются определенные разновидности основной топологии двойного преобразования - за счет дополнительных силовых блоков преобразования (см. рис.6, 7).

 
Рис.6 Структура ИБП с двойным преобразованием и корректором коэффициента мощности для однофазных ИБП малой мощности Рис.7 Структура ИБП с двойным преобразованием и корректором коэффициента мощности для одно- и трехфазных ИБП средней мощности

Структура на рисунке 6 используется для однофазных ИБП мощностью до 3 кВА и содержит блок корректора коэффициента мощности, совмещенный с неуправляемым выпрямителем (ККМ-В), блок зарядного устройства (ЗУ), преобразователь постоянного напряжения (ППН). Функциональное назначение этих блоков следующее:

  • ККМ-В обеспечивает преобразование напряжения сети переменного тока в стабильное напряжение постоянного тока. Этим достигается практически синусоидальная форма тока, потребляемого из сети, что позволяет иметь входной коэффициент мощности близким к единице;
  • ЗУ формирует необходимую величину напряжения заряда аккумуляторной батареи, номинальное значение напряжения которой выбирается, в зависимости от мощности ИБП, от 36 до 96 В;
  • ППН обеспечивает согласование напряжения батареи с высоковольтным напряжением питания инвертора и рассчитан на максимальную мощность нагрузки.

Структура на рисунке 7 используется как для однофазных, так и для трехфазных ИБП мощностью 6 - 30 кВА. Здесь ППН выполняет как функцию ККМ, так и функцию стабилизатора напряжения питания инвертора. Номинальное значение напряжения батареи выбирается в пределах 120 - 288 В. Вход ЗУ может питаться как сетевым напряжением, так и стабильным постоянным напряжением с выхода ППН.

Основные достоинства ИБП с двойным преобразованием энергии:

  • обеспечение высокой точности стабилизации синусоидального выходного напряжения в сетевом и автономном режимах;
  • обеспечение стабильной частоты выходного напряжения при отклонениях частоты сети;
  • отсутствие переходных процессов при переключениях с сетевого режима на автономный и наоборот;
  • возможность исключить влияние нелинейной нагрузки с высоким крест-фактором на форму входного тока;
  • повышение надежности системы по обеспечению бесперебойного питания нагрузки за счет автоматического шунтирования.

В таблицах 3 - 5 приведены основные технические характеристики ряда моделей ИБП с двойным преобразованием энергии.

Таблица 3. Технические характеристики трехфазных ИБП ( см. рис.5 )

Модель HL UPS 7200 Borri 4000
Производитель Astrid Liebert Invensys
Мощность, кВА 20, 25, 32, 40, 60, 80, 100, 125 30, 40, 60 20, 30, 40, 60, 80, 100, 120
Диапазон входного напряжения, В 380 ±10% 380 -15%,+10% 380 -10%,+15%
Точность выходного напряжения, В 380 ±1% 380 ±1% 380 ±1%
Коэффициент мощности по входу 0,83 0,8 0,83
Коэффициент мощности по выходу 0,8 0,8 0,8

Таблица 4. Технические характеристики однофазных ИБП малой мощности ( см. рис.6 )

Модель ДПК UPStation GXT PW9120 ULTimate
Производитель Тэнси-Техно Liebert Invensys Powercom
Мощность, кВА 1,0; 3,0 0,7; 1,0; 1,5 2,0; 3,0 0,7; 1,0; 1,5; 2,0; 3,0 0,7; 1,0; 1,5; 2,0; 3,0
Диапазон входного напряжения, В 220 -27%,+25% 220 ±27% 220 -20%,+27% 220 -27%,+25% 220 -27%,+25%
Точность выходного напряжения, В 220 ±3% 220 ±3% 220 ±3% 220 ±3% 220 ±2%
Коэффициент мощности по входу 0,95 0,95 0,95 0,97 0,98
Коэффициент мощности по выходу 0,7 0,7 0,7 0,7 0,7

Таблица 5. Технические характеристики однофазных ИБП средней мощности ( см. рис.7 )

Модель ДПК UPStation GXT PW9150 ONLine
Производитель Тэнси-Техно Liebert Invensys Powercom
Мощность, кВА 6,0; 10,0 6,0; 10,0 8,0; 10,0; 12,0 7,5; 10,0; 15,0
Диапазон входного напряжения, В 220 -15%,+25% 220 -15%,+25% 220 -20%,+25% 220 ±25%
Точность выходного напряжения, В 220 ±3% 220 ±3% 220 ±2% 220 ±1%
Коэффициент мощности по входу 0,98 0,98 0,98 н/д
Коэффициент мощности по выходу 0,7 0,7 0,7 0,8

ИБП с двойным преобразованием энергии обладает наиболее совершенной технологией по обеспечению качественной электроэнергией без перерывов в питании нагрузки при переходе с сетевого режима (питание нагрузки энергией сети) на автономный режим (питание нагрузки энергией аккумуляторной батареи), и наоборот. Обеспечивая синусоидальную форму выходного напряжения, такие ИБП используются для ответственных потребителей электроэнергии, предъявляющих повышенные требования к качеству электропитания (сетевое оборудование, файловые серверы, рабочие станции, персональные компьютеры, оборудование вычислительных и телекоммуникационных залов, системы управления технологическим процессом и т.д.). Современные ИБП малой и средней мощности, в отличие от классической схемы "выпрямитель - инвертор", содержат в своей структуре корректор коэффициента мощности, обеспечивающий входной коэффициент мощности, близкий к единице, и практически синусоидальную форму тока, потребляемого из сети [1].

Встречающийся в последнее время термин "ИБП с тройным преобразованием" [9] может ввести в заблуждение читателя о якобы новой топологии ИБП. На самом деле, речь идет о дополнительном преобразовании нестабильного напряжения постоянного тока в стабильное повышенное напряжение постоянного тока для питания инвертора, присутствующем в структурах ИБП с корректором коэффициента мощности. В соответствии с международным стандартом [2], такие структуры также относятся к ИБП с двойным преобразованием энергии (Double-Conversion UPS).

В зависимости от состояния сети и величины нагрузки, ИБП c двойным преобразованием может работать в различных режимах: сетевом, автономном, Байпас и других.

Сетевой режим - режим питания нагрузки энергией сети. При наличии сетевого напряжения в пределах допустимого отклонения, и нагрузки, не превышающей максимально допустимую, ИБП работает в сетевом режиме. При этом режиме осуществляется:

  • фильтрация импульсных и высокочастотных сетевых помех;
  • преобразование энергии переменного тока сети в энергию постоянного тока с помощью выпрямителя и схемы коррекции коэффициента мощности;
  • преобразование с помощью инвертора энергии постоянного тока в энергию переменного тока со стабильными параметрами;
  • подзаряд АБ с помощью зарядного устройства.

Автономный режим - режим питания нагрузки энергией аккумуляторной батареи. При отклонении параметров сетевого напряжения за допустимые пределы или при полном пропадании сети ИБП мгновенно переходит на автономный режим питания нагрузки энергией аккумуляторной батареи (АБ) через повышающий преобразователь DC/DC и инвертор. При восстановлении напряжения сети ИБП автоматически перейдет в сетевой режим.

Режим Байпас - питание нагрузки напрямую от сети. Если в сетевом режиме происходит перегрузка или перегрев ИБП, а также, если один из узлов ИБП выходит из строя, то нагрузка автоматически переключается с выхода инвертора напрямую к сети. При снятии причин перехода в Байпас (перегрузки или перегрева) ИБП автоматически возвращается в нормальный сетевой режим с двойным преобразованием энергии.

Отметим, что в режиме Байпас нагрузка не защищена от некачественного напряжения сети.

Режим заряда батареи возникает при наличие сетевого напряжения. Зарядное устройство обеспечивает заряд аккумуляторной батареи, независимо от того, включен ли инвертор или присутствует режим Байпас.

Режим автоматического перезапуска ИБП возникает при восстановлении сетевого напряжения, если до того ИБП работал в автономном режиме и был автоматически отключен внутренним сигналом во избежание недопустимого разряда батареи. После появления входного напряжения ИБП автоматически включится и перейдет на сетевой режим.

Режим холодного старта обеспечивает включение ИБП для работы в автономном режиме при отсутствие сетевого напряжения путем нажатия на кнопку ВКЛ инвертора.

Среди производителей ИБП с двойным преобразованием энергии получил распространение следующий ряд номинальных мощностей [3],[4]:

  • однофазные ИБП малой мощности: 1; 1,5; 3 кВА;
  • однофазные ИБП средней мощности: 6, 10, 15, 20 кВА;
  • ИБП с трехфазным входом и однофазным выходом средней мощности:10,15,20,30 кВА;
  • трехфазные ИБП средней мощности: 10, 15, 20, 30 кВА;
  • трехфазные ИБП большой мощности: более 30 кВА.

Остановимся на рассмотрении особенностей схемотехники силовых цепей современных однофазных ИБП малой и средней мощности, на примере ИБП, выпускаемых рядом зарубежных (Liebert [11], Invensys [12], Chloride [13], Riello [14]) и отечественным (Тэнси-Техно [15]) производителями.

Общепринятые производителями структурные схемы силовой цепи ИБП представлены на рисунках 1 и 2.

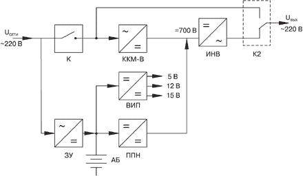
В состав ИБП малой мощности входит основной комплект плат, состоящий из силовой платы, плат входного и выходного фильтров, платы управления и платы дисплея.

Силовая плата содержит силовые узлы: ККМ-В, ИНВ, ППН, ЗУ (рис.1), обеспечивающие работу ИБП в сетевом и автономном режимах.

Платы входного и выходного фильтров обеспечивают подавление выбросов сетевого напряжения при переходных процессах и осуществляют фильтрацию высокочастотных коммутационных помех.

Плата управления обеспечивает необходимый алгоритм работы силовой платы ИБП, тестирование состояния, мониторинг и управление ИБП. Плата управления стыкуется разъемами с силовой платой и с платой дисплея. Все цепи ПУ изолированы от высоковольтного напряжения, присутствующего на силовой плате. По функциональному назначению состав ПУ может быть разбит на следующие узлы:

  • центральный микроконтроллер (МК);
  • узел формирования ШИМ сигналов для управления силовыми транзисторами инвертора;
  • узел согласования входных и выходных сигналов;
  • узел согласования сигналов индикации и управления платой дисплея;
  • узел формирования сигналов по интерфейсу RS-232;
  • вспомогательный источник питания цепей ПУ.

В качестве центрального МК может быть использован микроконтроллер типа МС68НС711 [10], на входы которого поступают аналоговые и цифровые сигналы измерения электрических параметров системы и состояния узлов ИБП.

МК обеспечивает:

  • обработку аналоговой и цифровой информации о состоянии блоков силовой платы и режимов их работы;
  • формирование сигналов управления блоками силовой платы;
  • формирование сигналов информации о состоянии системы на плату дисплея и порт RS-232.

Помимо МК, наиболее ответственным узлом на плате управления является формирователь ШИМ-сигналов для управления транзисторами инвертора ИБП, реализованный на дискретных аналоговых элементах.

Плата дисплея содержит ряд светодиодов для индикации режимов работы ИБП и кнопки включения / выключения инвертора силовой платы. В некоторых моделях ИБП используются ЖК-дисплеи для отображения электрических параметров и состояния ИБП.

В составе ИБП возможно также наличие дополнительной платы зарядного устройства, обеспечивающей заряд внешней аккумуляторной батареи (АБ) повышенной емкости при работе ИБП в сетевом режиме.

Рис.1 Структурная схема ИБП малой мощности:

ККМ-В - корректор коэффициента мощности -выпрямитель, ИНВ- инвертор,
ППН - преобразователь постоянного напряжения, ЗУ - зарядное устройство,
ВИП - вторичный источник питания, АБ - аккумуляторная батарея, К1, К2 - реле блока коммутации.

Рис.2 Структурная схема силовой цепи ИБП средней мощности:

ККМ - корректор коэффициента мощности, В - выпрямитель, ИНВ - инвертор,
ЗУ - зарядное устройство, ВИП - вторичный источник питания, АБ - аккумуляторная батарея,
БК - блок коммутации, ДЗУ - дополнительная плата зарядного устройства.

В ИБП средней мощности из состава силовой платы выделяют несколько силовых узлов, содержащих силовые дроссели, накопительные конденсаторы, плату коммутации (Байпас), плату зарядного устройства.

Структурная схема силовой цепи ИБП средней мощности отличается от ИБП малой мощности применением двухтактной схемы ККМ, статическим блоком коммутации, выполненным на тиристорах, и цепью подключения АБ с помощью тиристора (см. рис.2).Принципиальной особенностью структуры ИБП средней мощности является то, что повышение напряжения аккумуляторной батареи (АБ) для питания инвертора осуществляется с помощью ККМ, исключая использование дополнительного преобразователя постоянного напряжения (ППН), по сравнению со структурой ИБП малой мощности. Это позволяет повысить общий К.П.Д. ИБП.

Рассмотрим более подробно некоторые особенности принципиальных схем узлов силовой цепи ИБП. Принципиальные схемы силовой цепи ИБП малой и средней мощности приведены на рисунках 3 и 4.

Рис.3 Принципиальная схема силовой цепи ИБП малой мощности.

Рис.4 Принципиальная схема силовой цепи ИБП средней мощности




Поделиться с друзьями:


Дата добавления: 2014-12-25; Просмотров: 566; Нарушение авторских прав?; Мы поможем в написании вашей работы!


Нам важно ваше мнение! Был ли полезен опубликованный материал? Да | Нет



studopedia.su - Студопедия (2013 - 2026) год. Все материалы представленные на сайте исключительно с целью ознакомления читателями и не преследуют коммерческих целей или нарушение авторских прав! Последнее добавление




Генерация страницы за: 0.013 сек.