Студопедия

КАТЕГОРИИ:


Архитектура-(3434)Астрономия-(809)Биология-(7483)Биотехнологии-(1457)Военное дело-(14632)Высокие технологии-(1363)География-(913)Геология-(1438)Государство-(451)Демография-(1065)Дом-(47672)Журналистика и СМИ-(912)Изобретательство-(14524)Иностранные языки-(4268)Информатика-(17799)Искусство-(1338)История-(13644)Компьютеры-(11121)Косметика-(55)Кулинария-(373)Культура-(8427)Лингвистика-(374)Литература-(1642)Маркетинг-(23702)Математика-(16968)Машиностроение-(1700)Медицина-(12668)Менеджмент-(24684)Механика-(15423)Науковедение-(506)Образование-(11852)Охрана труда-(3308)Педагогика-(5571)Полиграфия-(1312)Политика-(7869)Право-(5454)Приборостроение-(1369)Программирование-(2801)Производство-(97182)Промышленность-(8706)Психология-(18388)Религия-(3217)Связь-(10668)Сельское хозяйство-(299)Социология-(6455)Спорт-(42831)Строительство-(4793)Торговля-(5050)Транспорт-(2929)Туризм-(1568)Физика-(3942)Философия-(17015)Финансы-(26596)Химия-(22929)Экология-(12095)Экономика-(9961)Электроника-(8441)Электротехника-(4623)Энергетика-(12629)Юриспруденция-(1492)Ядерная техника-(1748)

Схемы ГУН




Схема ГУН в виде классического АГ (рис. 2.4) с варикапом VD1, включенным в контур, приведена на рис. 2.28.

Рис. 2.28. Схема ГУНа

 

Варикап выполняет роль УЭ синтезатора, являясь частью общей емкости контура. Управляющее напряжение на варикап подают с выхода ФНЧ (C ф) через блокировочную индуктивность L бл2.

Характеристика зарядной емкости варикапа от напряжения на ней показана на рис. 2.29. На диоде действуют два напряжения: обратное смещение Uупр и напряжение радиочастоты uω= Uωcosωt, как часть напряжения на контуре [3]. В процессе работы диод должен оставаться обратно смещенным, т.е. , иначе диод откроется, в контур будет внесено активное нелинейное сопротивление, что приведет к недопустимому увеличению шумов ГУНа.

Для наиболее часто используемых кремниевых диодов контактная разность потенциалов j ≈ 0,7 В, а управляющее напряжение меняют в пределах от – 4 до – 10 В.

Рис. 2.29. Вольт-фарадная характеристика варикапа

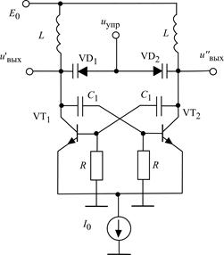
Схемы, подобные рис. 2.29, встречаются в аппаратуре, выпущенной в конце 80-х гг. прошлого века. В современной аппаратуре ГУН выполняют в виде интегральной схемы. Используют два вида топологий ИС ГУН: на биполярных (рис. 2.30) и полевых транзисторах (рис. 2.31) [8].

ГУН (рис. 2.30) построен на основе дифференциального усилителя с положительной обратной связью между его плечами. Схема ГУН – двухтактная, напряжения на коллекторах VT1 и VT2 противофазны. Схема симметричная; контур одного транзистора, задающий частоту автоколебаний, представлен на рис. 2.31, где C вх – входная емкость транзистора другого плеча.

ГУН (рис. 2.31) имеет два симметричных выхода для снятия противофазных напряжений.

Рис. 2.30. ГУН на ИС

Рис. 2.31. Частотозадающий контур ГУН

Диапазон изменения емкости варикапа лежит в пределах 0,1…0,16 пФ. Диапазон перестройки частоты ГУНа в устройствах подвижной связи и беспроводного доступа обычно не превышает 5…7%.

 

 

Обозначим

.
,

Если

,

то при изменении f0 на 5…7% C э должна меняться на 10…15%:

.
(2.48)

Подставляя и , получаем Свн = 0,3 пФ. Среднее значение Сэ = 0,3+ 0,13= 0,43 пФ.

Целесообразно выбирать Z0 < 200 Ом, схему АГ на биполярном транзисторе применяют на частотах более 2,5 ГГц в устройствах систем беспроводного доступа (табл. 2.1).

Таблица 2.1

Эквивалентное сопротивление контура (рис. 2.31)
f, МГц      
Z0, Ом      

Варикапы в схеме (рис. 2.32) выполнены на основе МОП-транзистров. Диапазон изменения их емкостей лежит в пределах 0,3…0,6 пФ. Представляя эквивалентный контур по схеме рис. 2.31 (конденсатор С1 замкнут накоротко), получаем из (2.48) Свн = 1,7 пФ, а Сэ =2,15 пФ (табл. 2.2).

Таблица 2.2

Эквивалентное сопротивление контура (рис. 2.32)
f, МГц    
Z0, Ом    

Невысокое сопротивление Z0 делает эту схему оптимальной в верхней части ОВЧ диапазона.

Рис. 2.32. ГУН на полевых транзисторах в интегральном исполнении




Поделиться с друзьями:


Дата добавления: 2014-12-26; Просмотров: 3451; Нарушение авторских прав?; Мы поможем в написании вашей работы!


Нам важно ваше мнение! Был ли полезен опубликованный материал? Да | Нет



studopedia.su - Студопедия (2013 - 2026) год. Все материалы представленные на сайте исключительно с целью ознакомления читателями и не преследуют коммерческих целей или нарушение авторских прав! Последнее добавление




Генерация страницы за: 0.011 сек.