Студопедия

КАТЕГОРИИ:


Архитектура-(3434)Астрономия-(809)Биология-(7483)Биотехнологии-(1457)Военное дело-(14632)Высокие технологии-(1363)География-(913)Геология-(1438)Государство-(451)Демография-(1065)Дом-(47672)Журналистика и СМИ-(912)Изобретательство-(14524)Иностранные языки-(4268)Информатика-(17799)Искусство-(1338)История-(13644)Компьютеры-(11121)Косметика-(55)Кулинария-(373)Культура-(8427)Лингвистика-(374)Литература-(1642)Маркетинг-(23702)Математика-(16968)Машиностроение-(1700)Медицина-(12668)Менеджмент-(24684)Механика-(15423)Науковедение-(506)Образование-(11852)Охрана труда-(3308)Педагогика-(5571)Полиграфия-(1312)Политика-(7869)Право-(5454)Приборостроение-(1369)Программирование-(2801)Производство-(97182)Промышленность-(8706)Психология-(18388)Религия-(3217)Связь-(10668)Сельское хозяйство-(299)Социология-(6455)Спорт-(42831)Строительство-(4793)Торговля-(5050)Транспорт-(2929)Туризм-(1568)Физика-(3942)Философия-(17015)Финансы-(26596)Химия-(22929)Экология-(12095)Экономика-(9961)Электроника-(8441)Электротехника-(4623)Энергетика-(12629)Юриспруденция-(1492)Ядерная техника-(1748)

Способы возбуждения машин постоянного тока




Для работы электрической машины необходимо наличие маг­нитного поля. В большинстве машин постоянного тока это поле создается обмоткой возбуждения, питаемой постоянным током. Свойства машин постоянного тока в значительной степени опре­деляются способом включения обмотки возбуждения, т. е. спосо­бом возбуждения.

По способам возбуждения машины постоянного тока можно классифицировать следующим образом:

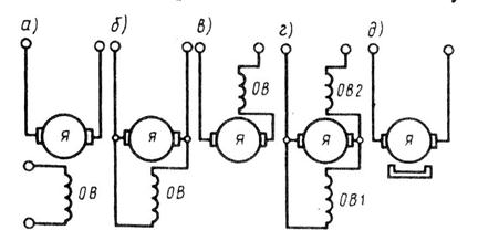
машины независимого возбуждения, в которых обмотка возбуждения (ОВ) питается постоянным током от источ­ника, электрически не связанного с обмоткой якоря (рис. 26.8, а);

машины параллельного возбуждения, в которых обмотка возбуждения и обмотка якоря соединены параллельно (рис. 26.8, б);

машины последовательного возбуждения (обыч­но применяемые в качестве двигателей), в которых обмотка воз­буждения и обмотка якоря соединены последовательно (рис. 26.8, в)

машины смешанного возбуждения, в которых имеются две обмотки возбуждения — параллельная ОВ1 и после­довательная ОВ2 (рис. 26.8, г);

Рис. 26.8. Способы возбуждения машин по­стоянного

машины с возбуждением постоянными маг­нитами (рис. 26.8, ).

Все указанные машины (кроме последних) относятся к маши­нам с электромагнитным возбуждением, так как маг­нитное поле в них создается электрическим током, проходящим в обмотке возбуждения.

Начала и концы машин постоянного тока согласно ГОСТу обозначаются: обмотка якоря — Я1 и Я2, обмотка добавочных полюсов — Д1 и Д2, компенсационная обмотка — К1 и К2, обмотка возбуждения независимая — М1 и М2, обмотка возбуждения параллельная (шунтовая) — Ш1 и Ш2, обмотка возбуждения последовательная (сериесная) — С1 и С2.

Контрольные вопросы

1. Какие участки содержит магнитная цепь машины постоянного тока?

2. В чем сущность явления реакции якоря машины постоянного тока?

3. Почему МДС якоря, действующая по поперечной оси, вызывает размагничи­вание машины по продольной оси?

4. Как учитывается размагничивающее действие реакции якоря при расчете числа витков полюсной катушки обмотки возбуждения?

5. С какой целью компенсационную обмотку включают последовательно с обмоткой якоря?

6. Почему с увеличением воздушного зазора ослабляется размагничивающее влияние реакции якоря?

7. Какие способы возбуждения применяют в машинах постоянного тока?


 


 

ГЛАВА 27




Поделиться с друзьями:


Дата добавления: 2014-12-27; Просмотров: 1057; Нарушение авторских прав?; Мы поможем в написании вашей работы!


Нам важно ваше мнение! Был ли полезен опубликованный материал? Да | Нет



studopedia.su - Студопедия (2013 - 2026) год. Все материалы представленные на сайте исключительно с целью ознакомления читателями и не преследуют коммерческих целей или нарушение авторских прав! Последнее добавление




Генерация страницы за: 0.01 сек.