Студопедия

КАТЕГОРИИ:


Архитектура-(3434)Астрономия-(809)Биология-(7483)Биотехнологии-(1457)Военное дело-(14632)Высокие технологии-(1363)География-(913)Геология-(1438)Государство-(451)Демография-(1065)Дом-(47672)Журналистика и СМИ-(912)Изобретательство-(14524)Иностранные языки-(4268)Информатика-(17799)Искусство-(1338)История-(13644)Компьютеры-(11121)Косметика-(55)Кулинария-(373)Культура-(8427)Лингвистика-(374)Литература-(1642)Маркетинг-(23702)Математика-(16968)Машиностроение-(1700)Медицина-(12668)Менеджмент-(24684)Механика-(15423)Науковедение-(506)Образование-(11852)Охрана труда-(3308)Педагогика-(5571)Полиграфия-(1312)Политика-(7869)Право-(5454)Приборостроение-(1369)Программирование-(2801)Производство-(97182)Промышленность-(8706)Психология-(18388)Религия-(3217)Связь-(10668)Сельское хозяйство-(299)Социология-(6455)Спорт-(42831)Строительство-(4793)Торговля-(5050)Транспорт-(2929)Туризм-(1568)Физика-(3942)Философия-(17015)Финансы-(26596)Химия-(22929)Экология-(12095)Экономика-(9961)Электроника-(8441)Электротехника-(4623)Энергетика-(12629)Юриспруденция-(1492)Ядерная техника-(1748)

Устройство и работа реле ТРТП-115Р




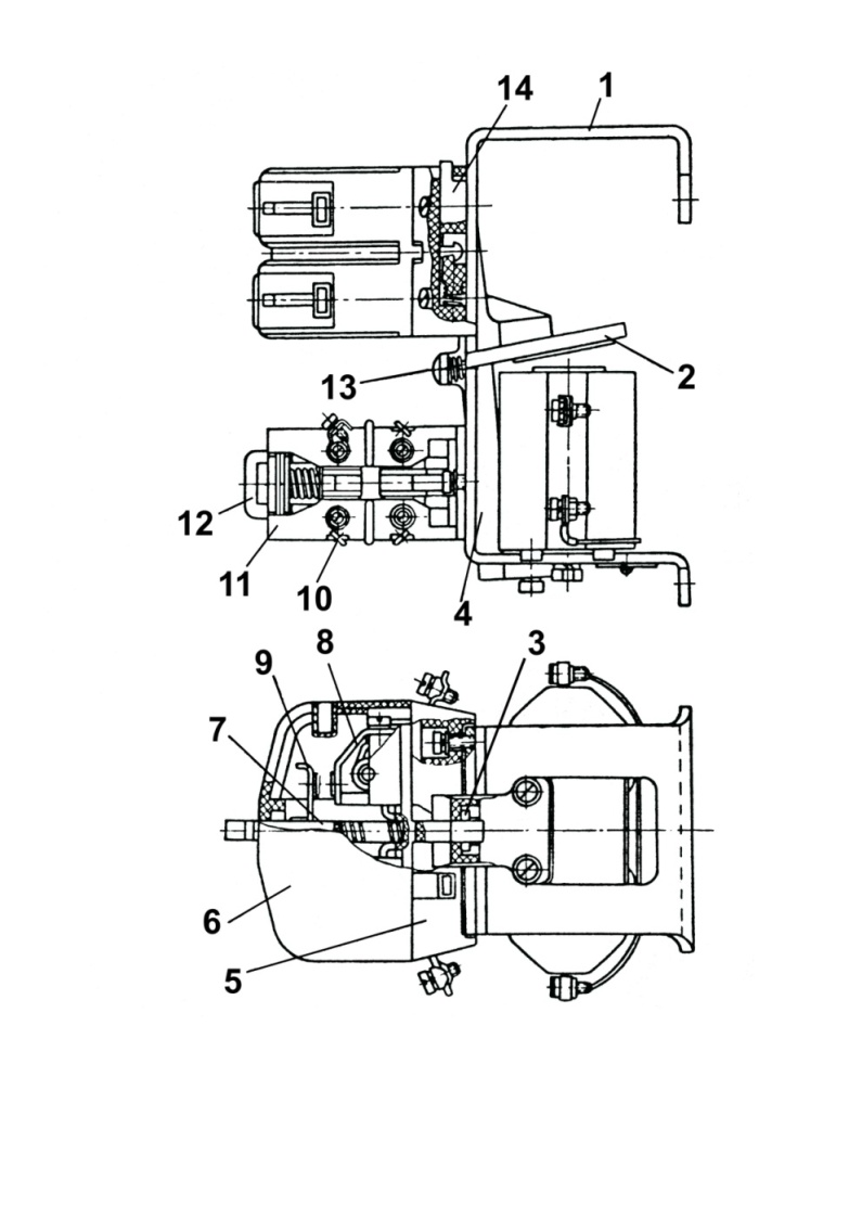
Для снятия дугогасительной камеры необходимо нажать пальцами на выступающие части защелкивающих колодок (14) и выдвинуть камеру вперед. Контактная система блоки-ровочных контактов состоит из двух контактных колодок (11), на которых закреплены скобы неподвижных контактов (10) и траверсы (12) с подвижными контактными мостиками.

Контактная система главных контактов состоит из контактной колодки (5) с неподвижными контактами (8), траверсы с подвижными мостиками (7) и дугогасительной камеры (6).

 

Рис.33 Электромонтажная схема ящика ЯК-37Е  
Технические данные МК1-20М:

1. Номинальный ток, А - -10;

2. Раствор контактов, не менее, мм

главных -4, 0;

блокировочных - -5,0;

3. Провал контактов, не менее, мм

главных -2,5;

блокировочных - -1,5;

4. Нажатие контактов, не менее, Н

главных -5, 0;

блокировочных -0,9;

5. Номинальное напряжение, В

силовой цепи -1000;

вспомогательной -75.

 

 

Рис.34 Электромонтажная схема ящика ЯМК  

Рис. 35 Общий вид контактора МК1-20МУ3  

 

Рис.36 Реле ТРТП-115Р  
Биметаллический элемент (8) имеет У- образную форму и посажен на ось (1). На правый край биметаллического элемента опирается пружина (7), другой край опирается на изоляционную колодку (3), несущую на себе контактный мостик с контактами (6). Левый край элемента биметаллического соединен с механизмом уставки (2), позволяющим регулировать ток несрабатывания путем изменения натяга биметаллического элемента. При токах срабатывания биметаллический элемент, нагреваясь, поворачивает изоляционную колодку (3) вокруг оси и воздействует на контакт реле, который размыкается. Возврат реле в исходное положение (замыкание контакта) происходит при нажатии кнопки (4).

Технические данные ТРТП-115Р

1. Номинальный ток, А -7;

2. Время срабатывания, с

при токе 27 + 3А, не более -25;

при токе 45 А, не более -5;

 

В ящике ЯМК установлены контакторы и реле.

 

1. Контактор компрессора – КК (тип МК1-20М), предназначен для подключения двигателя мотор-компрессора к вспомогательной цепи напряжения контактного рельса.




Поделиться с друзьями:


Дата добавления: 2015-04-24; Просмотров: 666; Нарушение авторских прав?; Мы поможем в написании вашей работы!


Нам важно ваше мнение! Был ли полезен опубликованный материал? Да | Нет



studopedia.su - Студопедия (2013 - 2026) год. Все материалы представленные на сайте исключительно с целью ознакомления читателями и не преследуют коммерческих целей или нарушение авторских прав! Последнее добавление




Генерация страницы за: 0.011 сек.