Студопедия

КАТЕГОРИИ:


Архитектура-(3434)Астрономия-(809)Биология-(7483)Биотехнологии-(1457)Военное дело-(14632)Высокие технологии-(1363)География-(913)Геология-(1438)Государство-(451)Демография-(1065)Дом-(47672)Журналистика и СМИ-(912)Изобретательство-(14524)Иностранные языки-(4268)Информатика-(17799)Искусство-(1338)История-(13644)Компьютеры-(11121)Косметика-(55)Кулинария-(373)Культура-(8427)Лингвистика-(374)Литература-(1642)Маркетинг-(23702)Математика-(16968)Машиностроение-(1700)Медицина-(12668)Менеджмент-(24684)Механика-(15423)Науковедение-(506)Образование-(11852)Охрана труда-(3308)Педагогика-(5571)Полиграфия-(1312)Политика-(7869)Право-(5454)Приборостроение-(1369)Программирование-(2801)Производство-(97182)Промышленность-(8706)Психология-(18388)Религия-(3217)Связь-(10668)Сельское хозяйство-(299)Социология-(6455)Спорт-(42831)Строительство-(4793)Торговля-(5050)Транспорт-(2929)Туризм-(1568)Физика-(3942)Философия-(17015)Финансы-(26596)Химия-(22929)Экология-(12095)Экономика-(9961)Электроника-(8441)Электротехника-(4623)Энергетика-(12629)Юриспруденция-(1492)Ядерная техника-(1748)

Управление тепловым режимом работы зоны вторичного охлаждения машины непрерывного литья заготовок




В зоне вторичного охлаждения машины непрерывного литья заготовок происходит окончательное охлаждение и кристаллизация металла. От работы этого узла агрегата зависит конечное качество получаемого сляба. В зависимости от расхода воды на охлаждение слитка мы получаем разную скорость и интенсивность охлаждения заготовки. Для более гибкого управления охлаждением заготовки, необходимо осуществлять подачу заданного количества охлаждающей воды по горизонтам заготовки и только в этом случае можно получить качественную продукцию. Таким образом необходимо внедрить систему управления тепловым режимом зоны вторичного охлаждения машины непрерывного литья заготовок. В настоящее время оптимальный расход воды на секции зон вторичного охлаждения представляет собой довольно таки трудную задачу, решаемую только с применением сложных математических моделей. В математическую модель входят законы кристаллизации слитка, конвективного теплообмена с охлаждающей водой, законы тепломассопереноса. Исходными данными для этой модели должны быть исходные теплофизические и химические данные о стали, разливаемой на машине непрерывного литья, скорость вытяжки заготовки и температура поверхности заготовки после каждой секции зоны вторичного охлаждения. Зная эти параметры можно рассчитать характер тепловых полей внутри заготовки и следовательно выбрать оптимальный расход охлаждающей воды на секцию зоны вторичного охлаждения. К сожалению, в настоящее время в промышленности не применяется метод управления тепловым режимом зоны вторичного охлаждения на основе математической модели, а управление осуществляется на экспериментальных и статических данных, которые зачастую несут в себе большие погрешности.

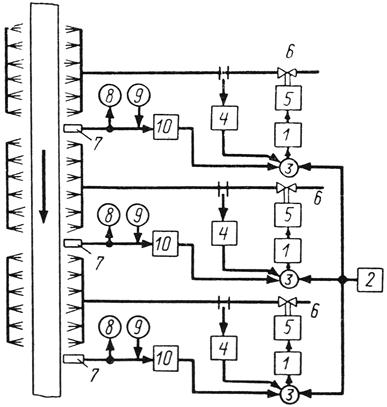
Рассмотрим систему управления тепловым режимом зоны вторичного охлаждения, изображённую на Рисунке 4.7.

Рисунок 4.7 – Система управления тепловым режимом зоны вторичного охлаждения МНЛЗ.

Расход воды на каждую секцию устанавливается регулятором 1 в соответствии с сигналом от измерителя скорости вытягивания 2, который поступает на элемент суммирования 3. На этот элемент суммирования поступает также сигнал обратной связи от расходомера охлаждающей воды 4.

Регулятор расхода воды через исполнительный механизм воздействует на регулирующий орган 6, изменяющий подачу воды на соответствующую секцию зоны вторичного охлаждения. Одновременно с помощью цветовых пирометров 7 измеряется температура поверхности слитка на выходе из секции зоны вторичного охлаждения, которая выводится на показывающий прибор 8 и, кроме того сравниваясь с сигналом задания от задатчика 9, поступает на элемент суммирования 3.

В том случае, если задаваемый регулятором 1 расход воды на соответствующую секцию не воспроизводит заданного для данной скорости вытягивания и сечения слитка значения коэффициента теплоотдачи, это обстоятельство сказывается на температуре поверхности слитка, которая при этом начинает отклонятся от расчётного заданного значения. Сигнал отклонения после преобразования в регуляторе 10 проходит на вход регулятора 1 и приводит расход воды в соответствие статическим зависимостям.

 




Поделиться с друзьями:


Дата добавления: 2015-03-29; Просмотров: 1521; Нарушение авторских прав?; Мы поможем в написании вашей работы!


Нам важно ваше мнение! Был ли полезен опубликованный материал? Да | Нет



studopedia.su - Студопедия (2013 - 2025) год. Все материалы представленные на сайте исключительно с целью ознакомления читателями и не преследуют коммерческих целей или нарушение авторских прав! Последнее добавление




Генерация страницы за: 0.009 сек.