Студопедия

КАТЕГОРИИ:


Архитектура-(3434)Астрономия-(809)Биология-(7483)Биотехнологии-(1457)Военное дело-(14632)Высокие технологии-(1363)География-(913)Геология-(1438)Государство-(451)Демография-(1065)Дом-(47672)Журналистика и СМИ-(912)Изобретательство-(14524)Иностранные языки-(4268)Информатика-(17799)Искусство-(1338)История-(13644)Компьютеры-(11121)Косметика-(55)Кулинария-(373)Культура-(8427)Лингвистика-(374)Литература-(1642)Маркетинг-(23702)Математика-(16968)Машиностроение-(1700)Медицина-(12668)Менеджмент-(24684)Механика-(15423)Науковедение-(506)Образование-(11852)Охрана труда-(3308)Педагогика-(5571)Полиграфия-(1312)Политика-(7869)Право-(5454)Приборостроение-(1369)Программирование-(2801)Производство-(97182)Промышленность-(8706)Психология-(18388)Религия-(3217)Связь-(10668)Сельское хозяйство-(299)Социология-(6455)Спорт-(42831)Строительство-(4793)Торговля-(5050)Транспорт-(2929)Туризм-(1568)Физика-(3942)Философия-(17015)Финансы-(26596)Химия-(22929)Экология-(12095)Экономика-(9961)Электроника-(8441)Электротехника-(4623)Энергетика-(12629)Юриспруденция-(1492)Ядерная техника-(1748)

Несущего остова жилых зданий. Монолитные каркасно-этажерочные системы состоят из монолитных фундаментов, колонн, стен лестнично-лифтовых узлов и поэтажных плит перекрытий




 

Монолитные каркасно-этажерочные системы состоят из монолитных фундаментов, колонн, стен лестнично-лифтовых узлов и поэтажных плит перекрытий. В таких системах все несущие элементы остова дома монолитно и жёстко соединяются друг с другом в процессе их формования на месте строительства в универсальной сборно-разборной опалубке. Прочность и жёсткость монолитных соединений обеспечивается также выпусками рабочей арматуры из фундаментов в колонны, из колонн – в плиты перекрытий и др. Стены лестнично-лифтовых узлов, имеющие прочное соединение между собой в углах и с поэтажными перекрытиями, кроме выполнения функций вертикальных несущих конструкций, являются вертикальными диафрагмами жёсткости, обеспечивая пространственную жёсткость и устойчивость всему несущему остову здания. Кроме стен лестнично-лифтовых узлов вертикальными диафрагмами жёсткости могут служить специально устраиваемые внутренние монолитные вертикальные несущие стены.

Каркасно-этажерочные системы в монолитном исполнении выгодно отличаются от сборных и сборно-монолитных по расходу материалов, особенно стали (из-за отсутствия стыков и, соответственно, стальных закладных деталей). К тому же из-за жёсткого сопряжения в опорных узлах между колоннами, стенами и плитами перекрытий существенно снижаются изгибающие моменты в пролётах плит и, соответственно, уменьшается высота их поперечных сечений. При устройстве монолитных конструкций и конструктивных систем в тёплое время года твердение бетона в конструкциях происходит в естественных условиях, т. е. без тепловлажностной обработки, и, следовательно, исключаются затраты на тепловую обработку бетона. На рис. 27.8.1 показан вариант плана монолитного перекрытия и расположения монолитных вертикальных элементов несущего остова жилого дома с каркасно-этажерочной конструктивной системой.

Рис. 27.8.1. Вариант плана размещения колонн и плиты междуэтажного перекрытия односекционного жилого дома с несущим остовом в виде монолитной каркасно-этажерочной системы

Фундаменты под монолитные каркасно-этажерочные системы устраивают монолитными с подколонниками (рис. 27.8.2), монолитные колонны устанавливают с шагом до 7 м, и они имеют, как правило, квадратное сечение со стороной 300, 400 или 500 мм в зависимости от величины воспринимаемой нагрузки. Монолитные плиты перекрытий имеют толщину от 160 до 220 мм. Для снижения массы и повышения тепло- и звукоизоляционной способности монолитные плиты перекрытий могут выполняться слоистыми, т.е. неоднородными. Так, например, в тело монолитной плиты могут укладываться легкобетонные (ячеистобетонные или газосиликатные) блоки-плиты. Для устройства таких перекрытий на потолочной опалубке раскладывают легкобетонные блоки-плиты таким образом, что между ними остаются взаимно перпендикулярные зазоры-промежутки. В эти промежутки укладывают арматуру и затем в промежутки и сверху легкобетонных блоков-плит укладывают уплотняемую бетонную смесь, после затвердения которой получается монолитная железобетонная ребристая плита с межрёберными легкобетонными включениями.

 

Рис. 27.8.2. Вариант плана фундамента в виде сплошной железобетонной плиты и размещения на ней подколонников и рёбер под цокольные части наружных стен жилого дома с несущим остовом в виде монолитной каркасно-этажерочной системы (к рис.27.8.1)

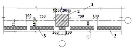
Как в сборном и сборно-монолитном вариантах несущего остова, так и в монолитном в плиты перекрытий в зонах опирания наружных стен могут укладываться элементы эффективного утеплителя для снижения теплопроводности этих зон.

Рис. 27.9. Вариант устройства утепления в зоне опирания на монолитное перекрытие наружных стен:1 – монолитная плита перекрытия; 2 – колонна; 3 – утеплитель

 

На рис. 27.9 показан вариант фрагмента плана плиты монолитного перекрытия с включением эффективного утеплителя, а на рис. 27.10.1 – узлы поперечных разрезов утеплённой зоны перекрытия.

Монолитные стены лестнично-лифтовых узлов и внутренние стены-диафрагмы жёсткости монолитно соединяются с перекрытиями и воспринимают от них вертикальные и горизонтальные нагрузки и передают эти нагрузки несущему остову здания и на фундаменты.

 

27.5. Наружные стены и другие конструктивные элементы жилых зданий с несущим остовом в виде каркасно - этажерочных систем

 




Поделиться с друзьями:


Дата добавления: 2015-04-24; Просмотров: 6152; Нарушение авторских прав?; Мы поможем в написании вашей работы!


Нам важно ваше мнение! Был ли полезен опубликованный материал? Да | Нет



studopedia.su - Студопедия (2013 - 2026) год. Все материалы представленные на сайте исключительно с целью ознакомления читателями и не преследуют коммерческих целей или нарушение авторских прав! Последнее добавление




Генерация страницы за: 0.008 сек.