Студопедия

КАТЕГОРИИ:


Архитектура-(3434)Астрономия-(809)Биология-(7483)Биотехнологии-(1457)Военное дело-(14632)Высокие технологии-(1363)География-(913)Геология-(1438)Государство-(451)Демография-(1065)Дом-(47672)Журналистика и СМИ-(912)Изобретательство-(14524)Иностранные языки-(4268)Информатика-(17799)Искусство-(1338)История-(13644)Компьютеры-(11121)Косметика-(55)Кулинария-(373)Культура-(8427)Лингвистика-(374)Литература-(1642)Маркетинг-(23702)Математика-(16968)Машиностроение-(1700)Медицина-(12668)Менеджмент-(24684)Механика-(15423)Науковедение-(506)Образование-(11852)Охрана труда-(3308)Педагогика-(5571)Полиграфия-(1312)Политика-(7869)Право-(5454)Приборостроение-(1369)Программирование-(2801)Производство-(97182)Промышленность-(8706)Психология-(18388)Религия-(3217)Связь-(10668)Сельское хозяйство-(299)Социология-(6455)Спорт-(42831)Строительство-(4793)Торговля-(5050)Транспорт-(2929)Туризм-(1568)Физика-(3942)Философия-(17015)Финансы-(26596)Химия-(22929)Экология-(12095)Экономика-(9961)Электроника-(8441)Электротехника-(4623)Энергетика-(12629)Юриспруденция-(1492)Ядерная техника-(1748)

RC-генераторы синусоидальных колебаний




Наиболее удачным (более применяемым) является генератор, построенный на ОУ и пассивной RC-цепи второго порядка (мост Вина, см. приложение 3). В соответствии со схемой рис. 5.1. K1=К и Koc(jw), а сигнал ε имеет сдвиг равный нулю. Структурная схема генератора на стандартном мосте Вина приведена на рис. 5.12, а. Частота колебаний

. Необходимый минимальный коэффициент усиления ОУ K1=1+g1/g2+C3/C4. Если взять одинаковые номиналы резисторов и конденсаторов, то K1=3, где g=1/R. Ограничение входной амплитуды - за счет насыщения усилителя, хотя при этом качество генератора будет хуже (искажение гармоники).

На рис. 5.12, б приведена структурная схема генератора с видоизмененным мостом Вина. Резонансная частота его та же, но требуемый коэффициент усилителя рассчитывается по другой формуле:

K2=1+g2/g1+C2g2/(C4g1).

Если номиналы резисторов и емкостей одинаковые (R1=R2, C3=C4), то получим ту же величину K2=3. Но имеется возможность выбором соотношения g2/g1 эту величину уменьшить. Такая возможность может помочь при высоких частотах колебаний, так как при увеличении ω коэффициент передачи ОУ стремится к единице (fгр при Kоу=1 - справочный параметр ОУ).

а) б)

 

Рис. 5.12. Генераторы синусоидальных колебаний с RC-мостом Вина

 

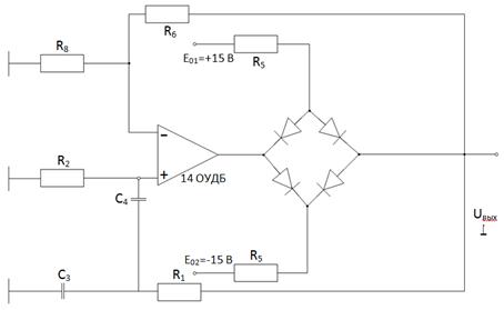
На рис. 5.13 приведена электрическая схема генератора с мостом Вина на базе неинвертирующего усилителя, позволяющего существенно улучшить качество устройства, так как в этом варианте входное сопротивление ОУ по неинвертирующему входу составляет несколько МОм. Kус=1+R6/R8. Цепь из моста диодов и ±Uсм позволяет регулировать амплитуду выходного напряжения (ограничитель) Uогр=E0g5/(g5+g6+gнагрузки). Для расчетов можно принять gн g1. При |Uвых|>|Uогр| один из диодов будет закрываться и выключит ПОС (срыв автоколебаний). Такой ограничитель значительно улучшает качество гармоник в отличие от схем с насыщением ОУ рис. 5.12.

 

 

Рис. 5.13. Электрическая схема синусоидального генератора с RC-мостом Вина и диодным ограничителем

 

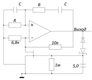
На рис. 5.14 приведена электрическая схема синусоидального генератора с RC-мостом Вина и следящей обратной связью, поддерживающей коэффициент усиления на требуемом уровне (нелинейные искажения гармоник составляют 0,001%). При малых выходных сигналах полевой транзистор открыт, усиление схемы на ОУ велико (больше 3, K1=1+10k/RVT) и ПОС обеспечивает возникновение колебаний. Когда амплитуда достигнет напряжения отпирания диодно-стабилитронной цепи (Uд+Uстаб), транзистор начнет закрываться до тех пор, пока усиление в петле ПОС не станет равным 3. Чтобы не было резких регулировок, постоянная цепи затвора выбирается большой (τ=5мкФ*1МОм=5 сек).

 

 

Рис. 5.14. Электрическая схема генератора Вина со следящей ООС по усилению

 

Для синтеза RC-генераторов применяют цепи фильтров нижних или верхних частот в базовой цепи транзистора (см. приложения 1 и 2). Так как одно звено RC-фильтра изменяет фазу в пределе на π/2, то приходится брать как минимум 3 каскада. Эти каскады фильтров в литературе называют параллелями (к фильтру низких частот – С-параллели, к фильтру верхних частот – R-параллели). Схемы таких генераторов приведены на рис. 5.15.

 

а) б)

 

Рис. 5.15. Генераторы синусоидальных колебаний с R- (а) и C-параллелями (б)

В первой схеме (рис. 5.16, а) сопротивления Rб1, Rб2 участвуют в формировании каскада фильтра высоких частот (R-параллели) и предназначены для задания рабочей точки по току транзистора VT. В схеме 5.16, б рабочая точка задана с помощью резисторов Rк, R1, R2. Два последних сопротивления являются одновременно и элементами низкочастотного фильтра. В первой схеме в базовой цепи создается опережающая фаза и баланс фаз наступит при фазе в 0π, во второй – фаза запаздывающая и баланс фаз обеспечивается при 2π. Схема сама “захватит” баланс фаз на частоте большей чем ωрез=1/RC. Чтобы генератор функционировал на нужной для потребителя частоте, подбирают специальное соотношение значений |Xc|=1/ωC и R (рис. 5.16).

 

 

 

 

 

Рис. 5.16. Векторная диаграмма

 

 

При трехзвенном фильтре необходимо геометрически решить задачу для получения φ=180°/3=60°. Обычно величины R или С задаются произвольно с учетом других факторов (токов, напряжений и т.д.). Решение получается для всех схем рис. 5.15 при

 

 




Поделиться с друзьями:


Дата добавления: 2015-03-29; Просмотров: 2161; Нарушение авторских прав?; Мы поможем в написании вашей работы!


Нам важно ваше мнение! Был ли полезен опубликованный материал? Да | Нет



studopedia.su - Студопедия (2013 - 2026) год. Все материалы представленные на сайте исключительно с целью ознакомления читателями и не преследуют коммерческих целей или нарушение авторских прав! Последнее добавление




Генерация страницы за: 0.007 сек.