Студопедия

КАТЕГОРИИ:


Архитектура-(3434)Астрономия-(809)Биология-(7483)Биотехнологии-(1457)Военное дело-(14632)Высокие технологии-(1363)География-(913)Геология-(1438)Государство-(451)Демография-(1065)Дом-(47672)Журналистика и СМИ-(912)Изобретательство-(14524)Иностранные языки-(4268)Информатика-(17799)Искусство-(1338)История-(13644)Компьютеры-(11121)Косметика-(55)Кулинария-(373)Культура-(8427)Лингвистика-(374)Литература-(1642)Маркетинг-(23702)Математика-(16968)Машиностроение-(1700)Медицина-(12668)Менеджмент-(24684)Механика-(15423)Науковедение-(506)Образование-(11852)Охрана труда-(3308)Педагогика-(5571)Полиграфия-(1312)Политика-(7869)Право-(5454)Приборостроение-(1369)Программирование-(2801)Производство-(97182)Промышленность-(8706)Психология-(18388)Религия-(3217)Связь-(10668)Сельское хозяйство-(299)Социология-(6455)Спорт-(42831)Строительство-(4793)Торговля-(5050)Транспорт-(2929)Туризм-(1568)Физика-(3942)Философия-(17015)Финансы-(26596)Химия-(22929)Экология-(12095)Экономика-(9961)Электроника-(8441)Электротехника-(4623)Энергетика-(12629)Юриспруденция-(1492)Ядерная техника-(1748)

Измерительные усилители 3 страница




 

а коэффициент усиления схемы находится из следующего уравнения:.

 


где Куu - коэффициент усиления усилителя без ОС.

При , .

 

Таким образом, выходное напряжение усилителя в инвертирующем включении находится в противофазе по отношению к входному напряжению. Для этой схемы коэффициент усиления входного сигнала по напряжению в зависимости от соотношения сопротивлений резисторов может быть как больше единицы, так и меньше единицы.

Входное сопротивление схемы

 

Выходное сопротивление схемы

Номинал сопротивления R3 обычно выбирается как .

 

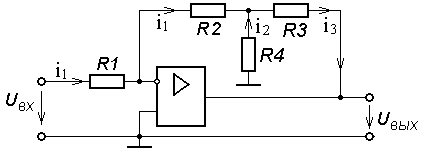
Если от схемы требуется большое усиление, то согласно формуле придется применить резистор R1 с очень низким сопротивлением или высоокоомный резистор R2. В первом случае низкое нагружает источник входного сигнала, во втором - снижается стабильность коэффициента усиления. Задача успешно решается применением в цепи обратной связи четырехполюсника в виде Т -образно включенных резисторов (рис. 1.10).

 

 

Рис. 1.10. Инвертирующее включение ОУ с
Т -образным включением резисторов обратной связи

 

Коэффициент усиления схемы:

.

Выбрав R4 сравнительно малым, можно получить очень высокий коэффициент усиления схемы при достаточно высоком .

 




Поделиться с друзьями:


Дата добавления: 2015-05-06; Просмотров: 531; Нарушение авторских прав?; Мы поможем в написании вашей работы!


Нам важно ваше мнение! Был ли полезен опубликованный материал? Да | Нет



studopedia.su - Студопедия (2013 - 2026) год. Все материалы представленные на сайте исключительно с целью ознакомления читателями и не преследуют коммерческих целей или нарушение авторских прав! Последнее добавление




Генерация страницы за: 0.008 сек.