Студопедия

КАТЕГОРИИ:


Архитектура-(3434)Астрономия-(809)Биология-(7483)Биотехнологии-(1457)Военное дело-(14632)Высокие технологии-(1363)География-(913)Геология-(1438)Государство-(451)Демография-(1065)Дом-(47672)Журналистика и СМИ-(912)Изобретательство-(14524)Иностранные языки-(4268)Информатика-(17799)Искусство-(1338)История-(13644)Компьютеры-(11121)Косметика-(55)Кулинария-(373)Культура-(8427)Лингвистика-(374)Литература-(1642)Маркетинг-(23702)Математика-(16968)Машиностроение-(1700)Медицина-(12668)Менеджмент-(24684)Механика-(15423)Науковедение-(506)Образование-(11852)Охрана труда-(3308)Педагогика-(5571)Полиграфия-(1312)Политика-(7869)Право-(5454)Приборостроение-(1369)Программирование-(2801)Производство-(97182)Промышленность-(8706)Психология-(18388)Религия-(3217)Связь-(10668)Сельское хозяйство-(299)Социология-(6455)Спорт-(42831)Строительство-(4793)Торговля-(5050)Транспорт-(2929)Туризм-(1568)Физика-(3942)Философия-(17015)Финансы-(26596)Химия-(22929)Экология-(12095)Экономика-(9961)Электроника-(8441)Электротехника-(4623)Энергетика-(12629)Юриспруденция-(1492)Ядерная техника-(1748)

Группы соединений обмоток трансформатора




Режим работы трансформатора под нагрузкой.

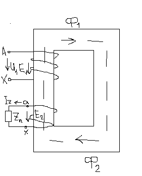
Трансформатор-статическое электромагнитное устройство, предназначенное для преобразования электрической энергии одного напряжения в другое при одинаковой частоте.

Для первичной обмотки справедливо выражение U1=-E1+I1*z1,причем падение напряжения I1*z1 можно пренебречь и считать U1=-E1. При U1=const, f1=const трансформатор соответствует заданной в паспорте работе, магнитный поток будет практически неизменным при любых значениях тока и E1+U1=0. Т.к. магнитный поток во вторичной обмотке хар-ся ЭДС2, то можно к не1 приложить нагрузку zН, тогда возникает ток Iл. Первичная и вторичная обмотки имеют одинаковые направления намотки, поэтому потенциалы совпадают. В первичной обмотке ток I1 направлен от начала обмотки, во вторичной обмотке ток I2 направляют к подаваемой нагрузке zH, создается Фz, который замыкается по магнитопроводу. В перв обмотке возникает составляющая тока I1k создается Ф1=Ф2 по направлению в противоположную сторону. В результате в магнитопроводе восстанавливается прежнее значение Ф, определяемое U1 и f. Происходит переход электрической энергиив энерг МП и наоборот.

Трансформатор-статическое электромагнитное устройство, предназначенное для преобразования электрической энергии одного напряжения в другое при одинаковой частоте.

Минутная стрелка считается установленной на цифре 12 и с ней совмещается вектор высшего линейного напряжения. С часовой стрелкой совмещается вектор низшего линейного напряжения. Отчет угла производится от минутной до часовой стрелки по направлению их вращения. Для однофазного трансформатора угол сдвига фаз между высшим и низшим линейными значениями может быть 0 или 120 градусов. Для трехфазных трансформаторов возможно 12 групп соединения обмоток, желательно иметь минимальное их число, поэтому стандартами выбраны 2группы соединений обмоток (0 или 11 группы). 0 - звезда, звезда с нейтр.точкой. 11 - звезда, треугольник, звезда с нейтр.проводом/треугольник.




Поделиться с друзьями:


Дата добавления: 2015-05-06; Просмотров: 394; Нарушение авторских прав?; Мы поможем в написании вашей работы!


Нам важно ваше мнение! Был ли полезен опубликованный материал? Да | Нет



studopedia.su - Студопедия (2013 - 2026) год. Все материалы представленные на сайте исключительно с целью ознакомления читателями и не преследуют коммерческих целей или нарушение авторских прав! Последнее добавление




Генерация страницы за: 0.008 сек.