Студопедия

КАТЕГОРИИ:


Архитектура-(3434)Астрономия-(809)Биология-(7483)Биотехнологии-(1457)Военное дело-(14632)Высокие технологии-(1363)География-(913)Геология-(1438)Государство-(451)Демография-(1065)Дом-(47672)Журналистика и СМИ-(912)Изобретательство-(14524)Иностранные языки-(4268)Информатика-(17799)Искусство-(1338)История-(13644)Компьютеры-(11121)Косметика-(55)Кулинария-(373)Культура-(8427)Лингвистика-(374)Литература-(1642)Маркетинг-(23702)Математика-(16968)Машиностроение-(1700)Медицина-(12668)Менеджмент-(24684)Механика-(15423)Науковедение-(506)Образование-(11852)Охрана труда-(3308)Педагогика-(5571)Полиграфия-(1312)Политика-(7869)Право-(5454)Приборостроение-(1369)Программирование-(2801)Производство-(97182)Промышленность-(8706)Психология-(18388)Религия-(3217)Связь-(10668)Сельское хозяйство-(299)Социология-(6455)Спорт-(42831)Строительство-(4793)Торговля-(5050)Транспорт-(2929)Туризм-(1568)Физика-(3942)Философия-(17015)Финансы-(26596)Химия-(22929)Экология-(12095)Экономика-(9961)Электроника-(8441)Электротехника-(4623)Энергетика-(12629)Юриспруденция-(1492)Ядерная техника-(1748)

Схемы замещения транзистора и их дифференциальные параметры




Биполярные транзисторы (БПТ). Электрические и эксплуатационные параметры. Входные, выходные и проходные характеристики. Схемы замещения транзистора и их дифференциальные параметры. Статистические характеристики (h-параметры) БПТ. Схемы включения БПТ (с общим эмиттером, общим коллектором, общей базой). Их сравнительный анализ и области применения. Уравнение Эберса-Молла, температурный коэффициент тока коллектора, внутреннее сопротивление эмиттера, максимальный коэффициент усиления по напряжению эффект Эрли, эффект Миллера

Динисторы имеют нормированное напряжение включения анод – катод.

У тринисторов есть управляющий диод, подачей напряжения на который мы можем включать тиристор при любом напряжении на аноде. Однако триодный тиристор не предназначен для включения напряжения анод – катод, более того это опасно => для него U вкл – напряжение, при котором он будет гарантированно закрыт при нулевом напряжении управления.

Биполярные транзисторы –Это п/п с двумя p – n переходами и тремя электродами.

Отличительный признак: для нормальной работы необходимы носители двух видов - электроны и дырки.

Используются два встречно включенных p – n перехода. Бывают двух типов:

 

 

 

 

n2 и p2 – сильно легированные области.

В транзисторе, находящемся в активном состоянии, переход эмиттер-база, эмиттерный переход, смещен в прямом направлении, т.е. приоткрыт, а коллекторный переход закрыт.

Прямосмещенный эмиттерный p-n-переход ускоряет электроны из эмиттера в базу. Если база узкая – меньше диффузионной длины – и электрон не успевает рекомбинировать в базе, он пролетает через базу в коллектор, ускоряясь положительным напряжением последнего. Изменяя прямое напряжение эмиттер-база, мы изменяем количество электронов, впрыскиваемых в базу из эмиттера, а значит и ток коллектора.

В усилительном режиме работы транзистора, эмиттерный переход смещен в прямом направлении, коллекторный - в обратном. Эмиттерный переход сильно легирован, коллектор - обеднен. Коллекторный переход должен быть равномерно легирован и в меньшей степени, чем эмиттер, с целью увеличения пробивного напряжения коллектор-база.

Iэ = Iк+Iб (Так как ток коллектора во много раз больше тока базы, то токи эмиттера и коллектора приближенно равны).

Статические характеристики:

Биполярный транзистор - (в процессе переноса заряда участвуют электроны и дырки) п/п прибор с двумя взаимодействующими p-n-переходами и тремя или более выводами, которые служат для усиления или переключения входного сигнала. По порядку чередования переходов различают - p-n-p и n-p-n. Различие у них в полярности подключения источника питания.

Схемы включения БПТ

Для усилителей напряжения используется режим класса А, в котором с щелью обеспечения максимальной линейности усиления рабочая точка (Uэб0, Iк0) выбирается в середине квазилинейного участка проходной характеристики.

Схема с ОБ:

Рабочая точка задается делителями R1 и R2.

Uбэ = Uб - Uэ

Uк = Uп - URк

Схема с общей базой не инвертирует фазу сигнала, имеет коэффициент усиления по току h21 < 1, (т к отношение тока коллектора к току эмиттера меньше единицы), коэффициент усиления по напряжению во много раз превышает единицу:

–– зависит от сопротивления источника сигнала.

Входное сопротивление мало. Оно определяется низким сопротивлением прямосмещенного эмиттерного p-n-перехода.

Выходное сопротивление высоко. Оно определяется высоким сопротивлением обратносмещенного коллекторного p-n-перехода.

С1 и С2 необходимы для разделения усилительного каскада с генератором и нагрузкой для исключения протекания через них постоянного тока. СБ необходимо для сглаживания пульсации переменного сигнала и поддержания постоянного напряжения на базе.

Схема с общей базой используется для усиления высокой частоты на СВЧ и УВЧ (т.к. в ней отсутствует эффект Миллера) и в составе каскодных схем (в том числе и в дифференциальном каскаде).

Каскод - два или более усилительных элемента с гальванической связью, выполняющих роль одного усилительного каскада.

Каскад – независимая усилительная ячейка, которую можно выделить из схемы и обозначить ее свойства.

Недостаток: низкое входное и высокое выходное сопротивление, отсутствие усиления по току.

Достоинства: не инвертируемая фаза.

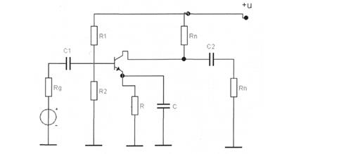
Схема включения транзистора с общим эмиттером.

Сдвиг по фазе между входным и выходным напряжением равняется π, т.к. при увеличении напряжения на базе ток коллектора увеличивается и напряжение на коллекторе уменьшается за счёт увеличения падения напряжения на UR коллекторе.

- уравнение Эберса-Молла

- тепловой потенциал

Известно, что ТКUбэ = -2,1mВ/°С.

R - резистор, который выполняет роль отрицательной обратной связи по току.

Uбэ = Uб – Uэ

Iэ = Iк+Iб

Включая конденсатор Сэ || R, мы шунтируем R по переменному току, т.е. делаем переменный потенциал эмиттера равным нулю, позволяет добиться от каскада более высокого коэффициента усиления.

Rвх относительно мало вследствие малого сопротивления открытого эмиттерного p – n перехода, однако больше чем RОБ вследствие действия последовательной отрицательной обратной связи (ООС) в эмиттерной цепи.

Rвых – высокое выходное сопротивление определяется высоким сопротивлением замкнутого p – n перехода.

Rэ выбирается из диапазона (0.1 – 0.3)Rк для осуществления температурной стабилизации режима работы каскада. Включение Сэ позволяет снять это ограничение на Кu на рабочих частотах, т.е. xсэ<<Rэ и xсэ < rэ0. Для переменного тока его влияние ограничено уменьшением максимальной амплитуды неискажённого выходного сигнала.

Достоинства каскада с общим эмиттером: высокие коэффициенты по току h21 и напряжению (десятки, сотни), более высокие (по сравнению с ОБ) Rвх = h21(R+rэ0), относительно высокое Rвх.

Недостатки: высокое Rвых, инвертирование сигнал (способствует возникновению самовозбуждения и уменьшает коэффициент усиления на высоких частотах вследствие эффекта Миллера), зависимость Кu от Rн;

,

наличие эффекта Миллера, который заключается в увеличении эквивалентной емкости Скб в Кu раз. Это приводит к резкому падению усиления каскадов на высоких частотах и необходимости применения каскадов с ОБ.

 

Применение: предварительные, промежуточные и предвыходные каскады.

Схема включения транзистора с общим коллектором (эмиттерный повторитель).

Uб=Uэ+0,6

Коэффициент усиления по напряжению стремится к единице (но всегда меньше).

Коэффициент усиления по току:

Ku=

Rвх = (Rэ+rэо)h21

Uб = Uэ

IбRвх=Iэ(Rэ+rэо)

φ = 0;

Достоинства: отсутствие эффекта Миллера, отсутствие зависимости Кu от Rн.

Недостатки: отсутствие усиления по напряжению.

Используется во входных каскадах для согласования с высоким сопротивлением источника сигнала; в промежуточных каскадах для согласования, особенно с высоким выходным сопротивлением источников тока, в выходных каскадах для согласования с низким сопротивлением нагрузки и потому, что его коэффициент не зависит от сопротивления нагрузки.

 

Сравнительный анализ схем включения транзистора

Параметр ОЭ ОБ ОК
Rвх 100Ом – 1кОм 1 – 10Ом 10 – 100кОм
Rвых 1 – 10кОм 100кОм – 1Мом 100Ом – 1кОм
Кi 10 – 100 <1(близко) 10 – 100
КU 10 – 100 10 – 100 <1(близко)
Кp 100 – 10000 10 – 100 10 – 100
Φ π    

 




Поделиться с друзьями:


Дата добавления: 2015-05-06; Просмотров: 1225; Нарушение авторских прав?; Мы поможем в написании вашей работы!


Нам важно ваше мнение! Был ли полезен опубликованный материал? Да | Нет



studopedia.su - Студопедия (2013 - 2026) год. Все материалы представленные на сайте исключительно с целью ознакомления читателями и не преследуют коммерческих целей или нарушение авторских прав! Последнее добавление




Генерация страницы за: 0.009 сек.