Студопедия

КАТЕГОРИИ:


Архитектура-(3434)Астрономия-(809)Биология-(7483)Биотехнологии-(1457)Военное дело-(14632)Высокие технологии-(1363)География-(913)Геология-(1438)Государство-(451)Демография-(1065)Дом-(47672)Журналистика и СМИ-(912)Изобретательство-(14524)Иностранные языки-(4268)Информатика-(17799)Искусство-(1338)История-(13644)Компьютеры-(11121)Косметика-(55)Кулинария-(373)Культура-(8427)Лингвистика-(374)Литература-(1642)Маркетинг-(23702)Математика-(16968)Машиностроение-(1700)Медицина-(12668)Менеджмент-(24684)Механика-(15423)Науковедение-(506)Образование-(11852)Охрана труда-(3308)Педагогика-(5571)Полиграфия-(1312)Политика-(7869)Право-(5454)Приборостроение-(1369)Программирование-(2801)Производство-(97182)Промышленность-(8706)Психология-(18388)Религия-(3217)Связь-(10668)Сельское хозяйство-(299)Социология-(6455)Спорт-(42831)Строительство-(4793)Торговля-(5050)Транспорт-(2929)Туризм-(1568)Физика-(3942)Философия-(17015)Финансы-(26596)Химия-(22929)Экология-(12095)Экономика-(9961)Электроника-(8441)Электротехника-(4623)Энергетика-(12629)Юриспруденция-(1492)Ядерная техника-(1748)

ЭСЛ – эмиттерно-связанная логика




Сравнительные характеристики серии логических микросхем.

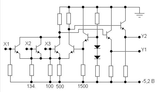
Логические элементы с тремя выходными состояниями (Z-состояние).

Когда VT3 заперт, схема действует подобно обычному логическому элементу 2И-НЕ, т.к. VD1 смещен в обратном направлении. Если VT3 открыт, VD1 также открыт. U в точке А близко к нулю и VT6 заперт. VT5 также заперт, т.к. на эмиттере VT4, который связан с коллектором VT3, логический ноль. Следовательно, VT7 также заперт, и выходной вывод окажется отсоединенным от входных цепей и обеих шин питания. При этом уменьшается также потребляемая микросхемой мощность.

 

Элементы КМОП и ЭСЛ

серия параметр нагрузка вид
отеч. зарубеж. Рпотр,мВт tзд, нс Епотр,мДж Сн, пФ Rн, кОм
  74L           базовые
155(133)           0,4
  74H         0,28
  74LS   9,5       Шотки
  74S         0,28
  74ALS 1,2   4,8     мод. Шотки
  74F         0,28
(~1530) 74AS 8,0(30) 1,75 14(55) - - сверх быстр. Шотки
  74AC 0,025 3,5 0,009   0,2 КМОП с возм. ТТЛ
  74HC 0,025   0,025   0,2
  H4000 0,025   0,1     КМОП обыч.мод.

 

Eпотр = Pпотрtзд =>если tздуменьшить в nраз, то Pпотр увеличится в 2nраз.

 

 

U0 = -0,7 ÷ -0,95 ≈ -0,8

U1 = -1,45 ÷ -1,95 ≈ -1,6

Высокое быстродействие достигается тем, что транзисторы дифференциального каскада и другие не входят в режим насыщения, а также малой разницей между уровнем логического «0» и логической «1» (0,8В). Последнее, в свою очередь, ухудшает помехоустойчивость. Для согласования микросхем различных видов логики используются микросхемы преобразования уровня.

 

КМОП.

Стандартный КМОП допускает использование Uп от 5В до 15В. Быстродействие изменяется в три раза, возрастает и мощность. Это позволяет непосредственно соединить схемы КМОП и ОУ.

 

Двунаправленный ключ.

При изменении входного сигнала сопротивление каналов транзистора с n и p каналом изменяется в противоположную сторону. Специальные схемные решения позволяют сделать эквивалентное сопротивление ключа независимым от величины и направления входного сигнала. Величина сопротивления канала ключа достигает единиц Ом. При отсутствии отпирающего напряжения на затворе сопротивление велико (десятки МОм), что равносильно разрыву цепи. Омический характер сопротивления канала позволяет использовать двунаправленные ключи не только для переключения логических сигналов, но и (в отличие от ТТЛ) для переключения аналоговых сигналов, а также для регулировки последних, используя ключ в этом случае в качестве переменного резистора, управляемого напряжением.

 




Поделиться с друзьями:


Дата добавления: 2015-05-06; Просмотров: 515; Нарушение авторских прав?; Мы поможем в написании вашей работы!


Нам важно ваше мнение! Был ли полезен опубликованный материал? Да | Нет



studopedia.su - Студопедия (2013 - 2025) год. Все материалы представленные на сайте исключительно с целью ознакомления читателями и не преследуют коммерческих целей или нарушение авторских прав! Последнее добавление




Генерация страницы за: 0.009 сек.