Студопедия

КАТЕГОРИИ:


Архитектура-(3434)Астрономия-(809)Биология-(7483)Биотехнологии-(1457)Военное дело-(14632)Высокие технологии-(1363)География-(913)Геология-(1438)Государство-(451)Демография-(1065)Дом-(47672)Журналистика и СМИ-(912)Изобретательство-(14524)Иностранные языки-(4268)Информатика-(17799)Искусство-(1338)История-(13644)Компьютеры-(11121)Косметика-(55)Кулинария-(373)Культура-(8427)Лингвистика-(374)Литература-(1642)Маркетинг-(23702)Математика-(16968)Машиностроение-(1700)Медицина-(12668)Менеджмент-(24684)Механика-(15423)Науковедение-(506)Образование-(11852)Охрана труда-(3308)Педагогика-(5571)Полиграфия-(1312)Политика-(7869)Право-(5454)Приборостроение-(1369)Программирование-(2801)Производство-(97182)Промышленность-(8706)Психология-(18388)Религия-(3217)Связь-(10668)Сельское хозяйство-(299)Социология-(6455)Спорт-(42831)Строительство-(4793)Торговля-(5050)Транспорт-(2929)Туризм-(1568)Физика-(3942)Философия-(17015)Финансы-(26596)Химия-(22929)Экология-(12095)Экономика-(9961)Электроника-(8441)Электротехника-(4623)Энергетика-(12629)Юриспруденция-(1492)Ядерная техника-(1748)

Счетчики ТТЛ с последовательным переносом




Счетчики импульсов. Двоичные счетчики и счетчики с произвольным коэффициентом счета. Принцип действия, структурные и принципиальные схемы, временные диаграммы работы счетчиков, их основные параметры. Разновидности счетчиков, особенности использования счетчиков при создании цифровых систем управления.

 

Счетчиком называется устройство, сигналы на выходе которого в определенном коде отображают число импульсов, поступивших на счетный вход. Счетчик, образованный цепочкой из m триггеров может подсчитать в двоичном коде импульсов. Каждый из триггеров называется разрядом счетчика. Число называется коэффициентом или модулем счета.

Информация может сниматься с прямых и инверсных выходов триггеров. Когда число входных импульсов , то при n входа равном Kсч происходит переполнение, счетчик возвращается в нулевое состояние и повторяет цикл. Каждый разряд счетчика делит частоту входных импульсов пополам. Для периодических сигналов .

Коэффициент счета называют коэффициентом деления, следовательно каждый счетчик может использоваться как делитель частоты.

Обозначения:

СТ 2 – двоичный

СТ10 – двоично-десятичный

СТ2/10 – переключающийся

Основные параметры: емкость и быстродействие. Емкость численно равна коэффициенту счета и характеризует число импульсов, доступных счету за 1 цикл. Быстродействие определяется двумя параметрами: разрешающей способностью и временем установления.

Под разрешающей способностью подразумевают минимальное время между двумя сигналами, при которых еще не возникают сбои в работе t разр.сч.

Время установления кода t уст равно времени между моментом поступления входного сигнала и переходом счетчика в новое состояние.

Счетчики классифицируются следующим образом:

1) по модулю счета:

· двоичные

· двоично-десятичные

· с произвольным фиксированным модулем счета

· с переменным модулем

2) по направлению счета:

· суммирующие

· вычитающие

· реверсивные

3) по способу организации внутренних связей

· с последовательным переносом (асинхронные)

· с параллельным переносом (синхронные)

· с комбинированным переносом

· кольцевые

Классификационные признаки независимы и могут встречаться в разных комбинациях.

Число, записанное в счетчик, определяется по формуле:

где m – номер триггера,

Q – может принимать значение «1» и «0»,

– вес младшего разряда.

Введением дополнительных логических связей (обратных и прямых) счетчики могут быть обращены в недвоичные, для которых . Например, двоично-десятичные с Ксч= 10 (двоичный по коду счета, десятичный по числу состояний). Организуется из 4-х разрядных двоичных путем исключения избыточных состояний за счет введения дополнительных связей. Когда счетчик используется в качестве делителя, направление счета роли не играет.

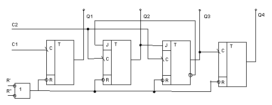
Счетчики с последовательным переносом представляют собой цепочку триггеров, в которых импульсы, подлежащие счету, поступают на вход 1-го триггера, а сигнал переноса передается последовательно от одного разряда к другому.

Достоинства: простота схемы и увеличение разрядности.

Недостатки: низкое быстродействие из-за последовательного принципа работы.

Счетчики с параллельным переносом.

У них счетные импульсы подаются одновременно на все тактовые входы, а каждый из триггеров цепочки служит по отношению к последующему только источником информационных сигналов. Срабатывание триггеров параллельного счетчика происходит синхронно, а задержка переключения всего счетчика равна задержке одно триггера.

В счетчике с параллельно-последовательным переносом триггеры соединены в группы так, что отдельные группы образуют счетчики с параллельным переносом внутри группы, а группы соединяются в счетчик с последовательным переносом. Общий коэффициент счета равен произведению коэффициентов счета всех групп.

 

 

Состоят из 4-х одинаковых JK-триггеров, которые могут использоваться как по прямому назначению, так и в качестве ТК-триггеров. Переброс осуществляется по срезу. Три триггера соединяются в последовательную цепочку, 4-й самостоятельно.

ИЕ5

ИЕ4 (ИЕ5)

 

ИЕ4

ИЕ2




Поделиться с друзьями:


Дата добавления: 2015-05-06; Просмотров: 1083; Нарушение авторских прав?; Мы поможем в написании вашей работы!


Нам важно ваше мнение! Был ли полезен опубликованный материал? Да | Нет



studopedia.su - Студопедия (2013 - 2025) год. Все материалы представленные на сайте исключительно с целью ознакомления читателями и не преследуют коммерческих целей или нарушение авторских прав! Последнее добавление




Генерация страницы за: 0.006 сек.