Студопедия

КАТЕГОРИИ:


Архитектура-(3434)Астрономия-(809)Биология-(7483)Биотехнологии-(1457)Военное дело-(14632)Высокие технологии-(1363)География-(913)Геология-(1438)Государство-(451)Демография-(1065)Дом-(47672)Журналистика и СМИ-(912)Изобретательство-(14524)Иностранные языки-(4268)Информатика-(17799)Искусство-(1338)История-(13644)Компьютеры-(11121)Косметика-(55)Кулинария-(373)Культура-(8427)Лингвистика-(374)Литература-(1642)Маркетинг-(23702)Математика-(16968)Машиностроение-(1700)Медицина-(12668)Менеджмент-(24684)Механика-(15423)Науковедение-(506)Образование-(11852)Охрана труда-(3308)Педагогика-(5571)Полиграфия-(1312)Политика-(7869)Право-(5454)Приборостроение-(1369)Программирование-(2801)Производство-(97182)Промышленность-(8706)Психология-(18388)Религия-(3217)Связь-(10668)Сельское хозяйство-(299)Социология-(6455)Спорт-(42831)Строительство-(4793)Торговля-(5050)Транспорт-(2929)Туризм-(1568)Физика-(3942)Философия-(17015)Финансы-(26596)Химия-(22929)Экология-(12095)Экономика-(9961)Электроника-(8441)Электротехника-(4623)Энергетика-(12629)Юриспруденция-(1492)Ядерная техника-(1748)

План лабораторной работы




Задание 1. Определить электрические параметры катушки и конденсатора в цепи переменного синусоидального тока частотой f = 50 Гц.

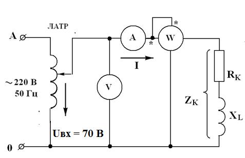
1. Собрать электрическую схему c катушкой индуктивности (рис.13). Включая ваттметр, необходимо генераторные зажимы токовой обмотки и обмотки напряжения, отмеченные звездочками, присоединить к одному и тому же проводу со стороны источника электрической энергии (генератора).

Рис.13. Схема исследования цепи переменного тока с катушкой индуктивности и с конденсатором: ЛАТР – лабораторный автотрансформатор (ЛАТР); V - вольтметр 75-150-300-600 В; A – амперметр 1-2 А; W – ваттметр U = 75-150-300-600 В, I = 1-2 A.

 

2. Установить напряжение, подаваемое на катушку U ВХ = 70 В, с помощью ЛАТРа.

3. Измерить ток в цепи I и активную мощность Р.

4. Заменив катушку конденсатором, повторить пп.2 и 3.

5. Рассчитать параметры катушки индуктивности и конденсатора, указанные в табл.4.

6. Результаты измерений и вычислений внести в табл. 4.

7. Построить векторные диаграммы для цепей переменного тока с катушкой индуктивности и с конденсатором.

 

Задание 2. Получение резонанса напряжений в цепи переменного тока с последовательным соединением катушки и конденсатора.

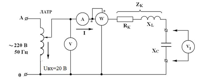
1. Собрать электрическую схему (рис.14), используя приборы перечисленные в задании 1. Для измерения напряжений катушки U K и конденсатора U С использовать вольтметр V 1 со свободными концами.

Рис.14. Схема исследования цепи переменного тока с последовательным соединением катушки и конденсатора.

 

2. Установить напряжение на входе исследуемой электрической схемы Uвх = 20 В с помощью ЛАТРа.

3. Измерить токи I, активные мощности P, напряжения на катушке U К и конденсаторе U C, изменяя емкость батареи конденсаторов (установленной на стенде) от 12 до 32 мкФ в следующем порядке: 12, 14, 16, 18, 20, 22, 24, 26, 28, 30, 32 мкФ,

4. Рассчитать параметры последовательной цепи переменного тока, указанные в табл.5.

5. Результаты измерений и вычислений внести в табл. 5.

6. Построить графики зависимостей тока в цепи I, напряжений на катушке U К и конденсаторе U C, активной мощности цепи Р, а также коэффициента мощности cos φ от емкости конденсаторной батареи.

7. Построить векторные диаграммы цепи переменного тока, соответствующие значениям емкости С = 16 мкФ, С = 26 мкФ и С = С Р (резонанс напряжений).

Содержание отчета

1. Электрические схемы с обозначениями приборов.

2. Расчет параметров последовательных цепей переменного тока.

3. Таблицы измеренных и вычисленных величин.

4. Графики зависимостей I (C), UK (C), UC (C), Р (C), cos φ(C).

5. Векторные диаграммы.

 

Контрольные вопросы

1. Как обозначается реальная катушка индуктивности и конденсатор на электрической схеме?

2. Можно ли измерить активное и индуктивное напряжения, падающие на катушке?

3. Что покажет ваттметр, установленный в цепи переменного тока с конденсатором?

4. Что необходимо знать для вычисления индуктивности катушки и емкости конденсатора, если известны их индуктивное и емкостное сопротивления?

5. Как изменятся активное и индуктивное сопротивления катушки при изменении частоты питающего тока?

6. Как изменяется сопротивление конденсатора при увеличении его емкости?

7. Почему косинус угла сдвига фаз между напряжением и током называется коэффициентом мощности?

8. Можно ли вычислить коэффициент мощности по треугольнику сопротивлений?

9. Чему равно активное сопротивление конденсатора?

10. Чему равен коэффициент мощности в схеме с конденсатором?

11. Какое условие должно выполняться в схеме с последовательным соединением R, ХL и ХC для получения резонанса напряжений?

12. Чему равен коэффициент мощности цепи при резонансе напряжений?

13. Почему явление в последовательной цепи переменного тока, когда ее полное сопротивление минимально, называется резонансом напряжений?

14. Какими способами можно получить резонанс напряжений в последовательной цепи переменного тока?

15. Какую мощность измеряет ваттметр?

16. При каком условии все напряжение, приложенное к зажимам последовательной RLC -цепи будет падать на активном сопротивлении?

17. Как и почему изменяется активная мощность в последовательной RLC -цепи при изменении емкости конденсатора?

18. Может ли в последовательной RLC -цепи протекать один и тот же ток при различных значениях емкости конденсатора?

19. Как изменится ток в последовательной RLC -цепи при переключении ее с переменного напряжения на постоянное той же величины?

20. В каких единицах измеряются активная, реактивная и полная мощность цепи переменного тока?


Таблица 4

 

Элементы цепи Измеренные величины Вычисленные величины
U I P cos φ S Q R X L C
В А Вт Ом ВА ВАр Ом Ом Гн мкФ
Катушка   0,42 9,3                
Конденсатор   0,70                  

Таблица 5

 

Измеренные величины Вычисленные величины  
№ опыта C I Uc P XL Xc QL QC Q S cos φ φ UR UL
мкФ А В В Вт Ом Ом Ом Ом ВАр ВАр ВАр ВА град В В
    0,17 28,5 45,1 1,52                        
    0,23 38,6 52,3 2,82                        
    0,30 51,1 59,7 4,77                        
    0,36 60,4 63,7 6,79                        
    0,38 63,8 60,5 7,60                        
    0,36 60,4 52,8 7,02                        
    0,34 56,5 44,7 6,02                        
    0,31 52,0 38,0 5,09                        
    0,29 48,7 33,0 4,40                        
    0,27 45,3 28,7 3,76                        
    0,25 42,0 24,9 3,31                        
                                     

 

 





Поделиться с друзьями:


Дата добавления: 2015-05-06; Просмотров: 1138; Нарушение авторских прав?; Мы поможем в написании вашей работы!


Нам важно ваше мнение! Был ли полезен опубликованный материал? Да | Нет



studopedia.su - Студопедия (2013 - 2026) год. Все материалы представленные на сайте исключительно с целью ознакомления читателями и не преследуют коммерческих целей или нарушение авторских прав! Последнее добавление




Генерация страницы за: 0.01 сек.