Студопедия

КАТЕГОРИИ:


Архитектура-(3434)Астрономия-(809)Биология-(7483)Биотехнологии-(1457)Военное дело-(14632)Высокие технологии-(1363)География-(913)Геология-(1438)Государство-(451)Демография-(1065)Дом-(47672)Журналистика и СМИ-(912)Изобретательство-(14524)Иностранные языки-(4268)Информатика-(17799)Искусство-(1338)История-(13644)Компьютеры-(11121)Косметика-(55)Кулинария-(373)Культура-(8427)Лингвистика-(374)Литература-(1642)Маркетинг-(23702)Математика-(16968)Машиностроение-(1700)Медицина-(12668)Менеджмент-(24684)Механика-(15423)Науковедение-(506)Образование-(11852)Охрана труда-(3308)Педагогика-(5571)Полиграфия-(1312)Политика-(7869)Право-(5454)Приборостроение-(1369)Программирование-(2801)Производство-(97182)Промышленность-(8706)Психология-(18388)Религия-(3217)Связь-(10668)Сельское хозяйство-(299)Социология-(6455)Спорт-(42831)Строительство-(4793)Торговля-(5050)Транспорт-(2929)Туризм-(1568)Физика-(3942)Философия-(17015)Финансы-(26596)Химия-(22929)Экология-(12095)Экономика-(9961)Электроника-(8441)Электротехника-(4623)Энергетика-(12629)Юриспруденция-(1492)Ядерная техника-(1748)

Управляемый выпрямитель




Применение тиристоров.

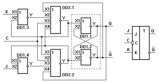
Т-триггер

JK-триггер

В JK-триггере устранена неопределенность, возникающая в RS-триггере при одновременном снятии активных логических сигналов с входов R и S.

 

 

    хранение информации
     
     
    Переключение в противоположное состояние

 

 

Двухступенчатый JK-триггер

 

 

JK-триггер с динамическим управлением

 

 

 

 

 

Т-триггер – это счетный триггер.


 
  хранение информации
  переключение
  хранение информации
  переключение

 

Триггер переключается на фронте счетного импульса Т.

 

 

Простейшей схемой управляемого выпрямителя является однофазная однополупериодная схема.

 

 

Постоянная составляющая напряжения на нагрузке:

 

Если менять угол α в пределах от 0 до π, то постоянная составляющая выпрямленного напряжения будет изменяться в пределах от

.

 

до

 




Поделиться с друзьями:


Дата добавления: 2015-05-06; Просмотров: 464; Нарушение авторских прав?; Мы поможем в написании вашей работы!


Нам важно ваше мнение! Был ли полезен опубликованный материал? Да | Нет



studopedia.su - Студопедия (2013 - 2026) год. Все материалы представленные на сайте исключительно с целью ознакомления читателями и не преследуют коммерческих целей или нарушение авторских прав! Последнее добавление




Генерация страницы за: 0.007 сек.