Студопедия

КАТЕГОРИИ:


Архитектура-(3434)Астрономия-(809)Биология-(7483)Биотехнологии-(1457)Военное дело-(14632)Высокие технологии-(1363)География-(913)Геология-(1438)Государство-(451)Демография-(1065)Дом-(47672)Журналистика и СМИ-(912)Изобретательство-(14524)Иностранные языки-(4268)Информатика-(17799)Искусство-(1338)История-(13644)Компьютеры-(11121)Косметика-(55)Кулинария-(373)Культура-(8427)Лингвистика-(374)Литература-(1642)Маркетинг-(23702)Математика-(16968)Машиностроение-(1700)Медицина-(12668)Менеджмент-(24684)Механика-(15423)Науковедение-(506)Образование-(11852)Охрана труда-(3308)Педагогика-(5571)Полиграфия-(1312)Политика-(7869)Право-(5454)Приборостроение-(1369)Программирование-(2801)Производство-(97182)Промышленность-(8706)Психология-(18388)Религия-(3217)Связь-(10668)Сельское хозяйство-(299)Социология-(6455)Спорт-(42831)Строительство-(4793)Торговля-(5050)Транспорт-(2929)Туризм-(1568)Физика-(3942)Философия-(17015)Финансы-(26596)Химия-(22929)Экология-(12095)Экономика-(9961)Электроника-(8441)Электротехника-(4623)Энергетика-(12629)Юриспруденция-(1492)Ядерная техника-(1748)

Основные определения. В линейной электрической цепи сопротивления ее элементов не зависят от величины или направления тока или напряжения




В линейной электрической цепи сопротивления ее элементов не зависят от величины или направления тока или напряжения. Вольтамперные характеристики линейных элементов (зависимость напряжения на элементе от тока) являются прямыми линиями (рис. 5.1).

 

 

В нелинейной электрической цепи сопротивления ее элементов зависят от величины или направления тока или напряжения.
Нелинейные элементы имеют криволинейные вольтамперные характеристики, симметричные или несимметричные относительно осей координат.
Сопротивления нелинейных элементов с симметричной характеристикой не зависят от направления тока.
Сопротивления нелинейных элементов с несимметричной характеристикой зависят от направления тока. Например, электролампы, термисторы имеют симметричные вольтамперные характеристики (рис. 5.2), а полупроводниковые диоды - несимметричные характеристики (рис. 5.3).

 

5.2. Графический метод расчета нелинейных цепей
постоянного тока

Известные аналитические методы непригодны для расчета нелинейных электрических цепей, так как сопротивления нелинейных элементов зависят от направления и значения тока или напряжения. Применяются графоаналитические методы, основанные на применении законов Кирхгофа и использовании заданных вольтамперных характеристик (ВАХ) этих элементов. Рассмотрим электрическую цепь, состоящую из двух последовательно соединенных нелинейных сопротивлений н.с.1 и н.с.2 (рис. 5.6). ВАХ 1 и ВАХ 2 приведены на рис. 5.7.

Рис. 5.6 Рис. 5.7

К цепи подведено напряжение U, и оно равно сумме падений напряжений на н.с.1 и н.с.2:

 

(5.1)

По всей цепи протекает один и тот же ток I, так как н.с.1 и н.с.2 соединены между собой последовательно. Для определения тока в электрической цепи нужно построить результирующую ВАХ цепи. Для построения этой характеристики следует суммировать абсциссы кривых 1 и 2 (аг = аб + ав), соответствующие одним и те же значениям тока. Далее, задаваясь произвольным значением тока (например, больше I' и меньше I') можно построить ВАХ всей цепи (рис. 5.7, кривая 3). Затем, пользуясь этой ВАХ, можно найти искомый ток всей цепи и искомые напряжения на н.с.1 и н.с.2. Для этого отложим на оси абсцисс отрезок (mu - масштаб напряжения источника питания) и проведем из точки p прямую, перпендикулярную оси абсцисс до пересечения с кривой 3. Получим отрезок np = ko. Ток (mI - масштаб тока всей цепи). Для найденного тока по ВАХ 1 и ВАХ 2 находим напряжения U1 и U2. ; .

При параллельном соединении двух нелинейных элементов (рис. 5.8) ток в неразветвленной части электрической цепи равен сумме токов в параллельных определенных ветвях. Поэтому при построении результирующей ВАХ всей цепи следует суммировать ординаты графиков 1 и 2 (рис. 5.9), соответствующие одним и те же значениям напряжения, так как к этим нелинейным элементам приложено одно и то же напряжение, равное напряжению внешней сети, т.е. источника питания. Например, для произвольного значения напряжения находим ординату аг точки для результирующей кривой 3.
(аг = ав + аб)

Рис. 5.8 Рис. 5.9

Далее задаваясь произвольным значением напряжения больше и меньше U', можно построить ВАХ всей цепи (кривая 3). Затем, пользуясь ВАХ, можно при любом значении приложенного напряжения U (отрезок ор) найти величину общего тока I (pn = oк). Это напряжение также определяет значения токов I1 и I2 в отдельных ветвях с учетом масштаба тока mI.

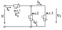
В случае смешанного (рис. 5.10) соединения расчет цепи производят в следующем порядке: сначала заменяют два параллельно соединенных нелинейных элемента одним эквивалентным; схема со смешанным соединением приводится к рассмотренной ранее схеме последовательного соединения двух нелинейных элементов.


Рис. 5.10


6. Электрические цепи однофазного
переменного тока




Поделиться с друзьями:


Дата добавления: 2015-05-06; Просмотров: 1249; Нарушение авторских прав?; Мы поможем в написании вашей работы!


Нам важно ваше мнение! Был ли полезен опубликованный материал? Да | Нет



studopedia.su - Студопедия (2013 - 2026) год. Все материалы представленные на сайте исключительно с целью ознакомления читателями и не преследуют коммерческих целей или нарушение авторских прав! Последнее добавление




Генерация страницы за: 0.01 сек.