Студопедия

КАТЕГОРИИ:


Архитектура-(3434)Астрономия-(809)Биология-(7483)Биотехнологии-(1457)Военное дело-(14632)Высокие технологии-(1363)География-(913)Геология-(1438)Государство-(451)Демография-(1065)Дом-(47672)Журналистика и СМИ-(912)Изобретательство-(14524)Иностранные языки-(4268)Информатика-(17799)Искусство-(1338)История-(13644)Компьютеры-(11121)Косметика-(55)Кулинария-(373)Культура-(8427)Лингвистика-(374)Литература-(1642)Маркетинг-(23702)Математика-(16968)Машиностроение-(1700)Медицина-(12668)Менеджмент-(24684)Механика-(15423)Науковедение-(506)Образование-(11852)Охрана труда-(3308)Педагогика-(5571)Полиграфия-(1312)Политика-(7869)Право-(5454)Приборостроение-(1369)Программирование-(2801)Производство-(97182)Промышленность-(8706)Психология-(18388)Религия-(3217)Связь-(10668)Сельское хозяйство-(299)Социология-(6455)Спорт-(42831)Строительство-(4793)Торговля-(5050)Транспорт-(2929)Туризм-(1568)Физика-(3942)Философия-(17015)Финансы-(26596)Химия-(22929)Экология-(12095)Экономика-(9961)Электроника-(8441)Электротехника-(4623)Энергетика-(12629)Юриспруденция-(1492)Ядерная техника-(1748)

Вас это не пугает? А зря!




Г.Ф.Лепин, И.Н.Смоляр

Выбор источников электроэнергии

По полученным значениям загрузки электростанции в различных режимах эксплуатации судна Рх, Рм, Рст, Рст.гр производим предварительную комплектацию силовой установки генераторами.

Выбор мощности вспомогательных турбогенераторов следует производить с таким расчетом, чтобы на ходу судна потребности в электроэнергии обеспечивались одним из работающих ТГ при коэффициенте загрузки 0,7-0,8.

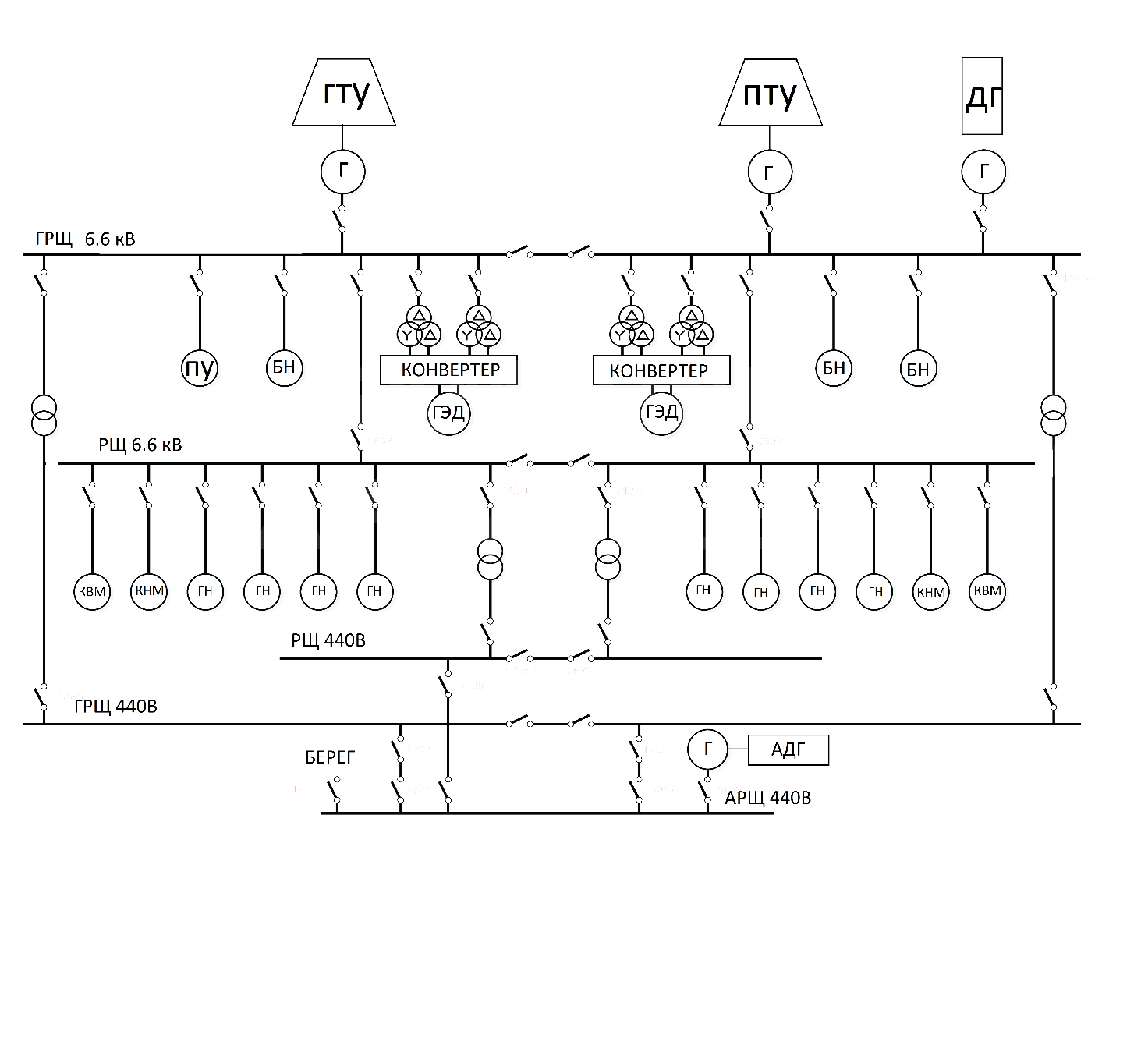
В проекте, главная энергетическая установка предает мощность на электрогенераторы, которые питают все судно. Для обеспечения наибольшей надежности газовая турбина вращает первый генератор, а паровая-второй генератор. Для обеспечения экономичной стоянки без грузовых операций, а проект включен один дизель-генератор мощностью 3000 кВт.

 

 

Ходовой режим 1209,38 кВт
Маневры 1248,98 кВт
Стоянка без грузовых операций 675 кВт
Стоянка с разгрузочными операциями 6275 кВт

Для данного судна принимаем к установке:

· 1вспомогательный дизель-генератор мощностью 3000 кВт фирмы STX-MAN;

· 1 аварийный дизель-генератор мощностью 850 кВт фирмы STX-Cummins.

·1 паротурбинный генератор мощностью 7000 КВт фирмы Siemens.

·1 газотурбинный генератор мощностью 25000 кВт фирмы Siemens.

Рис.3.1 Схема ГЭЭУ

 

 

Атомная энергетика – «мирный убийца»




Поделиться с друзьями:


Дата добавления: 2015-05-08; Просмотров: 411; Нарушение авторских прав?; Мы поможем в написании вашей работы!


Нам важно ваше мнение! Был ли полезен опубликованный материал? Да | Нет



studopedia.su - Студопедия (2013 - 2026) год. Все материалы представленные на сайте исключительно с целью ознакомления читателями и не преследуют коммерческих целей или нарушение авторских прав! Последнее добавление




Генерация страницы за: 0.009 сек.