Студопедия

КАТЕГОРИИ:


Архитектура-(3434)Астрономия-(809)Биология-(7483)Биотехнологии-(1457)Военное дело-(14632)Высокие технологии-(1363)География-(913)Геология-(1438)Государство-(451)Демография-(1065)Дом-(47672)Журналистика и СМИ-(912)Изобретательство-(14524)Иностранные языки-(4268)Информатика-(17799)Искусство-(1338)История-(13644)Компьютеры-(11121)Косметика-(55)Кулинария-(373)Культура-(8427)Лингвистика-(374)Литература-(1642)Маркетинг-(23702)Математика-(16968)Машиностроение-(1700)Медицина-(12668)Менеджмент-(24684)Механика-(15423)Науковедение-(506)Образование-(11852)Охрана труда-(3308)Педагогика-(5571)Полиграфия-(1312)Политика-(7869)Право-(5454)Приборостроение-(1369)Программирование-(2801)Производство-(97182)Промышленность-(8706)Психология-(18388)Религия-(3217)Связь-(10668)Сельское хозяйство-(299)Социология-(6455)Спорт-(42831)Строительство-(4793)Торговля-(5050)Транспорт-(2929)Туризм-(1568)Физика-(3942)Философия-(17015)Финансы-(26596)Химия-(22929)Экология-(12095)Экономика-(9961)Электроника-(8441)Электротехника-(4623)Энергетика-(12629)Юриспруденция-(1492)Ядерная техника-(1748)

Модуль абонентских комплектов 16АК




Назначение модуля

Модуль абонентских комплектов предназначен для обеспечения исходящей и входящей связи абонентов, использующих телефонные аппараты системы ЦБ.

Модуль выполняет следующие функции:

- подача питания на телефонные аппараты (ТА);

Часть 5. Цифровая коммутационная система MC240

- подача сигнала индукторного вызова при входящей связи;

- прием импульсного набора номера при исходящей связи;

- прием набора DTMF при исходящей связи;

- измерение параметров абонентских линий и самодиагностика. Состав модуля

Модуль выполнен на базе микросхем MuSLIC фирмы Infineon. В состав модуля входят: набор микросхем на 16 абонентских комплектов MuSLIC и схема управления модулем.

Рис. 2 Состав абонентских комплектов В состав абонентского комплекта входят:

 

- микросхема абонентского комплекта MuSLIC PEB4166;

- счетверенный кофидек PEB3465 (QAP);

- схема управления 16-ю комплектами MuSLIC PEB31666 (MuPP);

- цепи защиты от перенапряжений (терморезисторы, защитные диоды);

- схема самотестирования;

Часть 5. Цифровая коммутационная система MC240 - мультиплексор для измерения напряжений на линии.

Состав схемы управления

Рис. 3 Функциональная схема 16АК

 

Схема управления модуля состоит из следующих узлов:

- ядро на базе сигнального процессора ADSP-2186;

- флэш-ПЗУ программ;

- контроллер протокола HDLC;

- коммутатор выхода на промлинии.

Общие принципы функционирования

Работа модуля основана на периодическом опросе схемой управления состояния датчиков тока абонентских комплектов и накоплении результатов опроса. Анализируя накопленные данные, схема управления распознает следующие действия абонента:

- снятие трубки;

- набор номера, в т.ч. набор DTMF (используется сигнальный процессор);


- короткий отбой;

- отбой.

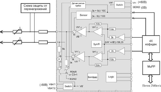
Информация о действиях абонентов накапливается, а затем, по запросу, отправляется центральному процессору (ЦП) для дальнейшей обработки. На рисунке 4 приведена упрощенная принципиальная схема одного из 16 абонентских комплектов.

Основными элементами являются: схема защиты от перенапряжений, прецизионные резисторы, терморезисторы и микросхема сопряжения с абонентской линией (Subscriber Line Interface Circuit = SLIC). Сигнал с разговорного тракта снимается с датчиков тока, кодируется счетверенным кофидеком (QAP) и упаковывается в поток 2 Мбит/с.

к.. —— Рис. 4 Упрощенная принципиальная схема 16АК

 

Микросхема сопряжения с абонентской линией (MuSLIC) выполняет многие функции, связанные с подачей питания в абонентскую линию, обнаружением снятия микротелефона с рычажного переключателя ТА (замыкания шлейфа), прекращением посылки вызова на ТА при ответе абонента (замыкании шлейфа), регулировкой уровня

речевого сигнала, ограничением тока питания и переходом с двухпроводной линии на четырехпроводную (дифсистема). MuSLIC контролирует и ограничивает подаваемое в линию постоянное напряжение и ток питания до достаточных для нормального действия значений. Микросхема также осуществляет наложение речевого сигнала от кодека на постоянное напряжение в линии, а также обеспечивает прием речевого сигнала из линии и подачу его на кодек.

Номинальное напряжение питающей батареи составляет -60В относительно земли. Напряжение питающей батареи (-60В) подается на выходные буферы MuSLIC. Выходные напряжения в абонентскую линию могут варьироваться в широких пределах от 5 до 100В. Причем напряжения до 60В формируются с использованием -60В и 0В. Для расширения диапазона используется -60В и +60В, что позволяет работать с очень длинными линиями (до 4000 Ом).

Микросхемы абонентских комплектов MuSLIC имеют встроенные цепи защиты от повышенного тока, перегрева и перенапряжений. В качестве дополнительной защиты на каждый провод абонентской линии установлен терморезистор и защитные тиристоры, отключающие выходы микросхемы MuSLIC при превышении порога максимального напряжения (более 60В).

Установление исходящего соединения.

В исходном состоянии микросхема MuSLIC находится в «спящем» режиме, т.е. выходные буферы отключены, но питание в линию подается. Снятие трубки ТА приводит к возникновению тока в абонентской цепи, что приводит к срабатыванию датчика снятия трубки и выходу микросхемы из «спящего» режима. Подключается разговорный тракт до платы ЦП, в котором начинает подаваться сигнал «Ответ станции». Набор номера обрабатывается сигнальным


Часть 5. Цифровая коммутационная система MC240 процессором на плате 16АК, который воспринимает как импульсный набор, так и набор DTMF (может отключаться программно).

Установление входящего соединения.

При установлении входящего соединения по команде ЦП абоненту подается индукторный вызов путем перевода микросхемы MuSLIC в состояние RING. Причем характер и длительность импульсов задаются ЦП, а вызывной сигнал генерируется комплектом. Микросхема автоматически определяет поднятие абонентом трубки и переходит в режим разговора.

Тестирование абонентского комплекта.

Для измерения параметров абонентских линий и внутренних цепей в комплекте MuSLIC предусмотрена измерительная функция. Причем, комплектом может измеряться как напряжение, так и ток. Управление измерителем осуществляется сигнальным процессором по команде ЦП.

Для измерения различных параметров линии используются разные методики (постороннее напряжение, сопротивление, сопротивление изоляции, емкость). Одновременно может тестироваться только один комплект на плате модуля 16АК. На время проведения измерений абонентский комплект не обслуживается станцией.

Время проведения всего комплекса измерений не более 1 минуты, что дает общее время тестирования всех комплектов станции порядка 15 минут (комплекты, находящиеся на разных платах, тестируются независимо друг от друга).

Управление тестированием и фиксирование результатов измерений осуществляется программой PbxAdm программа конфигурирования и мониторинга.




Поделиться с друзьями:


Дата добавления: 2015-05-09; Просмотров: 1787; Нарушение авторских прав?; Мы поможем в написании вашей работы!


Нам важно ваше мнение! Был ли полезен опубликованный материал? Да | Нет



studopedia.su - Студопедия (2013 - 2026) год. Все материалы представленные на сайте исключительно с целью ознакомления читателями и не преследуют коммерческих целей или нарушение авторских прав! Последнее добавление




Генерация страницы за: 0.011 сек.