Студопедия

КАТЕГОРИИ:


Архитектура-(3434)Астрономия-(809)Биология-(7483)Биотехнологии-(1457)Военное дело-(14632)Высокие технологии-(1363)География-(913)Геология-(1438)Государство-(451)Демография-(1065)Дом-(47672)Журналистика и СМИ-(912)Изобретательство-(14524)Иностранные языки-(4268)Информатика-(17799)Искусство-(1338)История-(13644)Компьютеры-(11121)Косметика-(55)Кулинария-(373)Культура-(8427)Лингвистика-(374)Литература-(1642)Маркетинг-(23702)Математика-(16968)Машиностроение-(1700)Медицина-(12668)Менеджмент-(24684)Механика-(15423)Науковедение-(506)Образование-(11852)Охрана труда-(3308)Педагогика-(5571)Полиграфия-(1312)Политика-(7869)Право-(5454)Приборостроение-(1369)Программирование-(2801)Производство-(97182)Промышленность-(8706)Психология-(18388)Религия-(3217)Связь-(10668)Сельское хозяйство-(299)Социология-(6455)Спорт-(42831)Строительство-(4793)Торговля-(5050)Транспорт-(2929)Туризм-(1568)Физика-(3942)Философия-(17015)Финансы-(26596)Химия-(22929)Экология-(12095)Экономика-(9961)Электроника-(8441)Электротехника-(4623)Энергетика-(12629)Юриспруденция-(1492)Ядерная техника-(1748)

Последовательные регистры




Последовательный регистр предназначен для кратковременного хранения информации, но, в отличие от параллельного регистра, в нем осуществляется логическая операция сдвига кода хранимого числа на любое количество разрядов. Ввод информации в последовательный регистр осуществляется по одному последовательному каналу V. Сдвиг кода числа происходит с помощью синхронизирующих импульсов С, в результате подачи которых осуществляется сдвиг всех разрядов кода числа со входа к выходу или наоборот. Как и в случае параллельных регистров, последовательный регистр может быть синтезирован на базе триггеров RS-типа (JK-типа), но наиболее удобным для этих целей является использование D-триггеров (рис. 9.28). Из рисунка видно, что информация с первым тактирующим импульсом с входа V передается на выход первого и вход второго триггеров. С приходом второго тактирующего импульса информация из первого триггера перепишется на выход второго триггера. На выход первого триггера запишется новое значение с входа V. Таким образом, будет осуществляться сдвиг исходного кода вправо. Отсюда последовательные регистры называются еще регистрами сдвига. Информация выводится из триггера по одному выходу Q.

Рис. 9.28. Схема последовательного регистра.

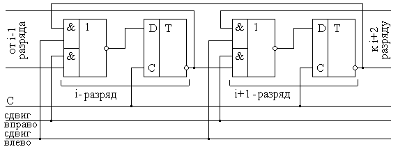
Для построения последовательного реверсивного регистра, в котором код числа может сдвигаться как влево, так и вправо, необходимо между триггерами регистра включить устройства управления направлением сдвига. Эти устройства в зависимости от значения управляющих сигналов «сдвиг вправо» и «сдвиг влево» должны переключать входы каждого триггера регистра либо к выходам предыдущего, либо к выходам последующего триггера (рис. 9.29). Поскольку элемент 2И-ИЛИ-НЕ, выполняющий роль коммутатора, инвертирует значения сигналов, то для подачи на входы соответствующих разрядов сдвигаемого кода в прямом виде, необходимо использовать инверсные выходы триггеров. Информацию на самый первый элемент 2И-ИЛИ-НЕ с входа V последовательного ввода необходимо подавать через инвертор. В практических схемах для упрощения процесса управления режимами направления сдвига вместо двух сигналов «сдвиг вправо» и «сдвиг влево», используется только один из этих сигналов. Второй сигнал формируется через инвертор.

Рис. 9.29. Схема последовательного реверсивного регистра.




Поделиться с друзьями:


Дата добавления: 2015-05-09; Просмотров: 3023; Нарушение авторских прав?; Мы поможем в написании вашей работы!


Нам важно ваше мнение! Был ли полезен опубликованный материал? Да | Нет



studopedia.su - Студопедия (2013 - 2026) год. Все материалы представленные на сайте исключительно с целью ознакомления читателями и не преследуют коммерческих целей или нарушение авторских прав! Последнее добавление




Генерация страницы за: 0.011 сек.