Студопедия

КАТЕГОРИИ:


Архитектура-(3434)Астрономия-(809)Биология-(7483)Биотехнологии-(1457)Военное дело-(14632)Высокие технологии-(1363)География-(913)Геология-(1438)Государство-(451)Демография-(1065)Дом-(47672)Журналистика и СМИ-(912)Изобретательство-(14524)Иностранные языки-(4268)Информатика-(17799)Искусство-(1338)История-(13644)Компьютеры-(11121)Косметика-(55)Кулинария-(373)Культура-(8427)Лингвистика-(374)Литература-(1642)Маркетинг-(23702)Математика-(16968)Машиностроение-(1700)Медицина-(12668)Менеджмент-(24684)Механика-(15423)Науковедение-(506)Образование-(11852)Охрана труда-(3308)Педагогика-(5571)Полиграфия-(1312)Политика-(7869)Право-(5454)Приборостроение-(1369)Программирование-(2801)Производство-(97182)Промышленность-(8706)Психология-(18388)Религия-(3217)Связь-(10668)Сельское хозяйство-(299)Социология-(6455)Спорт-(42831)Строительство-(4793)Торговля-(5050)Транспорт-(2929)Туризм-(1568)Физика-(3942)Философия-(17015)Финансы-(26596)Химия-(22929)Экология-(12095)Экономика-(9961)Электроника-(8441)Электротехника-(4623)Энергетика-(12629)Юриспруденция-(1492)Ядерная техника-(1748)

Децентрализованная система




АСУ ТП

 

В АСУ ТП используется обычно четырехуровневая организация системы контроля и управления.

1. Уровень возникновения информации – по оборудованию это, в основном, датчики (первичные преобразователи), исполнительные механизмы. На этом уровне формируется первичная информация, поступающая в систему АСУ ТП, на этот уровень адресуются управляющие воздействия.

2. Уровень контроля и управления технологическим процессом. Данный уровень предлагается как достаточно автономный, который при отсутствии связи с верхним уровнем способен работать достаточное время без потери информации и осуществлять автономное управление – в обычном режиме и в аварийном. В качестве оборудования – здесь программируемые логические контроллеры, в качестве программного обеспечения – средства программирования этих контроллеров. На этом уровне, возможно, также производить переконфигурирование контроллеров и получать локальное отображение хода технологического процесса на специальные устройства вывода.

3. Уровень человекомашинных интерфейсов (Man-Machine
Interface – MMI) и операторского контроля и межпроцессового взаимодействия (это так называемые SCADA-системы – Supervisory Control And Data Acquisition – операторский контроль и представление данных). На этом уровне в качестве оборудования используются рабочие станции оператора на RISC- или Intel-платформе, в зависимости от информационной нагруженности и требуемой надежности данного узла. Программное обеспечение представлено специальными продуктами для написания и конструирования SCADA-систем.

4. Последний, четвертый уровень – уровень информации, необходимой для управления предприятием. Это уровень интегрированной информационной системы предприятия, корпоративной базы данных и крупных финансовых предложений. По оборудованию этот уровень представлен файл-сервером, сервером базы данных, клиентскими компьютерами пользователей. Программными обеспечениями этого уровня являются СУБД архитектуры «клиент – сервер», большие финансовые приложения, корпоративная база данных предприятия. Данные с нижних уровней поступают сюда в предварительно обработанном виде. Взаимодействие уровней 3 и 4 обеспечивает организацию общего информационного пространства, объединение промышленных сетей сбора данных и информационных сетей общего назначения.

12.1. Примеры АСУ ТП, в том числе
на предприятиях в Пермском крае
(ELMATIC-100, DIMATIC XP, Проконтроль К
и Проконтроль П, ТДС 3000, MICON МДС-100
и MICON МДС-100, Квинт, FISHER – ROSENMAUT
SYSTEM, FOXBORO-ECKART и др.)

Рассмотрим кратко существующие АСУТП, в том числе внедренные на ряде предприятий в Пермском крае. В табл. 12.1 приведены основные модули аналоговой системы регулирования ELMATIC-100 фирмы VALMET (Швеция), реализованной на 1 и 2 блоках Пермской ГРЭС в середине 80-х годов. В настоящее время фирма VALMET выпускает АСУТП DIMATIC XP (рис. 12.1).

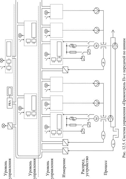
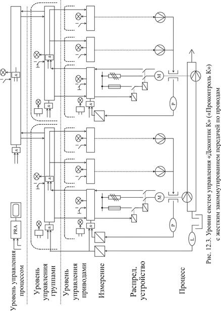
На рис. 12.2–12.9 показано развитие АСУТП «Проконтроль» фирмы АВВ, примененной на третьем блоке Пермской ГРЭС.
На рис. 12.2, 12.3 показана ранняя система «Деконтик К» (Проконтроль К) с жестким закоммутированием и передачей информации

Таблица 12.1

Состав аналоговой системы регулирования ELMATIC-100 (VALMET)

№ п/п Обозначение Функции
  МК 20 МК 20 с Питание датчиков, сбор сообщений, в том числе о неполадках, фильтрация, инвертирование
  AIUE, AOUE Развязка, преобразование U/I, нормализация
  TEMP - ELR Преобразователь информации с термосопротивлений
  EL - SET Задатчик интенсивности
  EL - POINT Показывающий прибор
  EL - TROL P/PI П/ПИ-регулятор
  EL - I/IC Цифровой интегратор
  EL - D Дифференциатор
  EL - STEP P/PI Трехпозиционный регулятор
  STEP - REL Управление исполнительным устройством
  EL - C/CS Блок связи с ЭВМ (цифровой ЗИ)
  EL - LOG Логическое управление регуляторами (рунос, автоматическое, блокировки и т.д.)
  EL - TUNE ШИМ для автоматической регулировки Ку- и Т- регуляторов
  EL - ROOT, EL - SUM, EL - MO, EL - MIN/MAX Реализация функций корня квадратного, суммы, умножения, деления, выделения максимума (минимума)
  AK - 4 4 выходных реле

 

по проводам. На рис. 12.4, 12.5 – последняя версия Проконтроль П с передачей информации по моноканалу магистрального типа. На рис. 12.6, 12.7 представлены основные подсистемы АСУТП «Проконтроль П», имеющие доступ к моноканалу, и основные функции АСУТП по регулированию, защите, сигнализации на различных уровнях технологического процесса. На рис. 12.8 даны характеристики сетей, используемых в «Проконтроль П», на рис. 12.9 представлена блок-схема одного модуля ввода/вывода АСУТП «Проконтроль П».

На рис. 12.10 представлена структура АСУТП «ТДС 3000» фирмы HONEYWELL (США). Вначале фирма использовала на нижнем уровне магистраль данных МД. В настоящее время используется универсальная сеть управления USN с выходящими на нее универсальными управляющими и логическими контроллерами. Структура программируемого логического контроллера LM представлена на рис. 12.11.

На рис. 12.12 представлен состав модулей АСУ ТП MICON МДС-100 (сеть магистрального типа), на рис. 12.13 – MICON МДС-200 – (сеть централизованного управления), в табл. 12.2 – перечень реализуемых алгоритмов в данных АСУТП.

На рис. 12.14 дана структура программно-технического комплекса «Квинт», разработанного в НИИ «Теплоприбор» с рабочими модулями программируемых контроллеров «Ремиконт» и «Ломиконт».

На рис. 12.15 и 12.16 представлены обобщенно АСУ ТП фирмы FISHER – ROSENMAUT SYSTEM и АСУ ТП фирмы FOXBORO-ECKART.

На рис. 12.17 приведена для сравнения со структурами АСУ ТП структура АСИ – автоматизированная система испытаний (фактически усеченная АСУ ТП).

Автоматизированные системы учета и контроля энергоресурсов (АСКУЭ), которые подробно рассматриваются в следующей главе, по своей структуре аналогичны АСУ ТП. Применяются и аналогичные аппаратные и программные средства.

Общее для всех АСУ ТП следующее:

¨ логические и управляющие контроллеры на нижнем уровне, обеспечивающие сбор, первоначальную или конечную обработку информации, управление объектом;

¨ как правило, на нижнем уровне используется полевая шина (FILDBUS) со скоростью передачи до 250 кбод;

¨ технологическая шина (другие названия: станционная, универсальная сеть управления, локальная сеть управления, системная, производственная, управляющая и др.), как правило, специфична для каждой АСУ ТП, исходя из особенностей применения АСУ ТП и используемого фирмой оборудования;

¨ системная шина (другие названия: дистанционная, ЛВС, ARCNET, ETHERNET, DECNET, NES, X25, TSP/IP, NOVELL/IP и др.), как правило, универсальна.

¨ Станции связи типа DIS по протоколу TEK 126, TEK 235.

¨ ПЭВМ по протоколу CNP.

¨ ПК по протоколам SIEMENS 3964, MOD BUS, folx (Alen-Bredly).

¨ ПО «XP-LINK» совместно со средами MS-DOS, UNIX, VAS/VMS.

¨ Рабочая станция конфигурирования – 486 РС, 16 Мб RAM, 1 Гб HD, UNIX.

¨ Сетевая рабочая станция 486 РС, 4 Мб RAM, 120 HD.

¨ Сетевой протокол EtherNet/TCP/IP.

Средства проектирования и тестирования
Cd CAD, Fd CAD, Seg CAD, GTEST Создание функциональных и последовательных схем, их графическая проверка
Gd CAD, Gr CAD Графические и групповые дисплеи
Tr BASE Тренды
Rd BASE Самописцы
Hw CAD Системная документация
Lc CAD Схемы контуров
Ld BASE БД по контурам
Fe BASE БД по КИП
Field CAD Документация по КИП
Urd Tool Добавление (обновление) схем

Рис. 12.1. АСУТП «DAMATIC» XD («VALMET»)

 

 

Рис. 12.6. Управление процессами в АСУ ТП «Проконтроль П »

Рис. 12.7. Подсистемы в АСУ ТП «Проконтроль П»

Модуль регулирования 83SR03-E/R1578:

· входов – 255;

· выходов – 255;

· количество вычислительных результатов функций – 255;

· количество параметров – 64;

· количество функций управления приводом – AS11-8;

· количество строк в структурном списке – 3045.

Модуль программирования диагностики и индикации – PDAQ.

Модуль диагностический испытательный 89PTOIE.

Станция оператора системы управления ZBPI.

Рис. 12.9. Блок-схема модулей системы управления «Проконтроль П»

Рис. 12.10. АСУТП «ТДС 3000» (HONEYWELL)

Рис. 12.11. Логический контроллер LM В ТДС 3000 (HONEYWELL)

 

 

¨ рабочая сеть до 15 станций управления, индикации, архивирования




Поделиться с друзьями:


Дата добавления: 2015-05-29; Просмотров: 1577; Нарушение авторских прав?; Мы поможем в написании вашей работы!


Нам важно ваше мнение! Был ли полезен опубликованный материал? Да | Нет



studopedia.su - Студопедия (2013 - 2026) год. Все материалы представленные на сайте исключительно с целью ознакомления читателями и не преследуют коммерческих целей или нарушение авторских прав! Последнее добавление




Генерация страницы за: 0.009 сек.