Студопедия

КАТЕГОРИИ:


Архитектура-(3434)Астрономия-(809)Биология-(7483)Биотехнологии-(1457)Военное дело-(14632)Высокие технологии-(1363)География-(913)Геология-(1438)Государство-(451)Демография-(1065)Дом-(47672)Журналистика и СМИ-(912)Изобретательство-(14524)Иностранные языки-(4268)Информатика-(17799)Искусство-(1338)История-(13644)Компьютеры-(11121)Косметика-(55)Кулинария-(373)Культура-(8427)Лингвистика-(374)Литература-(1642)Маркетинг-(23702)Математика-(16968)Машиностроение-(1700)Медицина-(12668)Менеджмент-(24684)Механика-(15423)Науковедение-(506)Образование-(11852)Охрана труда-(3308)Педагогика-(5571)Полиграфия-(1312)Политика-(7869)Право-(5454)Приборостроение-(1369)Программирование-(2801)Производство-(97182)Промышленность-(8706)Психология-(18388)Религия-(3217)Связь-(10668)Сельское хозяйство-(299)Социология-(6455)Спорт-(42831)Строительство-(4793)Торговля-(5050)Транспорт-(2929)Туризм-(1568)Физика-(3942)Философия-(17015)Финансы-(26596)Химия-(22929)Экология-(12095)Экономика-(9961)Электроника-(8441)Электротехника-(4623)Энергетика-(12629)Юриспруденция-(1492)Ядерная техника-(1748)

Ниппель, деталь 3




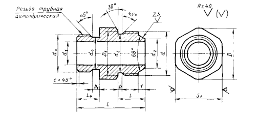
Гайка, деталь 2

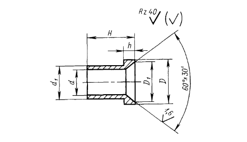
Штуцеры концевые, деталь 1

Размеры, мм

 

Исполнение А с цилиндрической трубной резьбой

 

Исполнение Б с конической дюймовой резьбой

 

Общие размеры
Трубы медные по ГОСТ 617 - 90 Трубы стальные по ГОСТ 8734 - 75 Резьба d d1 (пред. откл. Н14) d2 (пред. откл. +0,3) d3 (пред. откл. h14) l +0,2 b f Масса, кг
dн * S
4 * 0,5   6 * 0,8 -   6 * 0,6 М10 * 1   М12 * 1,25 2,5   4,0     4,5 8,5   10,2       3,5 0,014   0,018
8 * 1 10 * 1 12 * 1 14 * 1 8 * 0,8 10 * 1 12 * 1 14 * 1 М14 * 1,5 М16 * 1,5 М18 * 1,5 М22 * 1,5 5,5 7,5 9,5   11,8 13,8 15,8 19,8     3,5 4,0 4,0 4,5 0,030 0,031 0,046 0,066

 

Размеры, мм

 

Трубы стальные по ГОСТ 8734 - 75 Трубы медные по ГОСТ 617 - 90         Dy   Резьба метриче- ская d   d1 (пред. откл. по Н11)     D     D1   D2 (пред. откл. -0,5, -0,7)     D3   H (пред. Откл. по h14)     h     l-0,5     S     Масса, кг
dн * S
- - - - 12 * 2 14 * 2 20 * 2,5 25 * 3 37 * 3,5 40 * 4 50 * 5 - 6 * 0,6 8 * 0,8 10 * 1 12 * 1 14 * 1 18 * 1 22 * 1,6 28 * 1,6 - - 4 * 0,5 6 * 0,8 8 * 1 10 * 1 12 * 1 14 * 1 18 * 1,5 22 * 2 28 * 2 - - - - - - М10 * 1 М12 * 1,25 М14 * 1,5 М16 * 1,5 М18 * 1,5 М22 * 1,5 М27 * 1,5 М33 *1,5 М39 * 1,5 М48 * 1,5 М56 * 2   13,5 19,5 21,5     9,9 11,5 13,4 15,4 17,4 21,4 26,4 32,4 38,4 47,4 54,8         0,005 0,008 0,010 0,014 0,019 0,022 0,040 0,065 0,135 0,211 0,300
                             

 

Материал: сталь 35, сталь А 12.

Покрытие – Хим. Окс. прм.

Резьба метрическая – по ГОСТ 24705 – 81, поле допуска 7 Н по ГОСТ 16093 – 81.

Эксцентричность отверстия относительно диаметра резьбы d – не более 1 мм.

Допускается изготовление гайки без пояска D2.

Допускается изготовление гайки без проточки с недорезом, равным b.

 

 

Размеры, мм

 

Трубы медные по ГОСТ 617 - 90 Трубы стальные по ГОСТ 8734 - 75   D (пред. откл. по d11)   D1     d+0,1   d1 (пред. откл. по d11)   H+0,3   h+0,3 Масса, кг
dн * S
4 * 0,5 8 * 0,5 8 * 1 10 * 1 12 * 1 - 6 * 0,6 8 * 0,8 10 * 1 12 * 1 8,5 9,5           0,001 0,001 0,002 0,002 0,005
14 * 1 18 * 1,5 22 * 2 28 * 2 14 * 1 18 * 1,2 22 * 1,6 28 * 2           4,5 0,013 0,022 0,035 0,050

 

Материал: сталь 35, сталь А 12.

Покрытие – Хим. Окс. прм.

 

Продолжение табл. 70
Трубы медные по ГОСТ 617 - 90 Трубы стальные по ГОСТ 8734 - 75   Ис- пол- не- ние Резьба коничес- кая по ГОСТ 6111 – 52, дюймы     d1     d2     d3     D     D1     L     l     l1     H
dн * S
22 * 2   18 * 1,5 22 * 1,6   18 * 1,2   А   К 3/ 4                          
22 * 2 22 * 1,6 Б        
18 * 1,5 18 * 1,2 В          
28 * 2   22 * 2 28 * 2   22 * 1,6   А   К1                          
28 * 2 28 * 2 Б        
22 * 2 22 * 1,6 В          

 

Тройник концевой, деталь 1 – по табл. 72.

Гайка, деталь 2 – по табл. 65.

Ниппель, деталь 3 – по табл. 66

Допускаемое номинальное давление для труб: медных – до 6, 3 МПа, стальных – до 12,5 МПа.




Поделиться с друзьями:


Дата добавления: 2015-06-27; Просмотров: 980; Нарушение авторских прав?; Мы поможем в написании вашей работы!


Нам важно ваше мнение! Был ли полезен опубликованный материал? Да | Нет



studopedia.su - Студопедия (2013 - 2026) год. Все материалы представленные на сайте исключительно с целью ознакомления читателями и не преследуют коммерческих целей или нарушение авторских прав! Последнее добавление




Генерация страницы за: 0.008 сек.