Студопедия

КАТЕГОРИИ:


Архитектура-(3434)Астрономия-(809)Биология-(7483)Биотехнологии-(1457)Военное дело-(14632)Высокие технологии-(1363)География-(913)Геология-(1438)Государство-(451)Демография-(1065)Дом-(47672)Журналистика и СМИ-(912)Изобретательство-(14524)Иностранные языки-(4268)Информатика-(17799)Искусство-(1338)История-(13644)Компьютеры-(11121)Косметика-(55)Кулинария-(373)Культура-(8427)Лингвистика-(374)Литература-(1642)Маркетинг-(23702)Математика-(16968)Машиностроение-(1700)Медицина-(12668)Менеджмент-(24684)Механика-(15423)Науковедение-(506)Образование-(11852)Охрана труда-(3308)Педагогика-(5571)Полиграфия-(1312)Политика-(7869)Право-(5454)Приборостроение-(1369)Программирование-(2801)Производство-(97182)Промышленность-(8706)Психология-(18388)Религия-(3217)Связь-(10668)Сельское хозяйство-(299)Социология-(6455)Спорт-(42831)Строительство-(4793)Торговля-(5050)Транспорт-(2929)Туризм-(1568)Физика-(3942)Философия-(17015)Финансы-(26596)Химия-(22929)Экология-(12095)Экономика-(9961)Электроника-(8441)Электротехника-(4623)Энергетика-(12629)Юриспруденция-(1492)Ядерная техника-(1748)

D –L – триггер

Имеет два входа: D – (Data) информационный и L – (Load) загрузка. При L=1 выход триггера принимает значение D, причем, при изменении D выход также будет изменяться. При L=0 выход сохраняется. Таблица истинности и матрица Карно представлены на рисунках.

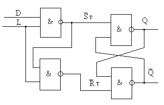
Логическая функция для схемы, свободной от состязаний, имеет вид:

.

В базисе И-НЕ . Полученный триггер называют триггером Эрла. Он имеет максимальное быстродействие и широко используется в асинхронных (потенциальных) регистрах.

Исходную логическую функцию Q+ можно также преобразовать следующим образом:

Последней функции соответствует схема которая имеет меньшее быстродействие по сравнению с триггером Эрла, но не требует инверсии L, имеет прямой и инверсный выходы, и меньше элементов.

Как видно по схеме, при L=1 триггер становится комбинационной схемой для D (“прозрачным» для сигнала D). При переходе L c единичного на нулевой уровень на выходе Q будет зафиксировано то значение D, которое он имел в момент перехода.

 

(Лучше дать через RS – триггер??. См. уже готовую таблицу истинности)

<== предыдущая лекция | следующая лекция ==>
Лекция 9. Влияние эффекта «состязаний» или «гонок» на работу триггеров | Синтез автоматов на примере D-L-R триггера
Поделиться с друзьями:


Дата добавления: 2014-01-03; Просмотров: 2592; Нарушение авторских прав?; Мы поможем в написании вашей работы!


Нам важно ваше мнение! Был ли полезен опубликованный материал? Да | Нет



studopedia.su - Студопедия (2013 - 2026) год. Все материалы представленные на сайте исключительно с целью ознакомления читателями и не преследуют коммерческих целей или нарушение авторских прав! Последнее добавление




Генерация страницы за: 0.009 сек.