Студопедия

КАТЕГОРИИ:


Архитектура-(3434)Астрономия-(809)Биология-(7483)Биотехнологии-(1457)Военное дело-(14632)Высокие технологии-(1363)География-(913)Геология-(1438)Государство-(451)Демография-(1065)Дом-(47672)Журналистика и СМИ-(912)Изобретательство-(14524)Иностранные языки-(4268)Информатика-(17799)Искусство-(1338)История-(13644)Компьютеры-(11121)Косметика-(55)Кулинария-(373)Культура-(8427)Лингвистика-(374)Литература-(1642)Маркетинг-(23702)Математика-(16968)Машиностроение-(1700)Медицина-(12668)Менеджмент-(24684)Механика-(15423)Науковедение-(506)Образование-(11852)Охрана труда-(3308)Педагогика-(5571)Полиграфия-(1312)Политика-(7869)Право-(5454)Приборостроение-(1369)Программирование-(2801)Производство-(97182)Промышленность-(8706)Психология-(18388)Религия-(3217)Связь-(10668)Сельское хозяйство-(299)Социология-(6455)Спорт-(42831)Строительство-(4793)Торговля-(5050)Транспорт-(2929)Туризм-(1568)Физика-(3942)Философия-(17015)Финансы-(26596)Химия-(22929)Экология-(12095)Экономика-(9961)Электроника-(8441)Электротехника-(4623)Энергетика-(12629)Юриспруденция-(1492)Ядерная техника-(1748)

Триггер. Триггер - электронная схема, имеющая два устойчивых состояния; переходы из одного состояния в другое и обратно совершаются под действием специальных

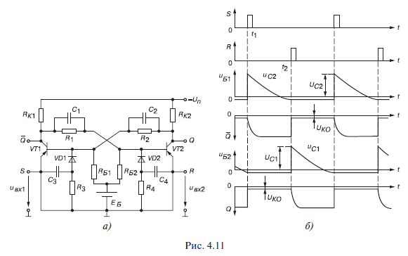
Триггер - электронная схема, имеющая два устойчивых состояния; переходы из одного состояния в другое и обратно совершаются под действием специальных запускающих импульсов. Триггеры широко применяют в цифровых электронных устройствах. Простейшая схема триггера на биполярных транзисторах с внешним смешением EБ приведена на рис. 4.11, а.

Триггер можно рассматривать как двухэлементный усилитель постоянного тока (с резистивной связью), охваченный положительной обратной связью (R1С1, R2C2) и по напряжению между коллекторами и базами транзисторов VT1 и VT2. Обязательное условие работы триггера: если один транзистор открыт (т. е. находится в режиме насыщения), то другой в это время должен быть закрыт (т. е. находиться в режиме отсечки). Форсирующие конденсаторы С1 и С2 используют для ускорения процессов переключения транзисторов.

Пусть при t = 0 транзистор VT1 открыт, а транзистор VT2 закрыт. При этом напряжение на базе VT2

для надежного его закрытия должно быть больше нуля (рис. 4.11,б). В этом состоянии триггер будет находиться до подачи на вход S импульса + uвх2

В это время ток iБ1 уменьшается и транзистор VT1 выходит из режима насыщения, его коллектор становится более отрицательным, и на выходе Q устанавливается сигнал UK1 = - Uп

Положительная обратная связь (ПОС) развивается лавинообразно, открывается транзистор VT2, т. е. триггер "опрокидывается" (переключается); на выходе Q устанавливается напряжение UK0 (рис. 4.11,б).

В процессе "опрокидывания" триггера конденсатор С1 заряжается, и его зарядный ток увеличивает ток базы транзистора VТ2, ускоряя установление на его коллекторе напряжения UK0.

Если при t = t2 подан на вход R импульс + uвх1 то происходит вновь "опрокидывание" триггера: на выходе Q устанавливается напряжение UK1 = UK0 и т. д.

 

<== предыдущая лекция | следующая лекция ==>
Транзисторный ключ | Боль в области живота
Поделиться с друзьями:


Дата добавления: 2014-01-03; Просмотров: 783; Нарушение авторских прав?; Мы поможем в написании вашей работы!


Нам важно ваше мнение! Был ли полезен опубликованный материал? Да | Нет



studopedia.su - Студопедия (2013 - 2026) год. Все материалы представленные на сайте исключительно с целью ознакомления читателями и не преследуют коммерческих целей или нарушение авторских прав! Последнее добавление




Генерация страницы за: 0.011 сек.