Студопедия

КАТЕГОРИИ:


Архитектура-(3434)Астрономия-(809)Биология-(7483)Биотехнологии-(1457)Военное дело-(14632)Высокие технологии-(1363)География-(913)Геология-(1438)Государство-(451)Демография-(1065)Дом-(47672)Журналистика и СМИ-(912)Изобретательство-(14524)Иностранные языки-(4268)Информатика-(17799)Искусство-(1338)История-(13644)Компьютеры-(11121)Косметика-(55)Кулинария-(373)Культура-(8427)Лингвистика-(374)Литература-(1642)Маркетинг-(23702)Математика-(16968)Машиностроение-(1700)Медицина-(12668)Менеджмент-(24684)Механика-(15423)Науковедение-(506)Образование-(11852)Охрана труда-(3308)Педагогика-(5571)Полиграфия-(1312)Политика-(7869)Право-(5454)Приборостроение-(1369)Программирование-(2801)Производство-(97182)Промышленность-(8706)Психология-(18388)Религия-(3217)Связь-(10668)Сельское хозяйство-(299)Социология-(6455)Спорт-(42831)Строительство-(4793)Торговля-(5050)Транспорт-(2929)Туризм-(1568)Физика-(3942)Философия-(17015)Финансы-(26596)Химия-(22929)Экология-(12095)Экономика-(9961)Электроника-(8441)Электротехника-(4623)Энергетика-(12629)Юриспруденция-(1492)Ядерная техника-(1748)

Полная система расчетных уравнений эл. цепи

Для вычисления всех токов и напряжений в эл. цепи в общем случае нужно решить систему уравнений. Она называется полной системой расчетных уравнений эл. цепи. Ее можно записывать в разных формах. Мы рассмотрим классический вариант, когда система состоит из уравнений узлов и уравнений контуров. При этом ограничимся цепями, образованными соединением двухполюсников.

Прежде чем записывать уравнения, на всех ветвях схемы поставим стрелки тока и на всех элементах схемы поставим (или мысленно представим себе) стрелки напряжения. Затем составим уравнения системы, которые вначале разделим на три группы.

 

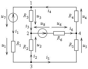
Рис. 7.1. 1) Уравнения узлов – это уравнения, составленные по 1-му закону Кирхгофа для всех узлов цепи, кроме одного (любого). Если в систему включить уравнения для всех узлов, она будет содержать избыточную информацию. Пример: На схеме рис. 7.1 исключим из рассмотрения узел № 4. Для остальных узлов получим уравнения: Узел № 1: Узел № 2: (7.1) Узел № 3:
Рис. 7.2.

2) Уравнения контуров – это уравнения, составленные по 2-му закону Кирхгофа для всех независимых контуров эл. цепи. Для цепи, схема которой нарисована без пересечения проводов, независимые контуры могут быть выбраны с помощью штриховки, линии которой не пересекают провода и элементы эл. цепи (рис.7.2).

Согласно штриховке рис. 7.2 на схеме рис. 7.1 выберем контуры, образованные ветвями, соединяющими узлы: 1-2, 2-3, 3‑1 (контур №1); 1-2, 2-4, 4-1 (контур №2); 3-2, 2‑4, 4-3 (контур №3). Запишем уравнения этих контуров:

Контур № 1:  
Контур № 2: (7.2)
Контур № 3:  

3) Уравнения элементов. В полную систему расчетных уравнений цепи включаются уравнения всех ее элементов.

Пример: Уравнения элементов для цепи, изображенной на рис. 7.1:

(7.3)

Всего для схемы рис. 7.1 получаем 14 уравнений с 14 неизвестными. Это наиболее общая, но и самая громоздкая запись полной системы расчетных уравнений цепи.

Уравнения элементов (7.3) часто сразу подставляют в уравнения контуров (7.2), выражая напряжения через токи. В результате вместе с уравнениями узлов (7.1) получается классическая форма полной системы расчетных уравнений цепи. Ее часто называют системой уравнений Кирхгофа для эл. цепи:

(7.4)

При этом перед произведением ikRk ставится дополнительный знак "–", если стрелка тока ik ориентирована противоположно направлению обхода контура; перед э.д.с. ek ставится дополнительный знак "–", если стрелка этой э.д.с. ориентирована противоположно направлению обхода контура. Направление обхода выбирается произвольно.

Решив полученную систему уравнений, найдем токи всех ветвей цепи. Зная токи, с помощью уравнений элементов и второго закона Кирхгофа можно рассчитать все напряжения цепи. Однако, полная система расчетных уравнений цепи чаще всего бывает полезна как теоретическая основа для более удобных практических методов.

<== предыдущая лекция | следующая лекция ==>
Мощность двухполюсника | Метод узловых потенциалов
Поделиться с друзьями:


Дата добавления: 2014-01-03; Просмотров: 673; Нарушение авторских прав?; Мы поможем в написании вашей работы!


Нам важно ваше мнение! Был ли полезен опубликованный материал? Да | Нет



studopedia.su - Студопедия (2013 - 2026) год. Все материалы представленные на сайте исключительно с целью ознакомления читателями и не преследуют коммерческих целей или нарушение авторских прав! Последнее добавление




Генерация страницы за: 0.011 сек.