Студопедия

КАТЕГОРИИ:


Архитектура-(3434)Астрономия-(809)Биология-(7483)Биотехнологии-(1457)Военное дело-(14632)Высокие технологии-(1363)География-(913)Геология-(1438)Государство-(451)Демография-(1065)Дом-(47672)Журналистика и СМИ-(912)Изобретательство-(14524)Иностранные языки-(4268)Информатика-(17799)Искусство-(1338)История-(13644)Компьютеры-(11121)Косметика-(55)Кулинария-(373)Культура-(8427)Лингвистика-(374)Литература-(1642)Маркетинг-(23702)Математика-(16968)Машиностроение-(1700)Медицина-(12668)Менеджмент-(24684)Механика-(15423)Науковедение-(506)Образование-(11852)Охрана труда-(3308)Педагогика-(5571)Полиграфия-(1312)Политика-(7869)Право-(5454)Приборостроение-(1369)Программирование-(2801)Производство-(97182)Промышленность-(8706)Психология-(18388)Религия-(3217)Связь-(10668)Сельское хозяйство-(299)Социология-(6455)Спорт-(42831)Строительство-(4793)Торговля-(5050)Транспорт-(2929)Туризм-(1568)Физика-(3942)Философия-(17015)Финансы-(26596)Химия-(22929)Экология-(12095)Экономика-(9961)Электроника-(8441)Электротехника-(4623)Энергетика-(12629)Юриспруденция-(1492)Ядерная техника-(1748)

Выражения (2.1)




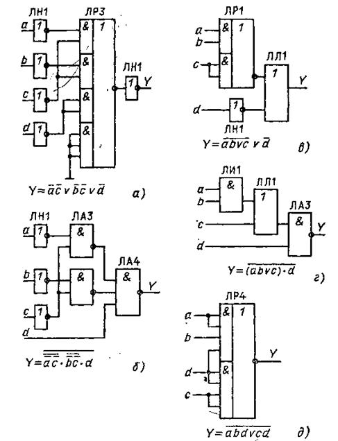
Аппаратурные затраты схем, предназначенных для размещения на матричных БИС, часто можно оценивать числом логических элементов или библиотечных ячеек, содержащих сразу несколько элементов наподобие корпусов микросхем.


Пример:

На логических микросхемах серии К155 построить несколько вариантов схем, реализующих заданную минимальную ДНФ (2.1). Сравнить полученные результаты.

. (2.1)

Схемная реализация этой формулы представлена на рис. 2.5, а. Поскольку на основании данных справочника задержки распространения элементов ЛРЗ и ЛН1 серии К155 одинаковы, задержка всей схемы равна Т=3t.

Аппаратурные затраты состоят из пяти инверторов ЛН1, каждый из которых занимает 1/6 корпуса, и элемента И-ИЛИ-НЕ – ЛРЗ, занимающего целый корпус. Итого для схемы по рис. 2.5, а W=5•1/6+1=22/12 корпуса.

Рис. 2.5. Различные варианты схемной реализации


Неиспользованные элементы частично занятого корпуса (в данном случае шестой инвертор) не учитываются, поскольку они могут быть использованы в других узлах. Подсчеты удобно производить в двенадцатых долях корпуса: 12 — это число логических выводов корпуса наименьшего размера. Оценка оборудования в двенадцатых долях корпуса численно близка к оценке оборудования по сумме входов и выходов всех элементов.

 

Поскольку у ЛРЗ часть входов осталась неиспользованной, можно попытаться реализовать схему с помощью элементов И-НЕ, набор которых имеет более мелкую градацию по числу входов. Применив к (2.1) правило де-Моргана, получим:

(2.2)

Реализация (2.2) представлена на рис. 2.5,б. Параметры схемы: Т=3t; W=3•1/6+2•1/4+1•1/3=16/12 корпуса. Схема оказалась заметно экономичнее.

 

Можно попытаться использовать формулы де-Моргана для уменьшения числа инверторов на входе. Тогда:

. (2.3)

Схема, реализующая (2.3), показана на рис. 2.5,в. Для нее Т=2t; W=1/2+1/6+1/4=11/12 корпуса. Удалось выиграть и во времени, и в оборудовании.

Еще одно применение формулы де-Моргана дает:

(2.4)

Схема (2.4) представлена на рис. 2.5, г: Т=3t; W=9/12 корпуса. Схема оказалась очень экономичной, хотя и довольно медленной.

Если в (2.4) раскрыть скобки, то можно получить еще один вариант схемы (рис. 2.5,д)

. (2.5)

Задержка этой схемы T=1t оказалась наименьшей из всех рассмотренных, W=12/12.

На рис. 2.5 показаны не все возможные схемы.





Поделиться с друзьями:


Дата добавления: 2014-01-03; Просмотров: 429; Нарушение авторских прав?; Мы поможем в написании вашей работы!


Нам важно ваше мнение! Был ли полезен опубликованный материал? Да | Нет



studopedia.su - Студопедия (2013 - 2025) год. Все материалы представленные на сайте исключительно с целью ознакомления читателями и не преследуют коммерческих целей или нарушение авторских прав! Последнее добавление




Генерация страницы за: 0.008 сек.