Студопедия

КАТЕГОРИИ:


Архитектура-(3434)Астрономия-(809)Биология-(7483)Биотехнологии-(1457)Военное дело-(14632)Высокие технологии-(1363)География-(913)Геология-(1438)Государство-(451)Демография-(1065)Дом-(47672)Журналистика и СМИ-(912)Изобретательство-(14524)Иностранные языки-(4268)Информатика-(17799)Искусство-(1338)История-(13644)Компьютеры-(11121)Косметика-(55)Кулинария-(373)Культура-(8427)Лингвистика-(374)Литература-(1642)Маркетинг-(23702)Математика-(16968)Машиностроение-(1700)Медицина-(12668)Менеджмент-(24684)Механика-(15423)Науковедение-(506)Образование-(11852)Охрана труда-(3308)Педагогика-(5571)Полиграфия-(1312)Политика-(7869)Право-(5454)Приборостроение-(1369)Программирование-(2801)Производство-(97182)Промышленность-(8706)Психология-(18388)Религия-(3217)Связь-(10668)Сельское хозяйство-(299)Социология-(6455)Спорт-(42831)Строительство-(4793)Торговля-(5050)Транспорт-(2929)Туризм-(1568)Физика-(3942)Философия-(17015)Финансы-(26596)Химия-(22929)Экология-(12095)Экономика-(9961)Электроника-(8441)Электротехника-(4623)Энергетика-(12629)Юриспруденция-(1492)Ядерная техника-(1748)

Теоретична частина. Завдання до самостійної роботи № 7




Лабораторна робота № 7

Завдання до самостійної роботи № 7

Методом коефіцієнтів використання провести розрахунок захисного пристрою заземлення електричної установки до 1000 В, виконаного кутниковим прокатом довжини l з глибиною їх закладання h в ґрунті заданого типу. Розміщення заземлювачів в ряд, горизонтальний заземлювач має вигляді сталевої стрічки товщини b 1, прокладеної на глибині h 1. Дані до розрахунку взяти з табл. 7.3.

Таблиця 7.3

Тип ґрунту l, м h, м b1, мм h1, м № кутка
1 2 3 4 5 6 7
  Глина 2,0 0,5   0,8  
  Суглинок 2,5 0,6   0,7 4,5
  Пісок 3,0 0,7   0,8  
  Супісок 2,0 0,8   0,7 5,6
1 2 3 4 5 6 7
  Торф 2,0 0,5   0,8  
  Чорнозем 2,5 0,6   0,7 6,3
  Садова земля 3,0 0,7   0,7  
  Глина 2,0 0,8   0,7 4,5
  Глина 2,5 0,5   0,8  
  Суглинок 3,0 0,6   0,7 5,6
  Пісок 2,0 0,7   0,8  
  Супісок 2,5 0,8   0,8 4,5
  Торф 3,0 0,5   0,7  
  Чорнозем 2,0 0,6   0,8 5,6
  Садова земля 2,5 0,7   0,7  
  Глина 3,0 0,8   0,8 4,5
  Суглинок 2,0 0,5   0,8  
  Пісок 2,5 0,6   0,7 5,6
  Супісок 3,0 0,7   0,8  
  Торф 2,0 0,8   0,8 4,5
  Чорнозем 2,5 0,5   0,8  
  Садова земля 3,0 0,6   0,8 5,6
  Глина 2,0 0,7   0,7  
  Суглинок 2,5 0,8   0,8 4,5
  Пісок 3,0 0,5   0,8  
  Супісок 2,0 0,6   0,8 5,6
  Торф 2,5 0,7   0,7  
  Чорнозем 3,0 0,8   0,7 4,5
  Садова земля 2,0 0,5   0,8  
  Глина 2,5 0,6   0,8 5,6

ВИМІР ОПОРУ ЗАХИСНОГО ЗАЗЕМЛЕННЯ

Мета роботи: вивчення засобів захисту від ураження електричним струмом, приборів та методів виміру опору захисного заземлення в електричних мережах напругою до 1000 В.

Прибори та інструменти: мегомметр МС-08, групові заземлювачі, допоміжний заземлювач, компенсаційний заземлювач-зонд, сполучні дроти.

Широке використання електричної енергії на сучасному виробництві, у побуті, в навчальному процесі значно збільшує ймовірність враження електричним струмом. Одним із ефективних методів захисту від ураження струмом є застосування захисного заземлення – з’єднання із землею металевих неструмопровідних частин електричних установок.

Принцип дії захисного заземлення полягає у зниженні до безпечної величини електричного потенціалу, під яким можуть опинитися металеві неструмопровідні частини електричних установок внаслідок аварійної ситуації. За рахунок заземлення між частиною установки, що опинилась під напругою, і землею утворюється з’єднання високої провідності (малого опору). Тому струм, який піде тілом людини, що доторкнулась до даного обладнання і увімкнулась паралельно в електричне коло, не є небезпечним для її життя.

Захисному заземленню підлягають усі металеві не струмопровідні частини електричних установок, які внаслідок виходу з ладу комутаційної апаратури або ізоляції можуть опинитися під напругою, і до яких можуть доторкнутися люди або тварини.

Захисному заземленню підлягають всі електричні установки в приміщеннях з підвищеною небезпекою та особливо небезпечних приміщеннях при номінальному значенні напруги змінного струму понад 42 В і постійного струму – 110 В. В приміщеннях без підвищеної небезпеки заземлюється обладнання при номінальному значенні напруги змінного струму понад 400 В і постійного струму – 500 В.

В залежності від розміщення по відношенню до обладнання, яке заземлюється, захисне заземлення поділяється на виносне і контурне (рис.7.7). В якості штучних заземлювачів використовуються стальні стержні діаметром 10…20 мм і довжини 3…7 м; кутникові рівнобічні профілі №№ 3 – 6,3; стальні труби діаметром 30…50 мм і довжини 2,5…3 м, а також стальні шини з площею поперечного перерізу не менше 100 мм2. Заземлювальні пристрої забиваються вертикально в ґрунт на глибину 0,7…0,8 м і з’єднуються між собою заземлюючим провідником (стальною шиною) за допомогою зварювання.

Рис. 7.7. Види захисних заземлень: а – виносне, б – контурне. 1 – заземлювач, 2 – електричне обладнання, 3 – сполучні дроти.

 

В якості заземлюючого провідника при зовнішній та підземній укладці використовують стрічкову сталь площею перерізу не менше 48 мм2, всередині приміщень – перерізу не менше 24 мм2, а також сталь круглого перерізу діаметром 5 або 6 мм2.

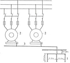
Обладнання, що заземлюється, приєднується паралельно до контуру захисного заземлення за допомогою окремих провідників (рис. 7.8), які кріпляться до обладнання за допомогою зварювання або болтового з’єднання.

Рис. 7.8. Схема заземлення електроустановок: 1 – заземлювач, 2 – електричний двигун, 3 – заземлюючі провідники.

 

Заземлюючі провідники прокладаються відкрито по стінах будівель, оскільки вони завжди мають бути доступні до огляду. Якість кріплень захисного заземлення перевіряють регулярно, а вимір його опору виконують один раз на рік. У будь-яку пору року в установках до 1000 В опір захисного заземлення не має перевищувати 4 В.

Вимір опору захисного заземлення можна виконати методом амперметра-вольтметра за допомогою мегомметра типу МС з використанням допоміжного заземлювача і потенціального електрода-зонда, які розташовані на достатній відстані від досліджуваного заземлювача (рис. 7.9).

Рис. 7.9. Схема виміру опору захисного заземлення.

Джерелом струму в приладі є генератор постійного струму, який приводиться до обертання за допомогою ручки через редуктор. Постійний струм генератора перетворюється на змінний для зовнішнього ланцюга за допомогою переривника, завдяки чому можна виключити явище електролізу, і потім назад у постійний для ланцюгів амперметра і вольтметра.

Для виключення похибки градуювання приладу проведено для деякої величини опору потенціального ланцюга (або зонда) що перевищує 1000 Ом. Тому перед проведенням вимірів за підключених до приладу заземлювачів потенціальний ланцюг вирівнюється за своїм опором до величини, при якій виконувалось градуювання. Для цієї мети слугує реостат потенціального ланцюга і перемикач.

Даний прилад має три межі вимірів: 0…10 Ом, 0…100 Ом і 0…1000 Ом. На клемовій панелі приладу знаходяться чотири вихідні затиски – два для струму (І 1 і І 2) і два для напруги (Е 1 і Е 2).

Рис. 7.10. Схема методу трьох вимірів.

 

Іншим методом виміру опору захисного заземлення є метод трьох вимірів, суть якого полягає у вимірі сили струму і напруги на кожній парі заземлювачів, як показано на рис. 7.10. Результатом кожного з вимірів є опір пари заземлювачів розтіканню струму

Після цього опір захисного заземлення визначають по формулі

 




Поделиться с друзьями:


Дата добавления: 2015-07-13; Просмотров: 324; Нарушение авторских прав?; Мы поможем в написании вашей работы!


Нам важно ваше мнение! Был ли полезен опубликованный материал? Да | Нет



studopedia.su - Студопедия (2013 - 2026) год. Все материалы представленные на сайте исключительно с целью ознакомления читателями и не преследуют коммерческих целей или нарушение авторских прав! Последнее добавление




Генерация страницы за: 0.013 сек.