Студопедия

КАТЕГОРИИ:


Архитектура-(3434)Астрономия-(809)Биология-(7483)Биотехнологии-(1457)Военное дело-(14632)Высокие технологии-(1363)География-(913)Геология-(1438)Государство-(451)Демография-(1065)Дом-(47672)Журналистика и СМИ-(912)Изобретательство-(14524)Иностранные языки-(4268)Информатика-(17799)Искусство-(1338)История-(13644)Компьютеры-(11121)Косметика-(55)Кулинария-(373)Культура-(8427)Лингвистика-(374)Литература-(1642)Маркетинг-(23702)Математика-(16968)Машиностроение-(1700)Медицина-(12668)Менеджмент-(24684)Механика-(15423)Науковедение-(506)Образование-(11852)Охрана труда-(3308)Педагогика-(5571)Полиграфия-(1312)Политика-(7869)Право-(5454)Приборостроение-(1369)Программирование-(2801)Производство-(97182)Промышленность-(8706)Психология-(18388)Религия-(3217)Связь-(10668)Сельское хозяйство-(299)Социология-(6455)Спорт-(42831)Строительство-(4793)Торговля-(5050)Транспорт-(2929)Туризм-(1568)Физика-(3942)Философия-(17015)Финансы-(26596)Химия-(22929)Экология-(12095)Экономика-(9961)Электроника-(8441)Электротехника-(4623)Энергетика-(12629)Юриспруденция-(1492)Ядерная техника-(1748)

Обратимые и необратимые процессы




Термодинамический цикл холодильных машин

Для непрерывного охлаждения машинными способами помимо охлаждаемого тела и приемника теплоты требуется третье тело, переносящее теплоту от первого ко второму. Это третье тело называется рабочим телом или холодильным агентом.

Холодильный агент, претерпевая ряд изменений, должен возвращаться в первоначальное состояние, непрерывно участвуя в круговом процессе, или цикле. Подобный цикл называется термодинамическим.

В отличие от прямого цикла (цикл тепловой машины), когда работа производится при переходе теплоты от более нагретого тела к менее нагретому, круговой процесс, в котором для передачи теплоты от менее нагретого тела к более нагретому необходимо подводить энергию (или теплоту), называется обратным циклом.

Различают три вида обратного цикла:

-холодильный, в котором теплота переносится от охлаждаемого тела с температурой Тн к окружающей среде с температурой Т о.с;

-теплового насоса, в котором теплота переносится от окружающей среды к телу с более высокой температурой Тв;

-комбинированный, состоящий из двух первых.

Одним из важнейших понятий термодинамики является понятие об обратимых и необратимых процессах.

Термодинамический процесс представляет собой совокупность непрерывно изменяющихся состояний термодинамической системы. Между любыми двумя состояниями 1 и 2 системы можно представить себе два процесса, проходящих по одному и тому же пути: от состояния 1 к состоянию 2 и, наоборот, от состояния 2 к состоянию 1, так называемые прямой и обратный процессы.

Обратимыми называются процессы, в результате совершения которых в прямом и обратном направлениях термодинамическая система возвращается в исходное состояние; таким образом, совокупность прямого и обратного процессов не вызывает в окружающей среде никаких изменений.

Необратимыми называются процессы, при проведении которых в прямом и обратном направлениях система не возвращается в исходное состояние. Из практики известно, что все естественные самопроизвольные процессы необратимы; обратимых процессов в природе не существует.

Рассмотрим некоторые примеры необратимых процессов. Типичным примером необратимого процесса, сопровождающего многие процессы в природе, является уже упоминавшийся нами процесс трения. Работа, затрачиваемая на преодоление трения, необратимо, превращается в тепло, выделяющееся при. трении.

Энтропия S - это отношение ничтожно малого количества теплоты ∆ q, сообщенной телу (или отнятой у него) в процессе изменения его агрегатного состояния, к абсолютной температуре Т, при которой происходит это приращение теплоты, т.е. S=q/Т (Дж/К). Энтропию в тепловых процессах можно рассматривать как термический заряд, который не меняется в идеализированных обратимых циклах.

 

Как показано в процессе расширения газ производит работу против сил внешнего давления. Работа, производимая газом при расширении от давления p1 до давления р2, в соответствии с уравнением равна:

где V1 и V2 - объемы газа соответственно в точках начала и конца процесса расширения.

Для того чтобы вновь повторить тот же процесс расширения газа и вновь получить работу, нужно возвратить газ в исходное состояние 1, характеризуемое параметрами р1 и V1, т. е. сжать газ. При этом газ совершит круговой процесс (цикл).

На сжатие газа, естественно, должна быть затрачена работа; эта работа подводится к газу от какого-либо внешнего источника.

или

Сходство выражений для работы расширения и сжатия и кажущееся - работа зависит от пути, по которому идет процесс между одними и теми же точками 1 и 2.

Понятно, что процесс сжатия газа от давления р2 до давления р2 нужно осуществить по пути, отличному от пути процесса расширения. В противном случае работа, получаемая при расширении газа, будет равна работе, затрачиваемой на сжатие, и суммарная работа, полученная в результате описанного кругового процесса, будет равна нулю.

Циклические процессы в результате которых производится работа осуществляются в различных тепловых двигателях. Тепловым двигателем называется непрерывно действующая система, осуществляющая круговые процессы (циклы) в которых тепло превращается в работу. Вещество, за счет изменения состояния которого получают работу в цикле, именуется рабочим телом

, а по замкнутому контуру

Напомним, что Q - тепло, подводимое извне к системе (или отводимое от нее), a L - работа, совершаемая системой (или совершаемая над системой). Поскольку внутренняя энергия U является функцией состояния и, следовательно, ее интеграл по замкнутому контуру равен нулю (т. е. по возвращении - рабочего тела после осуществления цикла в исходное состояние внутренняя энергия рабочего тела принимает первоначальное значение), получаем отсюда:

, и если принять и ,то

т.е. работа цикла Lц равна количеству тепла, подведенного извне к рабочему телу. В соответствии с первым законом термодинамики это соотношение показывает, что работа, производимая двигателем, строго равна количеству тепла, отобранного от внешнего источника и подведенного к рабочему телу двигателя.

Если обозначить тепло, подводимое к рабочему телу в цикле, через Q1, а тепло, отводимое от рабочего тела в цикле через Q2, то очевидно, что

и соответственно

Введем новое понятие о так называемом термическом коэффициентом полезного действия (к. п. д.) цикла. Термическим кпд. цикла называется отношение работы цикла к количеству тепла, подведенного к рабочему телу в цикле. Обозначая термический кпд. цикла ηт, получаем в соответствии с этим определением:

,

или, что то же самое,

.

Соответственно для 1 кг рабочего тела

, или

где l и q - работа и тепло в расчете на 1 кг рабочего тела.

Термический к. п. д. цикла характеризует степень совершенства того или иного цикла: чем больше величина , тем совершеннее цикл; при подводе к рабочему телу одного и того же количества тепла Q1 в цикле, у которого больше, производится большая работа Lц..

Цикл Карно. Теорема Карно.

В 1824 г. французский инженер С. Карно опубликовал работу, ставшую впоследствии основой теории тепловых двигателей. В этой работе Карно рассмотрел цикл теплового двигателя (названный впоследствии его именем), имеющий особое значение для термодинамики.

Цикл Карно осуществляется рабочим телом между двумя источниками тепла -горячим и холодным - следующим образом (рис.___).К рабочему телу, имеющему в начальной точке 1цикла температуру Т1 удельный объем v1 и давление p1, от горячего источника (его температуру обозначим Тгор.ист) подводится тепло; при этом Тгор.ист1. Рабочее. тело (газ) расширяется, совершая при этом работу (например,.перемещая поршень в цилиндре). При этом процесс подвода тепла к рабочему телу можно представить себе протекающим таким образом, что температура рабочего тела остается неизменной (т. е. уменьшение температуры газа при расширении компенсируется подводом тепла извне). Иными словами, осуществляется изотермический процесс Т1= const. После того как газ расширится до некоторого состояния (т. 2), подвод тепла к нему прекращается и дальнейшее расширение газа происходит без подвода тепла, по адиабате. В процессе адиабатного расширения температура газа уменьшается, поскольку притока энергии к газу извне нет и,

следовательно, работа производится только за счет внутренней энергии газа. После того как газ достигнет некоторого состояния 3 (температуру газа в этом состоянии обозначим Т2), процесс расширения с производством работы заканчивается, и рабочее тело начинает возвращаться в исходное состояние. За счет работы, отбираемой от какого-либо внешнего источника, осуществляется сжатие газа, в процессе которого от газа отводится тепло. Это тепло передается холодному источнику с температурой Тхол.ист2. Отвод тепла осуществляется таким образом, что температура газа в процессе сжатия поддерживается постоянной, т.е. сжатие идет по изотерме Т2=const. После того как состояние газа достигнет точки 4, лежащей на одной адиабате с исходной точкой цикла 1, отвод тепла прекращается. Дальнейшее сжатие газа продолжается по адиабате до тех пор, пока газ не возвратится в точку 1. Таким образом, цикл Карно состоит из двух изотерм и двух адиабат. Работа, производимая газом при расширении, изображается в рV-диаграмме площадью под линией 1-2-3; работа, затрачиваемая на сжатие газа, - площадью под линией 3-4-1; полезная работа, отдаваемая внешнему потребителю за цикл, изображается площадью 1-2-3-4-1. Напомним, что количество тепла, подводимого к рабочему телу от горячего источника, обозначается Qu а количество тепла, отдаваемого рабочим телом холодному источнику, Q2.

Расчет цикла холодильных машин


В изотермическом процессе 4-1 каждый килограмм циркулирующего холодильного агента получает от охлаждаемого тела теплоту q0, которая называется удельной массовой холодопроизводителъностью холодильного агента, выражается площадью.а-4-1-bи равенством:

В адиабатическом процессе 1- 2 при затрате работы lк холодильный агент сжимается и его температура повышается от Тндо Tос. В изотермическом процессе 2-3каждый килограмм циркулирующего холодильного агента отдает окружающей среде теплоту q, измеряемую площадью a-3-2-b:

q = Tоc(Sb - Sa).

В заключительном адиабатическом процессе 3-4холодильный агент расширяется с получением работы lр, в результате температура его понижается с То с до Тн.

Работа цикла l превращается в теплоту, подводимую к холодильному агенту, и определяется как разность работ: работы lк, затраченной на сжатие холодильного агента, и работы lр, полученной при его расширении:

l = l к- l р

В соответствии с первым началом термодинамики сумма энергии, подведенной к холодильному агенту, должна быть равна сумме энергии, отведенной от него:

q= q0 + l

Отсюда

l=q-q0.

В S-T -диаграмме работа цикла выражается площадью 1-2-3-4.

Отношение теплоты, полученной холодильным агентом от охлаждаемого тела q0, к работе цикла l называется холодильным коэффициентом, который характеризует эффективность осуществления холодильного цикла:

Холодильный коэффициент можно выразить и через температуры:

Из этого следует, что при температуре окружающей среды Т осзатраты работы на единицу отведенной теплоты будут тем больше, чем ниже температура Тн. Совокупность технических устройств, обеспечивающих осуществление холодильного цикла, называется холодильной машиной.

Обратимый цикл теплового насоса также может быть представлен циклом Карно в следующем рис. 5-6-7-8.

В этом случае теплота q0, полученная 1 кг холодильного агента от окружающей среды, соответствует площади c-8-5-d,а теплота qb, отданная телу с высокой температурой Тв, выражается площадью c-7-6-d.

Работа цикла l = q b- q 0 соответствует площади 5-6-7-8.

Эффективность цикла теплового насоса определяется отношением полученной теплоты к затраченной работе:

или через температуру:

Это отношение называется коэффициентом преобразования теплоты .

Как следует из этого выражения, величина всегда больше единицы. Это свидетельствует о том, что с энергетической точки зрения для отопления целесообразно применять цикл теплового насоса, а не электрический нагреватель. Но при этом надо учитывать, что стоимость холодильного оборудования выше, чем теплового.

Работа комбинированного обратного цикла соответствует площади 9-10-11-12, а отведенная от охлаждаемого тела теплота - площади е-12-9-f. По такому циклу могут работать машины, одновременно охлаждающие (например, пищевые продукты) и нагревающие (воду или воздух) для технологических либо бытовых целей.

В случаях, когда температура охлаждаемого тела переменна, а окружающей среды постоянна, надо иметь в виду, что холодильный коэффициент цикла Карно будет меньше, чем холодильный коэффициент соответствующего обратного цикла при неизменной температуре охлаждаемого тела.

Реальные циклы необратимы вследствие необратимости действительных процессов, происходящих при их осуществлении: теплообмена при конечной разности температур, расширения и сжатия при наличии трения, дросселирования.

Термодинамическое совершенствование цикла определяется сопоставлением его с обратимым циклом, имеющим ту же величину удельной массовой холодопроизводительности, и оценивается коэффициентом обратимости , равным отношению их холодильных коэффициентов:

,где

-холодильный коэф-нт, соответственно реального и обратимого циклов;

-работа соответственно реального и обратимого циклов.

Холодильный коэффициент обратимого цикла Карно больше холодильного коэффициента любого из циклов, осуществляемых в тех же температурных пределах, поэтому и . Чем больше необратимость (приращение энтропии) цикла, тем большую работу надо затратить для получения одного и того же полезного эффекта.


Холодильные агенты

Холодильные агенты - рабочие вещества холодильных машин, используемые для осуществления обратных термодинамических циклов.

Название холодильных агентов происходит от английского refrigerant. Их обозначают по международному стандарту ISO №817-74 буквой R с добавлением индивидуального для каждого вещества цифрового обозначения.

В качестве хладагентов наиболее широко используются хладоны, полученные на основе метана и этана. Аммиак, пропан, изобутан и т. д. в отличие от производных этих холодильных агентов в холодильной технике менее распространены. Их применение ограничивают токсичность и горючесть. Они используются в герметичном оборудовании с небольшой дозой зарядки хладагента, а также в некоторых типах промышленных холодильников.

Широкое применение находят смеси хладонов, поэтому общее число известных хладагентов насчитывает несколько десятков наименований.

Основные свойства холодильных агентов

Холодильные агенты должны удовлетворять совокупности требований, определяющих их пригодность для использования в холодильных машинах. Различают термодинамические, физико-химические, физиологические свойства и экономические показатели.

Термодинамические свойства

Термодинамические свойства включают в себя возможность получения в испарителе холодильной машины низкой температуры кипения (а следовательно, и низкой температуры воздуха в охлаждаемом объеме) при давлении не ниже атмосферного. Помимо этого, холодильный агент должен иметь приемлемое давление конденсации (обычно до 2 МПа), что понижает требования к прочности конструктивных элементов холодильной машины.

Холодильный агент должен иметь высокую удельную объемную хо-лодопроизводительность ( кДж/м3), что уменьшает размеры компрессора, низкую температуру замерзания, высокое положение критической точки и др.

Физико-химические свойства

Физико-химические свойства включают в себя следующие основные параметры: плотность и вязкость холодильного агента должны быть небольшими, что обеспечивает минимум энергетических затрат на перемещение холодильного агента по трубопроводам холодильной машины.

Коэффициенты теплопроводности и теплоотдачи должны быть по возможности высоки, что улучшает теплообмен в теплообменных аппаратах.

Масло в холодильном агенте

В холодильных установках используют масла нефтяного происхождения - минеральные (М) и синтетические (С). В качестве синтетических масел используют жидкости различных классов. К ним относят кремнийорганические, фторорганические, полиэфиры, полигликоли и другие жидкости. Используют также загущенные минеральные масла (МЗ), смеси минеральных масел с синтетическими (МС) и масла, синтезированные из углеводородов (СУ).

К компрессорным маслам для холодильных машин предъявляют специфические требования, обусловленные непрерывным контактом смазывающего материала с хладагентом, а также постоянным изменением температуры и давления среды. Для компрессоров холодильных машин рекомендуют применять синтетические и минеральные масла с достаточно низкой температурой застывания и высокой химической стабильностью.

Важнейшими эксплуатационными характеристиками холодильных масел являются их способность к взаимному растворению с хладонами, а также температура, при которой из раствора выпадают хлопья парафина. При эксплуатации необходимо также учитывать возможную агрессивность смесей хладагента с маслом по отношению к металлам и другим материалам, применяемым в холодильных машинах.

В отечественном холодильном оборудовании наиболее употребительными маслами являются: ХА-30, ХФ12-16 и ХФ22-24, ХС-40.

Масло ХА-30 предназначено для компрессоров, работающих на аммиаке и углекислоте.

Масла ХФ12-16, ХФ22с-16 и ХФ22-24 предназначены для компрессоров, работающих на хладоне.

Масло ХС-40 предназначено для компрессоров холодильных машин всех типов, работающих в диапазоне температур -50...+150 °С.

Для низкотемпературных холодильных машин применяют масла отечественного производства ХФ22-24, ХСН40, ПФГОС-4.

Для смазки винтовых компрессоров применяют масла ХМ35, ХС40, ПТМС-5, для центробежных компрессоров - турбинные КП8, 30, 40 и холодильные ХАЗО, ХМ35, ХМ50, ХС40.

Вращающиеся части компрессора холодильной машины нуждаются в смазке. Поэтому наличие масла в холодильной машине является неизбежным условием ее нормальной эксплуатации.

Пар холодильного агента, выходящий из компрессора, всегда содержит масло. Масло увлекается парами холодильного агента в капельной форме и в виде пара. При движении холодильного агента с маслом оно достигает вначале конденсатора, а затем и испарителя. Влияние, которое масло оказывает на работу теплообменных аппаратов, зависит от взаимной растворимости холодильного агента и масла. Так, жидкий аммиак в малой степени растворяется в минеральных маслах, а его плотность (= 650 кг/м3) меньше плотности смазочных масел (= 900 кг/м3). По этой причине в аппаратах аммиачных холодильных машин масло располагается в самой нижней зоне аппарата.

В хладоновых теплообменных аппаратах при условии ограниченной растворимости масла слой масла (= 900 кг/м3) располагается над слоем хладона (= 1200-1400 кг/м3).

Наличие масла в конденсаторе приводит к повышению температуры конденсации, а в испарителе - к понижению температуры кипения. Масло образует на внутренней поверхности теплообменного аппарата пленку, которая создает дополнительное термическое сопротивление теплообмену.

Возврат масла из испарителя в компрессор в хладоновых холодильных машинах является специфической частью выполнения монтажной схемы.

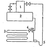
Проще всего этого достигают подачей холодильного агента в верхнюю часть испарителя. При этом испаритель располагают выше компрессора. Уклон трубопроводов в сторону компрессора должен составлять порядка 1-2%. Если компрессор расположен выше испарителя, возврат масла обеспечивается посредством маслоподъемной петли (рис.3).

Рис. 3 Возврат масла в картер компрессора при расположении компрессора выше испарителя 1-компрессор, 2-конденсатор, 3 -испаритель,4-ТРВ, 5-маслоподъемная петля

Масло в петле накапливается и при достаточном его количестве за счет разности давлений в испарителе и компрессоре поднимается, достигая компрессора.Высота подъема масла должна составлять не более 3 м.Количество масло в холодильной машине обычно составляет порядка 5% от количества циркулирующего в час хладона, в малых герметичных холодильных машинах - 1,5%.

Влага в холодильном агенте

Влага попадает в холодильную машину из воздуха при выполнении монтажных работ. Она может находиться в холодильном агрегате и трубопроводах при отсутствии тщательной сушки всех элементов холодильной машины. Неосушенная холодильная машина может содержать влагу, которая способна вызвать нарушения в ее работе.

Растворимость воды в холодильном агенте зависит от индивидуальных свойств холодильного агента. Аммиак имеет большое химическое сродство к воде. Его растворение в воде считают неограниченным. Хладоны практически все не растворяют в себе влагу. Малая растворимость влаги в холодильном агенте приводит к ее замерзанию в конструктивных элементах, и прежде всего в дросселирующих устройствах (капиллярной трубке, терморегулирующем вентиле - ТРВ).

Растворимость воды в хладонах зависит от температуры. Например, растворимость воды в R22, выраженная в процентах к весу холодильного агента, составляет соответственно: при +35 °С - 0,169; 0 °С - 0,0596; -20 °С - 0,0282; -30 "С - 0,0186; -40 °С - 0,012. Это значит, что при -30 °С в 1 кг жидкого холодильного агента может содержаться до 186 мг воды. При наличии влаги в холодильном агенте образуются кислоты, которые могут разрушать металлические части холодильной машины, в том числе разрушать обмотку электродвигателя герметичных компрессоров. Основой образования кислот является попадание припоя внутрь трубопроводов, по которым перемещается холодильный агент. Наличие влаги в холодильном агенте определяет необходимость применения адсорбентов, поглощающих влагу.
Рис.4 Фильтр-осушитель ФО-60 1 -заглушка, 2 -гайка накидная, 3 -цеолит, 4 -распределитель потока, 5 -пружина, 6- крышка, 7- кожух   Как правило, вещества, поглощающие влагу, помещаются в устройство, которое наряду с поглощением влаги выполняет функцию очистки холодильного агента от грязи, окалины. Эти устройства называют фильтрами -осушителями. Один из фильтров-осушителей представлен на рис.4.  

Адсорбенты

Адсорбенты подразделяют на силикагели и цеолиты. Функция адсорбентов - очистка холодильного агента от влаги и от кислот.

Силикагели

В зависимости от гранулометрического состава и характера пористой структуры силикагели обозначают тремя буквами: первая буква характеризует размер гранул, последняя - размер пор. Так, крупный силикагель мелкопористый обозначают КСМ, мелкий силикагель среднепористый - МСС, мелкий силикагель мелкопористый - МСМ. Средние фракции называют «шихта» и соответственно обозначают ШСК, ШСС, ШСМ.

Синтетические цеолиты

Адсорбционное пространство цеолитов образовано пустотами. В основу классификации цеолитов положено двузначное обозначение: вначале указывается катион, вводимый в решетку цеолита (К, Na, Ca), a затем тип кристаллической решетки цеолита (А или X). Если калиевая, магниевая или иные формы цеолита получены из натриевой и катионный обмен произведен не полностью, цеолит обозначают KNaA, MgNaA и т. д. Цеолит NaA-2MШ применяют для домашних холодильников.

Следует отметить, что цеолит NaA-2MШ разлагает хладон R22 и может применяться только в среде хладона R12. Чтобы исключить это явление, используют синтетические цеолиты: 4АХН, 4АХН-2, 4АХН-24.

В малых холодильных машинах в качестве адсорбентов применяют минеральный гранулированный силикагель КСМ (ГОСТ 3956-64), синтетические цеолиты NaA-2MШ и NaA-2KT. Силикагель КСМ имеет малую механическую прочность. Цеолиты NaA-2MШ и NaA-2KT производятся в виде таблеток или чаще шариков. Сохранение высокой поглощательной способности цеолита при высокой температуре (60 °С) позволяет устанавливать фильтры-осушители на стороне нагнетания. При помощи цеолита NaA-2KT хладон R12 можно осушить до содержания воды (2-3) 10-4 %.

Цеолит NaA-2KT кроме поглощения влаги способен нейтрализовать продукты окисления.

Воздух в холодильном агенте

В холодильной машине вместе с холодильным агентом может находиться воздух. Это относится преимущественно к холодильным машинам с компрессорами открытого типа и полугерметичным. Воздух в холодильную машину с компрессором открытого типа может попасть при ремонте компрессора и в том случае, если давление холодильного агента на всасывании ниже атмосферного. В этом случае возможно проникновение воздуха в компрессор через сальниковое уплотнение. В соответствии с законом Дальтона давление смеси равно сумме парциальных давлений ее компонентов, т.е.

Р см= Р ха + Р возд.

Повышения давления в конденсаторе приводит к возрастанию температуры конденсации, уменьшению удельной холодопроизводительности холодильного агента. Результатом присутствия воздуха в холодильной машине является возрастание энергетических затрат на получение холода и нарушение температурного режима работы холодильной машины.

Экономические требования

Холодильный агент должен быть достаточно дешевым. Выбор холодильного агента определяется совокупностью всех перечисленных качеств и целевого использования холодильной машины.

Физиологические и экологические требования

Холодильный агент должен быть нетоксичным, взрыво- и пожаробезопасным. Он не должен влиять на экологию и прежде всего не вызывать разрушения озонового слоя Земли и не приводить к возникновению парникового эффекта. Основные требования безопасности с холодильными агентами отражены в ГОСТ Р 12.2.142-99 (ИСО 5149-93).

Обозначения хладагентов и их смесей

В качестве первого хладагента использовалась вода, поскольку с 1755 г. она служила «для получения фригорий (отрицательных калорий)» в лабораторной установке, которую создал Уильям Гуллен (William Gullen). Позднее, в 1834 г., Якоб Перкинс (Jacob Perkins) изготовил компрессионную машину, работавшую на диэтиловом эфире, а в 1844 г. Джон Горри (John Gorrie) - машину со сжатием и расширением воздуха. В 1859 г. Фердинанд Карри (Ferdinand Carre) создал абсорбционную холодильную машину, использующую в качестве холодильного агента аммиак, а 4 года спустя Чарлз Теллир (Charles Tellir) запустил компрессор, работающий на метиловом эфире. Были опробованы еще хладагенты: углекислый газ (С02) и двуокись серы (S02). Из перечисленных хладагентов аммиак стал использоваться не только для адсорбционных холодильных машин, но и для компрессионных.

Этих три последних хладагента, а именно аммиак (R717), углекислый газ (R744) и двуокись серы (R764), оставались наиболее распространенными вплоть до 1930 г. Но после внедрения в 1930 г. в США новой категории хладагентов - хлорфторуглеродов, хорошо известных под аббревиатурой CFC, все ранее упоминавшиеся хладагенты, за исключением аммиака, почти полностью исчезли. Однако начиная с 1980 г. ученые стали подавать тревожные сигналы, привлекая внимание общественности к вредному воздействию CFC на окружающую среду. Поэтому производители начали разработку менее вредных для экологии планеты хладагентов, некоторые из которых уже появились на рынке. Эти хладагенты, заменяющие группу CFC, принадлежат главным образом к двум категориям химических соединений - фторхлор-содержащим углеводородам (HCFC) и фторуглеводородам (HFC).

Хотя число широко используемых хладагентов было сокращено, их номенклатура остается еще достаточно многочисленной. Чтобы обеспечить их обозначение, была введена система буквенно-цифровых индексов. Эта система установлена для всех химических соединений, состав которых не всегда в точности совпадает с описанными выше категориями CFC, HCFC или HFC (ГОСТ 29265-91 (ISO 817-74). Хладагенты органические (Хладоны). Цифровые обозначения.

Предельные углеводороды, их галогенные производные

Они обозначаются буквой R с тремя цифрами после нее, т.е. Rcdu, где:

• с (сотни) равно числу атомов углерода, уменьшенному на единицу;

• d (десятки) равно числу атомов водорода, увеличенному на единицу;

• и (единицы) равно числу атомов фтора.

Для определения химической формулы соединения ее состав дополняют хлором т.о, чтобы полное число одновалентных атомов, т. е. атомов водорода, фтора и хлора, вместе взятых, было равно 4 для производных метана, 6 - для производных этана, 8 - для производных пропана и т. д.

Изомеры производных этана имеют один и тот же цифровой индекс, и то, что данный изомер является полностью симметричным, указывается его индексом без каких-либо уточнений. По мере возрастания значительной асимметрии к цифровому индексу соответствующего изомера прибавляется буква а, при еще большей асимметрии она заменяется буквой b, затем с. Например, R134a или R142b и т. п.

Непредельные углеводороды и их галогенные производные

Способ цифрового обозначения тот же самый, что и в предыдущем случае, но слева после буквы добавляется 1 для обозначения тысяч (например, R1150).

Циклические углеводороды и их производные

Для хладагентов на основе циклических углеводородов и их производных после буквы R перед цифровым индексом включают букву С (например, RC270).

Различные органические соединения

Им присвоена серия 600, а номер каждого хладагента внутри этой серии назначается произвольно (например, метиламин имеет номер 30, следовательно, его обозначение запишется как R630).

Различные неорганические соединения

Им присвоена серия 700, а идентификационный номер хладагентов, принадлежащих к этой серии, определяется как сумма числа 700 и молекулярной массы каждого хладагента. Например, для аммиака, химическая формула которого NH3, имеем 1•14(N)+3•1(НЗ)+700= = 717; таким образом, обозначение NH3 записывается как R717.

Смеси хладагентов

Смеси хладагентов обозначаются согласно международному стандарту ISO № 817-74.

В ряде стран действуют национальные стандарты на обозначение хладагентов, учитывающие основные положения международного стандарта.

В Германии в ноябре 1998 г. был принят стандарт DIN 8960 по обозначению хладагентов. Смеси обозначают номерами входящих в смесь хладагентов (в порядке возрастания температур кипения), разделенными дробной чертой, с указанием в скобках массовых долей в процентах, а также условно принятыми номерами рядов 400, 500.

Неазеотропные смеси

Для обозначения неазеотропных смесей используется цифровой ряд 400 с произвольным номером для каждого хладагента внутри этой серии. У неазеотропных холодильных смесей (ряд 400) температура смеcи в процессе кипения возрастает до значения to1 - так называемый температурный гистерезис, или скольжение. В состоянии термодинамического равновесия пар и жидкость имеют различный состав, первым начинает испаряться более летучий компонент, что изменяет характеристики остающейся смеси.

Смеси, которые содержат одинаковые исходные компоненты, но различаются их массовыми соотношениями, обозначаются заглавной буквой, стоящей после цифрового обозначения. Для обозначения органических соединений, не попавших в эти ряды, предназначен ряд 600, при этом нумерация соединений задается произвольно, напр-р R600.

Азеотропные смеси

Им присвоена серия 500 также с произвольным номером каждого хладагента внутри этой серии. Например, типичной азеотропной смесью является хладагент R502, состоящий из 48,8% R22 и 51,2% R115. Особое обозначение имеют хладагенты на основе предельных углеводородов, содержащих бром. Им присвоено двойное обозначение, начинающееся либо с буквы R и имеющее в своем составе букву В, как рассмотрено ранее (например, R13B1), либо с буквы Н, за которой следуют те же цифры 1 и 3, но далее к ним добавляются еще две цифры, первая из которых указывает число атомов хлора, а вторая - число атомов брома. Например, трифторбромметан (CF3Br), у которого число атомов хлора равно 0, а атомов брома - 1, может обозначаться либо R13B1, либо Н1301.

Современные тенденции в обозначении холодильных агентов

В настоящее время появилась тенденция при обозначении хладагента предварять цифровой индекс не буквами R или Н, а аббревиатурой, уточняющей воздействие на окружающую среду. Например, предлагаются обозначения:

CFC12 для хладагента R12, относящегося к категории CFC, в которую входят чрезвычайно вредные для окружающей среды хладагенты, поскольку их молекулы содержат атомы хлора (в CFC12 два атома хлора, его формула CF2C12);

HCFC142b для R142b, относящегося к категории HCFC, состоящей из хладагентов средней или слабой вредности для окружающей среды, так как их молекулы содержат меньше, чем CFC, атомов хлора, поскольку часть их замещена атомами водорода (формула HCFC142b CH3-CC1F2);

HFC 134а для R134a, относящегося к категории HFC, состоящего из хладагентов, безвредных для окружающей среды, поскольку все атомы хлора в их молекулах замещены атомами водорода (формула HFC134a CH2F-CF3).

Фирменные обозначения отдельных холодильных агентов

Каждый производитель хладагентов выпускает в продажу свою продукцию под собственным наименованием, например:

Du Pont de Nemour имеет торговую марку Фреон (Freon) или Сува (Suva);

ElfAtochem — торговую марку Форан (Foran);

Solvay — торговую марку Кальтрон (Kaltron);

ICI — торговую марку Клеа (Klea);

Daikin Kogyo — торговую марку Дайфлон (Daiflon) и т. д.

Поэтому R22 может поступать на рынок под марками Фреон-22, Форан-22 и т. д., R134a - под марками Клеа134а, Сува134а и т. д.

Основные типы фторуглеводородных хладагентов

Хлорфторуглероды (ХФУ)

Хладагенты этого типа включают R11, R12, R13, R113, R500, R502 и R503. Они обладают высоким показателем разрушения озонового слоя (ODP) относительно фтортрихлорметана (R11) и потенциалом глобального потепления относительно двуокиси углерода на расчетный период 100 лет (GWP100).

К началу 1970-х гг. мировой рынок хлорфторуглеводородов (ХФУ) достиг огромных размеров. Исследования, проведенные в это время, показали, что некоторые из этих композиций необычайно долговечны в силу своей химической стабильности и могут существовать в атмосфере без разрушения в течение десятков лет, достигая стратосферы. Кроме того, многие из этих соединений содержат атомы хлора, которые вступают во взаимодействие с озоном при разрушении молекулы ХФУ в верхних слоях атмосферы. Стратосферный озон поглощает большую часть солнечных ультрафиолетовых лучей. Разрушение озонового слоя увеличивает уровень ультрафиолетовой радиации на Земле, что может приводить к раковым заболеваниям у людей и животных, а также гибели растений.

Гидрохлорфгоруглероды (ГХФУ)

Композиции этого типа содержат атомы водорода. Это приводит к более короткому времени существования этих хладагентов в атмосфере по сравнению с ХФУ. Как результат ГХФУ оказывают гораздо меньшее влияние на истощение озонового слоя. Многие продукты, предлагаемые сейчас в качестве альтернативных для замены ХФУ, содержат в своем составе ГХФУ, как, например, R22.

Гидрофгоруглероды (ГФУ )

ГФУ не содержат хлора, а содержат только водород и фтор. Они не разрушают озоновый слой и имеют короткий период жизни в атмосфере. ГФУ считаются долгосрочными альтернативными заменителями. ХФУ и ГХФУ для большинства холодильных систем, например R134а или R404а.

Требования Монреальского протокола к холодильным агентам

Монреальский протокол опирается на две численные характеристики каждого из хладонов - потенциал разрушения озонового слоя (ODP) и потенциал глобального потепления (GWP).

Потенциал разрушения озонового слоя (ODP) хладона показывает, насколько сильнее или слабее это соединение разрушает озон по сравнению с таким же количеством хладона R11.

Появление второй характеристики - GWP связано с наблюдаемым за последнее десятилетие усилением парникового эффекта. В справочной литературе его указывают относительно диоксида углерода с принятым для него временным рубежом 100 лет.

В 1987 г. в Монреале всеми индустриально развитыми государствами был подписан международный протокол о постепенном сокращении, а затем и полном прекращении выпуска озоноопасных хладагентов. Но проблема продолжала обостряться, и в ноябре 1992 г. в Копенгагене на очередной встрече стран - участниц Монреальского протокола была принята более жесткая редакция этого документа. В настоящий момент установлены следующие сроки запрета производства и применения озоноразрушающих хладагентов:

R11, R12, R502 - полное прекращение производства 1 января 1996 г. На 1 января 1994 г. выпуск этих соединений составлял в соответствии с Монреальским протоколом только 25% от уровня 1989 г.

R22 - отнесен к группе соединений, имеющих меньшую экологическую опасность. Первое сокращение производства этих соединений должно начаться в 2004 г., а полностью они исчезнут с рынка в 2030 г.

Монреальский протокол наложил жесткие экономические ограничения не только на производство и применение ХФУ, но и на торговлю, экспорт и импорт любой холодильной техники, содержащей ХФУ.

Кроме Монреальского протокола мощным движущим фактором отказа от озоноразрушающих хладагентов является внутреннее регулирование, введенное в ряде государств. Так, в странах ЕС прекращение производства ХФУ произошло 1 января 1995 г. В ряде стран, например в США, потребитель ХФУ вынужден при покупке этих продуктов заплатить государственный налог, который превышает стоимость самого хладона. Аналогичные меры введены в Чехии.

Советский Союз подписал Монреальский протокол в 1987 г. В 1991 г. Россия, Украина и Беларусь подтвердили свою правопреемственность этому решению.

 




Поделиться с друзьями:


Дата добавления: 2013-12-12; Просмотров: 1498; Нарушение авторских прав?; Мы поможем в написании вашей работы!


Нам важно ваше мнение! Был ли полезен опубликованный материал? Да | Нет



studopedia.su - Студопедия (2013 - 2026) год. Все материалы представленные на сайте исключительно с целью ознакомления читателями и не преследуют коммерческих целей или нарушение авторских прав! Последнее добавление




Генерация страницы за: 0.013 сек.