Студопедия

КАТЕГОРИИ:


Архитектура-(3434)Астрономия-(809)Биология-(7483)Биотехнологии-(1457)Военное дело-(14632)Высокие технологии-(1363)География-(913)Геология-(1438)Государство-(451)Демография-(1065)Дом-(47672)Журналистика и СМИ-(912)Изобретательство-(14524)Иностранные языки-(4268)Информатика-(17799)Искусство-(1338)История-(13644)Компьютеры-(11121)Косметика-(55)Кулинария-(373)Культура-(8427)Лингвистика-(374)Литература-(1642)Маркетинг-(23702)Математика-(16968)Машиностроение-(1700)Медицина-(12668)Менеджмент-(24684)Механика-(15423)Науковедение-(506)Образование-(11852)Охрана труда-(3308)Педагогика-(5571)Полиграфия-(1312)Политика-(7869)Право-(5454)Приборостроение-(1369)Программирование-(2801)Производство-(97182)Промышленность-(8706)Психология-(18388)Религия-(3217)Связь-(10668)Сельское хозяйство-(299)Социология-(6455)Спорт-(42831)Строительство-(4793)Торговля-(5050)Транспорт-(2929)Туризм-(1568)Физика-(3942)Философия-(17015)Финансы-(26596)Химия-(22929)Экология-(12095)Экономика-(9961)Электроника-(8441)Электротехника-(4623)Энергетика-(12629)Юриспруденция-(1492)Ядерная техника-(1748)

Тема № 5. Неразрушающие методы контроля тепловыми ПИП. Расчет теплокондуктометрического ПИП с использованием свойств аналогии потенциальных полей

 

Тепловые ПИП подразделяются на теплокондуктометрические, термоэлектрические (термопары) и термометры сопротивления.

Теплокондуктометрические ПИП используются для измерения температуры вакуума и концентрации газов в бинарных смесях.

Данные ПИП преобразуют измеряемую неэлектрическую величину в тепловую проводимость. Тепловой проводимостью между двумя телами называют отношение мощности теплового потока к разности температур между горячим и холодным телами.

. (1)

где Фm – тепловой поток (Вт),

[] = ,

[] = .

Для простейшей конструкции преобразователя в виде 2 пластин (без учета краевого эффекта) тепловая проводимость определяется по формуле:

, (2)

где =2,38*10-2 – абсолютное значение теплопроводности воздуха при 0˚C,

- расстояние между пластинами,

- площадь пластин,

- относительная удельная теплопроводность вещества.

Теплопроводность газовых смесей есть среднеарифметическое удельных теплопроводностей компонент:

(3)

где a и b – процентное содержание компонент смеси.

Если необходимо определить процентное содержание газа, имеющего удельную теплопроводность λ, смешанного с другим газом, то

. (4)

Теплокондуктометрический преобразователь представляет собой трубку с термостатическими стенками, через которую пропускается анализируемый газ. Внутри помещена микропроволока из вольфрама или платины, к которой приложено постоянное U. Температура будет зависеть от теплоты, выделенной в результате эффекта Джоуля и теплоты, рассеиваемой путем излучения, конвекции и теплопроводности. Экспериментально условия обычно выбирают такие, чтобы потери, связанные с теплопроводностью газа, были наиболее значимыми. То есть температура микропроволоки, а значит и её сопротивление будут зависеть от состава газа, т.е. выходной величиной ПИП является сопротивление.

Так как мощность, необходимая для нагрева микропроволоки

, (5)

то из условия теплового баланса тепловой поток Фm = P, таким образом R, найденное из выражения (5) с учетом (1)

. (6)

 

Расчет тепловой проводимости

 

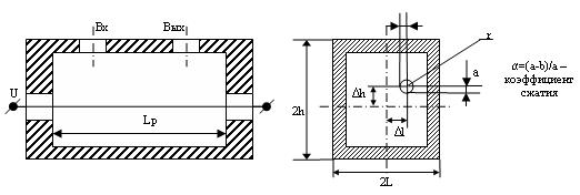
Недостаток существующих преобразователей круглого сечения в том, что нагретый воздух поднимается вверх проволоки, а холодный вниз от микропроволоки. Т.к. конвекция носит случайный характер, то скорость перемещения будет различна, что приводит к дополнительным погрешностям. От данного недостатка свободен преобразователь с прямоугольным сечением, представленный на рисунке 1.

Рисунок 1 – Схема ПИП

Для данного преобразователя тепловая проводимость находится по формуле:

, (7)

где - длина нити накала, r – радиус проволоки.

Относительная погрешность формулы при и составляет 0,2%.

Тогда относительное изменение теплопроводности, вызванное изменением геометрических размеров l и Lp от колебаний температуры, примет вид:

, (8)

, (9)

где – температурный коэффициент линейного расширения материала корпуса ПИП.

Относительное изменение удельной теплопроводности, вызванное другими факторами имеет вид:

, (10)

, (11)

, (12)

. (13)

 

Расчет номинальной статической характеристики ПИП

 

Обозначим значение разности температуры, сопротивления проволоки и теплопроводности преобразователя при концентрации газа a=0 через следующие величины ΔT0, R0, Gm0.

Если a>0 и λ12, то температура проволоки уменьшится на величину Δt, и в результате:

ΔT= ΔT0-Δt, (14)

R=R0-ΔR=R0(1-βΔt). (15)

Тогда выражения (7) и (6) с учетом выражения (4) примут вид:

, (16)

, (17)

, (18)

где – удельное сопротивление проволоки.

Так как:

, (19)

Фm=GmΔT, (20)

то с учетом выражений (14) и (16):

, (21)

где

. (22)

Приравнивая правые части выражений (19) и (21), и с учетом (22) найдем

. (23)

Номинальная статитическая характеристика ПИП, найденная на основании выражения (15) и с учетом выражений (18) и (23) примет вид:

- уравнение прямой линии (24)

где

=R0,

=ΔR – определяет угол наклона прямой к оси абсцисс, т.е. выражает абсолютную чувствительность ПИП.

 

Расчет относительной чувствительности преобразователя

 

В общем виде относительная чувствительность определяется на основании (24) и с учетом того, что , имеет следующий приближенный вид:

. (25)

Как следует из (25), относительная чувствительность преобразователя пропорциональна концентрации а. Отрицательное значение относительной чувствительности показывает, что увеличение концентрации измеряемого газа (при l1>l2) вызывает уменьшение сопротивления преобразователя.

 

Выявление и классификация составляющих результирующей погрешности прибора

 

Из (24) следует, что погрешность преобразователя складывается из погрешности нуля, определяемой составляющими погрешностями от изменения величин, входящих в первое слагаемое, и погрешности чувствительности, обусловленной изменениями величин, входящих во второе слагаемое.

Т.к. газоанализаторы обычно являются узкопредельными и невысокого класса точности, поэтому погрешностью чувствительности можно пренебречь. Тогда, как следует из (24), результирующая погрешность прибора будет складываться из составляющих погрешностей нуля, обусловленных изменением следующих влияющих величин: начальной тепловой проводимости Gm0, питающего напряжения U и разностью температур 0 между микропроволокой и корпусом.

Относительные погрешности gl, gLp, gDl, gDh, ga, g r, gl2, связаны с изменением начальной тепловой проводимости Gm0,обусловлены изменением температуры окружающей среды от номинального значения t0 на величину Dt, параметров l и Lp, перемещением микропроволоки на величины Dl, Dh, наличием сжатия a сечения микропроволоки, изменениями радиуса r микропроволоки на величину Dr и удельной теплопроводности l2 на величину Dl2 соответственно.

Оставшиеся относительные погрешности gu, gDT, gR обусловлены изменением питающего напряжения U и параметра DT0 на величины DU и Dt0, а также неточностью измерения сопротивления R соответственно.

 

Составление и анализ уравнения погрешностей прибора

 

Так как погрешности gDT, gl, gLр вызваны изменением температуры окружающей среды, т.е. одной причиной, то они складываются алгебраически

(26)

Оставшиеся погрешности примем приближенно случайными, распределенными по нормальному закону и равными по величине. Тогда приведенная результирующая погрешность g прибора

,

Отсюда

, (27)

где

. (28)

 

Определение составляющих результирующей погрешности прибора

 

Составляющие результирующей погрешности прибора определяются по формулам на основании (8)-(13), (24)-(26) и имеют вид:

; (29)

; (30)

; (31)

; (32)

; (33)

; (34)

; (35)

. (36)

 

Определение конструктивно-технологических параметров

преобразователя и выбор измерителя сопротивления

 

Температура микропроволоки и, следовательно, ее сопротивление зависят от излучения, конвекции и теплопроводности. Изменение первых двух влияющих величин приводит к погрешности измерения. Так как мощность, излучаемая микропроволокой, быстро уменьшается с понижением ее температуры, то температуру нагревательного элемента выбирают не более 200° С. В практических расчетах передачи тепла Q конвекцией пользуются обычно формулой Ньютона

,

где

x – коэффициент теплоотдачи;

F – поверхность микропроволоки, омываемая газообразной средой;

Т 1 2 – температура микропроволоки и окружающей среды соответственно.

Как следует из приведенной формулы, потери на конвекцию можно уменьшить путем уменьшения поверхности микропроволоки F и коэффициента теплоотдачи x. Известно, что при постоянной площади сечения цилиндрического тела наименьшей поверхностью обладает тело с круглым сечением. Поэтому микропроволоку выбирают с круглой формой сечения и наименьшим значением диаметра, составляющим не более 20 мкм. Величина коэффициента теплоотдачи x в значительной степени зависит от скорости протекания газа через камеру. Чем меньше скорость газа, тем меньше x. Однако, уменьшение x имеет свои границы, так как при этом увеличивается инерция преобразователя, т.е. время, необходимое для установления теплового равновесия проволоки, а следовательно, и время между моментом подачи газа и моментом, в который можно сделать отсчет измеряемой величины по указателю. Поэтому скорость газа приходится выбирать с учетом инерции преобразователя. Стремясь уменьшить зависимость показаний от скорости, обычно мирятся с инерцией, исчисляемой минутами.

С другой стороны, надо считаться с тем, что давление в месте отбора газа в преобразователь может и не быть постоянным, вследствие чего скорость газа в камере может изменяться. Весьма желательно, чтобы некоторое изменение скорости протекания газа через камеру не вызывало погрешности в показаниях прибора.

Опытом установлено, что целесообразно выбирать диаметр канала 5 – 7 мм или расстояние 21, равное 5-7 мм.

Чтобы тепловое равновесие микропроволоки в камере, через которую протекает измеряемая газовая смесь, определялось в основном ее теплопроводностью, необходимо уменьшать потери через теплопроводность. Потерями через теплопроводность проволоки можно пренебречь, если выбрать рабочую длину Lp проволоки 50 – 60 мм.

Итак, основные размеры преобразователя с учетом рекомендаций, изложенных в разделе, определяются из соотношений:

(37)

(38)

. (39)

Допустимые отклонения влияющих величин определяются путем приравнивания правых и левых частей уравнений (28) и (29) - (36):

; (40)

; (41)

; (42)

; (43)

; (44)

; (45)

; (46)

. (47)

 

1,2 – измерительный и компенсационный преобразователи

3 – показывающий прибор

 

Рисунок 2 – Схема измерительной цепи преобразователя

 

Обычно измерение сопротивления теплокондуктометрического преобразователя осуществляется мостом постоянного тока (рисунок 2). В этом случае для улучшения метрологических характеристик преобразователя в смежное плечо моста включается компенсационный преобразователь с нулевой концентрацией измеряемого газа и герметичным корпусом. В результате в формуле (40) Dt0 будет характеризовать разность температур Dt01=DT01-DT02 преобразователей 1 и 2 (за счет разных температур газов в камерах) и уравнение (3.40) записывается так:

. (48)

 

Так как при этом будет, измеряться не сопротивление R, а его приращение DR, то из (23) нетрудно найти, что относительные погрешности и от изменения питающего напряжения U на величину DU и неточности измерения приращения сопротивления DR определятся по формулам:

; (49)

, (50)

где DDR – абсолютная погрешность измерения сопротивления DR.

В результате (46) и (47) примут вид:

; (51)

, (52)

Компенсационный преобразователь является герметичным и находится в идеализированных условиях, поэтому для него изменением остальных влияющих величин можно пренебречь и при расчете пользоваться формулами (41) – (45).

 

На основании материала, изложенного в настоящем разделе, можно сформулировать следующую методику проектирования газоанализатора бинарных сред:

1. выбираются схемы преобразователя и измерительной цепи;

2. из соотношений (37) – (39) определяются параметры r, l, h, Lp, и DT0;

3. выбираются материалы корпуса и микропроволоки, по справочнику находятся коэффициенты b1, b, r, а по формуле (18) вычисляется начальное сопротивление R0;

4. по формуле (17) находится , из (18) – U, а с помощью (23) - значение DR;

5. на основании формулы (25) и уравнений (41) - (45), (48), (51) находятся относительная чувствительность S и допустимые отклонения влияющих величин соответственно;

6. из уравнения (52) определяется приведенная погрешность измерения изменения DR.

 

Пример. Выполним расчет и проектирование прибора для измерения концентрации водорода в воздухе. Диапазон измерения a=0 – 3%, приведенная погрешность g =3% (абсолютная погрешность 0,09%).

Согласно вышеизложенной методике, выбираем схемы преобразователя и измерительной цепи. Из соотношений (37) - (39) определяем параметры:

r =5 мкм; l =2,5 мм: h =5 мм; Lp =60 мм: DT0 = 180°C.

Корпус преобразователя выбираем из латуни с ТКЛР

, микропроволоку – из платины с температурным коэффициентом сопротивления и с удельным электрическим сопротивлением. По формуле (18) находим начальное сопротивление Ом.

По формулам (17), (18) и (23) находим:

;

;

Ом

На основании (25) и (41) – (45), (48), (51) находим:

;

;

;

;

;

;

;

.

Из уравнения (52) определяем приведенную погрешность измерения сопротивления DR

.

Приведенные расчеты показывают, что наиболее жесткие условия предъявляются к стабильности радиуса r микропроволоки, удельной теплопроводности l2 воздуха и разности температур Dt1 между измерительным и компенсационным преобразователями.


<== предыдущая лекция | следующая лекция ==>
 | Тема № 6. Неразрушающие методы и средства контроля на основе пьезоэлектрических ПИП
Поделиться с друзьями:


Дата добавления: 2013-12-11; Просмотров: 449; Нарушение авторских прав?; Мы поможем в написании вашей работы!


Нам важно ваше мнение! Был ли полезен опубликованный материал? Да | Нет



studopedia.su - Студопедия (2013 - 2025) год. Все материалы представленные на сайте исключительно с целью ознакомления читателями и не преследуют коммерческих целей или нарушение авторских прав! Последнее добавление




Генерация страницы за: 0.008 сек.