Студопедия

КАТЕГОРИИ:


Архитектура-(3434)Астрономия-(809)Биология-(7483)Биотехнологии-(1457)Военное дело-(14632)Высокие технологии-(1363)География-(913)Геология-(1438)Государство-(451)Демография-(1065)Дом-(47672)Журналистика и СМИ-(912)Изобретательство-(14524)Иностранные языки-(4268)Информатика-(17799)Искусство-(1338)История-(13644)Компьютеры-(11121)Косметика-(55)Кулинария-(373)Культура-(8427)Лингвистика-(374)Литература-(1642)Маркетинг-(23702)Математика-(16968)Машиностроение-(1700)Медицина-(12668)Менеджмент-(24684)Механика-(15423)Науковедение-(506)Образование-(11852)Охрана труда-(3308)Педагогика-(5571)Полиграфия-(1312)Политика-(7869)Право-(5454)Приборостроение-(1369)Программирование-(2801)Производство-(97182)Промышленность-(8706)Психология-(18388)Религия-(3217)Связь-(10668)Сельское хозяйство-(299)Социология-(6455)Спорт-(42831)Строительство-(4793)Торговля-(5050)Транспорт-(2929)Туризм-(1568)Физика-(3942)Философия-(17015)Финансы-(26596)Химия-(22929)Экология-(12095)Экономика-(9961)Электроника-(8441)Электротехника-(4623)Энергетика-(12629)Юриспруденция-(1492)Ядерная техника-(1748)

Выходной каскад УНЧ




 

В устройствах автоматики нагрузкой выходного каскада усилителя низкой частоты может быть электромагнитное реле, электродвигатель или какой-нибудь иной исполнительный механизм. В радиоприемнике или проигрывателе нагрузкой является обмотка динамика.

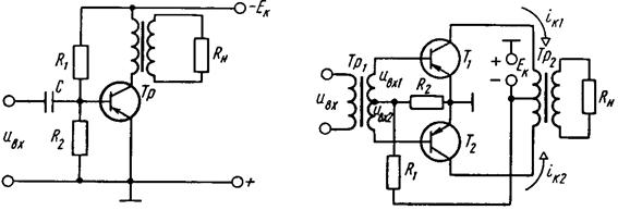
Выходной каскад, так же как и предварительный каскад. УНЧ, может быть собран на транзисторе по схеме с общим эмиттером. Следует отметить, что, так как сопротивление нагрузки Rн обычно гораздо меньше внутреннего сопротивления коллекторной цепи Rвн.к, мощность, которая выделяется на нагрузке, включенной непосредственно в цепь коллектора, будет весьма мала. Для того чтобы эта мощность была максимально возможной, необходимо выполнить условие Rн = Rвн.к, т. е. сопротивление нагрузки должно быть равно внутреннему сопротивлению источника полезного сигнала. Для этого на практике применяют согласующие трансформаторы (рис. 28). Подобные схемы однотактного транзисторного усилителя мощности с общим эмиттером применяются в том случае, если выходная мощность не превышает 3 – 5 Вт. Нагрузка Rн включена через согласующий трансформатор Тр.

Суть согласования состоит в том, чтобы вносимое в первичную обмотку трансформатора из вторичной обмотки сопротивление Rн было равно внутреннему сопротивлению коллекторной цепи Rвн.к или соизмеримо с ним. Тогда при заданных Rн и Rвн.к задача сводится к определению коэффициента трансформации k.

Известно, что U2 / U1 = W2 / W1 = k, а I2 / I1 = W2 / W1 = k. Таким образом, вносимое в первичную цепь сопротивление

Если принять , то коэффициент трансформации

,

т. е. трансформатор должен быть понижающим, так как Rн < Rвн.к.

Рассмотренные схемы предварительного и выходного каскадов УНЧ работают в режиме А. При таком режиме начальное положение рабочей точки О выбирают в середине нагрузочной прямой CD. Амплитуда переменной составляющей коллекторного тока при этом меньше тока покоя коллектора. Работа в режиме А характеризуется минимальными нелинейными искажениями и низким КПД (порядка 40 %). В этом режиме обычно работают все предварительные и маломощные выходные каскады УНЧ, собранные на одном транзисторе или одной электронной лампе.

 

Рис. 28. Схема однотактного транзисторного усилителя мощности Рис. 29. Схема двухтактного транзисторного усилителя мощности

 

В том случае, когда необходимо получить выходную мощность более 5 Вт, применяют двухтактные усилители, собранные на двух транзисторах или двух лампах.

Рассмотрим работу такого усилителя на транзисторах (рис. 29). Усилитель состоит из двух одинаковых половин, каждая из которых аналогична усилителю, представленному на рис. 28. Особенность двухтактной схемы состоит в том, что ее можно использовать в таком режиме, когда ток покоя коллекторных цепей близок к нулю. Этот режим называется режимом В. При работе в таком режиме КПД усилителя может достигать 70 %.

Рабочая точка 0' на входной характеристике должна располагаться в области токов базы, близких к нулю (рис. 30, а). В результате этого обе половины схемы работают поочередно, причем каждая открывается во время действия положительных полупериодов входных напряжений uвх 1 и uвх 2, так как они сдвинуты по фазе на 180˚. Импульсы тока баз и коллекторов также сдвинуты на 180˚ (рис. 30, б, в). При этом в магнитопроводе Тр2 образуется магнитный поток, близкий к синусоидальному, так как через первичную обмотку трансформатора проходит ток (рис. 30, г).

 

Рис. 30. Графики, поясняющие работу усилителя в режиме В

 





Поделиться с друзьями:


Дата добавления: 2013-12-13; Просмотров: 4744; Нарушение авторских прав?; Мы поможем в написании вашей работы!


Нам важно ваше мнение! Был ли полезен опубликованный материал? Да | Нет



studopedia.su - Студопедия (2013 - 2026) год. Все материалы представленные на сайте исключительно с целью ознакомления читателями и не преследуют коммерческих целей или нарушение авторских прав! Последнее добавление




Генерация страницы за: 0.011 сек.