Студопедия

КАТЕГОРИИ:


Архитектура-(3434)Астрономия-(809)Биология-(7483)Биотехнологии-(1457)Военное дело-(14632)Высокие технологии-(1363)География-(913)Геология-(1438)Государство-(451)Демография-(1065)Дом-(47672)Журналистика и СМИ-(912)Изобретательство-(14524)Иностранные языки-(4268)Информатика-(17799)Искусство-(1338)История-(13644)Компьютеры-(11121)Косметика-(55)Кулинария-(373)Культура-(8427)Лингвистика-(374)Литература-(1642)Маркетинг-(23702)Математика-(16968)Машиностроение-(1700)Медицина-(12668)Менеджмент-(24684)Механика-(15423)Науковедение-(506)Образование-(11852)Охрана труда-(3308)Педагогика-(5571)Полиграфия-(1312)Политика-(7869)Право-(5454)Приборостроение-(1369)Программирование-(2801)Производство-(97182)Промышленность-(8706)Психология-(18388)Религия-(3217)Связь-(10668)Сельское хозяйство-(299)Социология-(6455)Спорт-(42831)Строительство-(4793)Торговля-(5050)Транспорт-(2929)Туризм-(1568)Физика-(3942)Философия-(17015)Финансы-(26596)Химия-(22929)Экология-(12095)Экономика-(9961)Электроника-(8441)Электротехника-(4623)Энергетика-(12629)Юриспруденция-(1492)Ядерная техника-(1748)

Область применения




Естественная, скоростная и механическая характеристики.

Двигатели последовательного возбуждения.

В двигателе последовательного возбуждения ток якоря одновременно является также током возбуждения:

Поэтому поток Фδ изменяется в широких пределах и можно написать, что

(8.24)

При использовании соотношения (8.24) для двигателя последовательного возбуждения вместо выражений (8.21), (8.23) и (8.22) получим:

(8.25)

(8.26)

(8.27)

Скоростная характеристика двигателя [см. выражение (8.25)], представленная на рис. 8.13 [кривая 2(посл)] является мягкой и имеет гиперболический характер.

Из графика [рис. 8.13 кривая 2(посл)] видно, что при малой (25%) нагрузке частота вращения резко возрастает и становится опасной для механической прочности двигателя. Двигатель «идет в разнос», поэтому двигатели с последовательным возбуждением нельзя пускать в ход вхолостую или при нагрузке менее 25%.

Поскольку у двигателей с параллельным возбуждением M~I, а у двигателей с последовательным возбуждением M~I2, то последние развивают значительно больший пусковой момент по сравнению с двигателями параллельного возбуждения (кривая 2, рис. 8.13). Кроме того, у двигателей параллельного возбуждения n≈const, а у двигателей последовательного возбуждения согласно (8.25) и (8.26)

Поэтому у двигателей параллельного возбуждения

,

а у двигателей последовательного возбуждения

Таким образом, у двигателей последовательного возбуждения при изменении момента нагрузки мощность изменяется в меньших пределах, чем у двигателей параллельного возбуждения.

Поэтому для двигателей последовательного возбуждения менее опасны перегрузки по моменту. В связи с этим двигатели последовательного возбуждения имеют существенное преимущество в случае тяжёлых условий пуска и изменения нагрузки в широких пределах.

Они широко применяются для электрической тяги (трамвай, метро, троллейбус, электровозы и тепловозы на железных дорогах) и в подъёмно-транспортных установках.

 

Двигатели смешанного возбуждения (рис. 8.14 в)

При встречном включении последовательной обмотки возбуждения двигателя смешанного возбуждения поток Ф с увеличением нагрузки будет уменьшаться. Вследствие этого характеристики n=f(I) и n = f(M) будут иметь вид 3' на рис. 8.13. Так как работа при этом обычно неустойчива, то двигатели с встречным включением последовательной обмотки возбуждения не применяются.

При согласном включении последовательной обмотки возбуждения поток Ф с увеличением нагрузки возрастает. Поэтому такой двигатель имеет более мягкую механическую характеристику по сравнению с двигателем последовательного возбуждения – рис. 8.13, кривая 3 (СМ).

Двигатели смешанного возбуждения применяются в условиях, когда требуется большой пусковой момент, быстрое ускорение при пуске и допустимы значительные изменения скорости вращения при изменении нагрузки.

В связи с этим двигатели смешанного возбуждения применяются для привода на постоянном токе компрессоров, строгальных станков, печатных машин, прокатных станов, подъемников и т.д. В последнее время двигатели смешанного возбуждения используются также для электрической тяги, так как при этом легче чем в случае применения двигателей последовательного возбуждения, осуществляется торможение подвижных составов с возвращением энергии в контактную сеть постоянного тока путем перевода машины в генераторный режим работы.

Зависимость n = f1(IЯ) [см. формулу (8.21)] называется скоростной характеристикой:

 

,

 

где n0=U/CEФ0 - частота вращения при идеальном холостом ходе.

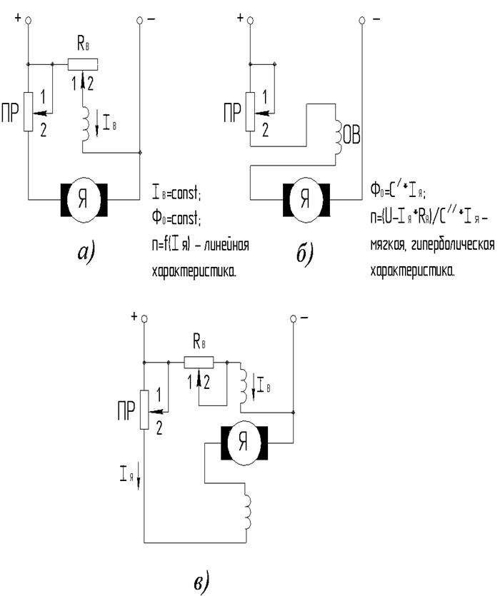
В двигателе с параллельным возбуждением (рис. 8.13 а) можно считать, что

IВ=constUФ0= const.

Поэтому зависимость n = f1(IЯ) линейная [рис. 8.12].

В двигателе с последовательным возбуждением (рис. 8.14 б), если пренебречь насыщением магнитной цепи, магнитный поток будет пропорционален току якоря IЯ,т.е.

Ф0=C /∙IЯ

откуда n=(U-IЯRЯ)/C//∙IЯ представляет собой гиперболическую (мягкую) характеристику (C/ и C// - постоянные коэффициенты).

Из графика (рис.8.14, кривая 2) видно, что при малой нагрузке (менее 25%) частота вращения резко возрастает и становится опасной для механической прочности двигателя. Двигатель «идет в разнос», поэтому двигатели с последовательным возбуждением

нельзя пускать вхолостую или при загрузке менее 25%.

Моментная характеристика М= f(IЯ) определяется выражением:

 

n=U/C1Ф0-М(RЯ+RР)/СМСЕФ02=n0–М(RЯ+RР)/СМСЕФ02

 

Рис.8.14. Схемы возбуждения двигателей постоянного тока: а) – параллельного возбуждения; б) – последовательного; в) – смешанного; 1 – положение регулировочного (RВ) и пускового (ПР) реостатов при пуске; 2 – положение реостатов при работе.

 

Пренебрегая влиянием реакции якоря, можно считать, что в двигателе с параллельным возбуждением (рис. 8.13 а) при U=const и IВ = const магнитный поток постоянный, а зависимость М=СФ0IЯ=f2(IЯ) изображается прямой линией (рис. 8.14 кривая 1). В двигателе с последовательным возбуждением Ф0=f(IЯ), следовательно М=φ(IЯ2), т.е. моментная характеристика имеет параболический характер (рис. 8.14 кривая 2). Для двигателя со смешанным возбуждением моментная характеристика будет иметь промежуточный вид.

Кривая КПД η= f3(IЯ) имеет обычный вид для всех зависимостей (рис.8.13 кривая 4).

Механической характеристикой двигателя называется зависимость ω=f(М) или n=f/(М). Уравнение механической характеристики можно получить из выражения (8.23)

Механические характеристики подобны скоростным характеристикам, так как электромагнитный момент пропорционален току якоря.

Анализ рабочих и механических характеристик позволяет определить области применения двигателей постоянного тока.

Двигатели с параллельным возбуждением обеспечивают устойчивость частоты вращения при различных нагрузках (механическая характеристика жесткая) и дают возможность плавного регулирования частоты вращения. Они используются для электроприводов прокатных станов, компрессоров.

Двигатели с последовательным возбуждением широко применяются в качестве тяговых двигателей (на транспортных средствах, подъемных кранах, лифтах). Для устранения опасности «разноса» такие двигатели часто снабжают добавочной параллельной обмоткой, т.е. двигатели с последовательным возбуж-дением превращают в двигатели со смешанным возбуждением. В зависимости от соотношения магнитодвижущих сил параллельной и последовательной обмоток возбуждения, их характеристики могут приближаться к характеристикам двигателей параллельного или последовательного возбуждения.

 




Поделиться с друзьями:


Дата добавления: 2014-01-04; Просмотров: 1219; Нарушение авторских прав?; Мы поможем в написании вашей работы!


Нам важно ваше мнение! Был ли полезен опубликованный материал? Да | Нет



studopedia.su - Студопедия (2013 - 2026) год. Все материалы представленные на сайте исключительно с целью ознакомления читателями и не преследуют коммерческих целей или нарушение авторских прав! Последнее добавление




Генерация страницы за: 0.011 сек.