Студопедия

КАТЕГОРИИ:


Архитектура-(3434)Астрономия-(809)Биология-(7483)Биотехнологии-(1457)Военное дело-(14632)Высокие технологии-(1363)География-(913)Геология-(1438)Государство-(451)Демография-(1065)Дом-(47672)Журналистика и СМИ-(912)Изобретательство-(14524)Иностранные языки-(4268)Информатика-(17799)Искусство-(1338)История-(13644)Компьютеры-(11121)Косметика-(55)Кулинария-(373)Культура-(8427)Лингвистика-(374)Литература-(1642)Маркетинг-(23702)Математика-(16968)Машиностроение-(1700)Медицина-(12668)Менеджмент-(24684)Механика-(15423)Науковедение-(506)Образование-(11852)Охрана труда-(3308)Педагогика-(5571)Полиграфия-(1312)Политика-(7869)Право-(5454)Приборостроение-(1369)Программирование-(2801)Производство-(97182)Промышленность-(8706)Психология-(18388)Религия-(3217)Связь-(10668)Сельское хозяйство-(299)Социология-(6455)Спорт-(42831)Строительство-(4793)Торговля-(5050)Транспорт-(2929)Туризм-(1568)Физика-(3942)Философия-(17015)Финансы-(26596)Химия-(22929)Экология-(12095)Экономика-(9961)Электроника-(8441)Электротехника-(4623)Энергетика-(12629)Юриспруденция-(1492)Ядерная техника-(1748)

Проблема динамического диапазона в системах CDMA. 4 страница

Для восстановления исходного динамического диапазона сигнала на приеме необходимо установить экспандер (расширитель), амплитудная характеристика которого должна быть обратной амплитудной характеристике компрессора. Таким образом, результирующая (суммарная) амплитудная характеристика цепи компрессор-экспандер (компандер) должна быть линейной во избежание нелинейных искажений передаваемых сигналов.

В современных ЦСП находят применение две логарифмические характеристики компандирования (типов А и m), которые удобно изображать и описывать в нормированном виде y = f (x), где у = U вых/ U огр, x = U вх/ U огр:

где A = 87,6 и m = 255 – параметры компрессии.

Характеристика компандирования типа А используется в ЦСП, соответствующих европейской PDH, а типа m -в ЦСП, соответствующих североамериканской PDH (см. §9.2).

8.3. КОДИРОВАНИЕ И ДЕКОДИРОВАНИЕ СИГНАЛОВ

В процессе кодирования амплитуда каждого квантованного по уровню АИМ отсчета представляется в виде двоичной последовательности, содержащей т символов (рис.8.7).

Как говорилось выше, для качественной передачи телефонного сигнала при равномерном и неравномерном квантовании нужно иметь соответственно 4096 и 256 уровней квантования, т.е. необходимо использовать 12- и 8-разрядный двоичный код.

Линейным кодированием называется кодирование равномерно квантованного сигнала, а нелинейным - неравномерно квантованного сигнала.

Код, формируемый в кодере, называется параллельным, если импульсные сигналы (1 и 0), входящие в состав m-разрядной кодовой группы, появляются на разных выходах кодера одновременно, причем каждому выходу кодера соответствует сигнал определенного разряда. Код называется последовательным, если все сигналы, входящие в состав m -разрядной кодовой группы, появляются на одном выходе кодера поочередно со сдвигом по времени (обычно начиная со старшего по весу разряда). Параллельный код может преобразовываться в последовательный, и наоборот.

Часто функции квантования и кодирования (соответственно декодирования и деквантования) выполняет одно устройство.

 

Рис. 8.7. Кодирование отсчетов сигнала: а – АИМ сигнал; б – квантованный сигнал; в – кодированный (ИКМ сигнал)

При кодировании с неравномерной шкалой квантования могут использоваться следующие способы:

- аналоговое компандирование, характеризующееся компрессией (сжатием) динамического диапазона сигнала перед линейным кодированием и экспандированием (расширением) динамического диапазона сигнала после линейного декодирования;

- нелинейное кодирование, характеризующееся кодированием сигнала в нелинейных кодерах, сочетающих функции аналого-цифрового преобразования и компрессора;

- цифровое компандирование, характеризующееся кодированием сигнала в линейном кодере с большим числом разрядов с последующей нелинейной цифровой обработкой результата кодирования.

На практике наиболее часто используется нелинейное кодирование.

При частоте дискретизации F д = 8 кГц (T д = 125 мкс) и разрядности кода m = 8 получаем скорость передачи сформированного ИКМ сигнала 64 Кбит/с, которая и является скоростью основного цифрового канала (ОЦК). Преобразование аналогового сигнала в сигнал ИКМ стандартизировано ITU-T Рекомендацией G.711.

8.4. ПРЕОБРАЗОВАНИЕ ЦИФРОВОГО СИГНАЛА В АНАЛОГОВЫЙ

Преобразование ИКМ сигнала в аналоговый предусматривает последовательное выполнение основных операций:

- декодирование (преобразование ИКМ сигнала в АИМ сигнал);

- восстановление аналогового сигнала (выделение из спектра АИМ сигнала исходного сигнала).

Временные диаграммы преобразований сигналов в схеме рис. 8.8 показаны на рис. 8.9. Сначала восстанавливается непрерывность сигнала во времени, а затем из спектра ступенчатого сигнала выделяется спектр исходного аналогового сигнала.

Рис. 8.8. Схема преобразования ИКМ сигнала в аналоговый сигнал

Рис.8.9. Диаграммы преобразования цифрового сигнала в аналоговый:
a – ИКМ сигнал; б – квантованный сигнал; в – аналоговый сигнал

8.5. АНАЛОГО-ЦИФРОВОЙ И ЦИФРО-АНАЛОГОВЫЙ ПРЕОБРАЗОВАТЕЛИ

Устройства, в целом выполняющие преобразования аналоговых сигналов в цифровые и обратно, называются соответственно аналого-цифровыми и цифро-аналоговыми преобразователями (АЦП и ЦАП).

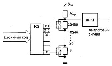
Рассмотрим принцип работы ЦАП (рис.8.10). Цифровой сигнал в двоичном коде (последовательном или параллельном) подается на буферный регистр RG. К выходам регистра RG подключены управляющие входы электронных ключей. К каждому из ключей подключены резисторы с сопротивлениями, соответствующими числу шагов квантования каждого из разрядов кодового слова цифрового сигнала. В зависимости от кодовой комбинации, т.е. включения и выключения соответствующих ключей, на входе ФНЧ будет присутствовать соответствующее напряжение. Смена кодовых комбинаций приведет к образованию на входе ФНЧ ступенчатого сигнала (рис. 8.9, б). ФНЧ выделяет исходный аналоговый сигнал.

Рис. 8.10. Структурная схема ЦАП

Возможно построение АЦП на основе ЦАП. Схема такого АЦП показана на рис. 8.11. Аналоговый сигнал поступает на вход устройства выборки и хранения (УВХ), где подвергается дискретизации, т.е. преобразуется в сигнал АИМ. Этот сигнал поступает на один из входов схемы сравнения (СС), которая представляет собой компаратор, сравнивающий значения аналоговых сигналов на своих входах. Если значение сигнала на первом входе СС больше, чем на втором, то на выходе СС будет присутствовать сигнал логической 1, в противном случае – логического 0. Ко второму входу СС подключен аналоговый выход ЦАП.

Рис.8.11. Структурная схема АЦП

Цифровые входы ЦАП подключены к порту вывода управляющего устройства (УУ), например микропроцессора. К порту ввода УУ подключен цифровой выход СС. Процесс квантования по уровню протекает следующим образом. Отсчет сигнала с выхода уВХ постоянно присутствует на нижнем по схеме входе СС. Устройство управления выполняет алгоритм приближения к данному значению, например, методом «золотого сечения». Сначала определяется значение старшего разряда кодового слова и далее до самого младшего. После определения самого младшего разряда схема готова к обработке следующего отсчета. Скорость работы схемы, т.е. частота дискретизации, зависит от скорости работы УУ и скорости преобразования ЦАП.

8.6. МЕТОДЫ РАЗНОСТНОГО КВАНТОВАНИЯ АНАЛОГОВЫХ СИГНАЛОВ

Между соседними отсчетами речевого сигнала имеется значительная корреляция, которая слабо убывает по мере увеличения интервала между отсчетами. Это означает, что речевой сигнал изменяется медленно, и разность между соседними отсчетами будет иметь меньшую дисперсию, чем исходный сигнал, что позволяет применять методы разностного квантования речевого сигнала (рис.8.12), где z – входной сигнал; – оценка предсказанного значения входного сигнала; – квантованный входной сигнал; d – ошибка предсказания; – квантованная ошибка предсказания; е – ошибка квантования; ; . Учитывая, что и , получаем .

Рис. 8.12. Структурная схема кодера разностного квантования

Линейная дельта-модуляция (ДМ) (рис. 8.13) использует одноразрядный (двухуровневый) квантователь и предсказатель первого порядка, на выходе которого имеем: . При этом входной сигнал квантователя имеет вид . Восстановление аналогового сигнала из сигнала линейной ДМ осуществляется суммированием шага квантования.

Рис. 8.13. Линейная дельта-модуляция: аналоговый сигнал (кривая 1) и сигнал квантователя линейной ДМ (кривая 2)

Линейная ДМ технически реализуется относительно просто, но обладает рядом недостатков:

- перегрузка по крутизне;

- шум дробления (шум незанятого канала).

Кроме того, для обеспечения приемлемого качества восстановления речевого сигнала требуется высокая скорость преобразования (передачи) – порядка 200 кбит/с.

Значение шага квантования при адаптивной ДМ меняется в зависимости от крутизны исходного сигнала от минимального до максимального. Возможны различные схемы (алгоритмы) адаптивной ДМ. Отслеживается выходной поток квантователя – при чередовании нуля и единицы шаг уменьшается, при последовательных нулях или единицах шаг увеличивается. Данный вид модуляции не получил широкого применения.

Дальнейшим развитием разностного квантования является адаптивная дифференциальная ИКМ. Методы адаптации распространяются как на квантователь, так и на предсказатель. Осуществляется передача цифровых представлений адаптивного шага и коэффициентов предсказателя. Удовлетворительные результаты получаются при скорости передачи 32 и 24 кбит/с. ITU-T стандартизировал данный вид модуляции в Рекомендации G.726 для скорости передачи 32 кбит/с.

8.7. ПАРАМЕТРИЧЕСКОЕ КОМПАНДИРОВАНИЕ РЕЧЕВЫХ СИГНАЛОВ

Речевой сигнал как процесс, протекающий во времени, характеризуется рядом параметров, которые также являются функциями времени. Параметры, описывающие речевой сигнал, изменяются значительно медленнее, чем процесс в целом. Если по каналу связи передавать не речевой сигнал, а информацию об описывающих его параметрах, то для этого потребуется канал связи с меньшей пропускной способностью.

Если речевой сигнал представлен в виде совокупности медленно меняющихся параметров, то говорят о его параметрическом компандировании. На базе параметрического командирования строятся вокодерные системы (Voice Coder). Обычно к параметрическим (вокодерным) относят системы, требующие скорость передачи, меньшую 16 кбит/с.

Для выделения и кодирования параметров речевых сигналов используются сложные алгоритмы цифровой обработки сигналов. Как правило, чтобы обеспечить меньшую скорость передачи, примененяют более сложные алгоритмы, т.е. более производительные процессоры.

Для обеспечения совместимости вокодерных устройств организациями стандартизации в области телекоммуникаций установки ряд стандартов (табл.8.1).

Качество передачи сигнала методами параметрического компандирования зависит как от вида применяемого алгоритма, так и от используемой скорости передачи. Качество передачи речевого сигнала оценивается различными субъективными методами, основанными на усреднении оценок, данных различными группами слушателей. Зависимость средней субъективной оценки (mean opinion score – MOS) от вида алгоритма и скорости передачи показаны на рис.8.14.

 

Таблица 8.1

Метод кодирования Скорость передачи, кбит/с Стандарт Современные приложения
ИКМ   ITU-TG.711 Телефонные сети общего пользования
АДИКМ   ITU-TG.726 Телефонные сети общего пользования
LD-CELP   ITU-TG.728 Телефонные сети общего пользования
RPE-LTP   ETSI GSM Европейские системы цифровой сотовой связи
VSELP   TIA IS54 Системы цифровой сотовой связи США
VSELP 5,6 ETSI полускоро-стной GSM Европейские системы цифровой сотовой связи
MP-MLQ 4,8...8,0 ITU-TG.723 Системы мультимедиа и видео телефонии

Рис. 8.14. Зависимость средней субъективной оценки от вида алгоритма и скорости передачи

 


 

ЦИФРОВЫЕ СИСТЕМЫ ПЕРЕДАЧИ

9.1. ОСОБЕННОСТИ ПОСТРОЕНИЯ ЦИФРОВЫХ СИСТЕМ ПЕРЕДАЧИ

Основной тенденцией развития телекоммуникаций во всем мире является цифровизация сетей связи, предусматривающая построение сети на базе цифровых методов передачи и коммутации с помощью цифровых систем передачи (ЦСП) и цифровых систем коммутации. Это объясняется следующими существенными преимуществами цифровых методов передачи перед аналоговыми.

Высокая помехоустойчивость. Представление информации в цифровой форме позволяет осуществлять регенерацию (восстановление) сигналов при передаче их по линии связи, что резко снижает влияние помех и искажений на качество передачи информации.

Слабая зависимость качества передачи от длины линии связи. В пределах каждого регенерационного участка искажения передаваемых сигналов оказываются ничтожными. Длина регенерационного участка и оборудование регенератора при передаче сигналов на большие расстояния остаются практически такими же, как и в случае передачи на малые расстояния. Так, при увеличении длины линии в 100 раз для сохранения неизменным качества передачи информации достаточно уменьшить длину регенерационного участка лишь на несколько процентов.

Стабильность параметров каналов. Стабильность и идентичность параметров каналов (остаточного затухания, частотной и амплитудной характеристик и др.) определяются в основном устройствами обработки сигналов в аналоговой форме. Поскольку такие устройства составляют незначительную часть оборудования ЦСП, стабильность параметров каналов в таких системах значительно выше, чем в аналоговых. Этому способствует также отсутствие в ЦСП влияния загрузки системы на параметры отдельных каналов.

Эффективность использования пропускной способности каналов для передачи дискретных сигналов. При вводе дискретных сигналов непосредственно в групповой тракт ЦСП скорость их передачи может приближаться к скорости передачи группового сигнала. Если, например, при этом будут использоваться временные позиции, соответствующие только одному каналу ТЧ, то скорость передачи будет близка к 64 кбит/с, в то время как в аналоговых системах она обычно не превышает 33,6 кбит/с.

Возможность построения цифровой сети связи. Цифровые системы передачи в сочетании с цифровыми системами коммутации являются основой цифровой сети связи, в которой передача, транзит и коммутация сигналов осуществляются в цифровой форме. При этом параметры каналов практически не зависят от структуры сети, что обеспечивает возможность построения гибкой разветвленной сети, обладающей высокими надежностными и качественными показателями.

Высокие технико-экономические показатели. Передача и коммутация сигналов в цифровой форме позволяют реализовывать оборудование на единых аппаратных платформах. Это позволяет резко снизить трудоемкость изготовления оборудования, значительно уменьшить его стоимость, потребляемую энергию и габариты. Кроме того, существенно упрощается эксплуатация систем и повышается их надежность.

Требования к ЦСП определены в рекомендациях ITU-T серии G.

9.2. ИЕРАРХИИ ЦИФРОВЫХ СИСТЕМ ПЕРЕДАЧИ

Структура первичной сети предопределяет объединение и разделение потоков передаваемой информации, поэтому используемые на ней системы передачи строятся по иерархическому принципу. Применительно к цифровым системам этот принцип заключается в том, что число каналов ЦСП, соответствующее данной ступени иерархии, больше числа каналов ЦСП предыдущей ступени в целое число раз.

Аналоговые системы передачи с частотным разрешением каналов также строятся по иерархическому принципу, но в отличие от ЦСП для них ступенями иерархии являются не системы передачи, а типовые группы каналов.

Цифровая система передачи, соответствующая первой ступени иерархии, называется первичной; в этой ЦСП осуществляется прямое преобразование относительно небольшого числа первичных сигналов в первичный цифровой поток. Системы передачи второй ступени иерархии объединяют определенное число первичных потоков во вторичный цифровой поток и т.д.

В рекомендациях ITU-T представлено два типа иерархий ЦСП: плезиохронная цифровая иерархия (ПЦИ) и синхронная цифровая иерархия (СЦИ). Первичным сигналом для всех типов ЦСП является цифровой поток со скоростью передачи 64 кбит/с, называемый основным цифровым каналом (ОЦК). Для объединения сигналов ОЦК в групповые высокоскоростные цифровые сигналы используется рассмотренный ранее принцип временного разделения каналов. Для преобразования первичных аналоговых (в том числе речевых телефонных) сигналов в ОЦК используется ИКМ (см. гл.8).

Появившаяся исторически первой плезиохронная цифровая иерархия (Plesiochronous Digital Hierarchy – PDH) имеет европейскую, североамериканскую и японскую разновидности (табл.9.1). Значения скоростей передачи в технической литературе обычно округляются (см. рис.9.1).

 

Таблица 9.1

Уровень иерархии Европа Северная Америка Япония
Скорость, Мбит/с Коэффициент мультиплексирования Скорость, Мбит/с Коэффициент мультиплексирования Скорость, Мбит/с Коэффициент мультиплексирования
  0,064 - 0,064 - 0,064 -
  2,048   1,544   1,544  
  8,448   6,312   6,312  
  34,368   44,736   32,064  
  139,264   274,176   97,728  
  565,148       397,200  

 

В североамериканской и японской PDH для цифровых потоков применяется обозначение Т (иногда DS), в европейской PDH – Е, а в японской – J. Цифровые потоки первого уровня обозначаются соответственно Т1 и Е1, второго Т2 и Е2 и т.д. На практике используются цифровые потоки до Е4 и ТЗ включительно.

Для сетей связи РФ принята европейская PDH.

9.3. ЕВРОПЕЙСКАЯ ПЛЕЗИОХРОННАЯ ЦИФРОВАЯ ИЕРАРХИЯ

Скорости цифровых потоков одной и той же ступени PDH, но образуемых ЦСП, расположенными на различных станциях сети, могут отличаться друг от друга в пределах допустимой нестабильности частот задающих генераторов. Именно поэтому рассматриваемая иерархия ЦСП называется плезиохронной. Наличие нестабильности задающих генераторов требует принятия специальных мер при объединении потоков в поток более высокой ступени иерархии, что заметно усложняет эксплуатацию первичной сети связи в целом и снижает ее качественные показатели.

Принцип объединения и разделения цифровых потоков европейской PDH показан на рис.9.1. Очевидно, что оконечные станции должны иметь только половину показанного оборудования. При выделении низкоскоростного потока (например, со скоростью 2 Мбит/с, как показано на рис.9.1) на промежуточной станции последняя должна иметь все оборудование, показанное на рис. 9.1.

Рис. 9.1. Схема объединения цифровых потоков европейской PDH: ОАЛТ – оконечная аппаратура линейного тракта

На сети связи РФ эксплуатируются цифровые системы передачи PDH отечественного и зарубежного производства. Отечественные системы носят название ЦСП с ИКМ (цифровые системы передачи с импульсно-кодовой модуляцией). Вместо уровня иерархии в обозначении системы указывается число информационных ОЦК данной системы. Так, ЦСП первого уровня иерархии обозначается ИКМ-30, второго – ИКМ-120 и т.д. (см. табл.9.1). В настоящее время разработан и представлен на сети полный спектр аппаратуры, реализующей европейскую PDH.

ПРИНЦИПЫ СИНХРОНИЗАЦИИ ЦСП

В плезиохронных ЦСП используется принцип временного разделения каналов, поэтому правильное восстановление исходных сигналов на приеме возможно только при синхронной и синфазной работе генераторного оборудования (ГО) на передающей и приемной станциях. Для нормальной работы плезиохронных ЦСП должны быть обеспечены следующие виды синхронизации:

- тактовая – обеспечивает равенство скоростей обработки цифровых сигналов в линейных и станционных регенераторах, кодеках и других устройствах ЦСП, осуществляющих обработку сигнала с тактовой частотой F T;

- цикловая – обеспечивает правильное разделение и декодирование кодовых групп цифрового сигнала и распределение декодированных отсчетов по соответствующим каналам в приемной части аппаратуры;

- сверхцикловая – обеспечивает на приеме правильное распределение сигналов управления и взаимодействия (СУВ) по соответствующим телефонным каналам; СУВ представляют собой набор сигналов, управляющих работой АТС (набор номера, ответ, отбой, разъединение и пр.)

Нарушение хотя бы одного из видов синхронизации приводит к потере связи по всем каналам ЦСП.

Структурная схема тактовой синхронизации включает в себя (рис.9.2) задающий генератор (ЗГ), входящий в состав ГО передающего оборудования оконечной станции (Пер) и вырабатывающий импульсную последовательность тактовой частоты F T, и устройства выделения тактовой частоты (ВТЧ), устанавливаемые в том оборудовании, где осуществляется обработка сигнала с частотой F T: в линейных регенераторах (ЛР) и приемном оборудовании (Пр) оконечной станции.

 

Рис. 9.2. Структурная схема тактовой синхронизации

Наиболее распространенным методом выделения тактовой частоты является метод пассивной фильтрации, который состоит в том, что из спектра группового цифрового сигнала с помощью ВТЧ, содержащего высокодобротные резонансные контуры, фильтры-выделители или избирательные усилители, выделяется тактовая частота. Этот способ характеризуется простотой реализации ВТЧ, но имеет существенный недостаток: стабильность выделения тактовой частоты зависит от стабильности параметров фильтра-выделителя и структуры цифрового сигнала (при появлении длинных серий нулей или кратковременных перерывов связи затрудняется процесс выделения тактовой частоты).

Для высокоскоростных ЦСП перспективным, но более сложным является способ тактовой синхронизации с применением устройств автоподстройки частоты генератора тактовой частоты приемного оборудования (способ активной фильтрации).

Цикловая синхронизация осуществляется следующим образом. На передающей станции в состав группового цифрового сигнала в начале цикла вводится цикловой синхросигнал (СС). На приемной станции устанавливается приемник синхросигнала (ПСС), который выделяет цикловой синхросигнал из группового цифрового сигнала и тем самым определяет начало цикла передачи. Цикловой синхросигнал должен обладать определенными отличительными признаками, в качестве которых используется заранее определенная и неизменная структура синхросигнала (например, 0011011 в ЦСП ИКМ-30). Групповой цифровой сигнал в силу случайного характера информационных сигналов такими свойствами не обладает.

К системе цикловой синхронизации предъявляются следующие требования:

- время вхождения в синхронизм при первоначальном включении аппаратуры и время восстановления синхронизма при его нарушении должно быть минимально возможным;

- приемник синхросигнала должен обладать высокой помехоустойчивостью, т.е. иметь защиту от установления ложного синхронизма и от ложного выхода из синхронизма;

- число символов синхросигнала и частота повторения должны быть минимально возможными.

Эти требования носят противоречивый характер, поэтому приходится принимать компромиссные решения.

Схемы ПСС (рис. 9.3) обычно включают в себя блоки обнаружения СС на основе схем совпадения, счетчики обнаружения СС в данной временной позиции, счетчики-накопители по входу в синхронизм и выходу из синхронизма.

Рис. 9.2. Структурная схема приемника синхросигнала

Работа системы сверхцикловой синхронизации, как и работа системы цикловой синхронизации, основана на передаче сверхциклового синхросигнала (СЦС) в одном из циклов сверхцикла (СЦ). Принцип работы приемника СЦС аналогичен работе ПСС.

ГЕНЕРАТОРНОЕ ОБОРУДОВАНИЕ ЦСП

Все процессы обработки сигналов в ЦСП строго регламентированы по времени. Последовательность обработки сигнала в оборудовании ЦСП задается генераторным оборудованием (ГО), обеспечивает формирование и распределение всех импульсных последовательностей, управляющих процессами преобразование сигналов в ЦСП. В ГО передающей станции импульсные последовательности получают делением тактовой частоты высокостабильного ЗГ.

Обычно предусматриваются следующие режимы работы ГО:

- внутренней синхронизации, при котором осуществляется работа от высокостабильного автономного ЗГ (с относительной нестабильностью ±10-5…10-6);

- внешнего запуска, при котором осуществляется работа внешнего ЗГ;

- внешней синхронизации, при котором осуществляется подстройка частоты ЗГ с помощью ФАПЧ, управляемой внешним сигналом.

Структура ГО приемной станции отличается тем, что тактовая частота подается не от ЗГ, а от ВТЧ, а установка ГО приема по циклу и сверхциклу осуществляется с помощью сигналов, поступающих от приемников синхросигналов.

СТРУКТУРЫ КАДРОВ

Рассмотрим структуру кадра передачи ЦСП ИКМ-30 (рис. 9.4). Данный поток называется первичным цифровым потоком и организуется объединением 30-ти информационных ОЦК.

Канальные интервалы КИ1–КИ15, КИ17–КИ31 отведены для передачи информационных сигналов; КИ0 и КИ16 – для передачи служебной информации; КИ0 в четных циклах предназначаются для передачи циклового синхросигнала (ЦСС), имеющего вид 0011011 и занимающего разряды Р2-Р8. В разряде Р1 всех циклов передается информация постоянно действующего канала передачи данных (ПД). В нечетных циклах разряды Р3 и Р6 КИ0 используются для передачи информации о потере цикловой синхронизации (Авар. ЦС) и снижении остаточного затухания каналов (Ост. зат.) до значения, при котором в них может возникнуть самовозбуждение. Разряды Р4, Р5, Р7 и Р8 являются свободными, их занимают единичными сигналами для улучшения работы выделителей тактовой частоты.

В КИ16 нулевого цикла (Ц0) передается сверхцикловой синхросигнал вида 0000 (Р1–Р4), а также сигнал о потере сверхцикловой синхронизации (Р6 – Авар. СЦС). Остальные три разрядных интервала свободны. В КИ16 остальных циклов (Ц1 – Ц15) передайся сигналы служебных каналов (СК1 и СК2), причем в Ц1 передаются СК для 1- и 16-го каналов ТЧ, в Ц2 – для 2- и 17-го и т.д. Разряды Р3, Р4, Р6 и Р7 свободны.

Принятая структура построения цифровых систем передачи PDH реализуется посредством объединения и разделения тем или иным способом типовых цифровых потоков. Сущность любого способа объединения заключается в том, что информация, содержащаяся в поступающих потоках, записывается в запоминающие устройства, а затем поочередно считывается в моменты, отводимые ей в объединенном потоке.

Различают объединение трех типов потоков: синфазно-синхронных, синхронных и асинхронных (плезиохронных). В первом типе объединения совпадают не только скорости объединяемых потоков, но и начала их отсчетов. Во втором типе объединения скорости потоков совпадают, но их начала отсчетов произвольно смещены друг относительно друга. Это заставляет вводить в объединенный поток специальный синхросигнал, указывающий порядок объединения. После синхросигнала передается информация первого объединяемого потока, затем – второго и т.д. В наиболее общем третьем типе объединения в объединенный поток помимо синхросигнала, указывающего порядок объединения, вводится служебная информация, обеспечивающая необходимое согласование скоростей объединяемых потоков.

<== предыдущая лекция | следующая лекция ==>
Проблема динамического диапазона в системах CDMA. 3 страница | Проблема динамического диапазона в системах CDMA. 5 страница
Поделиться с друзьями:


Дата добавления: 2014-01-04; Просмотров: 1024; Нарушение авторских прав?; Мы поможем в написании вашей работы!


Нам важно ваше мнение! Был ли полезен опубликованный материал? Да | Нет



studopedia.su - Студопедия (2013 - 2026) год. Все материалы представленные на сайте исключительно с целью ознакомления читателями и не преследуют коммерческих целей или нарушение авторских прав! Последнее добавление




Генерация страницы за: 0.035 сек.