Студопедия

КАТЕГОРИИ:


Архитектура-(3434)Астрономия-(809)Биология-(7483)Биотехнологии-(1457)Военное дело-(14632)Высокие технологии-(1363)География-(913)Геология-(1438)Государство-(451)Демография-(1065)Дом-(47672)Журналистика и СМИ-(912)Изобретательство-(14524)Иностранные языки-(4268)Информатика-(17799)Искусство-(1338)История-(13644)Компьютеры-(11121)Косметика-(55)Кулинария-(373)Культура-(8427)Лингвистика-(374)Литература-(1642)Маркетинг-(23702)Математика-(16968)Машиностроение-(1700)Медицина-(12668)Менеджмент-(24684)Механика-(15423)Науковедение-(506)Образование-(11852)Охрана труда-(3308)Педагогика-(5571)Полиграфия-(1312)Политика-(7869)Право-(5454)Приборостроение-(1369)Программирование-(2801)Производство-(97182)Промышленность-(8706)Психология-(18388)Религия-(3217)Связь-(10668)Сельское хозяйство-(299)Социология-(6455)Спорт-(42831)Строительство-(4793)Торговля-(5050)Транспорт-(2929)Туризм-(1568)Физика-(3942)Философия-(17015)Финансы-(26596)Химия-(22929)Экология-(12095)Экономика-(9961)Электроника-(8441)Электротехника-(4623)Энергетика-(12629)Юриспруденция-(1492)Ядерная техника-(1748)

Электронные фильтры




Сглаживающие LC- фильтры чаще применяются в выпрямителях большой мощности и средней. При большой мощности выпрямителя величина индуктивности дросселя получается сравнительно малой. В выпрямителях малой мощности объём и масса дросселя становится

 

соизмеримой с объёмом и массой трансформатора. Дроссель приходится изготавливать с немагнитным зазором, что увеличивает магнитное поле рассеивания и является источником помех.

Электронные фильтры строятся на лампах, транзисторах и микросхемах. Для фильтрации выпрямленного тока удобны миниатюрные транзисторные фильтры. В зависимости от места включения потребителя эти фильтры делятся:

- ФК (потребитель - в цепи коллектора);

- ФЭ (потребитель - в цепи эмиттера);

- ФП (потребитель – параллельно).

В зависимости от подачи смещения различают фильтры с фиксированным и автоматическим смещением. В транзисторных фильтрах последовательно с нагрузкой включается регулирующий транзистор, выполняющий роль дросселя, так как транзистор имеет дифференциальное сопротивление, на определённом участке характеристики, во много раз больше статического сопротивления.

Фильтр типа ФК. электрическая схема фильтра типа ФК представленная на рисунке 2.35. Данная схема состоит из элементов: фильтрирующих конденсаторов С1 и С3, резистора R2 - служащего для выбора рабочей точки на характеристике, цепочки R1C2 и регулирующего транзистора VT.

Принцип работы. Ток коллектора Iк транзистора, равный току нагрузки Iн, почти не зависит от потенциала коллектора Uкэ и в основном определяется током эмиттера Iэ. Для рабочей точки А (рисунок 2.36) сопротивление транзистора постянному току Iн = Iк равно rст = Uкэ/Iо и составляет несколько десятков Ом. Если Iэ=пост, то любое изменение напряжения на коллекторе ведёт к перемещению точка А по характеристики. При этом сопротивление коллектора переменной составляющей тока равно Rк = ∆Uкэ/ ∆Iк, что составляет несколько килоом.

 
 

а) б)

а- с фиксированным смещением;

б- с автоматическим смещением

Рисунок 2.35 - Электрические схемы фильтров типа ФК

 

Для поддержании Iэ=пост. в схеме предусмотренна цепочка R1C2, имеющая большую постоянную времени. В этом случае ток Iэ= Uс2 / R1 за

 

время одного периода почти не изменяется. Однвко наличие R1 в схеме уменьшается его КПД примерно на 20%.

 
 

Рисунок 2.36 - Коллекторная характеристика транзистора

 

В схемах фильтра с фиксированным смещением выходного напряжения Uвых будет изменяться с изменением температуры и тока нагрузки. Фильтр с автоматическим смещением обеспечивает компенсацию этих возмущений, но значительно меньший коэффициент фильтрации.

Недостатки присущие фильтрам ФК, являются:

- малый КПД;

- большое выходное сопротивление Zвых;

- изменение выходного напряжения при изменении нагрузки.

 
 

Фильтр типа ФЭ. Схема транзисторного фильтра представленна на рисунке 2.37. Данная схема представляет собой эмиттерный повторитель, выходное сопротивление которого мало (от десятых до единиц Ома), поэтому такой фильтр менее чувствителен к изменениям нагрузки. Так как база транзистора соединена с коллектором через резистор R, то схема имеет автоматическое смещение, устойчиво работает при изменении температуры внешней среды и не требует тщательной подготовки режима. Иногда в этих схемах конденсатор параллельно нагрузке не ставят, так как конденсатор С в цепи базы транзистора оказывает фильтрирующие свойства при колебаниях тока нагрузки.

Рисунок 2.37 - Электрическая схема фильтра типа ФЭ

 

Принцип работы. Переменная составляющая входного напряжения протекает по следующим путям. Первый путь – это фильтрирующее звено RС, через которое переменная составляющая попадает на базу тарнзистора VT. Второй путь- через коллекторное сопротивление и конденсатор С. Третий путь – это через эмиттерное сопротивление к нагрузке. Поскольку всегда выполняется условие

(h11э) << Rн, 1/wп·C < (h11э), (2.37)

 

то можно считать, что практически весь ток, прошедший через выходную цепь транзистора попадает в базовую (входную) цепь транзистора.

Для повышения КПД фильтра желательно иметь напряжение Uкэ небольшой величины. Небольшая величина напряжения Uкэ транзистора должна быть досттаточной для компенсации изменения входного напряжения из-за пульсации. По этому и получается выбирать величину резистора R небольшой величины, но при условии фильтрации требуется выбирать величину ёмкости большой величины.

При токах, начиная с десятых ампера и выше, фильтрация в фильтре резко падает.Для повышения коэффициента сглаживания в схемах применяют двухзвенные цепочку в фильтре ФЭ.

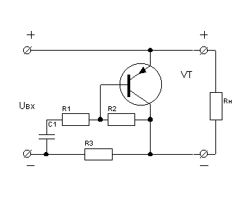
Фильтр типа ФП. При малых напряжениях и больших токах (при малых Rн) можно применять транзисторный фильтр (рисунок 2.38) с параллельным включением транзистора, который заменяет ёмкость активно - ёмкостного фильтра.

 
 

Рисунок 2.38 - Электрическая схема фильтра ФП

 

В схеме на рисунке 2.38 смещение на базу транзистора подается через резистор R2. Переменная составляющая пульсации на базу транзистора подается через цепочку R1С1. Нагрузкой транзистора является резистор R3, на который подается выделенная усиленная переменная составляющая в противофазе с напряжением пульсации на входе схемы. Эти два напряжения компенсируют друг друга, если они равны. Если первое напряжение будет

 

 

больше второго, то будет перекомпенсация напряжения, а если меньше то недокомпенсация.

Достигнуть полной компенсаци при изменении входного напряжения из-за нестабильности параметров транзистора практически невозможно.Поэтому достижимый коэффициент сглаживания таких фильтров значительно меньше теоретического.

В фильтрах типа ФП через транзистор протекает постоянный ток, значительно меньше по величине тока нагрузки, поэтому часто можно обходится транзисторами без теплоотводов. Данные фильтры не боятся коротких замыканий, но при снятии нагрузки транзистор может перегружаться.

В связи с тем, что часть выпрямленного напряжения падает на последовательном включенном транзисторе, а в параллельно включенном транзисторе для своей работы потребляет часть выпрямленного тока, то КПД фильтра ФП составляет порядка 40…60%.

 




Поделиться с друзьями:


Дата добавления: 2014-01-04; Просмотров: 2180; Нарушение авторских прав?; Мы поможем в написании вашей работы!


Нам важно ваше мнение! Был ли полезен опубликованный материал? Да | Нет



studopedia.su - Студопедия (2013 - 2025) год. Все материалы представленные на сайте исключительно с целью ознакомления читателями и не преследуют коммерческих целей или нарушение авторских прав! Последнее добавление




Генерация страницы за: 0.012 сек.