Студопедия

КАТЕГОРИИ:


Архитектура-(3434)Астрономия-(809)Биология-(7483)Биотехнологии-(1457)Военное дело-(14632)Высокие технологии-(1363)География-(913)Геология-(1438)Государство-(451)Демография-(1065)Дом-(47672)Журналистика и СМИ-(912)Изобретательство-(14524)Иностранные языки-(4268)Информатика-(17799)Искусство-(1338)История-(13644)Компьютеры-(11121)Косметика-(55)Кулинария-(373)Культура-(8427)Лингвистика-(374)Литература-(1642)Маркетинг-(23702)Математика-(16968)Машиностроение-(1700)Медицина-(12668)Менеджмент-(24684)Механика-(15423)Науковедение-(506)Образование-(11852)Охрана труда-(3308)Педагогика-(5571)Полиграфия-(1312)Политика-(7869)Право-(5454)Приборостроение-(1369)Программирование-(2801)Производство-(97182)Промышленность-(8706)Психология-(18388)Религия-(3217)Связь-(10668)Сельское хозяйство-(299)Социология-(6455)Спорт-(42831)Строительство-(4793)Торговля-(5050)Транспорт-(2929)Туризм-(1568)Физика-(3942)Философия-(17015)Финансы-(26596)Химия-(22929)Экология-(12095)Экономика-(9961)Электроника-(8441)Электротехника-(4623)Энергетика-(12629)Юриспруденция-(1492)Ядерная техника-(1748)

Масштабирующие преобразователи тока и напряжения на операционных усилителях




 

На входе прибора обычно включают измерительный преобразователь, осуществляющий преобразование измеряемой аналоговой величины в цифровой сигнал. В качестве вых сигнала выбирают напряжение постоянного тока в пределах 5…10 В.

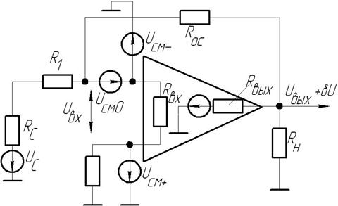
Операционный усилитель включенный по схеме инвертора:

Существует понятие идеального Операционного усилителя, у которого входные токи , сопротивления , Ky высок. Коэффициент усиления с разомкнутой обратной связью равен бесконечности.

В этих условиях ток источника сигнал не может протекать по входным цепям ОС. Таким образом этот ток будет протекать только по резистору обратной связи.

В этом случае на Rос создается напряжение:

.

При этом: .

Коэффициент обратной связи: .

Таким образом, для идеального операционного усилителя коэффициент усиления практически полностью определяется соотношением значений резисторов , при условии, что идеальный источник сигнала имеет Rc=0.

В реальных операционных усилителях погрешность инвертирующего усилителя определяется величинами Uсм0, а также Iвх+, Iвх1 и конечным значением K0.

С учетом этих факторов выходное напряжение инвертирующего усилителя равно:

.

Уменьшить погрешность усилителя можно за счет применения усилителя с меньшими входными токами и с большим коэффициентом усиления, а также за счет уменьшения сопротивлений R1, R2, Rос при обеспечении равенства:

.

Входное сопротивление инвертирующего ОУ практически равно R1, поэтому при проектировании измерителей тока R1 = Rвх. Измеряемый ток от источника тока протекает через резистор Rос и напряжение на выходе усилителя:

/

Нижний предел измеряемого тока ограничивается наличием тока смещения iсм-. При работе с источником тока Rc >> Rос, поэтому усиление по напряжению такой схемы равно:

,

т.е. погрешность из-за наличия напряжения смещения нуля мала.

При измерении малых токов сопротивление Rос должно быть достаточно велико и шумовые токи внести значительные погрешности в выходной сигнал. Поэтому обычно параллельно резистору Rос включают конденсатор, снижающий уровень высокочастотных шумов.

Для построения цифровых вольтметров часто применяется неинвертирующее включение операционного усилителя.

 

В этой схеме напряжение обратной связи Uос определяется как: .

Идеальный усилитель в этой схеме включения имеет коэффициент усиления по напряжению:

.

Входное сопротивление неинвертирующего усилителя достаточно велико: .

В большинстве случаев погрешности, вызванные сопротивлением источника сигнала, определяются не входным сопротивлением усилителя, а наличием входных токов iсм+ и iсм-, которые создают падение напряжения на внутреннем сопротивлении источника сигнала. Для уменьшения влияния температурного дрейфа входных токов необходимо выбирать сопротивление резистора R3 = R1||R2.

 




Поделиться с друзьями:


Дата добавления: 2014-01-05; Просмотров: 1006; Нарушение авторских прав?; Мы поможем в написании вашей работы!


Нам важно ваше мнение! Был ли полезен опубликованный материал? Да | Нет



studopedia.su - Студопедия (2013 - 2025) год. Все материалы представленные на сайте исключительно с целью ознакомления читателями и не преследуют коммерческих целей или нарушение авторских прав! Последнее добавление




Генерация страницы за: 0.012 сек.