Студопедия

КАТЕГОРИИ:


Архитектура-(3434)Астрономия-(809)Биология-(7483)Биотехнологии-(1457)Военное дело-(14632)Высокие технологии-(1363)География-(913)Геология-(1438)Государство-(451)Демография-(1065)Дом-(47672)Журналистика и СМИ-(912)Изобретательство-(14524)Иностранные языки-(4268)Информатика-(17799)Искусство-(1338)История-(13644)Компьютеры-(11121)Косметика-(55)Кулинария-(373)Культура-(8427)Лингвистика-(374)Литература-(1642)Маркетинг-(23702)Математика-(16968)Машиностроение-(1700)Медицина-(12668)Менеджмент-(24684)Механика-(15423)Науковедение-(506)Образование-(11852)Охрана труда-(3308)Педагогика-(5571)Полиграфия-(1312)Политика-(7869)Право-(5454)Приборостроение-(1369)Программирование-(2801)Производство-(97182)Промышленность-(8706)Психология-(18388)Религия-(3217)Связь-(10668)Сельское хозяйство-(299)Социология-(6455)Спорт-(42831)Строительство-(4793)Торговля-(5050)Транспорт-(2929)Туризм-(1568)Физика-(3942)Философия-(17015)Финансы-(26596)Химия-(22929)Экология-(12095)Экономика-(9961)Электроника-(8441)Электротехника-(4623)Энергетика-(12629)Юриспруденция-(1492)Ядерная техника-(1748)

Измерительные преобразователи переменного тока




Широкое применение в цифровых измерительных приборах нашли методы измерения переменного тока и напряжения, основанные на линейном преобразовании среднего значения измеряемого сигнала в напряжение постоянного тока. Наиболее просто такое преобразование осуществляется с помощью пассивного диодного выпрямителя. Однако такие преобразователи имеют целый ряд недостатков – малый динамический диапазон входных напряжений, в пределах которого сохраняется линейность преобразования и его стабильность.

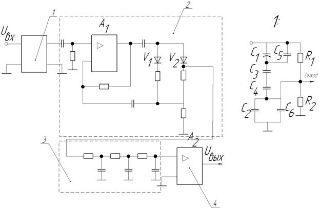
Большими возможностями обладают активные преобразователи средневыпрямленных значений. Схема преобразователя среднего значения напряжения содержит масштабирующий преобразователь 1, выпрямитель 2, сглаживающий фильтр 3 и согласующий усилитель 4.

Масштабирующий преобразователь представляет собой частотно компенсированный делитель напряжения, состоящий из резисторов R1 и R2 и конденсаторов C1 - C6. В цепь отрицательной обратной связи включены диоды VD1 и VD2.

Сглаживающий фильтр устраняет пульсации выходного напряжения. Стремление сократить габаритные размеры сглаживающего фильтра заставили применять резисторы с достаточно большими номиналами, поэтому для согласования большого выходного сопротивления применяют согласующий усилитель А2:

.

где Kф – коэффициент формы кривой измеряемого сигнала; Uном – номинальное значение входного напряжения; Δ – коэффициент, определяющий отличие реальной функции преобразования от идеальной линейной зависимости; Δград – коэффициент, определяющий отличие реальной функции преобразования от идеальной в градуировочной точке; Rн’ – значение сопротивления в цепи диода VD2.

В свою очередь:

,

где Rпр1, Rпр2 – прямые сопротивления диодов; Rобр1, Rобр2 – обратные сопротивления диодов; Rн’’ – сопротивление в цепи диода VD1.

Для увеличения входного сопротивления прибора обязательно уменьшение эквивалентной емкости Cэкв1, состоящей из конденсаторов С1, С3 – С5, шунтирующей резистор R1. Однако уменьшение этой емкости до значений, сравнимых со значениями паразитных емкостей элементов относительно общей шины, может привести к закарачиваниям при регулировке делителя. На практике обычно применяются емкости от 10 до 12 нФ при использовании в делителе проволочных резисторов. Применение последовательной цепи C3, C4, C5, обеспечивает требуемую электрическую прочность изоляции делителя.

В цифровых приборах, измеряющих пиковые значения, используются преобразователи амплитудных значений, в которых применяются методы линеаризации передаточных характеристик пикового детектора путем включения его в цепь ООС усилителя. Включение диодно – емкостной ячейки в замкнутый контур с большим усилением дает эффект, эквивалентный деформации ВАХ диода, что позволяет повысить точность преобразования, особенно в области малых значений измеряемого сигнала.

Для хранения информации на конденсаторе также создают более благоприятные условия, т.к. обратное напряжение на диоде очень мало зависит от измеряемого напряжения.

Находится в состоянии глубокой перекомпенсации и его выходное напряжение определяется в основном свойствами выходного каскада. Это позволяет выбрать режим, наиболее благоприятный для подавления различных паразитных токов, перезаряжающих запоминающий конденсатор .

При изменении входного сигнала в сторону увеличения диод открытии напряжение на запоминающемся конденсаторе повторяет изменение входного сигнала.

При изменении входного сигнала в сторону уменьшения диод закрывается, что обеспечивает запоминание максимального значения числа до момента появления на входе большого сигнала или до сброса в нулевое состояние ключом S.

 

Схема амплитудного детектора.

 

Для оценки погрешности амплитудного детектора можно записать уравнение:

,

где - напряжение ошибки; ; К- коэффициент усиления усилителя .

,

где - коэффициент передачи связи цепи обратной связи.

Таким образом, погрешности, связанные с наличием у диода вольт-амперной характеристики с малой проводимостью, уменьшаются в раз. Погрешности амплитудного детектора определяются током утечки запоминающего конденсатора, временем переключения диода , утечкой тока через переключатель S и диод , а также разрядом емкости и входным током усилителя . Для нормальной работы детектора необходима коррекция частотных характеристик усилителей и , с тем, чтобы усилитель обладал значительно большим быстродействием, чем входной усилитель . В том случае, если усилитель обеспечивает более быстрый заряд конденсатора Со, чем может отслеживать усилитель , из-за издержек по цепи обратной связи возможен перезаряд емкости , который приводит к значительной погрешности.

 




Поделиться с друзьями:


Дата добавления: 2014-01-05; Просмотров: 1080; Нарушение авторских прав?; Мы поможем в написании вашей работы!


Нам важно ваше мнение! Был ли полезен опубликованный материал? Да | Нет



studopedia.su - Студопедия (2013 - 2025) год. Все материалы представленные на сайте исключительно с целью ознакомления читателями и не преследуют коммерческих целей или нарушение авторских прав! Последнее добавление




Генерация страницы за: 0.011 сек.