Студопедия

КАТЕГОРИИ:


Архитектура-(3434)Астрономия-(809)Биология-(7483)Биотехнологии-(1457)Военное дело-(14632)Высокие технологии-(1363)География-(913)Геология-(1438)Государство-(451)Демография-(1065)Дом-(47672)Журналистика и СМИ-(912)Изобретательство-(14524)Иностранные языки-(4268)Информатика-(17799)Искусство-(1338)История-(13644)Компьютеры-(11121)Косметика-(55)Кулинария-(373)Культура-(8427)Лингвистика-(374)Литература-(1642)Маркетинг-(23702)Математика-(16968)Машиностроение-(1700)Медицина-(12668)Менеджмент-(24684)Механика-(15423)Науковедение-(506)Образование-(11852)Охрана труда-(3308)Педагогика-(5571)Полиграфия-(1312)Политика-(7869)Право-(5454)Приборостроение-(1369)Программирование-(2801)Производство-(97182)Промышленность-(8706)Психология-(18388)Религия-(3217)Связь-(10668)Сельское хозяйство-(299)Социология-(6455)Спорт-(42831)Строительство-(4793)Торговля-(5050)Транспорт-(2929)Туризм-(1568)Физика-(3942)Философия-(17015)Финансы-(26596)Химия-(22929)Экология-(12095)Экономика-(9961)Электроника-(8441)Электротехника-(4623)Энергетика-(12629)Юриспруденция-(1492)Ядерная техника-(1748)

Frequency regulation of AM




 

The frequency method of speed regulation of AM in it different varieties is one of the widely spread. Sense of method is running out from the well-known relationship for synchronous speed

,

from where one can see that angular speed w0 is changed not only at changing of poles pair number р, but and at changing of supply frequency.

This method has the best results of speed regulation comparatively to other methods. The only one stopping factor is still high cost of supply frequency converter. This method provides the smooth speed regulation in wide range, and obtained static characteristics have a high rigidity. Frequency method has such important property as sliding stability at speed regulation (there is no this at rheostatic regulation). Under this circumstance sliding losses () are insignificant, i.e. the method is economical.

For the better using of AM, obtaining of high energetic characteristics (, efficiency and overload capability), simultaneously with supply frequency changing the value of supply voltage should be changed. The law of voltage changing with this depends on character of loading moment.

If in case of choosing of relationship between and take into consideration the maintaining of loading moment stability (first class of mechanisms) at speed regulation, so at this the magnetic flux should be maintained constant.

From the Kap formula (calculates the e.m.f. value for harmonic law of current changing)

,

where – AC frequency;

– magnetic flux;

number of stator winding turns;

– winding coefficient;

phase voltage,

the law of voltage and frequency changing is running out

(Kostenko formula).

For mechanisms of third class (with the fan loading moment) this law has to be:

.

For mechanisms of fourth class (decreases non-linearly with the speed increasing) this law has to be:

.

Mechanical characteristics of AM for law of regulation are represented on figure 4.36.

For regulation frequencies the maximal moment is practically constant (maintaining of high overloading capability).

For regulation frequencies, when the voltage can’t be increased due to magnetic system saturation and practically remains constant, equal to , the maximal moment of motor decreases.

Remark. The abovementioned conclusions are obtained neglecting the active resistance of stator winding. This assumption is not absolutely correct at low frequencies, when inductive resistance decreases and relative active resistance increases. The voltage drop on it needs the voltage decreasing in smaller measure, than the relationshiprequires.

 

 

Figure 4.36 – Mechanical characteristics of AM at frequency regulation.

 

It should be mentioned that frequency regulation especially nowadays is used for regulating synchronous ED. The necessary element of ED at frequency control is the frequency converter (and voltage one).

Various types of frequency converters, that are used at frequency regulation, can be divided into two groups:

- static converters, that have the most wide usage;

- electromechanical converters based on usual, or special electric machines, earlier they had the wide using, but still are used in exploitation, especially in high-power and some special ED.

Electric machine converters

 

The scheme of four-machine converter is constructed on base of synchronous generator and system G – M, figure 4.37.

 

 

Figure 4.37 – Electric machine frequency converter for AM powering (АМ2-АМ4).

 

System G - M consists of DCG and DCM of independent excitation. The drive of generator is asynchronous non-regulated motor, that is energized from standard AC network. Regulated motor is a drive of synchronous generator – the source of regulated frequency and voltage.

Frequency regulation of convertor is realized by speed regulation of generator by motor. Motor speed regulation is two-zoned: down from the main voltage of generator (the excitation current is changed by resistor, and flux also is changed); up from the main voltage due to motor field weakening (the excitation current of motor is changed by resistor). A voltage magnitude in correspondent relationship to frequency is regulated by magnetic flux changing of generator due to current regulation of its excitation winding by resistor.

In such a way, the system is four-machine convertor, to the input of which unregulated alternating voltage of industrial frequency is applied (~;), and at the output we have regulated alternating voltage (~; ) for AM powering (; ; ;...), the load speed of which should be regulated.

Such system is used, for example, in multi-motor drive of rolling mills, where the great quantity of rolls simultaneously is as supporting as driving (with the mounted in it AM). Powering of these (mounted) AM from the considered converter will provide the speed regulation of multi-motor ED.

The disadvantages of convertor as the electric machine system are analogical to considered ones in paragraph 4.3.4. It should be added that in this case a set power 4 times exceeds the ED power, and efficiency multiplication of four rotational machines in the best case will give the total efficiency near 66%.

Advantages of convertor are analogical to considered ones in paragraph 4.3.4. It should be added the following:

- the possibility simply to realize independent regulation of voltage and frequency;

- the possibility simply to realize an automatic supporting ;

- under over-high powers the using of static convertor can be problematic (have a high cost, or isn’t produced, or quality is not sufficient, parameters do not correspond and so on), but electric machine convertor can be designed in manufacturing conditions with the help of standard electric equipment and apparatuses.

But for ED frequency regulation in the most cases static convertors are used.

 

Static frequency convertors (SFC)

 

As had been mentioned the wide using of SFC nowadays occurs due to creation of high-power thyristors and transistors, success in microelectronics and microprocessor engineering. Modern SFC with microprocessor control, high efficiency and high response are the main factors of power SFC application.

SFC can be divided into 2 groups:

- convertors with direct connection between power network and load;

- convertors with intermediate DC link.

 

Convertors with direct connection

 

Such SFC are used for AM powering under the low frequencies (»10 Hz and lower) at industrial supply frequency 50 Hz.

Simplified scheme of such convertor is represented on figure 4.38.

The power part of thyristor convertor consists of agreeable transformer and two groups of thyristors on each phase (on phase). Control system - . Let’s consider the principle of operation on example of phase. Magnitude of output voltage and frequency depend on operation regime of two thyristor groups and.

 

 

Figure 4.38 – A simplified scheme of frequency converter with direct connection between power network and load.

 

Frequency depends on operation time of thyristor groups (oscillation period of voltage is defined by operation time for each thyristor of positive and negative half-waves of input voltage with period), see figure 4.39.

Time - is pause between switching on of one thyristor group and switching on of another one. It can be regulated and can equal to zero:

– discrete regulation,

– smooth regulation.

Magnitude is regulated by changing of control angle.

Obtaining on the load of three-phase output voltage with the phase shift on a third of period is realized by that the control pulses on thyristor groups, , are applied with shift on a third of period of output voltage correspondently to control signals , figure 4.38.

 

 

Figure 4.39 – Obtaining the output voltage of phase А at three-phase input voltage.

 

The disadvantages of scheme are presence of neutral wire on the load, and limited regulation range.

Convertors with intermediate DC link do not have these disadvantages, so they are widely used.

 

Convertors with intermediate DC link

 

Power part of such convertor consists of connected in series static convertor of AC into DC and static convertor of DC into AC.

Convertor is controlled rectifier, rectified voltage magnitude of which is regulated by changing of control angle a for thyristors of rectifier with the help of control system.

Convertor is controlled invertor, output alternating voltage frequency of which is regulated by changing of commutation frequency for thyristors of invertor with the help of control system (figure 4.40).

 

 

Figure 4.40 – Structural scheme of SFC with intermediate DC link between the power network and load.

 

Control signals and are applied to corresponding control systems from the set unit.

In such a way voltage amplitude ~is regulated on, and frequency – on.

Operation principle of was considered at studying of static convertors for DCM powering from AC network (paragraph 4.3.4).

Principle of regulating frequencyobtaining can be explained on scheme which consists of three-phase load , connected into a wye, and six thyristors , connected into bridge scheme, fragment а of figure 4.41.

 

 

а – scheme;

b – time-current diagrams.

Figure 4.41 – To explanations of principle for invertor regulating frequency obtaining.

 

With the help of invertor control system these thyristors can be opened with the necessary sequence and for any time interval.

When inverting an open-state thyristor period l is often used on half (), or on a third () of period of regulating frequency , fragment b of figure 4.41.

In considered fragment.

The shift of thyristor opening moment VS1 – VS6 is the sixth part of regulating frequency period

,

i.e. interval between thyristor opening moments is

.

Time-current diagrams of thyristors operation (figure 4.41, fragment b) are represented for three load phases. Here phase currents , , , that pass through the odd thyristors , , are plotted in positive direction, and through the even thyristors , , – in negative. As seen from diagram, in each moment of time three thyristors from the six turn out as opened, at that for the period there are six intervals () of various combinations for opened and closed thyristors states.

Accordingly to these thyristor states, magnitude and direction of constant voltage and resistance of load phases, under this load there will be a standard system of three-phase AC voltage, but not of the sinusoidal form.

Relatively to method of thyristor current commutation invertors are divided into two types:

- invertors led by network;

- autonomous invertors.

In invertors led by network the current commutation from valve to valve is provided by AC voltage of power source (natural commutation).

In autonomous invertors the current commutation from valve to valve is realized by additional elements (condensers and inductive coils) – forced (artificial commutation).

In frequency ED autonomous invertors are used.

Autonomous invertors in its turn are divided into:

- autonomous voltage invertors (AVI);

- autonomous current invertors (ACI).

AVI have the power source – voltage source. If AVI is powered from, then on rectifier output the condenser of high capacity is established. Consequently AVI have rigid external characteristic []. In this case the control action on AM have to be frequency and voltage.

ACI have properties of current source, for that their powering is realized from current source. If ACI is powered from, then on rectifier output a throttle of high inductance is established. In this case the control action on AM have to be frequency and stator current.

Frequency ED can have AVI as well as ACI. The advantage of AVI is independence of output voltage from the load. This simplifies the formulation of necessary frequency regulation laws (for example, and so on).

If ED operates with frequent transient processes, or when recuperative braking has place, it is rational to use ACI (here can transit into invertor regime and at maintaining of rectified current direction, energy recuperates into the network).

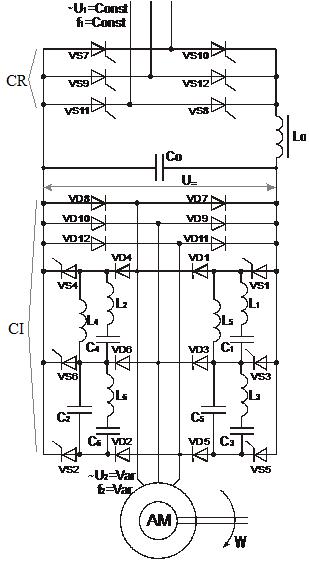
Widely used scheme of SFC with AVI is scheme, represented on figure 4.42.

 

 

Рисунок 4.42 – Scheme of static frequency convertor with autonomic voltage invertor.

Here thyristors create the control rectifier. To output of the reactor of smoothing filter is connected. To output of the condenser is also connected, which with diodes provide the circulation of reactive power.

The designation of thyristors is considered earlier (see comments to figures 4.13 and 4.31, fragment а) – for inverting of AC voltage of regulated frequency. Condensers and inductances (commutating condensers and inductances) with create the circuits of artificial commutation, that provide closing of main thyristors in necessary time.

It should be reminded that output voltage amplitude is regulated by changing of rectified voltage due to control angle of thyristors, and frequency of is defined by frequency of thyristor commutation.

For obtaining of qualitive static and dynamic characteristics of AM in SFC system various feed-backs from motor are used (by speed, magnetic flux, current and others).

 




Поделиться с друзьями:


Дата добавления: 2014-01-05; Просмотров: 521; Нарушение авторских прав?; Мы поможем в написании вашей работы!


Нам важно ваше мнение! Был ли полезен опубликованный материал? Да | Нет



studopedia.su - Студопедия (2013 - 2026) год. Все материалы представленные на сайте исключительно с целью ознакомления читателями и не преследуют коммерческих целей или нарушение авторских прав! Последнее добавление




Генерация страницы за: 0.012 сек.