Студопедия

КАТЕГОРИИ:


Архитектура-(3434)Астрономия-(809)Биология-(7483)Биотехнологии-(1457)Военное дело-(14632)Высокие технологии-(1363)География-(913)Геология-(1438)Государство-(451)Демография-(1065)Дом-(47672)Журналистика и СМИ-(912)Изобретательство-(14524)Иностранные языки-(4268)Информатика-(17799)Искусство-(1338)История-(13644)Компьютеры-(11121)Косметика-(55)Кулинария-(373)Культура-(8427)Лингвистика-(374)Литература-(1642)Маркетинг-(23702)Математика-(16968)Машиностроение-(1700)Медицина-(12668)Менеджмент-(24684)Механика-(15423)Науковедение-(506)Образование-(11852)Охрана труда-(3308)Педагогика-(5571)Полиграфия-(1312)Политика-(7869)Право-(5454)Приборостроение-(1369)Программирование-(2801)Производство-(97182)Промышленность-(8706)Психология-(18388)Религия-(3217)Связь-(10668)Сельское хозяйство-(299)Социология-(6455)Спорт-(42831)Строительство-(4793)Торговля-(5050)Транспорт-(2929)Туризм-(1568)Физика-(3942)Философия-(17015)Финансы-(26596)Химия-(22929)Экология-(12095)Экономика-(9961)Электроника-(8441)Электротехника-(4623)Энергетика-(12629)Юриспруденция-(1492)Ядерная техника-(1748)

Опалення і вентиляція салону

Протисонячний козирок19 кріпиться до кузова двома гвинтами через кронштейни 18. Фіксація протисонячного козирка і легкість його встановлення регулюється гвинтом 20.

Брудовідбивний фартух кріпиться до кронштейна за аркою заднього колеса. З цією метою на кронштейні передбачені два прямокутні отвори. Для кріплення фартуха спочатку треба завести в отвір фартуха втулку 15, потім вставити втулку 15 з фартухом в отвір кронштейна на кузові і забити в отвір втулки 15 пістон 14.

 

Опалення і вентиляція конструктивно взаємозв’язані і служать для вентиляції салону в літній час і подачі нагрітого повітря чи змішаного повітря в салон в зимову пору року. Повітря подається в салон або природнім шляхом при русі або електричним вентилятором, створюючи таким чином комфорт в салоні.

Опалювач розміщений в салоні кузова і кріпиться за провушини корпуса чотирма гайками до приварених шпильок на панелі повітроподачі. Все повітря, яке поступає в салон (холодне чи підігріте), входить через щілини зовнішнього облицювання панелі, дальше через повітропровід, опалювач і в залежності від розміщення заслінок поступає в район скла вітрового вікна, на бокове скло, в центральну частину панелі приладів і в район ніг водія чи пасажира.

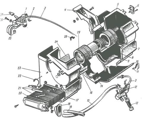
Опалювач (рис. 20. 14.) має правий 23 і лівий 5 кожухи, які з’єднуються між собою скобами 28.

В верхній частині опалювача між верхнім 4 і нижнім 14 кожухами кріпиться електродвигун 9 з гумовою прокладкою 8. На вал електродвигуна з обох боків напресовуються робочі колеса7, які утримуються стопорними кільцями 29. В внутрішній частині кожухів є вибірка, пазами якої через прокладку 8 утримується електродвигун. Кожухи 4 і 14 між собою кріпляться болтами. Підібраний електродвигун з робочими колесами і кожухами встановлюється у виборці між правим і лівим кожухами і утримується в спеціально відлитих кільцевих канавках.

 

Рис. 20. 14. Деталі опалювача і його кріплення:

1 – блок керування опалювачем; 2 – скоба кріплення тяги; 3 – тяга;4 – верхній кожух;

5 – лівий кожух; 6 – резистор; 7 – робоче колесо; 8 – прокладка; 9 – електродвигун;

10 – заслінка кожуха; 11 – пружина заслінок; 12 – кран керування; 13 - шланг від двигуна;

14 – нижній кожух; 15 – шланг від крана керування; 16 – задня заслінка; 17, 21 – важелі приводу заслінок; 18 – ущільнювач; 19 – шланг від двигуна; 20 – радіатор; 22 – пружина заслінок; 23 – правий кожух; 24 – передня заслінка; 25 – пластинчаста гайка; 26 – болт кріплення блока; 27 – рукоятка; 28 – пружинна скоба кріплення кожухів; 29 – стопорне кільце

Керування роботою електровентилятора здійснюється ручкою 6 (рис. 20. 14.) частоти обертання електродвигуна, яка виведена також на панель приладів. Електрична схема включення електродвигуна приведена на рис. 20. 15, вигляд А).

В нижній частині опалювача розміщений радіатор 20 (рис. 20. 14.), який кріпиться до зовнішньої панелі правого кожуха трьома гвинтами. Радіатор з’єднаний з краном керування 12 і системою охолодження двигуна шлангами 15 і 19. Шланги на стінці моторного відсіку ущільнені гумовим ущільнювачем 18.

Над радіатором встановлені заслінки передня 24 і задня 16. Приводи заслінок здійснюються важелями 17 і 21, які виведені на праву сторону кожуха. Для фіксації важелів в закритому чи відкритому положенні служить пружина 22.

Під радіатором встановлена заслінка кожуха 10 з рукояткою керування, яка розміщена в нижній частині опалювача

 

Рис. 20. 15. Опалення і вентиляція:

1 – панель приладів; 2 – скло вітрового вікна; 3 – облицювання панелі; 4 – капот передка;

5 – бокові сопла вентиляції і обігрівання салону; 6 – ручка переключення частоти обертання електродвигуна вентилятора; 7 – рукоятка керування краном опалювача;

7– важіль керування заслінками опалювача; 9 – важіль відкриття нижньої заслінки;

10 – ручка (маховичок) приводу заслінок; 11 – рукоятка керування напрямними соплами;

12 – панель повітроподачі; 13 – кожух опалювача; 14 – тяга керування краном опалювача;

15 – робоче колесо; 16 – відвідний шланг; 17 – підвідний шланг; 18 – радіатор опалювача;

19 – ущільнювач; 20 – блок резисторів; 21 – електродвигун вентилятора; 22 – болт кріплення блока керування опалювачем; 23 – блок керування опалювачем;

24 – запобіжник; 25 – центральна заслінка вентиляції;

I – шлях холодного повітря; II – шлях нагрітого повітря; III – шлях повітря при вентиляції;

IY – шлях рідини через кран і радіатор опалювача; Y - кран керування; YI – електродвигун з робочими колесами і електрична схема включення

 

 

Кран керування 12 опалювачем служить для регулювання циркуляції рідини в радіатора. На опалювачі може бути встановлений кран керування пластмасовий чи металічний нерозбірної конструкції. Керування краном здійснюється тягою 3, з’єднаною з блоком керування 1. Блок керування кріпиться в середній частині панелі приладів двома болтами, рукоятка його виведена на панель приладів.

Робота опалювача. Для опалення салону і запобігання стекол від запотівання і обмерзання необхідно:

· відкрити кран опалювача переміщенням рукоятки 7

(рис. 20. 14) в крайнє ліве положення;

· відкрити заслінки передню і задню, встановивши важіль 8 керування заслінками в нижнє положення.

При русі автомобіля нагріте повітря буде поступати в салон. Для збільшення його постування можна додатково включити електричний вентилятор. Електровентилятор включається ручкою 6, яка має чотири положення: “ Включено “, а при повороті ручки 6 за годинниковою стрілкою включаються 1 - а, 2 – а чи 3 – я швидкості обертання електровентилятора.

В залежності від положення заслінки 25 (керується ручкою 10) і нижньої заслінки, яка відкривається важелем 9, а також положенням рукоятки 11 керування соплами нагріте повітря буде поступати на панель приладів, бокові стекла, скло вітрового вікна і в район ніг водія і пасажира.

Для швидкого нагрівання тільки вітрового скла і бокових стекол потрібно заслінку 25 на панелі приладів і заслінку під радіатором (яка керується важелем 9) закрити, направивши таким чином максимально весь потік теплого повітря на стекла.

Ефективність роботи опалювача залежить від температури охолоджувальної рідини в двигуні, яку в холодну пору року необхідно підтримувати в межах 80...90 ° С.

Для швидкого прогрівання двигуна і підвищення ефективності опалювача необхідно в зимову пору року перед радіатором охолодження двигуна встановити екран для підтримання нормальної температури двигуна.

Радіатор (рис. 20. 16.)розбірний, трубчасто – пластинчастий, з пластмасовими бачками.

 

Рис. 20. 16. Радіатор опалювача:

1 – ущільнювальна прокладка бачка; 2 – лівий бачок; 3 – відгинаючий вусик бачка;

4 – турбулізатор радіатора; 5, 6 – дно бачка; 7 - охолоджувальна пластина

 

Серцевина радіатора виготовлена з алюмінієвих охолоджувальних трубок і алюмінієвих охолоджувальних пластин. З кожної сторони серцевини радіатора встановлюється металічне дно з гумовою прокладкою. Прокладка ущільнює кінці трубок, а встановлений на ній пластмасовий бачок притискається до прокладки вусиками, які відгинаються. Всередині трубок встановлені пластмасові турбулізатори для кращого відведення тепла.

 

<== предыдущая лекция | следующая лекция ==>
Приналежності кузова | Причепи і напівпричепи
Поделиться с друзьями:


Дата добавления: 2014-01-05; Просмотров: 454; Нарушение авторских прав?; Мы поможем в написании вашей работы!


Нам важно ваше мнение! Был ли полезен опубликованный материал? Да | Нет



studopedia.su - Студопедия (2013 - 2026) год. Все материалы представленные на сайте исключительно с целью ознакомления читателями и не преследуют коммерческих целей или нарушение авторских прав! Последнее добавление




Генерация страницы за: 0.01 сек.