Студопедия

КАТЕГОРИИ:


Архитектура-(3434)Астрономия-(809)Биология-(7483)Биотехнологии-(1457)Военное дело-(14632)Высокие технологии-(1363)География-(913)Геология-(1438)Государство-(451)Демография-(1065)Дом-(47672)Журналистика и СМИ-(912)Изобретательство-(14524)Иностранные языки-(4268)Информатика-(17799)Искусство-(1338)История-(13644)Компьютеры-(11121)Косметика-(55)Кулинария-(373)Культура-(8427)Лингвистика-(374)Литература-(1642)Маркетинг-(23702)Математика-(16968)Машиностроение-(1700)Медицина-(12668)Менеджмент-(24684)Механика-(15423)Науковедение-(506)Образование-(11852)Охрана труда-(3308)Педагогика-(5571)Полиграфия-(1312)Политика-(7869)Право-(5454)Приборостроение-(1369)Программирование-(2801)Производство-(97182)Промышленность-(8706)Психология-(18388)Религия-(3217)Связь-(10668)Сельское хозяйство-(299)Социология-(6455)Спорт-(42831)Строительство-(4793)Торговля-(5050)Транспорт-(2929)Туризм-(1568)Физика-(3942)Философия-(17015)Финансы-(26596)Химия-(22929)Экология-(12095)Экономика-(9961)Электроника-(8441)Электротехника-(4623)Энергетика-(12629)Юриспруденция-(1492)Ядерная техника-(1748)

Формирование импульсов различной формы




 

Формирователь экспоненциальных импульсов.

 

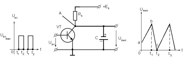
Транзистор работает в ключевом режиме, это значит, что когда он открыт, то находится в режиме насыщения, а когда закрыт – в режиме отсечки.

В момент времени равный нулю, сигнал на входе отсутствует, VT – закрыт, происходит заряд конденсатора по цепочке.

 

1) t=0

заряд конденсатора

2) t1

открывает транзистор, внутреннее сопротивление VT становится равным нулю и происходит разряд конденсатора

3) t2

транзистор закрыт, происходит заряд конденсатора.

 

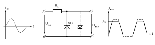
Формирователь трапециидальных импульсов.

 

 

 

В качестве формирователя трапециидальных импульсов используют параметрический стабилизатор напряжения, собранный на сопротивлении базы и стабилитроне VD. Т.к. , в выходном сигнале верхушки синусоиды срезаются.

 

Формирователь пилообразных импульсов (ГЛИН – генератор линейно-изменяющихся напряжений).

 

Заряд С происходит медленно, т.к. - постоянная времени зарядной цепи.

 

 

Разряд С происходит быстро, т.к. - постоянная времени зарядной цепи.

 

Разная протяженность во времени выходного сигнала линейно-изменяющихся напряжений объясняется разными параметрами зарядной и разрядной цепи конденсатора. Постоянная времени зарядной цепи включает в себя и , поэтому напряжение на участке от 0 до растет медленно. Постоянная времени разрядной цепи включает в себя и , поэтому напряжение на участке от до падает резко.

 




Поделиться с друзьями:


Дата добавления: 2014-01-06; Просмотров: 468; Нарушение авторских прав?; Мы поможем в написании вашей работы!


Нам важно ваше мнение! Был ли полезен опубликованный материал? Да | Нет



studopedia.su - Студопедия (2013 - 2026) год. Все материалы представленные на сайте исключительно с целью ознакомления читателями и не преследуют коммерческих целей или нарушение авторских прав! Последнее добавление




Генерация страницы за: 0.012 сек.