Студопедия

КАТЕГОРИИ:


Архитектура-(3434)Астрономия-(809)Биология-(7483)Биотехнологии-(1457)Военное дело-(14632)Высокие технологии-(1363)География-(913)Геология-(1438)Государство-(451)Демография-(1065)Дом-(47672)Журналистика и СМИ-(912)Изобретательство-(14524)Иностранные языки-(4268)Информатика-(17799)Искусство-(1338)История-(13644)Компьютеры-(11121)Косметика-(55)Кулинария-(373)Культура-(8427)Лингвистика-(374)Литература-(1642)Маркетинг-(23702)Математика-(16968)Машиностроение-(1700)Медицина-(12668)Менеджмент-(24684)Механика-(15423)Науковедение-(506)Образование-(11852)Охрана труда-(3308)Педагогика-(5571)Полиграфия-(1312)Политика-(7869)Право-(5454)Приборостроение-(1369)Программирование-(2801)Производство-(97182)Промышленность-(8706)Психология-(18388)Религия-(3217)Связь-(10668)Сельское хозяйство-(299)Социология-(6455)Спорт-(42831)Строительство-(4793)Торговля-(5050)Транспорт-(2929)Туризм-(1568)Физика-(3942)Философия-(17015)Финансы-(26596)Химия-(22929)Экология-(12095)Экономика-(9961)Электроника-(8441)Электротехника-(4623)Энергетика-(12629)Юриспруденция-(1492)Ядерная техника-(1748)

Общие сведения. Электрические трансформаторы




Электрические трансформаторы

Тема 5. Электрические машины

 

 

Электрический трансформатор - электромагнитное устройство, пре­образующее напряжение и ток одного уровня в напряжение и ток другого уровня при неизменной частоте и малой потере мощности.

Генераторы электрических станций вырабатывают электрическую энергию при напряжении 6, 10, 15 кВ, так как на более высокие напряжения конструировать электрогенераторы сложно в связи с трудностью обеспечить хорошую изоляцию обмоток.

В то же время в линиях электропередачи применяют напряжения до 110, 220, 400, 500 кВ и более, чтобы уменьшить силу тока в линии, а значит и сечение проводов, что позволяет резко снизить мощность потерь и стоимость линий электропередач.

Таким образом, необходимы повышающие трансформаторы, уве­личивающие напряжение генераторов электрических станций до напряжения линий электропередач. В местах же потребления электрической энергии, на производстве, в быту и так далее необходимы понижающие трансформаторы, чтобы иметь напряжения 380, 220, 127 В и менее.

Силовые трансфоматоры существую в трехфазном или однофазном исполнении.

Силовые трансформаторы менее одного кВА выполняют с воздушным охлаждением, выше – с масляным.

По конструкции магнитоповода: с броневым или со стержневым

Существуют специальные измерительные, радиотехнические и др.

Электрические трансформаторы имеют высокий коэффициент полезного действия, доходящий до 99 % и высокую надежность, так как не содержат движущихся частей.

Изобрел электрический трансформатор в 1876 году П.Н. Яблочков.

В 1891 году М.О. Доливо-Добровольским была разработана конструкция первого трехфазного электрического трансформатора.

В дальнейшем трансформаторы стали использоваться повсеместно. Они применяются в измерительной технике: трансформатор тока и трансформатор напряжения, в радиотехнике: трансформаторы развязки, согласования и др., в автоматике и во многих др. отраслях.

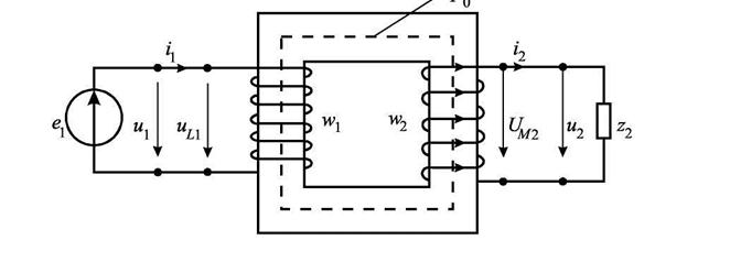
Простейший однофазный электрический трансформатор (рис. 39) состоит из двух обмоток, размещенных на ферромагнитном магнитопроводе, который набран из изолированных друг от друга листов электротехнической стали толщиной 0.3-0.5 мм, с целью уменьшения потерь на вихревые токи (потерь в стали) Pс.

Обмотка, подключаемая к источнику электрической энергии (генера­тору) или к линии электропередач (электрической сети) называется первичной (входной). Обмотка, к которой подключается приемник электрической энергии - вторичной (выходной).

Рис. 39. Схема электрической цепи с трансформатором.

 

На щитке электрического трансформатора указываются:

высшее и низшее номинальные напряжения; номинальная полная мощность S = UI, ВА или кВА; частота f (Гц); токи в первичной и вторичной (I,I2 н) обмотках при номинальной мощности; коэффициент трансформации К; число фаз; схема соединений обмоток (звездой или треугольником) в случае трехфазного электрического трансформатора; режим работы (длительный или кратковременный); способ охлаждения (масляный, воздушный).

Крупный силовой трансформатор обязательно имеет масляное охлаждение, поэтому вся активная часть располагается в баке, который имеет масляный расширитель (для сезонного регулирования масла и для связи с атмосферой), радиаторы охлаждения, высоковольтные и низковольтные проходные изоляторы для соединения с внешними устройствами.




Поделиться с друзьями:


Дата добавления: 2014-01-06; Просмотров: 423; Нарушение авторских прав?; Мы поможем в написании вашей работы!


Нам важно ваше мнение! Был ли полезен опубликованный материал? Да | Нет



studopedia.su - Студопедия (2013 - 2026) год. Все материалы представленные на сайте исключительно с целью ознакомления читателями и не преследуют коммерческих целей или нарушение авторских прав! Последнее добавление




Генерация страницы за: 0.011 сек.