Студопедия

КАТЕГОРИИ:


Архитектура-(3434)Астрономия-(809)Биология-(7483)Биотехнологии-(1457)Военное дело-(14632)Высокие технологии-(1363)География-(913)Геология-(1438)Государство-(451)Демография-(1065)Дом-(47672)Журналистика и СМИ-(912)Изобретательство-(14524)Иностранные языки-(4268)Информатика-(17799)Искусство-(1338)История-(13644)Компьютеры-(11121)Косметика-(55)Кулинария-(373)Культура-(8427)Лингвистика-(374)Литература-(1642)Маркетинг-(23702)Математика-(16968)Машиностроение-(1700)Медицина-(12668)Менеджмент-(24684)Механика-(15423)Науковедение-(506)Образование-(11852)Охрана труда-(3308)Педагогика-(5571)Полиграфия-(1312)Политика-(7869)Право-(5454)Приборостроение-(1369)Программирование-(2801)Производство-(97182)Промышленность-(8706)Психология-(18388)Религия-(3217)Связь-(10668)Сельское хозяйство-(299)Социология-(6455)Спорт-(42831)Строительство-(4793)Торговля-(5050)Транспорт-(2929)Туризм-(1568)Физика-(3942)Философия-(17015)Финансы-(26596)Химия-(22929)Экология-(12095)Экономика-(9961)Электроника-(8441)Электротехника-(4623)Энергетика-(12629)Юриспруденция-(1492)Ядерная техника-(1748)

Источники питания установок магнитоимпульсной обработки (МИО). Схемы источников питания, конструкция, принцип действия




Лекция 5

 

Установки для МИО состоят из двух основных узлов: подготовительного (накопление энергии и формирование импульсного напряжения и тока) и узла исполнительного-технологического. К первому узлу относятся генераторы импульсных токов, ко второму – индукторы и связанная с ними технологическая оснастка.

На рис. 1 показана функциональная электрическая схема установки МИО. Батарея-накопитель энергии 1 заряжается от зарядного устройства 3 до требуемого напряжения. По накоплении заданного количества энергии батарея разряжается в импульсном режиме на рабочий индуктор 9 через коммутатор 10 и токопровод 11. В функции устройства 4 входят управление, контроль и сигнализация. Поджигающее устройство 8 подает команду на включение коммутатора 10. Командный датчик 5 и делитель напряжения 6 регулируют значение запасаемой энергии в автоматическом режиме работы.

По достижении установленного напряжения зарядки блок автоматики 7 подает импульсы на включение поджигающего устройства. Снятие остаточного напряжения с накопителя энергии и блокировку осуществляет короткозамыкатель 2.

Рис.1 Структурная схема источника питания установки магнитоимпульсной обработки

 

Генераторы импульсных токов преобразуют электрический ток промышленной частоты в импульсы токов большой амплитуды, которые образуются при разряде мощной батареи. Основными элементами генератора являются зарядное устройство, батарея конденсаторов, коммутирующее и разрядные устройства.

В состав зарядного устройства входят повышающий трансформатор, высоковольтный выпрямитель и пускорегулирующая аппаратура. Батарея конденсаторов служит для накопления электрической энергии с дальнейшей разрядкой на технологическую установку. В установках МИО для этих целей применяются импульсные конденсаторы, что обусловлено, их способностью отдавать накопленную энергию в виде коротких импульсов большой мощности. Конденсаторы должны иметь минимальную индуктивность, их конструкция должна обеспечивать возможность длительной работы в режиме, близком к режиму короткого замыкания. Соединение конденсаторов в батарею определяется требуемой рабочей характеристикой генератора импульсного тока. Для уменьшения времени разрядки батареи конденсаторов и обеспечения кратковременности выделения энергии индукторе необходимо уменьшать общую индуктивность установки за счет снижения индуктивности батареи конденсаторов, ошиновки и разрядка, что в свою очередь повышает эффективность МИО.

Коммутирующее устройство (коммутатор) должно в заданный момент подавать импульс напряжения на рабочую катушку, пропускать возникающий импульсный ток за определенный промежуток времени и регулировать напряжение на конденсаторах. Конструкция коммутатора должна обеспечивать возможности регулирования рабочего напряжения. Коммутатор должен пропускать значительные токи, иметь малую собственную индуктивность, минимальный разброс времени срабатывания и большой срок службы. В установках магнитного формообразования используются механические, ионные и дуговые коммутирующие устройства.

Дуговые разрядники выполняются трех основных конструкций: открытые, вакуумные и газонаполненные. Более перспективными являются вакуумные и газонаполненные. Основное их преимущество широкий предел регулирования рабочего напряжения, возможность изменения давления в разряднике и способность коммутировать значительную энергию.

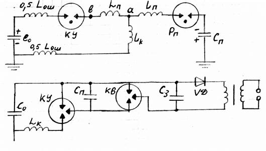
Электрическая схема двухэлектродного газонаполненного разрядника показана на рис. 2.

Рис.2 Электрическая схема устройств коммутации установки магнитоимпульсной обработки

 

В ней предусмотрена емкость Сп, подключаемая к основной цепи с помощью вспомогательного разрядника Рп. При его включении емкость Сп начинает разряжаться через цепь Lп-Lк-0.5Lош-земля, при этом в контуре Сп-Lп-Lк-0.5Lош возникают электромагнитные колебания. В момент включения Рп напряжение в точке а скачкообразно возрастает от 0 до Uсп, а затем падает по косинусоиде. В начальный момент времени напряжение в точке в равно Uс=Uсп, в результате чего напряжение на основном коммутирующем устройстве КУ равно сумме напряжений Uсо+Uсп. При пробивном напряжении разрядника Uпр<Uсо+Uсп происходит разрядка и основная батарея включается на индуктор.

Поджигающее устройство предназначено для запуска основного разрядника. Они могут быть с механическим и электрическим запуском. Схема поджига с поджигающей емкостью Сп, заряжаемой от основного зарядного устройства, показана на рис 3. для запуска основного разрядника КУ надо разрядить емкость поджига Сп. При этом на ее электрод поджига подается импульс напряжения, вызывающий вспомогательный разряд. Разрядка конденсатора осуществляется с помощью дополнительной емкости Сз, заряжаемой вспомогательным выпрямителем VD. Схемы с электрическим запуском применяются в том случае, когда необходимо синхронизировать подачу поджигающего импульса с запуском измерительных или регистрирующих приборов.

Технологический узел – индуктор является одним из наиболее важных узлов установки МИО, поскольку от его конструкции и качества исполнения зависит возможность выполнения МИО, и ее качество. К технологическому узлу предъявляют следующие требования:

а) высокая эффективность преобразования электрической энергии в механическую энергию деформации заготовки;

б) высокие механическая и электрическая прочности;

в) конструктивная и технологическая простота.

 




Поделиться с друзьями:


Дата добавления: 2014-01-07; Просмотров: 1124; Нарушение авторских прав?; Мы поможем в написании вашей работы!


Нам важно ваше мнение! Был ли полезен опубликованный материал? Да | Нет



studopedia.su - Студопедия (2013 - 2026) год. Все материалы представленные на сайте исключительно с целью ознакомления читателями и не преследуют коммерческих целей или нарушение авторских прав! Последнее добавление




Генерация страницы за: 0.01 сек.