Студопедия

КАТЕГОРИИ:


Архитектура-(3434)Астрономия-(809)Биология-(7483)Биотехнологии-(1457)Военное дело-(14632)Высокие технологии-(1363)География-(913)Геология-(1438)Государство-(451)Демография-(1065)Дом-(47672)Журналистика и СМИ-(912)Изобретательство-(14524)Иностранные языки-(4268)Информатика-(17799)Искусство-(1338)История-(13644)Компьютеры-(11121)Косметика-(55)Кулинария-(373)Культура-(8427)Лингвистика-(374)Литература-(1642)Маркетинг-(23702)Математика-(16968)Машиностроение-(1700)Медицина-(12668)Менеджмент-(24684)Механика-(15423)Науковедение-(506)Образование-(11852)Охрана труда-(3308)Педагогика-(5571)Полиграфия-(1312)Политика-(7869)Право-(5454)Приборостроение-(1369)Программирование-(2801)Производство-(97182)Промышленность-(8706)Психология-(18388)Религия-(3217)Связь-(10668)Сельское хозяйство-(299)Социология-(6455)Спорт-(42831)Строительство-(4793)Торговля-(5050)Транспорт-(2929)Туризм-(1568)Физика-(3942)Философия-(17015)Финансы-(26596)Химия-(22929)Экология-(12095)Экономика-(9961)Электроника-(8441)Электротехника-(4623)Энергетика-(12629)Юриспруденция-(1492)Ядерная техника-(1748)

Каскад с общей базой




Усилительный каскад с общей базой(то есть, каскад, у которого источник сигнала включен между эмиттером и базой, а нагрузка – между коллектором и базой) носит название повторителя тока. Повторителем тока называют усилитель с коэффициентом усиления по току Ki = 1. Повторители тока, не обеспечивая усиления по току, имеют достаточно высокий коэффициент усиления по напряжению и, следовательно, по мощности.

Типовая схема повторителя тока на биполярном транзисторе (каскад с ОБ) приведена на рисунке 8.

 
 

Рисунок 8

 

В схеме с ОБ транзистор не обеспечивает усиления по току, что является главным недостатком данной схемы. Кроме этого, большое усиление по напряжению получается лишь в том случае, когда сопротивление нагрузки транзистора больше его входного сопротивления, что не всегда приемлемо. Поэтому схема с ОБ в каскадах предварительного усиления применяется реже, чем схема с ОЭ.

Однако схема с ОБ имеет и преимущества по сравнению со схемой ОЭ. Полоса пропускания в каскаде с ОБ, шире, чем в каскаде с ОЭ. Кроме этого каскад с ОБ не инвертирует входного сигнала.

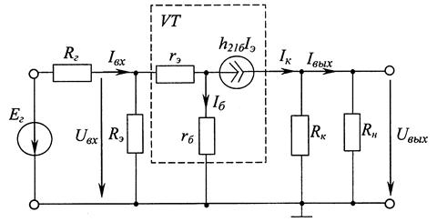
Эквивалентная схема каскада имеет вид:


Рисунок 9

 

Основные параметры каскада будут определяться следующими соотношениями

Входное сопротивление

 

 

где h21б (a) = 0,95 … 0,998, значения дифференциального сопротивления rэ, как правило, не превышают несколько десятков Ом, поэтому входное сопротивление каскада с ОБ как минимум в 1 + h21Э меньше, чем для схемы с ОЭ.

В дальнейшем при определении параметров усилительных каскадов наряду с дифференциальными (h- параметрами) будут использоваться физические параметры биполярного транзистора, поэтому необходимо установить связь между ними и указать примерное их значение:

 

 

 

 

где jТ = 26 мВ – температурный потенциал, а численные значения даны для транзисторов малой и средней мощности.

Выходное сопротивление

 

Коэффициент усиления по напряжению (при условии Rг = 0)

 

Из последнего выражения следует, что т. к. a < 1, то для обеспечения высокого значения Кu необходимо, чтобы каскад работал на высокоомную нагрузку. Если нагрузкой каскада с ОБ будет следующий аналогичный каскад, то согласно приведенному выражению Кu < 1.

Коэффициент усиления по току

 

 

При RК >> RН - KI» a.




Поделиться с друзьями:


Дата добавления: 2014-01-07; Просмотров: 3252; Нарушение авторских прав?; Мы поможем в написании вашей работы!


Нам важно ваше мнение! Был ли полезен опубликованный материал? Да | Нет



studopedia.su - Студопедия (2013 - 2026) год. Все материалы представленные на сайте исключительно с целью ознакомления читателями и не преследуют коммерческих целей или нарушение авторских прав! Последнее добавление




Генерация страницы за: 0.013 сек.