Студопедия

КАТЕГОРИИ:


Архитектура-(3434)Астрономия-(809)Биология-(7483)Биотехнологии-(1457)Военное дело-(14632)Высокие технологии-(1363)География-(913)Геология-(1438)Государство-(451)Демография-(1065)Дом-(47672)Журналистика и СМИ-(912)Изобретательство-(14524)Иностранные языки-(4268)Информатика-(17799)Искусство-(1338)История-(13644)Компьютеры-(11121)Косметика-(55)Кулинария-(373)Культура-(8427)Лингвистика-(374)Литература-(1642)Маркетинг-(23702)Математика-(16968)Машиностроение-(1700)Медицина-(12668)Менеджмент-(24684)Механика-(15423)Науковедение-(506)Образование-(11852)Охрана труда-(3308)Педагогика-(5571)Полиграфия-(1312)Политика-(7869)Право-(5454)Приборостроение-(1369)Программирование-(2801)Производство-(97182)Промышленность-(8706)Психология-(18388)Религия-(3217)Связь-(10668)Сельское хозяйство-(299)Социология-(6455)Спорт-(42831)Строительство-(4793)Торговля-(5050)Транспорт-(2929)Туризм-(1568)Физика-(3942)Философия-(17015)Финансы-(26596)Химия-(22929)Экология-(12095)Экономика-(9961)Электроника-(8441)Электротехника-(4623)Энергетика-(12629)Юриспруденция-(1492)Ядерная техника-(1748)

Определение элементов разворота

ГЛАЗОМЕРНОЕ НАВЕДЕНИЕ С РАСЧЕТАМИ В УМЕ

Тема № 11

 

С достаточной для практики точностью можно рассчитать в уме радиус (R) и время разворота (t разв) по следующим эмпириче­ским формулам:

Определение радиуса разворота (R) в километрах:

 

- При развороте с креном 60° и скоростью V£ 1500 км/ч:

R60° = V / 100 – 5,5(км) (7.1)

- При развороте с креном 60° и скоростью V > 1500 км/ч:

R60° = V / 100 – 4(км) (7.2)

- При развороте с креном 45°:

R45° = 2 × R60° (км) (7.3)

- При развороте с креном 30°:

R30° = 3 × R60° (км) (7.4)

Пример: Определить радиус разворота истребителя (R) для следующих усло­вий: крен (β): 60°, 45°, 30°; скорость (V): 1200 км/ч, 1800 км/ч.

Решение:

1. Определить радиус разворота (R) при крене (β) 60°:

R60° = V / 100 – 5,5 = 1200 / 100 – 5,5 = 6,5 (км)

R60° = V / 100 – 4 = 1800 / 100 – 4 = 14 (км)

2. Определить радиусы разворота (R) при крене (β) 45°:

R45° = 2 × R60° = 2 × 6,5 = 13(км)

R45° = 2 × R60° = 2 × 14 = 28 (км)

3. Определить радиусы разворота (R) при крене (β) 30°:

R30° = 3 × R60° = 3 × 6,5 = 19,5 (км)

R30° = 3 × R60° = 3 × 14 = 42 (км)

 

Определение времени разворота на 180° в секундах:

- Время разворота на 180о с креном 60° определяется по формуле:

t180° = 0, 05 × V = V / 20 (сек) (7.5)

- Время разворота на 180о с креном 45° определяется по формуле:

t180° = 0, 1 × V – 0, 01 × V = V / 10 – V / 100 (сек) (7.6)

- Время разворота на 180о с креном 30° определяется по формуле:

t180° = 1,5 × V / 10 = V / 10 + V / 20 (сек) (7.7)

Примечание: Скорость ЛА берется в км/час.

 

Пример: Определить время разворота истребителя на 180° с креном 60° 45°, 30° на скорости 900 км/ч

Решение:

1. При развороте с креном 60°:

t180° (60°) = V / 20 = 900 / 20 = 45 сек = 0,75 мин

2. При развороте с креном 45°:

t180° (45°) = V / 10 – V / 100 = 90 – 9 = 81 сек = 1 мин 21 сек = 1,33 мин

3. При развороте с креном 30°:

t180° (30°) = 1,5 × V/10 = 1,5 × (900/10) = 135 сек = 2 мин 15 сек = 2,25 мин

§ 11.2. Перевод скорости полета

 

Перевод скорости из км/ч в км/мин и обратно:

Для перевода скорости из км/ч в км/мин и обратно необходимо запомнить расчетные данные, указанные в таблице:

 

V км/ч                          
S, проходимое ЛА за 1 минуту (Vкм/мин) 1,66 3,33   6,66 8,3                

 

При нахождении минутных отрезков на скоростях, не указанных в табли­це, необходимо помнить, что каждые 100 км/ч скорости составляют примерно 1,7 км/мин.

Пример: Определить расстояние, пролетаемое целью за минуту (S ц за 1 мин), если скорость V ц = 1300 км/ч.

Решение: Зная, что за 1 мин., при V ц = 1200 км/ч расстояние (S ц), пролетаемое целью равно 20 км, а каждые 100 км/ч скорости составляют примерно 1,7 км/мин., производим расчет:

S ц за 1 мин (V1300) = (V1200) 20 + (V100)1,7 = 21,7 (км/мин)

Перевод скорости из км/ч в м/с и обратно:

Для выполнения расчетов необходимо знать, что:

- V = 10 м/с – соответствует V = 36 км/ч;

- V = 50 м/с – соответствует V = 180 км/ч;

- V = 100 м/с – соответствует V = 360 км/ч, и так далее.

 

Рассчитанные данные сведены в таблицу:

 

V км/ч                      
V м/сек                      

Перевод скорости, выраженной в км/час в м/сек и в м/сек в км/час, расчетом в уме, производится по эмпириче­ским формулам:

 

V(км/ч) / 4 + 10% = V (м / с) (% - от полученной дроби )

V(м / с) × 4 – 10% = V (км/ч) (% - от полученного умножения )

Перевод скорости, выраженной в км/ч в км/мин, расчетом в уме, производится по формуле:

V (км/мин) = V(км/ч) / 60

Пример: V = 720 км/ч

V (км/мин) = 720 / 60 = 12 (км/мин)

 

Определение истинной скорости полета - Vист (км/ч):

 

1. По числу М (из М в Vист (км/ч)):

V ист = 1000 × М + 100 (км/ч) – для М 1,9

V ист = 1000 × М + 150 (км/ч) – для 1,9 < М 3

V ист = 1000 × М + 200 (км/ч) – для М > 3

2. По заданной приборной скорости (из Vпр в Vист (км/ч)):

Vист = V пр + 25 км/ч × Н – при Н 5 км

Vист = V пр + 30 км/ч × Н – при 5 < Н 11 км

Vист = V пр + 35 км/ч × Н – при 11< Н 14 км

Vист = V пр + 40 ÷ 45 км/ч × Н – при Н > 14 км

 

 

§ 11.3. Определение дальности вывода (Двыв), интервала разворота (I), упрежденной дальности разворота (Дупр)

 

Определение дальности вывода (Двыв):

При глазомерном наведении в ЗПС или ППС цели под 0/4 Д выв можно определить, расчетом в уме, по эмпирическим формулам:

1. Двыв = Vсбл / 60 + Дпуска – при времени воздушного боя 1мин.

2. Двыв = Vсбл / 30 + Дпуска – при времени воздушного боя 2 мин.

Где, V сбл – скорость сближения истребителя с целью в км/час,

V сбл = V и ± V ц (знак (+) при атаке в ППС, знак (–) при атаке в ЗПС);

Д пуска – дальность пуска ракет в км. ­

Пример: Атака в ЗПС: V сбл = 200 км/ч, t в/б = 2 мин, Д п = 5 км.

Двыв = Vсбл / 30 + Дпуска = 200/30 + 5 = 6,6 + 5 = 11,6 км

 

При глазомерном наведении под ракурсом 4/4 Д выв можно определить, расчетом в уме, по формулам:

1. Двыв = Vц / 60 – при времени воздушного боя 1мин.

2. Двыв = Vц / 30 – при времени воздушного боя 2 мин.

 

Определение упрежденной дистанции разворота (Дупр) и интервала (I):

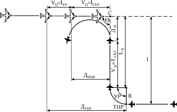
При атаке в ЗПС под 0/4 и угле разворота истребителя на 180° – со встречно-параллельного курса на попутный курс цели (Рис. 11.1.):

Рис. 11.1. Схема наведения в ЗПС, с разворотом на 180°,

со встречно-параллельного курса на попутный курс цели

Дупр = Vц × t 180°Двыв

I = 2 × R

 

При атаке в ППС под 0/4 и угле разворота истребителя на 90° – с перпендикулярного курса на встречный курс цели (Рис. 11.2.):

 

 

Рис. 11.2. Схема наведения в ППС, с разворотом на 90°,

с перпендикулярного курса на встречный курс цели

Дупр = Vц × t 90° +Двыв + R

I = R

При атаке под 4/4 и угле разворота истребителя на 90° – со встречно-параллельного курса на перпендикулярный курс к цели (Рис. 11.3.):

 

 

Рис. 11.3. Схема наведения под БР, с разворотом на 90°,

со встречно-параллельного курса на перпендикулярный курс к цели

Д упр = V ц × t 90° +Д выв + R

I = R + Vи × t сбл + Д п

 

 

§ 11.4. Определение пройденного пути по скорости

и времени полета

Расстояние, пролетаемое самолетом, определяется по формуле:

S (км) = V (км/ч) ×t (ч) или S (км) = V (км/мин) × t (мин)

 

При необходимости определить расстояние, пройденное самолетом, по скорости и времени полета, кратном 6, воспользуемся формулой:

S (км) = (V (км/ч) / 10) × (t (мин) / 6)

 

1. Определяется расстояние, пролетаемое целью за 6 мин, как десятая часть скорости цели (величина скорости без последней цифры), т.е. S км = V(км/ч)/10

2. Определяется расстояние, пролетаемое целью за нужный отрезок времени.

Пример: Определить расстояние, пролетаемое целью S (км) за 18 мин, если V ц = 1600 км/ч.

Решение:

1. Определяем расстояние, пролетаемое целью S за 6 мин, т.е.:

S ц = V (км/ч) / 10 = 1600 / 10 = 160 км

2. Так как t / 6 = 18 / 6 = 3, т.е. 6 мин составляет третью часть от 18 мин, т.о.:

S ц = V/10 × t /6 = 160 × 3 = 480 км.

 

 

ЭМПИРИЧЕСКИЕ ФОРМУЛЫ ДЛЯ НШР

 

ОПРЕДЕЛЯЕМАЯ ВЕЛИЧИНА ФОРМУЛА ПРИМЕЧАНИЯ
Радиус разворота (км) с креном 60о с креном 45о с креном 30о R60° = V/100 – 5,5 R60° = V/100 – 4 R45° = 2 × R60° R30° = 3 × R60° При V ≤ 1500 При V > 1500
Время разворота на 180о(сек) с креном 60о с креном 45о с креном 30о t180° = V/20 t180° = V/10 – V/100 t180° = V/10 + V/20 V (км/ч) t (сек)
Дальность вывода (км) Двыв = Vсбл/60 + Дпуск Двыв = Vсбл/30 + Дпуск При t вб = 1 мин При t вб = 2 мин
Из М в Vист (км/ч) Vист = 1000 × М + 100 Vист = 1000 × М + 150 Vист = 1000 × М + 200 М ≤1.9 1.9 < M ≤ 3.0 M > 3.0
Из Vпр в Vист (км/ч) Vист = Vпр + 25×Н Vист = Vпр + 30×Н Vист = Vпр + 35×Н Vист = Vпр +(40÷45)×Н Н ≤5 км 5 < Н ≤11 км 11< Н ≤14 км Н > 14 км
Путь самолета (км) S = V / 10 × t / 6 V (км/ч), t (мин)
<== предыдущая лекция | следующая лекция ==>
На малых и предельно малых высотах | Условия наведения на средних и больших высотах
Поделиться с друзьями:


Дата добавления: 2014-01-07; Просмотров: 4597; Нарушение авторских прав?; Мы поможем в написании вашей работы!


Нам важно ваше мнение! Был ли полезен опубликованный материал? Да | Нет



studopedia.su - Студопедия (2013 - 2026) год. Все материалы представленные на сайте исключительно с целью ознакомления читателями и не преследуют коммерческих целей или нарушение авторских прав! Последнее добавление




Генерация страницы за: 0.016 сек.