Студопедия

КАТЕГОРИИ:


Архитектура-(3434)Астрономия-(809)Биология-(7483)Биотехнологии-(1457)Военное дело-(14632)Высокие технологии-(1363)География-(913)Геология-(1438)Государство-(451)Демография-(1065)Дом-(47672)Журналистика и СМИ-(912)Изобретательство-(14524)Иностранные языки-(4268)Информатика-(17799)Искусство-(1338)История-(13644)Компьютеры-(11121)Косметика-(55)Кулинария-(373)Культура-(8427)Лингвистика-(374)Литература-(1642)Маркетинг-(23702)Математика-(16968)Машиностроение-(1700)Медицина-(12668)Менеджмент-(24684)Механика-(15423)Науковедение-(506)Образование-(11852)Охрана труда-(3308)Педагогика-(5571)Полиграфия-(1312)Политика-(7869)Право-(5454)Приборостроение-(1369)Программирование-(2801)Производство-(97182)Промышленность-(8706)Психология-(18388)Религия-(3217)Связь-(10668)Сельское хозяйство-(299)Социология-(6455)Спорт-(42831)Строительство-(4793)Торговля-(5050)Транспорт-(2929)Туризм-(1568)Физика-(3942)Философия-(17015)Финансы-(26596)Химия-(22929)Экология-(12095)Экономика-(9961)Электроника-(8441)Электротехника-(4623)Энергетика-(12629)Юриспруденция-(1492)Ядерная техника-(1748)

Поршневые насосы




НАСОСЫ

Гидравлические машины

Гидравлической машиной (гидромашиной) называется машина, предназначенная для преобразования различных видов механической энергии в механическую энергию жидкости, или наоборот. Гидравли­ческие машины разделяются на насосы и гидродвигатели, причем те и другие также делятся на динамические и объемные. К динамическим насосам относятся лопастные (центробежные, осевые) и насосы трения (шнековые, червячные и др.). К динамическим гидродвигателям от­носятся турбины (активные и реактивные). Все остальные объемные гидромашины и гидроаппаратура для них предназначены для объемного гидропривода. Ниже рассматриваются основные конструкции и принцип действия насосов, применяемых в гидроприводах.

 

Насос служит для преобразования энергии двигателя, приводящего его в действие, в энергию потока рабочей жидкости. Наиболее широко применяют пластинчатые, шестерённые, аксиально- и радиально-поршневые насосы. Независимо от их конструктивных особенностей, все они имеют изолированные рабочие камеры. В процессе работы объем части камер сначала увеличивается, масло из всасывающей линии заполняет их, а объем другой части камер уменьшается и масло вытесняется в на­порную линию.

 

 

Устройство и принцип действия

Поршневые насосы для подачи воды и других жидкостей представ­ляют собой простейшие объемные гидравлические машины с возвратно-поступательным движением поршня в гидроцилиндре.

На рис. 1 приведена схема поршневого насоса одностороннего действия. В гидроцилиндре 1 поршень 2 со штоком 6 диаметром d совершает возвратно-поступательное движение. При движении порш­ня вправо объем жидкости в рабочей камере 4 увеличивается, а давле­ние в ней уменьшается и жидкость из резервуара по всасывающей тру­бе 3 через всасывающий гидроклапан Кв поступает в рабочую камеру. Так происходит процесс всасывания при закрытом напорном гидрокла­пане Кн. При движении поршня влево объем жидкости в рабочей каме­ре уменьшается, а давление в ней повышается. Под действием давле­ния всасывающий гидроклапан Кв закрывается, а напорный гидро­клапан Кн открывается и жидкость из рабочей камеры вытесняется через напорный гидроклапан Кн в напорный трубопровод 5. Далее при вращении кривошипа 7 описанный цикл поршневого насоса повто­ряется.

В поршневом насосе одностороннего действия при ходе поршня вправо в гидроцилиндр засасывается объем жидкости, равный

V = FS,

где F — площадь поршня F = nD2/4; S — ход поршня, S = 2 r для насосов с кривошипно-шатунным механизмом (r – радиус кривошипа).

 

 

Рис. 1

При ходе поршня влево этот объем выталкивается в напорный трубопровод. Следовательно, поршневой насос одностороннего действия за один оборот кривошипа делает одно всасывание и одну подачу.

Теоретическая подача поршневого насоса одностороннего действия определяется по формуле Qт = FSn, где п — частота вращения кривошипа.

Действительная подача QД будет несколько меньше теоретической, так как открытие и закрытие напорного и всасывающего клапанов происходит с некоторым запаздыванием, а также вследствие пропуска жидкости через уплотнения поршня и штока. Эта разница учитывается объемным коэффициентом полезного действия n0. Тогда действительная подача порш­невого насоса одностороннего действия.

 

QД = h0FSn, (1)

 

т. е. подача поршневого насоса пропорциональна частоте вращения кривошипа и не зависит от напора.

 

Рис. 2

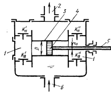
Схема однопоршневого насоса двустороннего действия показана на рис. 2, где 1 — рабочая камера, 2 — напорный трубопровод, 3 — цилиндр, 4 — поршень, 5 — шток, 6 — всасывающий трубопровод. При движении поршня влево всасывающий гидроклапан Кв закрыт, а напорный гидроклапан Кн открыт и через него насос подает в напорный трубопровод за один ход S в одном направлении объем жидкости V1 = FS.

В это время в правой рабочей камере жидкость будет засасываться через всасывающий гидроклапан К“в, а напорный гидроклапан КН будет закрыт. При движении поршня вправо засасывание будет происходить через всасывающий гидроклапан Кв, а подача - через напорный гидроклапан КН; при этом насос за один ход S в другом направлении с учетом площади штока f подаст объем жидкости V2 = (F – f) S, где f = pd2/4.

Следовательно, за один двойной ход поршня (один оборот коленчатого вала) объём подаваемой жидкости насосом в напорный трубопровод равен

V = V1 + V2 = FS + (F – f) S = (2 F – f) S.

Действительная подача однопоршневого насоса двустороннего действия

Q = h0 (2 F – f) Sn. (2)

Трехпоршневой насос одностороннего действия (рис.3) состоит из трех однопоршневых насосов одностороннего действия, имеющих общий коленчатый вал.

 

 

Рис. 3

 

Кривошипы таких насосов расположены под углом 120° по отношению друг к другу. Подача жидкости трехпоршневым насосом за один оборот коленчатого вала составляет V = 3 FS. Действительная подача трехпоршневого насоса одностороннего действия равна

Q = 3 h0FSn. (3)

Трехпоршневые насосы имеют общие всасывающий и напорный трубопроводы.




Поделиться с друзьями:


Дата добавления: 2014-01-07; Просмотров: 780; Нарушение авторских прав?; Мы поможем в написании вашей работы!


Нам важно ваше мнение! Был ли полезен опубликованный материал? Да | Нет



studopedia.su - Студопедия (2013 - 2026) год. Все материалы представленные на сайте исключительно с целью ознакомления читателями и не преследуют коммерческих целей или нарушение авторских прав! Последнее добавление




Генерация страницы за: 0.013 сек.