Студопедия

КАТЕГОРИИ:


Архитектура-(3434)Астрономия-(809)Биология-(7483)Биотехнологии-(1457)Военное дело-(14632)Высокие технологии-(1363)География-(913)Геология-(1438)Государство-(451)Демография-(1065)Дом-(47672)Журналистика и СМИ-(912)Изобретательство-(14524)Иностранные языки-(4268)Информатика-(17799)Искусство-(1338)История-(13644)Компьютеры-(11121)Косметика-(55)Кулинария-(373)Культура-(8427)Лингвистика-(374)Литература-(1642)Маркетинг-(23702)Математика-(16968)Машиностроение-(1700)Медицина-(12668)Менеджмент-(24684)Механика-(15423)Науковедение-(506)Образование-(11852)Охрана труда-(3308)Педагогика-(5571)Полиграфия-(1312)Политика-(7869)Право-(5454)Приборостроение-(1369)Программирование-(2801)Производство-(97182)Промышленность-(8706)Психология-(18388)Религия-(3217)Связь-(10668)Сельское хозяйство-(299)Социология-(6455)Спорт-(42831)Строительство-(4793)Торговля-(5050)Транспорт-(2929)Туризм-(1568)Физика-(3942)Философия-(17015)Финансы-(26596)Химия-(22929)Экология-(12095)Экономика-(9961)Электроника-(8441)Электротехника-(4623)Энергетика-(12629)Юриспруденция-(1492)Ядерная техника-(1748)

Двухтактный трансформаторный каскад на транзисторах




Двухтактный каскад строится на двух усилительных элементах, каждый из которых со своими цепями составляет одно плечо схе­мы. Плечи должны быть симметричными, т.е. иметь одинаковые пара метры усилительных элементов и других деталей. Для увеличения мощности в каждом плече могут применяться два и более усили­тельных элементов, соединенных параллельно. В транзисторных усили­телях плечи двухтактного каскада могут быть построены на состав­ных транзисторах, что позволяет резко уменьшить ток, потребляемый от предоконечного каскада, и увеличить входное сопротивление оконечного.

Усложнение схемы по сравнению с однотактной оправдывается теми существенными преимуществами, которыми обладают двухтактные каскады. Главное из них - возможность получить большую по­лезную мощность за счёт использования экономичных режимов В и АВ при небольших нелинейных искажениях.

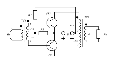
Рассмотрим схему трансформаторного двухтактного каскада на транзисторах р-п-р с общим эмиттером в режиме А (рисунок 1.44). Схема выполнена на двух транзисторах VT1 и VT2, включенных по схеме ОЭ. Нагрузка подключается к каскаду с помощью выход­ного трансформатора TV2. К первичным обмоткам трансформато­ра TV2. К первичным обмоткам трансформатора TV2 подключены коллекторы транзисторов VT1,VT2 (начало обмотки обозначено точкой). Трансформатор TV1 выполняет функцию входного трансформа тора, обеспечивающего подачу входного сигнала в противофазе.

Режим работы обеспечивается напряжением смещения, подавае­мым на базу транзисторов VT1,VT2. С помощью резисторов Rl и R2 создается требуемое напряжение смещения на базах транзисторов VT1 и VT2. При отсутствии входных сигналов постоянные коллекторные токи транзисторов приближенно определяются зависимостью Iко≈ 1,1·Iкм.

 

Рисунок 1.44 – Принципиальная схема двухтактного трансформаторного

каскада на транзисторах р-п-р с общим эмиттером


 

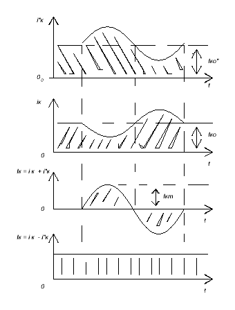
Рисунок 1.45-Временные диаграммы токов

 

Постоянные составляющие токов протекают по следующим це­пям: верхнее плечо +Е, эмиттер VT1, коллектор VT1, L1-2, -E; нижнее плечо - +Е, эмиттер VT2, коллектор VT2, L2-3, -Е. При подаче сигнала указанной полярности на вход входного трансформатора на вторич­ной обмотке L'1-2 трансформатора TV1 действует отрицательная полуволна сигнала, на вторичной обмотке L'3-2 - положительная полуволна. При подаче на базу транзистора VT2 (р-п-р- структуры) отрица­тельного полупериода входного сигнала потенциал базы понижает­ся и, следовательно, увеличиваются токи базы и коллектора. Положи­тельный потенциал на базе транзистора VT1 уменьшает ток базы и коллектора.

Направление прохождения переменных токов в выходных цепях транзисторов определяется знаком потенциала на эмиттере и коллекторе транзистора. Выходную цепь транзисторов следует рассматри­вать как источник переменного тока, клеммами которого являются коллектор и эмиттер транзистора.

С изменением знака напряжения на базе меняются знаки потен­циалов на коллекторе и эмиттера на противоположные и, следовательно, направление протекания тока на противоположное. При указан­ном поведении переменных потенциалов переменные токи создают суммарное магнитное поле в выходном трансформаторе, что опреде­ляет результирующий выходной ток.

Постоянные токи протекают через обмотки L1-2 и L2-3 встречно. При равенстве токов I'ко=I''ко, ∑Iко=0.

Если усилительные элементы вносят нелинейные искажения, то в их

 

токах кроме первых гармоник, отличающихся по фазе для двух плеч на 180°, т.е. на π, создаются высшие гармоники, при этой вторые гармоники двух плеч сдвинуты относительно друг друга на 2π, третьи- на Зπ, четвертые - на 4π и т.д.

Из этого следует, что чётные гармоники оказываются в одинаковых фазах и протекают через половины обмотки трансформатора в
противоположных направлениях. Поэтому четные гармоники в трансформаторе при симметрии плеч взаимно компенсируются и нелинейные искажения уменьшаются.

Нечётные гармоники, как и токи основной частоты, противофазны, поэтому их магнитные потоки складываются.

При пульсациях питающего напряжения постоянные токи плеч пульсируют одновременно, оставаясь равными друг другу, так что пульсации магнитного потока в сердечнике трансформатора компен­сируются, следовательно, снижается фон переменного тока. Аналогично компенсируются и другие помехи от источника электропитания. Кроме того, двухтактный каскад не нагружает источник электро­питания токами сигнала, так как токи сигнала протекают через цепи источника электропитания в противоположных направлениях и взаимно компенсируются.

Двухтактный каскад выгодно отличается от однотактного нечув­ствительностью к синфазным помехам на входе. При возбуждении обоих плеч одинаковыми по фазе т.е. синфазными, входными напряжениями магнитные потоки в сердечнике взаимно уничтожаются, так что синфазные помехи на выходе отсутствуют.

Все эти преимущества полностью реализуются только при абсо­лютной симметрии плеч двухтактной схемы. На практике из-за раз­броса параметров транзисторов и неодинаковых данных других эле­ментов плеч полной симметрии не удается добиться даже при подборе усилительных элементов. Следовательно, происходит не полное уничтожение, а значительное ослабление намагничивания сердечника, помех, фона, чётных гармоник и паразитной связи через источник электропитания.




Поделиться с друзьями:


Дата добавления: 2014-01-07; Просмотров: 5492; Нарушение авторских прав?; Мы поможем в написании вашей работы!


Нам важно ваше мнение! Был ли полезен опубликованный материал? Да | Нет



studopedia.su - Студопедия (2013 - 2026) год. Все материалы представленные на сайте исключительно с целью ознакомления читателями и не преследуют коммерческих целей или нарушение авторских прав! Последнее добавление




Генерация страницы за: 0.011 сек.